Project Gutenberg's The Journal of Negro History, Volume 2, 1917, by Various

This eBook is for the use of anyone anywhere at no cost and with
almost no restrictions whatsoever.  You may copy it, give it away or
re-use it under the terms of the Project Gutenberg License included
with this eBook or online at www.gutenberg.org


Title: The Journal of Negro History, Volume 2, 1917

Author: Various

Release Date: March 6, 2007 [EBook #20752]

Language: English

Character set encoding: ISO-8859-1

*** START OF THIS PROJECT GUTENBERG EBOOK NEGRO HISTORY ***




Produced by Curtis Weyant, Richard J. Shiffer and the
Online Distributed Proofreading Team at http://www.pgdp.net






Transcriber's Note:

Every effort has been made to replicate this text as faithfully as possible, including obsolete and variant spellings and other inconsistencies. Text that has been changed to correct an obvious error is noted at the end of this ebook. Also, the transcriber added the Table of Contents.

The Journal
of
Negro History


Volume II


1917


Contents

Vol II—January, 1917—No. 1


Slavery and the Slave Trade in AfricaJerome Dowd
The Negro in the Field of InventionHenry E. Baker
Anthony BenezetC. G. Woodson
People of Color in Louisiana - Part IIAlice Dunbar-Nelson
Notes on Connecticut as a Slave State 
Documents 
Letters of Anthony Benezet 
Reviews of Books 
Notes 

Vol II—April, 1917—No. 2


Evolution of Slave Status in American Democracy - IJohn M. Mecklin
John Woolman's Efforts in Behalf of FreedomG. David Houston
The Tarik É SoudanA. O. Stafford
From a Jamaica PortfolioT. H. MacDermot
Notes on the Nomolis of SherbrolandWalter L. Edwin
Documents 
Observations on the Negroes of Louisiana 
The Conditions against which Woolman and Anthony Benezet Inveighted 
Book Reviews 
Notes 

Vol II—July, 1917—No. 3


Formation of American Colonization SocietyHenry Noble Sherwood, Ph.D
Evolution of Slave Status in American Democracy - IIJohn M. Mecklin
History of High School for Negroes in WashingtonMary Church Terrell
The Danish West IndiesLeila Amos Pendleton
Documents 
Relating to the Danish West Indies 
Reviews of Books 
Notes 
African Origin of Grecian Civilization 

Vol II—October, 1917—No. 4


Some Historical Errors of James Ford RhodesJohn R. Lynch
The Struggle of Haiti and Liberia for RecognitionCharles H. Wesley
Three Negro PoetsBenjamin Brawley
Catholics and the NegroJoseph Butsch
Documents 
Letters of George Washington Bearing on the Negro 
Petition for Compensation for the Loss of Slaves 
An Extract from the Will of Robert Pleasants 
Proceedings of a Reconstruction Meeting 
Reviews of Books 
Notes 
The First Biennial Meeting of the Association for the Study of Negro Life and History at Washington 

[Pg 1]

The Journal
of
Negro History

Vol. II—January, 1917—No. 1


Slavery and the Slave Trade in Africa

I. The Origin and Extent of Slavery in the Several Economic Zones of Africa

Slavery in Africa has existed from time immemorial, having arisen, not from any outside influence, but from the very nature of the local conditions. The three circumstances necessary to develop slavery are:

First, a country favored by the bounty of nature. Unless nature yields generously it is impossible for a subject class to produce surplus enough to maintain their masters. Where nature is niggardly, as in many hunting districts, the labor of all the population is required to meet the demands of subsistence.

Second, a country where the labor necessary to subsistence is, in some way, very disagreeable. In such cases every man and woman will seek to impose the task of production upon another. Among most primitive agricultural peoples, the labor necessary to maintenance is very monotonous and uninteresting, and no freeman will voluntarily perform it. On the contrary, among hunting and fishing peoples, the labor of maintenance is decidedly interesting. It partakes of the nature of sport.

Third, a country where there is an abundance of free land. In such a country it is impossible for one man to secure another to work for him except by coercion; for when[Pg 2] a man has a chance to use free land and its products he will work only for himself, and take all the product for himself rather than work for another and accept a bare subsistence for himself. On the contrary, where all the land is appropriated a man who does not own land has no chance to live except at the mercy of the landlord. He is obliged to offer himself as a wage-earner or a tenant. The landlord can obtain, therefore, all the help he may need without coercion. Free labor is then economically advantageous to both the landlord and the wage-earner, since the freedom of the latter inspires greatly increased production. From these facts and considerations, verified by history, it may be laid down as a sociological law that where land is monopolized slavery necessarily yields to a regime of freedom.[1]

In applying these principles to Africa it is necessary to take account of the natural division of the continent into distinct economic zones. Immediately under the equator is a wide area of heavy rainfall and dense forest. The rapidity and rankness of vegetable growth renders the region unsuited to agriculture. But the plentiful streams abound in fish and the forests in animals and fruits. The banana and plantain grow there in superabundance, and form the chief diet of the inhabitants. This may be called, for convenience, the banana zone. To the north and south of this zone are broad areas of less rainfall and forest, with a dry season suitable to agriculture. These may be called the agriculture zones. Still further to the north and south are areas of very slight rainfall and almost no forests, suitable for pasturage. Here cattle flourish in great numbers. These may be called the pastoral zones. These zones stretch horizontally across the continent except in case of the cattle zones, which, on account of the mountainous character of East Africa, include the plateau extending from Abyssinia to the Zambesi river. Each of these zones gives rise to different types of men, and different characteristics of economic organization, of family life, government, religion, and art.[Pg 3]

In the banana zone nature is extremely bountiful. The people subsist mostly upon the spontaneous products. A small expenditure of effort will support a vast population. Agriculture is very little practiced. Here the effort to live would seem to be easier and more agreeable than in any other part of the world, so that man would not be under pressure to enslave his kind. But alas, the work of gathering and transporting the fruits, of the preparation and cooking them, as well as the bringing home and cooking of the game, the building of houses, etc., is not altogether pleasant. It is uninteresting, and the heat and the humidity of the climate render it almost insupportable in certain seasons and hours of the day. The repugnance to labor of tropical people, whether natives or white immigrants, is proverbial. Every one in the banana zone, therefore, seeks to shift his burden upon another. As a first resort, he unloads it upon his wife, and she, finding it grievous, cries out, and he then relieves her by procuring additional wives. This kind of wife-slavery suffices for the support of the population in this zone, but in the case of families of rank, who have been accustomed to some degree of luxury, other helpers are needed, and these form a class of domestic slaves. Now, in this zone, the climatic conditions not only render labor disagreeable but tend to curb aspiration, so that people do not acquire a taste or demand for products which minister to the higher nature. Lassitude keeps the standard of living down to a low level. Hence, in this zone the labor of women suffices, for the most part, for the maintenance of the population. Since land is free and no one will voluntarily work for another, such additional workers as are needed must be obtained and bound to the master by coercion.

In this zone two very remarkable consequences follow from the fact that very few slaves are needed for workers. The first is the practice of cannibalism, once universal in this zone, and still in vogue throughout vast regions. The bountiful food supply attracts immigrants from all sides, and the result is a condition of chronic warfare. When one tribe defeats another the question arises, What is to be[Pg 4] done with the prisoners? As they cannot be profitably employed as industrial workers, they are used to supplement a too exclusive vegetable diet. Wars come to be waged expressly for the sake of obtaining human flesh for food. The Monbuttu eat a part of their captives fallen in battle, and butcher and carry home the rest for future consumption. They bring home prisoners not to reduce to slavery but as butcher-meat to garnish future festivals.

A second consequence of the limited demand for slaves is that war captives are sold to foreigners. Adjacent to the banana zone are zones of agriculture, where slaves are in great request, and, during the European connection with the slave trade, the normal demand for slaves in this zone was greatly heightened. Among the Niam Niam all prisoners belong to the monarch. He sells the women and keeps the children for slaves. Hence, the banana zone has been the great reservoir for supplying slaves to other parts of the world. Hundreds of thousands of slaves came from this zone to the West Indies, and to the slave states of North and South America. In Dahomey and Ashanti war captives used to be sold "en bloc" to white traders at so much per capita.

In the agricultural zones to the north and south nature is more niggardly, though she yields enough, when coaxed by the hoe, to permit of a large class of parasites. The labor of maintenance is more onerous than in the banana zone. While the heat and humidity are not so great the work is more grievous because of its greater quantity and monotony. The motive to shift the work is, therefore, very strong and the demand for slaves is very great. In fact, the ratio of slaves to freemen is about three or four to one. As land is free and the resources open, the only means of obtaining workers is by coercion. The supply of slaves is kept up by kidnapping, by warfare upon weak tribes, by the purchase of children from improvident parents, and by forfeiture of freedom through crime.

In the cattle zones farther to the north and south, nature is still less bountiful. The labor of maintenance requires[Pg 5] a combination of the pastoral art, agriculture and trade. A slave class could not maintain itself and at the same time support a large master class. The labor of a large proportion of the population is, in one way or another, necessary to existence. The nature of the work, so far as it is pastoral or trading, is not especially irksome, but rather fascinating. Tending cattle is full of excitement, and is a kind of substitute for hunting; while trading is an occupation which appeals with wonderful force to all the races of Africa. The impulse to shift labor in the cattle zones is, therefore, very slight, except in the case of a few populations subsisting largely upon agriculture. The ruling classes, therefore, instead of owning many personal slaves, make a practice of subjugating the agricultural groups in such a way as to constitute a kind of feudalism. As land is free the enslaved groups can be made to serve the free class only by coercion.

Similar conditions among the natural races all over the world give rise in the same way to the institution of slavery. Ellis thinks that slavery probably originated under the regime of exogamy where the sons born of captured women formed the slave class because they were considered inferior to the sons born of the women of the group.[2] But it is quite evident that slavery originated primarily from economic conditions. For further sociological explanations of slavery in the several zones the reader is referred to the author's first and second volumes on the Negro races.

II. The Slave Trade of West Africa and the Desert of Sahara

The African slave trade goes back as far as our knowledge of the Negro race. The first Negroes of which we have any record were probably slaves brought in caravans to Egypt. They were in demand as slaves in all the oases of the deserts, and along the coasts of the Mediterranean. "Among the ruling nations on the north coast," says Heeren, "the Egyptians, Cyrenians and Carthaginians, slavery was[Pg 6] not only established but they imported whole armies of slaves, partly for home use, and partly, at least by the latter, to be shipped off to foreign markets. These wretched beings were chiefly drawn from the interior, where kidnapping was just as much carried on then as it is at present. Black male and female slaves were even an article of luxury, not only among the above mentioned nations, but even in Greece and Italy; and as the allurement to this traffic was on this account so great, the unfortunate Negro race had, even thus early, the wretched fate to be dragged into distant lands under the galling yoke of bondage."[3] Since the introduction of Mohammedanism, slaves have been carried eastward into all of the Moslem States as far as Asia Minor and Turkey, where they are still much valued as domestic servants or as eunuchs to guard the seraglios of Mohammedan princes. In the middle ages many African slaves were carried into Spain through the instrumentality of the Saracens, and from there the first slaves were imported into America. The supply of slaves for the Northern and Eastern States was obtained chiefly from the region of the Sudan. At an early period many caravan routes led northward from this region.

During the eighteenth and nineteenth centuries the slaves were obtained by a variety of methods, of which the most common was that of raiding the agricultural Nigritians who lived in towns and cities scattered and unorganized in the agricultural zone, and who were easy victims of the mounted bands of desert Berbers, Tuaregs and Arabs who descended into the region in quest of booty and captives. Robert Adams, an American sailor who was wrecked on the West Coast of Africa in 1810, said of the raiding parties sent out from Timbuktu, "These armed parties were all on foot except the officers. They were usually absent from one week to a month, and at times brought in considerable numbers," mostly from the Bambaras. "The slaves thus brought in were chiefly women and children, who, after[Pg 7] being detained a day or two at the king's house, were sent away to other parts for sale."[4]

The Fellatahs, who, since the beginning of the nineteenth century, have been the dominators of the Nigritians in West Africa, used to carry on a merciless campaign against their subjects, destroying their homes and fields, and seizing women and children by the thousands to barter away to the West, or to send across the desert. Describing the effects of a Fellatah raid, Barth says: "The whole village, which only a few moments before had been the abode of comfort and happiness, was destroyed by fire and made desolate. Slaughtered men, with their limbs severed from their bodies, were lying about in all directions and made passers-by shudder with horror."[5]

The slave traffic in the Sudan gave rise at a very early date to regular slave markets. The city of Jenné on the Niger was, in the middle ages, the greatest emporium in West Africa, far outshining Timbuktu. From the fifteenth century to the present time, the most celebrated slave markets have been Kuka, on Lake Chad, Timbuktu, capital of the Songhay empire, Kano, capital of the Haussa empire, and Katsena, capital of a district of the same name. Rohlfs found at the Kuka slave market, white haired old men and women, children suckling strange breasts, young girls and strong boys who had come from Bornu, Baghirmi, Haussa, Logun, Musgu, Waday and from lands still more distant.[6]

The slaves were carried across the desert by two kinds of caravans. First, those composed of nomad tribes, which migrated periodically from north to south. During the winter the tribes would pasture their camels along the edges of the desert, but in the spring they would visit the cities in the oases to gather up a supply of dates and other desert products to sell in the north. They would then in the same season proceed north to the cultivated regions of the Atlas mountains and arrive there in the midst of the harvest, exchanging their southern commodities for grain, raw-wool,[Pg 8] and a variety of European goods. At the end of the summer they would return to the south, arriving at the oases just as the dates were ripening. Here the grain, wool and other stuffs from the north would be exchanged for dates and manufactured articles of the desert. The same tribes which advanced from the oases of the desert to the north also descended towards the south, thus establishing intercourse between the Barbary States and Timbuktu. Many slaves picked up by these immigrating tribes were carried from one oasis to another until they were finally sold into the states bordering the Mediterranean.

The second kind of caravans were those conducted by merchants, traveling with hired camels, and making rapid and direct journeys across the desert to and from the chief slave markets. These caravans would come into the Sudan composed of men mounted upon camels, asses and mules, bringing salt, hides, cloth, and sundry articles from civilized North Africa, and return with slaves through Tibbu to Fezzan, and there fatten them for the Tripoli slave markets. Those that came to Timbuktu returned to any of the Barbary States, and there transferred their slaves to other traders who carried them as far as Turkey in Asia. Those that came to Kano usually passed out by way of Kuka or Katsena and proceeded thence by several routes to markets in North Africa.

The journey across the desert was exceedingly fatal to the blacks, since they were not accustomed to the northern climate. They suffered from hunger, thirst and cold, and a large per cent. of them perished along the way. Damberger, who traveled through the interior of Africa between 1781 and 1797, relates, as follows, his experience as a slave-captive in crossing the desert. Passing through the Sudan he fell in with some Moors, journeying to Tegorarin, where he was sold to a slave dealer, who resold him to a Mussulman en route to Mezzabath, a town on the river Oniwoh. Here again he was sold to a merchant who carried him to Marocco. He narrates that "On the 6th of September, my new master and I departed with the caravan. It consisted[Pg 9] of merchants from various nations, of persons of distinction, who had been performing a pilgrimage to Mecca, and of slaves. We proceeded slowly on our journey, as the roads were bad and our beasts were very heavily laden. Every day some of our company left the caravan, as we approached or passed the respective destinations. We traveled over mountains where the path was sometimes so narrow as only to permit the passage of one person at a time. We were constantly on the watch in these parts to prevent being surprised by the Arabs, as our caravan conveyed many valuable articles, which would have afforded rich plunder to those robbers. That which we apprehended actually happened on the seventh day after our departure, namely, on the 13th of Sept. A number of armed Arabs attacked us between the Cozul mountains and the river Tegtat; killed four of our slaves and three camels; and, though they lost several men in the attack, obstinately continued the combat. We defended ourselves to the utmost of our power, and at length had the good fortune to repel the whole troop. The victory, however, was not obtained till two of our merchants and five slaves were wounded, besides the four that were killed. We preserved all our property and the burthens of the slain camels were distributed among those that remained."[7]

An account of the caravan traffic from Timbuktu is given by Jackson, who says that Timbuktu "has from time immemorial carried on a very extensive and lucrative trade with the various maritime states of North Africa, viz., Marocco, Tunis, Algiers, Tripoli, Egypt, etc., by means of accumulated caravans, which cross the great desert of Sahara, generally between the months of September and April inclusive; these caravans consist of several hundred loaded camels, accompanied by the Arabs who let them to the merchants for the transportation of their merchandise to Fez, Marocco, etc., and at a very low rate. During their routes they were often exposed to the attacks of the roving Arabs of Sahara who generally commit their depredations as they[Pg 10] approach the confines of the desert."[8] The wind sometimes rolls up the sand like great billows of the ocean, and caravans are often buried under the pile, and then the wind, shifting, scatters in the air those newly constructed mounds, and forms, amidst the chaos, dreadful gulfs and yawning abysses: the traveler, continually deceived by the aspect of the place, can discover his situation only by the position of the stars.

When the caravans reach Akka, on the northern border of the desert, the camels and the guides are discharged, and others hired to proceed to Fez, Marocco, etc. The trip across the desert is made in about 130 days, including the necessary stops. Caravans go at the rate of three and one half miles an hour, and travel seven hours a day. The convoys of the caravan usually consist of two or more Arabs belonging to the tribe through whose territory the caravan passes. When the convoys reach the limit of their country, they transfer the caravan to other guides, and so on till the desert is crossed. The individuals who compose the caravans are accustomed to few comforts. "Their food, dress and accommodation are simple and natural: proscribed from the use of wine and intoxicating liquors by their religion, and exhorted by its principles to temperance, they were commonly satisfied with a few nourishing dates and a draft of water; and they will travel for weeks successively without any other food."[9]

The caravans from Timbuktu were wont to export to the Barbary States gold dust and gold rings, ivory, spices, and a great number of slaves. "A young girl of Haussa, of exquisite beauty," remarks Jackson, "was once sold at Marocco, whilst I was there, for four hundred ducats, whilst the average price of slaves is about one hundred."[10] As to the cost of transporting the slaves, Jackson states that "Ten dollars expended in rice in Wangara is sufficient for a year's consumption for one person; the wearing apparel[Pg 11] is alike economical; a pair of drawers, and sometimes a vest, forming all the clothing necessary in traversing the desert."[11]

Gen. Daumas describes a journey he made from Katsena in the Sudan across the desert about the middle of the nineteenth century. Arriving at Katsena, he says that his caravan was met by a great and mixed crowd of Negroes, who crowded around the camels, speaking in the most animated manner their unknown language. He and his companions were assigned to a special quarter of the city, and provided with lodgings. The camels were put in charge of some poor men of the caravan who led them away every day to the pasture, brought them back at four or five o'clock in the evening, and placed them in the enclosure in the city. The caravan leaders paid their respects to the chief of the city who bade them welcome and promised them protection. The business proceeded leisurely, as it was customary for the caravans to remain there two months.

The chief, not having a sufficient supply of slaves on hand to trade, caused his big drums to be beaten, and organized two bands of troops to execute a raid among the heathen tribes to the east and southwest. The raiding bands attacked only tribes with whom they were at war, or who refused to adopt the Mohammedan religion. While the troops were on the warpath, the caravan leaders visited the city slave market and made, from day to day, a few purchases. The price paid for an old Negro was 10,000 to 15,000 cowries, an adult Negro 30,000, a young Negro woman 50,000 to 60,000, a Negro boy or girl 35,000 to 45,000. The seller agreed to take back, within three days of the date of the purchase, any slaves that proved to have objectionable qualities, such as a disease, bad eyes or teeth, or a habit of snoring in sleep. As a rule slaves that come below Nupé were not salable for the reason that, being unaccustomed to eat salt, it was difficult for them to withstand the regime of the desert. Also, slaves from certain countries south of Kano were not salable because they were cannibals.[Pg 12] The slaves from this region were recognized by their teeth which were sharpened to a point, resembling those of a dog. Negroes from other tribes were not purchased because they were believed to have the power of causing a man to die of consumption by merely looking at him. The purchase of Fellatahs, or pregnant Negro women, or Jews was strictly forbidden by the Sultan. The Fellatahs were not bought because they boasted of being white people. The Negro women could not be bought because the child to be born would be the property of the Sultan if its mother were a heathen, and it would be free if the mother were a Mohammedan. The Jew Negroes could not be bought because they were jewelers, tailors, artisans and indispensable negotiators.

The raiding troops, after having been on the campaign for nearly a month, returned with 2,000 captives, who marched in front of the column, the men, women, old and young, almost all nude, or half clad in ragged blue cloth, and the children piled upon the camels. The women were groaning, and the children crying, while the men, though seemingly more resigned, bore bloody marks upon their backs made by the whips. The convoy was marched to the palace, where its arrival was announced to the Sultan by a band of musicians. The Sultan complimented the chief, examined the slaves and ordered them to the slave market; and the next morning the caravan leaders were invited to come and make their purchases.

After the slave-trading was over, it was necessary to purchase supplies of corn, millet, dried meat, butter and flour for three months, also to purchase camels and hide-tents. Daumas's caravan, which set out from Metlily with only 64 camels and sixteen men, had now increased to 400 slaves and nearly 600 camels.

A caravan from Tuat, which had joined that of Daumas, had augmented in the same proportions. It had bought 1,500 slaves and its camels had increased to 2,000. These two caravans waited two days to be joined by three others which had penetrated farther to the south. It was desirable[Pg 13] that all of the caravans recross the desert together in order better to resist attacks from the Tuaregs, Tibbus, and other highwaymen of that region.

The slaves had to be watched very closely, since believing that they were to be eaten by the white men, they were ready to take any chance of escaping. The women were tied in twos by the feet, and the men tied eight or ten together, each with his neck in an iron collar, to which was attached a short chain which held the hand of each slave at the height of his chest. At night Daumas fastened to his wrist the chains which bound all of his slaves together so that the least movement would wake him.

In a short time the three expected caravans arrived. One had originally come from Ghedames, one from Ghat and one from Fezzan. The first had gone as far as Nupé. It brought back 3,000 slaves and 3,500 camels. The second had gone to Kano and returned with 400 or 500 slaves and 700 or 800 camels. The third returned from Sokoto, and had about the same number of slaves and camels as the second.

After the proper ceremonies of farewell at the palace of the Sultan, the camels were loaded, and the children placed upon the baggage. The Negro men, chained together, were placed in the middle of each caravan, and the women were grouped eight or ten together, and guarded by a man with a whip. The signal was given, and the great combined caravans, consisting in all of about 6,000 slaves and 7,500 camels, started on their homeward march.

But suddenly there was a mighty noise of crying and groaning, of calling at each other and bidding farewell to friends. Some were so overcome at the fear of being eaten that they rolled upon the ground and absolutely refused to walk. Nothing could persuade them to get up until a guard came along with his great whip which brought blood at each lash. As the great army passed through the gate of the city, an officer of the Sultan examined every slave to be sure none was a Fellatah, Mohammedan, or Jew. The Ghat caravan happened to have among its slaves a[Pg 14] Fellatah, who was at once discovered and set free. At the first camp, says Daumas, "Each caravan established its bivouac separately, and as soon as the camels were crouched, and after having chained our Negro women by the feet and in groups of eight or ten, we forced our Negro men to aid us, with the left hand which we had left free, to unload our baggage, to arrange it in a circle and to stretch in the center the tents which we had brought from Katsena. Two or three of the oldest women that we had not put in chains, but who had always had their two feet fettered, were directed to prepare our supper. We ate in groups of four. This sad supper over, we placed the guards around our camp, and made the slave women and men sleep as before said."[12]

The next day the caravans were obliged to stop in consequence of a Negro woman who gave birth to a child. This stop, however, was not very lengthy. In a few hours she and her infant were placed upon a camel and the caravan went forward. When the camp was pitched for the next night, the leader, in making his rounds, ordered that the young Negro mother be left unshackled, and that she be given some meat for supper and allowed to sleep warmly upon a mat. But during the night, when everything was quiet, the mother put her infant in a basket filled with ostrich feathers, placed it upon her head, and made her escape.

Next morning, upon discovering her flight, several bands of men were sent out in different directions to find her. One of these, after a few hours of search, found her in a thicket nursing her child. She was led back to the camp, and two gun-shots recalled the other bands, and the caravans then resumed their march. The caravans stopped at Aghezeur to replenish their provisions and make repairs; and up to that time none of the people had died, and only one camel was lost.

After a month's traveling they reached "Ogla d'Assaoua," which was a rendezvous for all the marauding[Pg 15] bands that returned from the Sudan. It was particularly dangerous for the reason that it was the point at which groups of caravans divided and proceeded in different directions across the desert, and some of the independent caravans had to pass near the Tuareg nomads.

"None of our slaves," says Daumas, "I am sure, will ever forget this stop, for it was there that they were for the first time given their liberty after being in irons a month. The men and women danced all day after the fashion of their own country, until they fell prostrated with heat and fatigue. Even those whose legs and necks had been made sore from the chains took an active part in this fatiguing exercise, and all came to kiss our hands and to prostrate themselves at our feet and to sprinkle them with sand. We were careful not to interrupt this feast of good augury. It was the first proof to us that they had at last accepted their lot, and we had no longer to fear they would dream of escaping as they were so far from the Sudan and in the very middle of the desert.... From that day all were sincerely attached to us, and our joy was not less than theirs, for the continued watch which had been imposed upon us had been frightfully fatiguing. They helped us to load and unload our camels, to guide them en route, to stretch our tents, and to bring wood and water, labors which we alone had performed for a month. Finally we could lie down and sleep in peace."[13] At an early hour the next morning the tents were folded and the several caravans parted company. One went eastward through Ghat to Ghedames, accompanied as far as Ghat by another whose wares were sold in Fezzan and to other caravans coming from Murzuk. Another went eastward directly to Fezzan, where its merchandise was to be distributed to points in Tunis, Tripoli and Egypt. Daumas and his companion caravan of Tuat struck out to the northwest for the oasis of Tuat.

Two thirds of the camels bought by Daumas in the Sudan died before he reached "Isalab" (Ain Salah?), as they could not stand the hardship of the journey, especially the[Pg 16] chilly and damp nights of the desert. Arriving at Metlily the Arab merchants repaired to a mosque and thanked God for His protection.

III. Region of Northwest Africa and the Desert of Sahara. Hardship of the Desert Route

In 1850 Barth estimated the number of slaves carried across the desert from Kuka at 5,000 per annum, and in 1865 Rohlfs estimated the number at 10,000. A British Blue Book of 1873 estimated that the Mohammedan States of North Africa absorbed annually one million slaves.

The mortality in crossing the desert was frightful. Denham saw near a well in the Tibbu country 100 skeletons of Negroes who had perished from hunger and thirst. In his travels he saw a skeleton every few miles, and for several days he passed from sixty to ninety skeletons per day. Sometimes a whole caravan perished, consisting of as many as 2,000 persons and 1,800 camels. The Negroes composing the caravans often had to walk and carry heavy loads. Rohlfs says that if one did not know the route of their pilgrimage he could find the way by the bones that lie to the right and left of the path. When he was passing through Murzuk in 1865, he gave medical aid to a slave dealer who was very ill, and, in compensation, received a boy about seven or eight years old. The boy had traveled four months across the desert from Lake Chad. He knew nothing of his home country, had even forgotten his mother tongue, and could jabber only some fragments of speech picked up from the other slaves of the caravan. As a result of the long journey he was emaciated to a skeleton and so enfeebled that he could scarcely stand up. He crawled on all fours and kissed the hand of his new master, and the first words he uttered were "I am hungry." The boy prospered and followed Rohlfs to Berlin. Thomson, in his travels, mentions having met a caravan of forty slave-girls crossing the Atlas Mountains on its way to Marocco. "A few were on camel-back, but most of them trudged on foot, their appearance[Pg 17] telling of the frightful hardships of the desert route. Hardly a rag covered their swarthy forms." Marocco used to be the destination of most of the slaves transported across the desert. About twenty-five years ago the center of the traffic in that state was Sidi Hamed ibu Musa, seven days journey south of Mogador where a great yearly festival was held. The slaves were forwarded thence in gangs to different towns, especially to Marocco City, and Mequinez. Writing in 1897, Vincent says the slave trade is as active as ever at Mequinez and Marocco City. The slaves were sold on Fridays in the public markets of the interior, but never publicly at any of the seaports, owing to the adverse European influence. There is a large traffic at Fez, but Marocco City is the great mart for them, where one may see frequently men, women and children sold at one time. Marakesh was once a chief market in Marocco. In 1892 a caravan from Timbuktu reached that city with no less than 4,000 slaves, chiefly boys and girls whose price ranged from ten to fourteen pounds per head. As many as 800 were sold there within ten days to buyers from Riff, Tafilett and other remote parts of the empire. A writer in the Anti-slavery Reporter, December, 1895, said: "Few people know the true state of affairs in Marocco; only those who live in daily touch with the common life of the people really get to understand the pernicious and soul-destroying system of human flesh-traffic as carried on in the public markets of the interior. Having resided and traveled extensively in Marocco for some seven years, I feel constrained to bear witness against the whole gang of Arab slave-raiders and buyers of poor little innocent boys and girls.

"When I first settled in Marocco I met those who denied the existence of slave-markets but since that time I have seen children, some of whom were of tender years, as well as very pretty young women, openly sold in the city of Marocco, and in the towns along the Atlantic seaboard. It is also of very frequent occurrence to see slaves sold in Fez, the capital of Northern Marocco.

"The first slave-girls that I actually saw being sold were[Pg 18] of various ages. They had just arrived from the Soudan, a distance by camel, perhaps, of forty days' journey. Two swarthy-looking men were in charge of them. The timid little creatures, mute as touching Arabic, for they had not yet learned to speak in that tongue, were pushed out by their captors from a horribly dark and noisome dungeon into which they had been thrust the night before. Then, separately, or two by two, they were paraded up and down before the public gaze, being stopped now and again by some of the spectators and examined exactly as a horse dealer would examine the points of a horse before buying the animal at any of the public horse-marts in England. The sight was sickening. Some of the girls were terrified, others were silent and sad. Every movement was watched by the captives, anxious to know their present fate. My own face blushed with anger as I stood helpless by and saw those sweet, dark-skinned, wooly-headed Soudanese sold into slavery.

"Our hearts have ached as we have heard from time to time from the lips of slaves of the indescribable horrors of the journeys across desert plains, cramped in pain, parched with thirst, and suffocated in panniers, their food a handful of maize. Again, we have sickened at the sight of murdered corpses, left by the wayside to the vulture and the burning rays of the African sun, and we have prayed, perhaps as never before, to the God of justice to stop these cruel practices."

Tunis and Algiers have also been great receptacles for the slaves of the Sudan. Describing the slave market at Tunis, Vincent says that it is a courtyard surrounded by arcades, the pillars of which are all of the old Roman fabrication. Around the court are little chambers or cells in which the slaves are kept, the men below, the women in the story above.

According to the statement of Barard, in 1906, Negro slavery is still prevalent throughout Marocco, and Negro women still populate the harems. "In the towns and plains, the present generations are pretty strongly colored by their[Pg 19] infusion of black blood. But the mountainous tribes who represent three fourths of a Maroccan population have kept themselves almost free from mixture; white or blond, they always resemble, by the color of their skin or texture of hair, the Europeans of Germany or France rather than the Mediterraneans of Spain and Italy." In Tunis the open sale of slaves is pretty well suppressed, but in a modified form the trade continues. Vivian says: "By resorting to fictitious marriages, and other subterfuges, the owner of a harem may procure as many slaves as he pleases, and, once he has got them into his house, no one can possibly interfere to release them. Slaves can, of course, escape and claim protection from the Consulates, but, as a matter of fact, they are generally quite contented with their position and know that such action would only involve them in ruin." In all of the Barbary States the slave trade is at the present time under prohibition, although it has not been effectively suppressed in any of them. According to a recent statement in the Anti-slavery Reporter, "a sale of slaves among which some white women and children were included, took place in a Fondak (an enclosure for accommodation of travelers and animals) in Tangier in April last (1906) and the sale was reported in a local newspaper, Al Moghreb Al Aksa." In July of the same year it was reported that a young black girl had been brought to the city and sold as a slave. The sultan had issued orders to the customs officers and at the various ports to prevent the transport of slaves by sea, and in event of any person discovered to be bringing slaves by sea, to punish him and free the slaves in his possession.

In July, 1906, the Anti-slavery Society of Italy published the particulars of a Turkish ship which left the port of Bengazi (Tripoli) for Constantinople with six slaves on board. Through the activity of the Society's agent the vessel was boarded and the slaves liberated.

Within the last decade the traffic in slaves across the desert has been limited to routes between the Niger and Marocco, and between Kuka and Tripoli. At the present[Pg 20] time there are probably no regular slave routes across the desert. Owing to the activity of European consuls in Northwest Africa caravans have a precarious existence and no safe markets.

"Only a few years ago," says the Anti-slavery Reporter, "Timbuctu, the famous trade metropolis of Central Africa, was also the most active center of the slave trade. French occupation (1894) has put an end to that traffic, and it is extending the pax Gallica throughout the vast and fertile territory of the Niger where formerly anarchy and brutality reigned."[14]

Jerome Dowd,

Professor in the University of Oklahoma.

Footnotes:

[1] Nieboer, "Slavery as an Industrial System," 257-348.

[2] "The Ewé Speaking Peoples," 222.

[3] "Historical Researches," 181.

[4] "Narrative of an American Sailor," 55.

[5] "Travels in North and Central Africa," II, 379.

[6] "Reise von Mittelmeer nach dem Tshad-See," I, 344.

[7] "Travels Through the Interior of Africa," 490.

[8] "An Account of the Empire of Morocco," 282.

[9] Ibid., 288.

[10] "Account of the Empire of Morocco," 292.

[11] Ibid., 295.

[12] "Le Grand Desert," 228.

[13] Ibid., 251.

[14] "Tunesia and the Modern Barbary Pirates," 65.


[Pg 21]

The Negro in the Field of Invention

There is no branch of technical and scientific industry in our country that is at all comparable in scope and results with the business of perfecting inventions. These constitute the basis on which nearly all our great manufacturing enterprises are conducted, both as to the machinery employed and the articles produced. So vast is the field covered by inventors, and so industriously do they apply their talent to it that patents for new and useful inventions are now being granted them by our government at the rate of more than one hundred a day for every day that the office is open for business. And when one considers the enormous part played by American inventors in the economic, industrial and financial development of our country, it becomes a matter of importance to ascertain what share in this great work is done by the American Negro.

The average American seems not to know that the Negro has contributed very materially to this result. Not knowing it, he does not believe it, and not believing it he easily advances to the mental attitude of being ready to assert that the Negro has done absolutely nothing worth while in the field of invention. This conclusion necessarily grows out of the traditional attitude of the average American on the question of the capacity of the Negro for high scientific and technical achievement. This state of mind on the part of the general public is not perceptibly changed by the well-authenticated reports now and then of meritorious inventions in many lines of experiment made by Negroes in various parts of the country, notwithstanding the fact that these reports are frequently made through channels that would seem to leave nothing to doubt.

It has always been and presumably always will be difficult for truth to outrun a falsehood. One instance of the way in which such false and erroneous impressions of the[Pg 22] Negro's capacity and achievement gain currency and fix themselves in the public mind is shown sometimes in the campaign methods of some politicians. One of these, a Marylander, addressing a political gathering in his native State in behalf of his own candidacy for Congress, a few years ago declared that the Negro was not entitled to vote because he had never evinced sufficient capacity to justify such a privilege, and that not one of the race had ever yet reached the dignity of an inventor. It is not easy to understand how a gentleman of the requisite qualifications to represent an intelligent constituency acceptably in the Congress of the United States could so palpably pervert the truth in a matter on which he could so easily have rightly informed himself. At the time when this statement was made, 1903, in Talbot County, Maryland, there was on the shelves of the Library of Congress a book[15] containing a chapter on "The Negro as an Inventor," and citing several hundred patents granted by our government for inventions by Negroes. And still another instance is that of a leading newspaper of Richmond, which some time ago published the bold statement that of the many thousands of patents granted to the inventors in this country annually not a single patent had ever been granted to a colored man. These and similar general statements which make no mention of exceptions admit of but one interpretation. The wish may be father to the thought, but the truth is not father to their words.

In the cause of truth it is very gratifying to the writer to be able to show that notwithstanding the frequency and the persistency of these misrepresentations, the facts are gradually coming to the front to prove that the Negro not only now but in the remote past exhibited considerable of the inventive genius which has been so instrumental in the development of our country. In the ordinary course of investigation along this particular line the official records of the U. S. Patent Office must necessarily be referred to in[Pg 23] order to ascertain the number of patents granted either for a given class of inventors, or to a certain geographical group of citizens, as by State or nationality, or for a given period of time. But, voluminous as are these records, and various as are the items they cover, they make almost no disclosure of the fact that any of the multitude of patents that are granted daily are for inventions by Negroes. The solitary exception to this statement is the case of Henry Blair, of Maryland, to whom were granted two patents on corn harvesters, one in 1834, the other in 1836. In both cases he is designated in the official records as a "colored man." To the uninformed this very exception might appear conclusive, but it is not. It has long been the fixed policy of the Patent Office to make no distinction as to race in the records of patents granted to American citizens. All American inventors stand on a level before the Patent Office. It may perhaps be an open question whether, in the enforcement of such a policy, the advantages outweigh the disadvantages as it regards colored inventors.

In the period preceding the Civil War mechanical inventions of merit by colored persons were not numerous, so far as the investigation has shown, but this was also true of all classes of inventors of that time. With the great majority of slaves the question uppermost among them was how to effect their freedom, and those who were fortunately gifted with an active intelligence and some vision were, for the most part, using their mental faculties to devise some plan to interest others in their efforts for emancipation. This situation would obviously lend itself more readily to developing literary talent and oratorical ability than to producing machinists, engineers or inventors. Hence the preachers and teachers and orators of the colored race that here and there rose above the masses greatly outnumbered the inventors. But it should be remembered also in this connection that in the period just mentioned the mechanical industries of the South were carried on mostly by slaves, and that bits of history gathered here and there show that many of the simple mechanical contrivances of the day[Pg 24] were devised by the Negro in his effort to minimize the exactions of his daily toil. None of these inventions were patented by the United States as being the inventions of slaves; and it is quite conceivable that some inventions of value perfected by this class will be forever lost sight of through the attitude at that time of the Federal Government on that subject. In 1858 Jeremiah S. Black, Attorney-General of the United States, confirmed a decision of the Secretary of the Interior, on appeal from the Commissioner of Patents, refusing to grant a patent on an invention by a slave, either to the slave as the inventor, or to the master of the latter, on the ground that, not being a citizen, the slave could neither contract with the government nor assign his invention to his master.[16]

Another instance of this sort was an invention on the plantation owned by Jefferson Davis, of Mississippi, President of the late Confederate States. The Montgomerys, father and sons, were attached to this family, and some of them made mechanical appliances which were adopted for use on the estate. One of them in particular, Benjamin T. Montgomery, father of Isaiah T. Montgomery, founder of the prosperous Negro Colony of Mound Bayou, Mississippi, invented a boat propeller. It attracted the favorable attention of Jefferson Davis himself, who unsuccessfully tried to have it patented. The writer is informed by a recent letter from Isaiah T. Montgomery that it was Jefferson Davis's failure in this matter that led him to recommend to the Confederate Congress the law passed by that body favorable to the grant of patents for the inventions of slaves. The law was:

"And be it further enacted, that in case the original inventor or discoverer of the art, machine or improvement for which a patent is solicited is a slave, the master of such slave may take an oath that the said slave was the original; and on complying with the requisites of the law shall receive a patent for said discovery or invention, and have all the rights to which a patentee is entitled by law."[17]

[Pg 25]

The national ban on patents for the inventions of slaves did not, of course, attach itself to the inventions made by "free persons of color" residing in this country. So that when James Forten, of Philadelphia, who lived from 1766 to 1842, perfected a new device for handling sails, he had no difficulty in obtaining a patent for his invention, nor in deriving from it comfortable financial support for himself and family during the remainder of his life.

This was also true in the case of Norbert Rillieux, a colored Creole of Louisiana. In 1846 he invented and patented a vacuum pan which in its day revolutionized to a large extent the then known method of refining sugar. This invention with others which he also patented are known to have aided very materially in developing the sugar industry of Louisiana. Rillieux was a machinist and an engineer of fine reputation in his native State, and displayed remarkable talent for scientific work on a large scale. Among his other known achievements was the development of a practicable scheme for a system of sewerage for the city of New Orleans, but he here met his handicap of color through the refusal of the authorities to accord to him such an honor as would be evidenced by the acceptance and adoption of his plan.[18] Who knows but that the city of New Orleans might have been able to write a different chapter in the history of its health statistics on the Yellow Fever peril if its prejudices had not been allowed to dominate its prophecy?

[Pg 26]

N. Rillieux Evaporating Pan. N. Rillieux Evaporating Pan. No. 4,879
Patented Dec. 10, 1846

Enlarge Image

Let us turn now to a consideration of those inventions made by colored inventors since the war period, and at a time when no obstacles stood in the way. With the broadening of their industrial opportunities, and the incentive of a freer market for the products of their talent, it was thought that the Negroes would correspondingly exhibit inventive genius, and the records abundantly prove this to have been true. But how have these records been made available? It has already been shown that no distinction as to race appears in the public records of the Patent Office,[Pg 27] and for this reason the Patent Office has been repeatedly importuned to set in motion some scheme of inquiry that would disclose, as far as is possible, how many patents have been granted by the government for the inventions of Negroes. This has been done by the Patent Office on two different occasions. The first official inquiry was made by the Office at the request of the United States Commission to the Paris Exposition of 1900, and the second at the request of the Pennsylvania Commission conducting the Emancipation Exposition at Philadelphia in 1913. In both instances the Patent Office sent out several thousand circular letters directed to prominent patent lawyers, large manufacturing firms, and to newspapers of wide circulation, asking them to inform the Commissioner of Patents of any authentic instances known by them to be such, in which the patents granted by the Office had been for inventions by Negroes.

The replies were numerous, interesting and informing. Every one of the several thousand that came to the Patent Office was turned over to the writer who, in his capacity as an employee of that department, very willingly assumed the additional task of assorting and recording them, verifying when possible the information presented, and extending the correspondence personally when this proved to be necessary either to trace a clew or clinch a fact. The information obtained in this way showed, first, that a very large number of colored inventors had consulted patent lawyers on the subject of getting patents on their inventions, but were obliged finally to abandon the project for lack of funds; secondly, that many colored inventors had actually obtained patents for meritorious inventions, but the attorneys were unable to give sufficient data to identify the cases specifically, inasmuch as they had kept no identifying record of the same; thirdly, that many patents had been taken out by the attorneys for colored clients who preferred not to have their racial identity disclosed because of the probably injurious effect this might have upon the commercial value of their patents; and lastly, that more than a thousand[Pg 28] authentic cases were fully identified by name of inventor, date and number of patent and title of invention, as being the patents granted for inventions of Negroes. These patents represent inventions in nearly every branch of the industrial arts—in domestic devices, in mechanical appliances, in electricity through all its wide range of uses, in engineering skill and in chemical compounds. The fact is made quite clear that the names obtained were necessarily only a fractional part of the number granted patents.

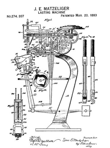
It developed through these inquiries that some very important industries now in operation on a large scale in our country are based on the inventions of Negroes. Foremost among these is the gigantic enterprise known as The United Shoe Machinery Company of Boston. In a biographical sketch of its president, Mr. Sidney W. Winslow, a multimillionaire,[19] it is related that he claims to have laid the foundation of his immense fortune in the purchase of a patent for an invention by a Dutch Guiana Negro named Jan E. Matzeliger. This inventor was born in Dutch Guiana, September, 1852. His parents were a native Negro woman and her husband, a Dutch engineer, who had been sent there from Holland to direct the government construction works at that place. As a very young man Matzeliger came to this country and served an apprenticeship as a cobbler, first in Philadelphia and later in Lynn, Massachusetts. The hardships which he suffered gradually undermined his health and before being able to realize the full value of his invention, he passed away in 1889 in the thirty-seventh year of his age.

He invented a machine for lasting shoes. This was the first appliance of its kind capable of performing all the steps required to hold a shoe on its last, grip and pull the leather down around the heel, guide and drive the nails into place and then discharge the completed shoe from the machine. This patent when bought by Mr. Winslow was made to form the nucleus of the great United Shoe Machinery Company, which now operates on a capital stock of[Pg 29] more than twenty million dollars, gives regular employment to over 5,000 operatives, occupies with its factories more than 20 acres of ground, and represents the consolidation of over 40 subsidiary companies. The establishment and maintenance of this gigantic business enterprise forms one of the biggest items in the history of our country's industrial development.

Within the first twenty years following the formation of The United Shoe Machinery Company, in 1890, the product of American shoe manufacturers increased from $220,000,000 to $442,631,000, and during the same period the export of American shoes increased from $1,000,000 to $11,000,000, the increase being traceable solely to the superiority of the shoes produced by the new American machines, founded on the Matzeliger type. The cost of shoes was reduced more than 50 per cent. by these machines and the quality improved correspondingly. The wages of workers greatly increased, the hours of labor diminished, and the factory conditions surrounding the laborers immensely improved. The improvement thus brought about in the quality and price of American shoes has made the Americans the best shod people in the world.[20]

That invention will serve as Matzeliger's towering monument far beyond our vision of years. Throughout all shoe-making districts of New England and elsewhere the Matzeliger type of machine is well known, and to this day it is frequently referred to in trade circles as the "Nigger machine," the relic, perhaps, of a possible contemptuous reference to his racial identity; and yet there were some newspaper accounts of his life in which it was denied that he had Negro blood in him. A certified copy of the death certificate of Matzeliger, which was furnished the writer by William J. Connery, Mayor of Lynn, on Oct. 23, 1912, states that Matzeliger was a mulatto.[Pg 30]

J. E. MATZELIGER LASTING MACHINE An illustration showing the models made by Matzeliger to illustrate his inventions in shoe machines.
Enlarge Image

[Pg 31]

Another prosperous business growing out of the inventions of a colored man is The Ripley Foundry and Machine Company, of Ripley, Ohio, established by John P. Parker. He obtained several patents on his inventions, one being a "screw for Tobacco Presses," patented in September, 1884, and another for a similar device patented in May, 1885. Mr. Parker set up a shop in Ripley for the manufacture of his presses, and the business proved successful from the first. The small shop grew into a large foundry where upwards of 25 men were constantly employed. It was owned and managed by Mr. Parker till his death. The factory is still being operated, and on the business lines originated by the founder, but the ownership has passed from the Parker family.

Another business, the development of which is due in large measure to the inventions of a colored man, Elijah McCoy, is that of making automatic lubricators for machinery. Mr. McCoy is regarded as a pioneer inventor in that line. He completed and patented his first lubricating cup in 1872. Since then he has patented both in this country and abroad nearly fifty different inventions relating principally to the art of automatic lubrication machinery, but including also a considerable variety of other devices. His lubricating cup was at one time in quite general use on the locomotives of the leading railways of the Northwest, on the steamers of the Great Lakes, and in up-to-date factories throughout the country. He is still living in Detroit, Michigan, and still adding new inventions to his already lengthy list.

In completing and patenting upwards of 50 different inventions Granville T. Woods, late of New York, appears to have surpassed every other colored inventor in the number and variety of his inventions. His inventive record began in 1884 in Cincinnati, Ohio, where he then resided, and continued without interruption for over a quarter of a century. He passed away January 30, 1910, in the city of New York, where he had carried on his business for several years immediately preceding. While his inventions relate principally to electricity, the list also includes such as a steam boiler furnace, the subject of his first patent, obtained in[Pg 32] June, 1884; an amusement apparatus, December, 1899; an incubator, August, 1900; and automatic airbrakes, in 1902, 1903, and 1905. His inventions in telegraphy include several patents for transmitting messages between moving trains, also a number of other transmitters. He patented fifteen inventions for electric railways, and as many more various devices for electrical control and distribution.

In the earlier stages of his career as a successful inventor he organized the Woods Electric Company, of Cincinnati, Ohio. This company took over by assignment many of his earlier patents; but as his reputation in the scientific world grew apace, and his inventions began to multiply in number and value, he seems to have found a ready market for them with some of the largest and most prosperous technical and scientific corporations in the United States. The official records of the United States Patent Office show that many of his patents were assigned to such companies as the General Electric Company, of New York, some to the Westinghouse Air Brake Company, of Pennsylvania, others to the American Bell Telephone Company, of Boston, and still others to the American Engineering Company, of New York. So far as the writer is aware there is no inventor of the colored race whose creative genius has covered quite so wide a field as that of Granville T. Woods, nor one whose achievements have attracted more universal attention and favorable comment from technical and scientific journals both in this country and abroad.

Granville Woods' brother, Lyates Woods, is credited with uniting with Granville in the joint invention of several machines. Most of these consisted of electrical apparatuses, but two of them seem to have been of sufficient importance to attract the attention of such corporations as the Westinghouse Electric Company, of Pennsylvania. Patents No. 775,825, of March 29, 1904, and No. 795,243, of July 18, 1905, both for railway brakes, were assigned by the Woods brothers to this company. The record shows that the American Bell Telephone Company purchased Woods' patent No. 315,386, granted April 7, 1885, for the latter's[Pg 33] invention of an apparatus for transmitting messages by electricity. The same inventor sold to the General Electric Company, of New York, his patent No. 667,110, of January 29, 1901, on his invention for electric railways.

We should mention here also two other inventors of importance in the line of appliances for musical instruments, Mr. J. H. Dickinson and his son S. L. Dickinson, both of New Jersey. They have been granted more than a dozen patents for their appliances, mostly in the line of devices connected with the player piano machinery. They are still engaged in the business of inventing, and both are holding responsible and lucrative positions with first-class music corporations.

The inventions of W. B. Purvis, of Philadelphia, in machinery for making paper bags are reported to be responsible for much of the great improvement made in that art; and his patents, more than a dozen in number on that subject alone, are said to have brought him good financial returns. Many of them are recorded as having been sold to the Union Paper Bag Company, of New York.

Another instance is that of an invention capable of playing an important part in the cotton raising industry. This was a cotton-picking machine covered by two patents granted to A. P. Albert, a native Louisiana Creole. Mr. Albert invented a second machine which is said to have the merit of perfect practicability, a feat not easy of accomplishment in that class of machinery. Special significance is attached to this case because of the inventor's experience in putting through his application for a patent. He was obliged to appeal from the adverse decision of the principal examiner to the Board of Examiners-In-Chief, a body of highly trained legal and technical experts appointed to pass upon the legal and mechanical merits of an invention turned down by the primary examiners. Albert appeared before this Board in his own defense with a brief prepared entirely by himself, and won his case through his thorough painstaking presentation of all the legal and technical points involved. Mr. Albert is a graduate of the Law Department of Howard University in Washington, and is connected with[Pg 34] the United States Civil Service as an examiner in the Pension Office.

Other colored men in the Departmental Civil Service at Washington have obtained patents for valuable inventions. W. A. Lavalette patented two printing presses, Shelby J. Davidson a mechanical tabulator and adding machine, Robert A. Pelham a pasting machine, Andrew F. Hilyer two hot air register attachments; and Andrew D. Washington a shoe horn. Nearly a dozen patents have been granted Benjamin F. Jackson, of Massachusetts, on his inventions. These consisted of a heating apparatus, a matrix drying apparatus, a gas burner, an electrotyper's furnace, a steam boiler, a trolley wheel controller, a tank signal, and a hydrocarbon burner system.

It is not generally known that Frederick J. Loudin, who brought fame and fortune to one of the leading Negro universities in the South by carrying the Fisk Jubilee Troupe of Singers on several successful concert tours around the world, is also entitled to a place on the list of Negro inventors. He obtained two patents for his inventions, one for a fastener for the meeting rails of sashes, December, 1893, and the other a key fastener in January, 1894. Several colored inventors have also applied their inventive skill to solving the problem of aerial navigation, with the result that some of them have been granted patents for their inventions in airships. Among these are J. F. Pickering, of Haiti, February 20, 1900; James Smith, California, October, 1912; W. G. Madison, Iowa, December, 1912; and J. E. Whooter, Missouri, 2 patents, October 30 and November 3, 1914. It has been reported that the invention in automatic car coupling covered by the patent to Andrew J. Beard, of Alabama, dated November 23, 1897, was sold by the patentee to a New York car company, for more than fifty thousand dollars. This same patentee has obtained patents on more than a half dozen other inventions, mostly in the same line.

Willie H. Johnson, of Texas, obtained several patents on his inventions, two of them being for an appliance for overcoming "dead center" in motion; one for a compound engine,[Pg 35] and another for a water boiler. Joseph Lee, a colored hotel keeper, of Boston, completed and patented three inventions in dough-kneading machines, and is reported as having succeeded in creating a considerable market for them in the bread-making industry in New England. Brinay Smartt, of Tennessee, made inventions in reversing valve gears, and received several patents on them in 1905, 1906, 1909, 1911 and 1913.

The path of the inventor is not always an easy one. The experiences of many of them often lie along paths that seem like the proverbial "way of the transgressor." This was fitly exemplified in the case of Henry A. Bowman, a colored inventor in Worcester, Massachusetts, who devised and patented a new method of making flags. After he had established a paying business on his invention, the information came to him that a New York rival was using the same invention and "cutting" his business. Bowman brought suit for infringement, but, as he informed the writer, the suit went against him on a legal technicality, and being unable to carry the case through the appellate tribunals, the destruction of his business followed.

One inventor, J. W. Benton, of Kentucky, completed an invention of a derrick for hoisting, and being without sufficient means to travel to Washington to look after the patent, he packed the model in a grip, and walked from Kentucky to Washington in order to save carfare. He obtained his patent, October 2, 1900.

One other instance in which the inventor regards his experience as one of special hardship is the case of E. A. Robinson of Chicago. He obtained several patents for his inventions, among which are an electric railway trolley, September 19, 1893; casting composite and other car wheels, November 23, 1897; a trolley wheel, March 22, 1898; a railway switch, September 17, 1907; and a rail, May 5, 1908. He regards the second patent as covering his most valuable invention. He says that this was infringed on by two large corporations, the American Car and Foundry Company, and the Chicago City Railway Company. He endeavored to stop[Pg 36] them by litigation, but the court proceedings in the case[21] appear to reveal some rather discouraging aspects of a fight waged between a powerless inventor on the one side and two powerful corporations on the other. So far as is known, the case is still pending.

These instances of hardships, however, in the lot of inventors are in no sense peculiar to colored inventors. They merely form a part of the hard struggle always present in our American life—the struggle for the mighty dollar; and in the field of invention as elsewhere the race is not always to the swift. A man may be the first to conceive a new idea, the first to translate that idea into tangible, practical form and reduce it to a patent, but often that "slip betwixt the cup and the lip" leaves him the last to get any reward for his inventive genius.

Because of the very many interesting instances at hand the temptation is very great to extend this enumeration beyond the intended limits of this article by specific references to the large number of colored men and women who in many lands and other days have given unmistakable evidence of really superior scientific and technical ability. But this temptation the writer must resist. Let it suffice to say that the citations already given show conclusively that the color of a man's skin has not yet entirely succeeded in barring his admission to the domain of science, nor in placing upon his brow the stamp of intellectual inferiority.

Henry E. Baker

Assistant Examiner, United States Patent Office.

Footnotes:

[15] "Twentieth Century Negro Literature," by W. W. Culp, page 399. Published by J. L. Nichols Co., Atlanta, Ga.

[16] Opinions of Attorney General of the U. S., Vol. 9, page 171.

[17] An act to establish a Patent Office, and to provide for granting patents for new and useful discoveries, inventions, improvements and designs. Statutes at large of the Confederate States of America, 1861-64, page 148.

[18] Desdunes, Nos Hommes et Notre Histoire, 101.

[19] Munsey's Magazine, August, 1912, p. 723.

[20] "Short History of American Shoemaking," by Frederick A. Gannon, Salem, Mass., 1912.

[21] A copy of this was shown the writer September, 1915.


[Pg 37]

Anthony Benezet

During the eighteenth century the Quakers gradually changed from the introspective state of seeking their own welfare into the altruistic mood of helping those who shared with them the heritage of being despised and rejected of men. After securing toleration for their sect in the inhospitable New World they began to think seriously of others whose lot was unfortunate. The Negroes, therefore, could not escape their attention. Almost every Quaker center declared its attitude toward the bondmen, varying it according to time and place. From the first decade of the eighteenth century to the close of the American Revolution the Quakers passed through three stages in the development of their policy concerning the enslavement of the blacks. At first they directed their attention to preventing their own adherents from participating in it, then sought to abolish the slave trade and finally endeavored to improve the condition of all slaves as a preparation for emancipation.

Among those who largely determined the policy of the Quakers during that century were William Burling[22] of Long Island, Ralph Sandiford of Pennsylvania, Benjamin Lay of Abington, John Woolman of New Jersey and Anthony Benezet of Philadelphia. Early conceiving an abhorrence to slavery, Burling denounced it by writing anti-slavery tracts and portraying its unlawfulness at the yearly meetings of the Quakers. Ralph Sandiford followed the same[Pg 38] methods and in his "Mystery of Iniquity" published in 1729, forcefully exposed the iniquitous practice in a stirring appeal in behalf of the Africans.[23] Benjamin Lay, not contented with the mere writing of tracts, availed himself of the opportunity afforded by frequent contact with those in power to interview administrative officials of the slave colonies, undauntedly demanding that they bestir themselves to abolish the evil system.[24] Struck by the wickedness of the institution while traveling through the South prior to[Pg 39] the Revolution, John Woolman spent his remaining years as an itinerant preacher, urging the members of his society everywhere to eradicate the evil.[25] Anthony Benezet, going a step further, rendered greater service than any of these as an anti-slavery publicist and at the same time persistently toiled as a worker among the Negroes.

Benezet was born in St. Quentin in Picardy in France in 1713. He was a descendant of a family of Huguenots who after all but establishing their faith in France saw themselves denounced and persecuted as heretics and finally driven from the country by the edict of Nantes. One of the reformer's family, François Benezet, perished on the scaffold at Montpelier in 1755, fearlessly proclaiming to the multitude of spectators the doctrines for which he had been condemned to die.[26] Unwilling to withstand the imminent[Pg 40] persecution, however, John Stephen Benezet, Anthony's father, fled from France to Holland but after a brief stay in that country moved to London in 1715.

After being liberally educated by his father, Benezet served an apprenticeship in one of the leading establishments of London to prepare himself for a career in the commercial world. He had some difficulty, however, in coming to the conclusion that he would be very useful in this field. He, therefore, soon abandoned this idea and followed mechanical pursuits until he moved with his family to Philadelphia in 1731. There his brothers easily established themselves in a successful business and endeavored to induce Anthony to join them, but the youth was still of the impression that this was not his calling. His life's work was finally determined by his early connection with the Quakers, to the religious views and testimonies of whom he rigidly adhered. He continued his mechanical pursuit and later undertook manufacturing at Washington, Delaware, but feeling that neither of these satisfied his desire to be thoroughly useful he decided to return to Philadelphia to devote his life to religion and humanity.[27]

Benezet finally became a teacher. In this field he, for more than forty years, served in a disinterested and Christian spirit all who diligently sought enlightenment. He aimed to train up the youth in knowledge and virtue, manifesting in this position such "a rightness of conduct, such a courtesy of manners, such a purity of intention, and such a spirit of benevolence" that he attracted attention and ingratiated himself into the favor of all of those who knew him. He first served in this capacity in Germantown, working a part of his time as a proof reader. In 1742 he was chosen to fill a vacancy in the English department of the public school founded by charter from William Penn. After serving there satisfactorily twelve years he founded a female seminary of his own, instructing the daughters of the most aristocratic families of Philadelphia.[Pg 41][28]

Benezet was a really modern teacher, far in advance of his contemporaries. Much better educated than most teachers of his time, he could write his own textbooks. He had an affectionate and fatherly manner and always showed a conscientious interest in the welfare of his pupils. "He carefully studied their dispositions," says his biographer, "and sought to develop by gentle assiduity the peculiar talents of each individual pupil. With some persuasion was his only incitement, others he stimulated to a laudable emulation; and even with the most obdurate he seldom, if ever, appealed to any other corrective than that of the sense of shame and the fear of public disgrace." In his teaching, too, he endeavored to make "a worldly concern subservient to the noblest duties and the most intensive goodness."[29] In serious discussions like that of slavery he undertook to instill into the minds of his students firm convictions of the right, believing that in so doing he would greatly influence public sentiment when these properly directed youths should take their places in life.

This whole-souled energetic man, however, could not confine himself altogether to teaching. While following this profession he devoted so much of his time to philanthropic enterprises and reforms that he was mainly famous for his achievements in these fields. "He considered the whole world his country," says one, "and all mankind his brethren."[30] Benezet was for several reasons interested in the man far down. In the first place, being a Huguenot, he himself knew what it is to be persecuted. He was, moreover, during these years a faithful coworker of the Friends who were then fearlessly advocating the cause of the downtrodden. He deeply sympathized, therefore, with the Indians. His work, too, was not limited merely to that of relieving individual cases of suffering but comprised also the task of promoting the agitation for respecting the rights of that people. Unlike most Americans, he had faith in the Indians, believing that if treated justly they would give the[Pg 42] whites no cause to fear them. When in 1763 General Amherst was at New York preparing to attack the Indians, Benezet addressed him an earnest appeal in these words: "And further may I entreat the general, for our blessed Redeemer's sake, from the nobility and humanity of his heart, that he would condescend to use all moderate measures if possible to prevent that prodigious and cruel effusion of blood, that deep anxiety of distress, that must fill the breast of so many helpless people should an Indian war be once entered upon?"[31] Not long before his death Benezet expressed himself further on this wise in a work entitled "Some Observations on the Situation, Disposition, and Character of the Indian Natives of the Continent."

Further evidence of Benezet's philanthropy was exhibited in his attitude toward certain Acadians who for political reasons were driven from their homes to Philadelphia in 1755. Devoid of the comforts of life in a foreign community, they were in a situation miserable to be told. Being of the same stock and speaking their language, Benezet took upon himself the task of serving as mediator between this deported group and the community. A man of high character and much influence, he easily obtained a relief fund with which he provided asylum for the decrepit, sustenance for the needy, and employment for those able to labor. He attended the sick, comforted the dying, and delivered over their remains the last tribute due the dead.[32]

His sympathetic nature too impelled him to speak in behalf of the suffering soldiers of the American Revolution. Adhering to the faith of the Quakers, he could not but shudder at the horrors of that war. He was interested not only in the soldiers but also in the unfortunate Americans on whom they were imposed. He saw in the whole course of war nothing but bold iniquity and crass inconsistency of nations which professed to be Christian. To set forth the distress which such a state of the country caused him Benezet[Pg 43] wrote a dissertation entitled "Thoughts on the Nature of War," and distributed it among persons of distinction in America and Europe. In 1778 when the struggle for independence had reached a crisis he issued in the interest of peace with the enemy a work entitled "Serious Reflections on the Times addressed to the Well-disposed of every Religious Denomination."[33]

Moved by every variety of suffering whenever and wherever found, Benezet's attention had during these years been attracted to a class of men much farther down than the lowliest of the lowly of other races. He had not been in this country long before he was moved to put forth some effort to alleviate the sufferings of those bondmen whose faces were black. In the year 1750, when the Quakers, although denouncing the evil of slavery here and there, were not presenting a solid front to the enemy, Anthony Benezet boldly attacked the slave trade, attracting so much attention that he soon solidified the anti-slavery sentiment of the Quakers against the institution.[34] For more than thirty years thereafter he was a tireless worker in this cause, availing himself of every opportunity to impress men with the thought as to the wickedness of the traffic. In his class room he held up to his pupils the horrors of the system, always mentioned it in his public utterances, and seldom failed to speak of it when conversing with friends or strangers. Benezet set forth in the almanacs of the time accounts of the atrocities of those engaged in slavery and the slave trade and published and circulated numerous pamphlets ingeniously exposing their iniquities.[35]

Devoted as Benezet was to the cause of the blacks, he was not an ardent abolitionist like Garrison, who fifty years later fearlessly advocated the immediate destruction of the system. Benezet was primarily interested in the suppression of the slave trade. He hoped also to see the slaves[Pg 44] gradually emancipated after having had adequate preparation to live as freedmen. Writing to Fothergill, Benezet expressed his concurrence with the former's opinion that it would be decidedly dangerous both to the Negroes and the masters themselves in the southern colonies, should the slaves be suddenly manumitted. Except in particular cases, therefore, even in the northern colonies the liberation of slaves in large numbers was not at first Benezet's concern. He believed that "the best endeavors in our power to draw the notice of the governments, upon the grievous iniquity and great danger attendant on a further prosecution of the slave trade, is what every truly sympathizing mind cannot but earnestly desire, and under divine direction promote to the utmost of their power." If this could be obtained, he believed the sufferings of "those already amongst us, by the interposition of the government, and even from selfish ends in their masters, would be mitigated, and in time Providence would gradually work for the release of those, whose age and situation would fit them for freedom." Benezet thought that this second problem could be solved by colonizing the Negroes on the western lands. "The settlements now in prospect to be made in that large extent of country," said he, "from the west side of the Allegany mountains to the Mississippi, on a breadth of four or five hundred miles, would afford a suitable and beneficial means of settlement for many of them among the white people, which would in all probability be as profitable to the negroes as to the new settlers." But he did not desire to take up time especially with matters of so remote a nature, it being indeed with reluctance that he took up at all a question which he would have avoided, "if there had been any person to whom he could have addressed himself with the same expectation, that what he had in view would have thereby been answered."[36]

Taking a more advanced position with this propaganda Benezet published in 1762 a work entitled "A Short Account of that Part of Africa inhabited by Negroes, with general Observations on the Slave Trade and Slavery." "The end proposed[Pg 45] by this essay," says the author, "is to lay before the candid reader the depth of evil attending this iniquitous practice, in the prosecution of which our duty to God, the common Father of the family of the whole earth, and our duty of love to our fellow creatures, is totally disregarded; all social connection and tenderness of nature being broken, desolation and bloodshed continually fomented in those unhappy people's country." It was also intended, said he, "to invalidate the false arguments which are frequently advanced for the palliation of this trade, in hopes it may be some inducement to those who are not yet defiled therewith to keep themselves clear; and to lay before such as have unwarily engaged in it, their danger of totally losing that tender sensibility to the sufferings of their fellow creatures, the want whereof set men beneath the brute creation."[37]

In the year 1769 appeared his "Caution and Warning to Great Britain and her Colonies on the Calamitous State of the Enslaved Negroes in the British Dominions." Referring to this work, he says: "The intent of publishing the following sheets, is more fully to make known the aggravated iniquity attending the practice of the Slave Trade; whereby many thousands of our fellow creatures, as free as ourselves by nature and equally with us the subjects of Christ's redeeming Grace, are yearly brought into inextricable and barbarous bondage; and many; very many, to miserable and untimely ends." Fearlessly directing this as an attack on public functionaries he remarks: "How an evil of so deep a dye, hath so long, not only passed uninterrupted by those in power, but hath even had their countenance, is indeed surprising; and charity would suppose, must in a great measure have arisen from this, that many persons in government both of the Laity and Clergy, in whose power it hath been to put a stop to the Trade, have been unacquainted with the corrupt motives which gives life to it, and with the groans, the dying groans, which daily ascend to God, the common Father of mankind, from the broken[Pg 46] hearts of those his deeply oppressed creatures." Coming directly to the purpose in mind, however, the author declares: "I shall only endeavor to show from the nature of the Trade, the plenty which Guinea affords to its inhabitants, the barbarous treatment of the Negroes and the observations made thereon by authors of note, that it is inconsistent with the plainest precepts of the Gospel, the dictates of reason, and every common sentiment of humanity."[38]

This work turned out to be the first really effective one of Benezet's writings, creating not a little sensation both on this continent and Europe. It was especially rousing to the Quakers here and abroad. The Yearly Meeting of London recommended in 1785 that all the quarterly meetings give this book the widest circulation possible. The Quakers in various parts accordingly approached numerous classes of persons, all sects and denominations, and especially public officials. Desiring also to reach the youth the agents for distribution visited the schools of Westminster, the Carter-House, St. Paul's, Merchant Tailors', Eton, Winchester, and Harrow. From among the youths thus informed came some of those reformers who finally abolished the slave trade in the English dominions.

The most effective of Benezet's works, however, was his "An Historical Account of Guinea, its Situation, Produce, and the General Disposition of its Inhabitants, with an Enquiry into the Rise and Progress of the Slave Trade, its Nature and Calamitous Effect." This volume approached more nearly than his other writings what students of to-day would call a scientific treatise. The author devoted much time to the collection of facts and substantiated his assertions by quotations from the standard authorities in that field. While it added nothing really new to the argument already advanced, the usual theories were more systematically arranged and more forcefully set forth.[39] "This book," says a writer, "became instrumental beyond any other work[Pg 47] ever before published in disseminating a proper knowledge and detestation of this Trade."[40]

The most important single effect the book had, was to convert Thomas Clarkson, who thereafter devoted his life to the cause of abolishing the slave trade. While a Senior Bachelor of Arts at the University of Cambridge, Clarkson had in 1784 distinguished himself by winning a prize for the best Latin dissertation. The following year a prize was offered for the best essay on the subject "anne Liceat invitos in servitutem dare," is it lawful to make slaves of others against their will? Knowing that he was then unprepared to compete, he hesitated to enter the contest, not wishing to lose the reputation he had so recently won. Yet owing to the fact that it was expected of him, he entered his name, actuated by no other motive than to distinguish himself as a scholar. As there was then a paucity of literature on slavery in England, his first researches in this field were not productive of gratifying results. "I was in this difficulty," says Clarkson, "when going by accident into a friend's house, I took up a newspaper there lying on the table. One of the first articles which attracted my notice was an advertisement of Anthony Benezet's 'Historical Account of Guinea.' I soon left my friend and his paper, and, to lose no time, hastened to London to buy it. In this precious book I found almost all I wanted." Clarkson easily won the first prize. Although Benezet himself did not live to see it, this volume converted to the cause of the oppressed race a man who as an author and reformer became one of the greatest champions it ever had.[41]

Benezet continued to write on the slave trade, collecting all accessible data from year to year and publishing it whenever he could. He obtained many of his facts about the sufferings of slaves from the Negroes themselves, moving among them in their homes, at the places where they worked, or on the wharves where they stopped when traveling.[Pg 48] To diffuse this knowledge where it would be most productive of the desired results, he talked with tourists and corresponded with every influential person whom he could reach. Travelers who came into contact with him were given thoughts to reflect on, messages to convey or tracts to distribute among others who might further the cause. Hearing that Granville Sharp had in 1772 obtained the significant verdict in the famous Somerset case, Benezet wrote him, that this champion of freedom abroad might be enabled to cooperate more successfully with those commonly concerned on this side of the Atlantic.[42] With the same end in view he corresponded with George Whitefield and John Wesley.[43]

His connection with the work of George Whitefield was further extended by correspondence with the Countess of Huntingdon who had at the importunity of Whitefield established at Savannah a college known as the Orphan House, to promote the enlightenment of the poor and to prepare some of them for the clerical profession. Unlike Whitefield, the founder, who thought that the Negroes also might derive some benefit from this institution, the successors of the good man endeavored to maintain the institution by the labor of slaves purchased to cultivate the plantations owned by the institution. Benezet, therefore, wrote the Countess a brilliant letter pathetically depicting the misery she was unconsciously causing by thus encouraging slavery and the slave trade. He was gratified to learn from the distinguished lady that in founding the institution she had no such purpose in mind and that she would prohibit the wicked crime.[44]

Learning that Abbé Raynal had exhibited in his celebrated work a feeling of sympathy for the African, Benezet sought in the same way to attach him more closely to the cause of prohibiting the slave trade. Observing that the slave trade which had because of the American Revolution[Pg 49] declined only to rise again after that struggle had ceased, Benezet addressed a stirring letter to the Queen of England, who on hearing from Benjamin West of the high character of the writer, received it with marks of peculiar condescension.

Let no casual reader of this story conclude that Benezet was a mere theorist or pamphleteer. He ever translated into action what he professed to believe. Knowing that the enlightenment of the blacks would not only benefit them directly but would also disprove the mad theories as to the impossibility of their mental improvement, Benezet became one of the most aggressive and successful workers who ever toiled among these unfortunates. As early as 1750 he established for the Negroes in Philadelphia an evening school in which they were offered instruction gratuitously. His noble example appealing to the Society of Friends, he encouraged them to raise a fund adequate to establishing a larger and well-organized school.[46] This additional effort, to be sure, required much of his time. When he discovered, however, that he could not direct the colored school and at the same time continue his female academy which he had conducted for three generations, he abandoned his own interests and devoted himself exclusively to the uplift of the colored people. In this establishment he received all the rewards he anticipated. It was sufficient for him finally to be able to say: "I can with truth and sincerity declare that I have found amongst the Negroes as great variety of talents, as among a like number of whites, and I am bold to assert, that the notion entertained by some, that the blacks are inferior in their capacities, is a vulgar prejudice, founded on the pride or ignorance of their lordly masters, who have kept their slaves at such a distance as to be unable to form a right judgment of them."[47]

His devotion to this work was further demonstrated by another noble deed. His will provided that after the payment of certain legacies and smaller obligations his estate should at the death of his widow be turned over to the trustees[Pg 50] of the public school "to hire and employ a religious-minded person or persons to teach a number of negroe, mulatto, or Indian children, to read, write, arithmetic, plain accounts, needle work." "And," continued he, "it is my particular desire, founded on the experience I have had in that service, that in the choice of such tutor, special care may be had to prefer an industrious, careful person, of true piety, who may be or become suitably qualified, who would undertake the service from a principle of charity, to one more highly learned not equally disposed."[48]

But this philanthropist's work was almost done. He was then seventy years of age and having been an earnest worker throughout his life he had begun to decline. One spring morning in the year 1784 it was spread abroad in Philadelphia that Anthony Benezet was seriously ill and that persons realizing his condition were apprehensive of his recovery. So disturbed were his friends by this sad news that they for several days besieged the house to seek, so to speak, the dying benediction of a venerable father. The same in death as he had been in life, he received their attentions with due appreciation of what he had been to them but exhibited at the same time in the presence of his Maker the deepest self-humiliation. "I am dying," said he, "and feel ashamed to meet the face of my Maker, I have done so little in his cause." Anthony Benezet was no more.

The honors which his admirers paid him were indicative of the high esteem in which they held the distinguished dead. Thousands of the people of Philadelphia followed his remains to witness the interment of all that was mortal of Anthony Benezet. Never had that city on such an occasion seen a demonstration in which so many persons of all classes participated. There were the officials of the city, men of all trades and professions, various sects and denominations, and hundreds of Negroes, "testifying by their attendance, and by their tears, the grateful sense they entertained of his pious efforts in their behalf."[49]

C. G. Woodson.

Footnotes:

[22] William Burling of Long Island was the first to conceive an abhorrence of slavery. Early in his career he began to speak of the wickedness of the institution at the yearly meetings of the Quakers. He wrote several tracts to publish to the world his views on this great question. His first tract appeared in 1718. It was addressed to the elders of the Friends to direct their attention to "the inconsistency of compelling people and their posterity to serve them continually and arbitrarily, and without any proper recompense for their services." See Clarkson's "History of the Abolition of the African Slave Trade," Volume I, pp. 146-147.

[23] After Burling came Ralph Sandiford, a merchant engaged in business in Philadelphia. This man attracted the attention of his friends because he declined the assistance offered him by persons sufficiently wealthy to establish him in life, merely because they had acquired their wealth by enslaving Negroes. He not only labored among his own people for the liberation of the slaves, but boldly appealed to others. He finally expressed his sentiments in a publication called the "Mystery of Inquiry," a brief treatise on the evil of the institution of slavery. The importance attached to this work is that Sandiford published it and circulated it at his own expense despite the fact that he had been threatened with prosecution by the judge. This pamphlet was written in correct and energetic style, abounding with facts, sentiments and quotations, which showed the virtue and talents of the author and made a forceful appeal in behalf of the blacks. See Clarkson's "History of the Abolition of the Slave Trade," Volume I, pp. 147-148.

[24] Benjamin Lay, the next worker in this cause, lived at Abington, not far from Philadelphia. He was a man of desirable class and had access to the homes of some of the best people even when in England. He was not long in this country before he championed the cause of the slave. In 1737 he published his first treatise on slavery, distributing it far and wide, especially among the members of the rising generation. He traveled extensively through this country and the West Indies and personally took up the question of abolition with the governors of the slave colonies. It is doubtful, according to Clarkson, that he rendered the cause great service by this mission. This writer says that "in bearing what he believed to be his testimony against this system of oppression, he adopted sometimes a singularity of manner, by which, as conveying demonstration of a certain eccentricity of character, he diminished in some degree his usefulness to the cause which he had undertaken; as far indeed as this eccentricity might have the effect of preventing others from joining him in his pursuit, lest they should be thought singular also, so far it must be allowed that he ceased to become beneficial. But there can be no question, on the other hand, that his warm and enthusiastic manners awakened the attention of many to the cause, and gave them first impressions concerning it, which they never forgot, and which rendered them useful to it in the subsequent part of their lives." See Clarkson's "History of Abolition of the African Slave Trade," Vol. I, pp. 148-150.

[25] John Woolman shared with Anthony Benezet the honor of being one of the two foremost workers in behalf of the oppressed race. He was born in Burlington County in New Jersey in 1720. When quite a youth he was deeply impressed with religion and resolved to live a righteous life. He was therefore in his twenty-second year made a minister of the gospel among the Quakers. Just prior to his entering upon the ministry there happened an incident which set him against slavery. Being a poor man he was working for wages as a bookkeeper in a store. "My employer," said he, "having a Negro woman sold her, and desired me to write a bill of sale, the man being waiting, who bought her. The thing was sudden, and though the thought of writing an instrument of slavery for one of my fellow-creatures made me feel uneasy, yet I remembered I was hired by the year, that it was my master who directed me to do it, and that it was an elderly man, a member of our Society, who bought her. So through weakness I gave way and wrote, but, at executing it, I was so afflicted in my mind, that I said before my master and the friend, that I believed slave-keeping to be a practice inconsistent with the Christian religion. This in some degree abated my uneasiness; yet, as often as I reflected seriously upon it, I thought I should have been clearer, if I had desired to have been excused from it, as a thing against my conscience; for such it was. And some time after this, a young man of our Society spoke to me to write a conveyance of a slave to him, he having lately taken a Negro into his house. I told him I was not easy to write it; for though many of our meeting, and in other places kept slaves, I still believed the practice was not right, and desired to be excused from the writing. I spoke to him in good will; and he told me that keeping slaves was not altogether agreeable to his mind, but that the slave being a gift to his wife he had accepted her." Moved thus so early in his life he developed into an ardent friend of the Negro and ever labored thereafter to elevate and emancipate them. See Clarkson's "History of the Abolition of the African Slave Trade."

[26] Felice's "History of French Protestants."

[27] Vaux, "Memoirs of the Life of Anthony Benezet," 64.

[28] Special Report of the U. S. Com. of Education on the Schools of the District of Columbia, 1871, p. 362.

[29] "Slavery a Century ago," p. 16.

[30] Vaux, "Memoirs of the Life of Anthony Benezet," 12.

[31] Ibid., 76.

[32] Clarkson, "History of the Abolition of the Slave Trade," 166; "Slavery a Century ago," 19-20.

[33] Vaux, Memoirs, etc., 77.

[34] "Slavery a Century ago," 23-24.

[35] Some of these accounts appeared in the almanacs of Benjamin Franklin, who had made these publications famous.

[36] Vaux, Memoirs, etc., 29 et seq.

[37] See Benezet's "Short Account, etc.," p. 2.

[38] See Benezet's "Caution, etc.," p. 3.

[39] See Benezet's "An Historical Account, etc."

[40] See Benezet's "An Historical Account of Guinea." Clarkson, "The History of the Abolition of the African Slave Trade," I, 169.

[41] "Slavery a Century ago," p. 4.

[42] Vaux, "Memoirs of Anthony Benezet," 32.

[43] Ibid., 44.

[44] Vaux, "Memoirs, etc.," 42.

[45]Ibid., 38.

[46] "The African Repository," IV, 61.

[47] "Slavery a Century ago," 25.

[48] Vaux, "Memoirs, etc." 135.

[49] Ibid., 134.


[Pg 51]

People of Color in Louisiana

Part II

Louisiana was transferred to Spain but was not long to be secure in the possession of that country. France again claimed her in 1800, and Napoleon, busy with his English war and realizing the dangers of a province so open to British attack as was this bounded by the Mississippi and the Gulf of Mexico, readily listened to the proposition of the United States. Twenty days after the French tri-color waved in place of the Spanish flag in the old Place d'Armes, the American stars and stripes proclaimed the land American territory. The Creoles, French though they were in spirit, in partisanship, in sympathy, could not but breathe a sigh of relief, for Napoleon had dangerous ideas concerning the freedom of slaves, and already had spoken sharply about the people of color in the province.[50] Were the terrors of San Domingo to be reenacted on the banks of Mississippi? The United States answered with a decided negative.

Men of color, however, were to be important factors in the maintenance of order in the province.[51] Laussat, the Colonial Prefect of France, placed in charge of Louisiana in 1803, tells how the old Spanish Governor Salcedo, in his[Pg 52] anxiety to keep the province loyal to Spain, had summoned all the military officers of the militia to come to his lodgings and declare whether they intended to remain in the service of the king of Spain. "The Marquis," writes Laussat to his friend Decrès, "went so far as to exact a declaration in the affirmative from two companies of men of color in New Orleans, which were composed of all the mechanics whom that city possessed. Two of these mulattoes complained to me of having been detained twenty-four hours in prison to force them to utter the fatal yea which was desired of them."[52]

Within the next six years New Orleans doubled in population and that population was far from white. Those refugees from San Domingo who had escaped to Cuba were now forced by the hostilities between France and Spain again to become exiles. Within sixty days between May and July in one year alone, 1809, thirty-four vessels from Cuba set ashore in the streets of New Orleans nearly 5,800 persons, 4,000 of these being free colored and blacks.[53] Later others came from Cuba, Guadaloupe and neighboring islands until they amounted to 10,000. The first American governor of Louisiana certainly had no easy task before him. Into the disorganized and undisciplined city, enervated by frequent changes and corruption of government, torn by dissensions, uncertain whether its allegiance was to Spain or to France, reflecting the spirit of upheaval and uncertainty which made Europe one huge brawl—into this cosmopolitan city swarmed ten thousand white, yellow and black West Indian islanders, some with means, most of them destitute, all of them desperate. Americans, English, Spanish, French—all cried aloud. Claiborne begged the consuls of Havana and Santiago de Cuba to stop the movement; the laws forbidding the importation of slaves were more rigidly enforced; and free people of color were ordered point blank to leave the city.[54] Where they were to go, however,[Pg 53] no one seemed to care, and as the free people of color had no intention of going, the question was not discussed. For some reason the enforcement of the law was not insisted upon. When a meagre attempt was made, it proved unsuccessful, and the complexion of Louisiana was definitely settled for many years to come.[55]

The administration of Governor Claiborne from 1803 to 1816 was one long wrestle, not only with the almost superhuman task of adjusting a practically foreign country to American ideals of government but of wrestling with the color problem. Slowly and insidiously it had come to dominate every other problem. The people of color had helped to settle the territory, had helped to make it commercially important, had helped to save it from the Indians and from the English, and they seemed likely to become the most important factors in its history.

The Louisianians were greatly mortified at the enforcement by Claiborne of the law against the importation of slaves. They were undecided whether to blame Claiborne for enforcing the law or to blame Philadelphia for harboring the first Abolition Society which met in 1804 and promulgated doctrines as dangerous as those of Napoleon regarding human slavery. Slaves were daily smuggled into the territory by way of Barataria Bay, the lakes, and all the innumerable outlets to Spanish possessions.[56] Claiborne was alternately accused of conniving at this smuggling and abused for trying to suppress it. Jean and Pierre Lafitte, infamous in history for their feats of smuggling and piracy, made capital of the slave trade, and but for their stalwart Africans would have been captured and hung long before Louisiana had suffered from their depredations and the bad reputation which they gave her. The Lafittes appealed to the romantic temperament of the French, and the fact that the American governor, Claiborne, had set a price upon[Pg 54] their heads was almost sufficient in itself to secure them immunity from the Creoles.[57]

"Americans," says Grace King, "were despised and ridiculed." Men, women and children of color, free and slave, united to insult the American Negro or—"Mericain Coquin," as they called him. The French and the Spaniards, moreover, united in using the people of color to further their own interests, or to annoy the new American government while the intrigues of Spain and France weakened the feeble territory. It was difficult to know how to treat this almost alien people. Governor Claiborne found the militia in the territory entirely inadequate for the purposes of protection, should Spain make an attempt to wrest the land back from the United States. In one of his anxious despatches to headquarters he says plaintively: "With respect to the Mulatto Corps in this city, I am indeed at a loss to know what policy is best to pursue."[58] The corps, old and honorable, as it was, had been ignored by the previous Legislative Council, and was now disaffected. The neglect had "soured them considerably with the American government."[59]

Claiborne, however, determined to procure a census of free people of color in the city. He estimated that there were five hundred capable of bearing arms, and added that he would do all in his power to conciliate them, and secure a return of their allegiance to the American government.[Pg 55] One Stephen, a free black man, had appeared before Claiborne and declared on oath that the people of color were being tampered with by the Spanish government.[60] This caused the governor to redouble his energies toward conciliating the doubtful militia. Louisiana bordered on the Spanish territory, Texas, and a constant desertion of people of color to this foreign land continued, Spain doing all in her power to make the flight of these free men and slaves interesting. Colored men were furnished the Spanish cockades, and dances were given in their honor when they escaped over the border. The disaffected adherents of Aaron Burr on the border-land of Texas kept up the underhand warfare against the government, through these people of color. Perhaps it was as a means of protection that Louisiana and a much restricted Louisiana was admitted as a State in 1812.

Writers describing the New Orleans of this period agree in presenting a picture of a continental city, most picturesque, most un-American, and as varied in color as a street of Cairo. There they saw French, Spaniards, English, Bohemians, Negroes, mulattoes; varied clothes, picturesque white dresses of the fairer women, brilliant cottons of the darker ones. The streets, banquettes, we should say, were bright with color, the nights filled with song and laughter. Through the scene, the people of color add the spice of color; in the life, they add the zest of romance.[61]

Such was the situation in the city of New Orleans. The condition of the free people of color in Louisiana as a whole, however, and the form of slavery which existed in that state are somewhat difficult to determine because of the conflicting statements of observers who did not distinguish between the conditions obtaining in the metropolis and those obtaining in the parishes. All seem to agree, however, that on account of the extensive miscegenation so common in the French colonies there had been produced in that state various classes of mixed breeds enjoying degrees of freedom in conformity with their proximity or separation from the[Pg 56] white race. Paul Alliot said in his reflection on Louisiana in 1803: "The population of that city counting the people of all colors is only twelve thousand souls. Mulattoes and Negroes are openly protected by the Government. He who was to strike one of those persons, even though he had run away from him, would be severely punished. Also twenty whites could be counted in the prisons of New Orleans against one man of color. The wives and daughters of the latter are much sought after by the white men, and white women at times esteem well-built men of color."[62] Elsewhere the same writer, in speaking of the white men, said that few among them married, choosing rather to live with their slaves or with women of color.[63]

A generation later the situation was apparently the same despite the reactionary forces which seemed likely to change the social order. While on a tour through this country in 1818 Evans saw much in New Orleans to interest him. "Here," said he, "may be seen in the same crowds, Quadroons, mulattoes, Samboes, Mustizos, Indians, and Negroes; and there are other commixtures which are not yet classified. As to the Negroes, I may add that whilst in this place I saw one who was perfectly white. This peculiarity, however, is rarely witnessed in this country."[64] Thereafter the tendency seemed to be not to check promiscuous miscegenation but to debase the offspring resulting therefrom.[Pg 57][65]

In the midst of this confusing commixture of population and unstable society of mixed breeds of three nations the second war between England and the United States came like a thunderbolt to upset the already seething administration of Claiborne. As of old, Louisiana was the strategical point upon which both powers had their eyes. It was the intention of England to weaken the United States by capturing Louisiana and handing it over in its entirety to the Spanish government waiting greedily over the border of Texas. On the same day that Gov. Claiborne sent the communication to the Secretary of War containing this astounding piece of information which he had obtained from authentic sources, he wrote to General Jackson, the despised "red Indian" of the aristocratic Louisianians. He had reason, he said in this letter, to doubt the loyalty of many men in the state, because of their known adherence to foreign nations, but he hopefully adds, "Among the militia of New Orleans there is a battalion of chosen men of color, organized under a special act of Legislature, of which I inclose a copy for your perusal."

Under the Spanish Government the men of color of New Orleans were always relied upon in time of difficulties, and on several occasions evinced in the field the greatest firmness and courage.[66] "With these gentlemen, Colonel Fortier and Major Lacoste, and the officers attached to companies," Claiborne continued, "I had an interview on yesterday, and assured them that, in the hour of peril, I should rely on their valor and fidelity to the United States. In return,[Pg 58] they expressed their devotion to the country and their readiness to serve it."[67] Claiborne then ordered the taking of a census of the men of color in the city capable of bearing arms, and found that they numbered nearly eight hundred. In his appeal to General Jackson, Claiborne said, "These men, Sir, for the most part, sustain good characters. Many of them have extensive connections and much property to defend, and all seem attached to arms. The mode of acting toward them at the present crisis, is an inquiry of importance. If we give them not our confidence, the enemy will be encouraged to intrigue and corrupt them."[68] General Jackson took the cue from Governor Claiborne and enlisted the services of the battalion of men of color, addressing them in stirring and thrilling words. There were not wanting objections to this address. Its publication was delayed a few days to give him time to reconsider the matter, since advisers of Gov. Claiborne thought it a little too free with its suggestions of perfect equality between the companies. But the well-known temper of General Jackson precluded the possibility of any retraction, and the address came down in history as he originally drafted it.[Pg 59][69]

The American soldiers on the field aggregated 3,600, among whom were 430 colored. The first battalion of men of color was commanded by Major Lacoste, a wealthy white planter. In reviewing the troops, Gen. Jackson was so well pleased with Major Lacoste's battalion, that he deemed it prudent to levy a new battalion of the same description. Jean Baptiste Savary, a colored man who had fled from Santo Domingo during the struggle there, undertook, therefore, to form a battalion of his countrymen. Savary obtained the rank of captain, and was remarkably successful.[70] The new battalion was put under the command of Major Jean Daquin, also a native of Santo Domingo. Whether or not Major Daquin was a white man as Gayarré tells us, or a quadroon as other writers assert, is a disputed question.[71]

But not only was this regiment of free men of color to have all the honor of the struggle. The colored men were enlisted in more ways than one. Slaves were used in throwing up the famous entrenchments. The idea of a fortification of cotton bales, which we are told practically saved the city, was that of a colored man, a slave from Africa, who had seen the same thing done in his native country. It was the cotton breastworks that nonplussed the British. Colored men, free and slave, were used to reconnoitre, and the pirate Lafitte, true to his word, to come to the aid of Louisiana[Pg 60] should she ever need assistance, brought in with his Baratarians a mixed horde of desperate fighters, white and black.

On the British side was a company composed of colored men, and historians like to tell of their cowardice compared with the colored men of the American side.[72] Evidently a scarlet coat does not well fit a colored skin. To the eternal credit of the State troops composed of the men of color, not one act of desertion or cowardice is recorded against them. There was a most lamentable exhibition of panic on the right bank of the river by the American troops, but the battalion of the men of color was not there. They were always in the front of the attack.[73]

In the celebration of the victory which followed in the great public square, the Place d'Armes, now Jackson Square, where a statue of the commander rears itself in the center, the colored troops came in for their share of glory.[74] The train which brought in the four hundred wounded prisoners was met by the colored women, the famous nurses of New Orleans, who have in every war from the Revolutionary until the Spanish-American held the reputation of being some of the best nurses in the world.

The men of color were apparently not content with winning the victory; they must furnish material for dissension for many days afterwards. When the British army withdrew from Louisiana on January 27, 1815, they carried[Pg 61] away with them 199 slaves, whom they had acquired by the very easy method of taking them willy-nilly. The matter of having these bondmen restored to their original owners, of convincing the British that the Americans did not see the joke of the abduction caused one of the most acrimonious discussions in the history of the State. The treaty between the two countries, England and America, was distorted by both sides to read anything they wished. The English took a high stand of altruism, of a desire to free the oppressed; the Louisianians took as high a stand of wishing to grow old with their own slaves. It was an amusing incident which the slaves watched with interest. In the end the colored men were restored, and the interpretation of the treaty ceased.[75]

Following the War of 1812 the free people of color occupied a peculiar position in Louisiana, especially in New Orleans. There were distinct grades of society. The caste system was almost as strong as that of India. Free people of color from other states poured into Louisiana in a steady stream. It was a haven of refuge. Those were indeed halcyon times both for the Creole and the American, who found in the rapidly growing city a commercial El Dorado. For the people of color it was indeed a time of growth and acquisition of wealth. Three famous streets in New Orleans bear testimony to the importance of the colored people in the life of the city. Congo Square, one of the great open squares in the old Creole quarter, was named for the slaves who used to congregate in its limits and dance the weird dances to the tunes of blood-stirring minor strains. Those who know the weird liet-motif of Coleridge-Taylor's Bamboula dance have heard the tune of the Congo dance, which every child in New Orleans could sing. Gottschalk's Danse des Nègres is almost forgotten by this generation but in it he recorded the music of the West Indians. Camp Street, to-day one of the principal business streets in the city, was so called because it ran back of the old Campo de Negros.[76] Julia[Pg 62] Street, which runs along the front of the so-called New Basin, a canal of great commercial importance, connecting, as it does, the city with Lake Pontchartrain, and consequently, the greater gulf trade, was named for one Julia, a free woman of color, who owned land along the banks.[77] What Julia's cognomen was, where she came from, and whence she obtained the valuable property are hidden in the silent grave in which time encloses mere mortals. Somewhere in the records of the city it is recorded that one Julia, a F. W. C. (free woman of color), owned this land.

The minor distinctions of complexion and race so fiercely adhered to by the Creoles of the old regime were at their height at this time. The glory and shame of the city were her quadroons and octoroons, apparently constituting two aristocratic circles of society,[78] the one as elegant as the other, the complexions the same, the men the same, the women different in race, but not in color, nor in dress, nor in jewels. Writers on fire with the romance of this continental city love to speak of the splendors of the French Opera House, the first place in the country where grand opera was heard, and tell of the tiers of beautiful women with their jewels and airs and graces. Above the orchestra circle were four tiers, the first filled with the beautiful dames of the city; the second filled with a second array of beautiful women, attired like those of the first, with no apparent difference; yet these were the octoroons and quadroons, whose beauty and wealth were all the passports needed. The third was for the hoi polloi of the white race, and the fourth for the people of color whose color was more evident. It was a veritable sandwich of races.

With the slaves, especially those outside of New Orleans, the situation was different. The cruelty of the slave owners in the State was proverbial. To be "sent down the Mississippi" became a by-word of horror, a bogie with which slave-holders all over the South threatened their incorrigible slaves. The slave markets, the tortures of the old plantations,[Pg 63] even those in the city, which Cable has immortalized, help to fill the pages of romance, which must be cruel as well as beautiful.

The reaction against the Negro was then well on its way in Louisiana and evidences of it soon appeared in New Orleans where their condition for some time yet differed much from that of the blacks in the parishes. Moved by the fear of a rising class of mixed breeds resulting from miscegenation, the whites endeavored to diminish their power by restraining the free people of color from exercising influence over the slaves, who were becoming insurrectionary as in the case of those of the parish of St. John the Baptist in 1811. The State had in 1807 and 1808 made additional provisions for the regulation of the coming of free Negroes into Louisiana, but when there came reports of the risings of the blacks in various places in the Seaboard States, and of David Walker's appeal to Negroes to take up arms against their masters, it was deemed wise to prohibit the immigration of free persons into that Commonwealth. In 1830 it was provided that whoever should write, print, publish or distribute anything having the tendency to produce discontent among the slaves, should on conviction thereof be imprisoned at hard labor for life or suffer death at the discretion of the court. It was further provided that whoever used any language or became instrumental in bringing into the State any paper, book or pamphlet inducing discontent should suffer practically the same penalty. Any person who should teach or permit or cause to be taught, any slave to read or write should be imprisoned not less than one month nor more than twelve.[80]

Under the revised Black Code of Louisiana special care was taken to prevent free Negroes from coming in contact with bondmen. Free persons of color were restricted from obtaining licenses to sell spirituous liquors, because of the fear that intoxicants distributed by this class might excite[Pg 64] the Negroes to revolt. The law providing that there should be at least one white person to every thirty slaves on a plantation was re-enacted so as to strengthen the measure, the police system for the control of Negroes was reorganized to make it more effective, and slaves although unable to own property were further restricted in buying and selling. Those taken by masters beyond the limits of the State were on their return to be treated as free Negroes. But it was later provided on the occasion of the institution of proceedings for freedom by a slave who had been carried to the Northwest Territory[81] that "no slave shall be entitled to his or her freedom under the pretense that he or she has been, with or without the consent of his or her owner, in a country where slavery does not exist or in any of the States where slavery is prohibited."[82]

After that the condition of the Negroes in Louisiana was decidedly pitiable, although in certain parts of the State, as observed by Bishop Polk,[83] Timothy Flint,[84] and Frederic Law Olmsted[85] at various times, there were some striking exceptions to this rule. About this time Captain Marryat made some interesting remarks concerning this situation. "In the Western States," said he, "comprehending Louisiana, Arkansas, Mississippi, Georgia, and Alabama, the Negroes are, with the exception, perhaps, of the latter States, in a worst condition than they were in the West India Islands. This may be easily imagined," continued he, "when the character of the white people who inhabit the larger portion of these States is considered—a class of people, the majority of whom are without feelings of honor, reckless in their habits, intemperate, unprincipled, and lawless, many of them having fled from the Eastern States, as fraudulent bankrupts, swindlers or committers of other crimes, which have subjected them to the penitentiaries, miscreants, defying the climate, so that they can[Pg 65] defy the laws. Still this representation of the character of the people, inhabiting these States, must from the chaotic state of society in America be received with many exceptions. In the city of New Orleans, for instance, and in Natchez and its vicinity, and also among the planters, there are many honorable exceptions. I have said the majority: for we must look to the mass—the exceptions do prove the rule. It is evident that slaves under such masters can have but little chance of good treatment, and stories are told of them at which humanity shudders."[86]

The free people of color, however, kept on amassing wealth and educating their children as ever in spite of opposition, for it is difficult to enforce laws against a race when you cannot find that race. Being well-to-do they could maintain their own institutions of learning, and had access to parochial schools. Some of them like their white neighbors, sent their sons to France and their daughters to the convents to continue their education beyond the first communion. The first free school ever opened for colored children in the United States was the "Ecole Des Orphelins Indigents," a School for Indigent Orphans opened in 1840. Mme. Couvent, a free woman of color, died, leaving a fund in trust for the establishment and maintenance of this institution. It has been in continuous operation ever since. Later, it was aided by Aristide Mary, a well-to-do Creole of color, who left $5,000 for its support, and by Thomy Lafon, also a colored Creole, one of the noted benefactors of the city. Until now, the instruction is in both English and French, and many children, not orphans, are willing to pay a fee to obtain there the thorough education obtainable.[87]

In 1859 John F. Cook, afterwards of Washington, D. C., went to New Orleans from St. Louis, Missouri, and organized a school for free children of color. This was just at the time when discontent among Southern States was rife, when there was much war-talk, and secession was imminent. Mr. Cook had violated two laws, he was an immigrant, and he[Pg 66] opened a school for children of persons of color. He continued as a successful instructor for one year, at the expiration of which he was forced to leave, being warned by one John Parsons, a barber, who had been told by his white friends that Mr. Cook was to be arrested and detained.[88]

Mr. Trotter, in his "Music and Some Musical People," gives unwittingly a picture of the free people of color of this epoch in fortune and education. He quotes the New Orleans Picayune in its testimony to their superior taste for and appreciation of the drama, particularly Shakespeare, and their sympathetic recognition of the excellence of classical music. Grace King aptly says "even the old slaves, the most enthusiastic of theatre-goers, felt themselves authorized to laugh any modern theatrical pretension to scorn."[89] Trotter records a number of families whose musical talent has become world-wide. The Lambert family, one of whom was decorated by the King of Portugal, became a professor in Paris, and composer of the famous Si J'Etais Roi, L'Africaine, and La Somnambula.[90] In this same field Basile Barrès also achieved unusual fame.

Natives of New Orleans remember now how some years ago Edmond Dédé came from Paris, whence he had been sent in 1857 by an appreciative townspeople to complete his musical education. He became director of the orchestra of L'Alcazar in Bordeaux, and a great friend of Gounod. When he returned to New Orleans after an absence of forty-six years to play for his native city once more, he was old, but not worn, nor bent, the fire of youth still flashed in his eye, and leaped along the bow of his violin.[91] One may mention a long list of famous musicians of color of the State, but our picture must be filled in rather with the broad sweep of the mass, not of the individual.

Across the cloudless sky of this era of unexampled commercial,[Pg 67] artistic and social sphere[92] the war cloud crept with ominous grimness. It burst and drenched the State with blood. Louisiana made ready to stand with the South. On the 23d of November, 1861, there had been a grand review of the Confederate troops stationed in New Orleans. An associated press despatch announced that the line was seven miles long. The feature of the review, however, was one regiment composed of fourteen hundred free colored men. The state militia was reorganized entirely for whites but Governor Moore ordered the men of color into the army. Another grand review followed the next spring. The New Orleans Picayune made the following comment. "We must also pay a deserved compliment to the companies of free colored men, all very well drilled and comfortably uniformed. Most of these companies, quite unaided by the administration, have supplied themselves with arms without regard to cost or trouble."[93] On the same day, one of these colored companies was presented with a flag, and every evidence of public approbation was manifested.

These men of color in New Orleans were the only organized body of Negro soldiery on the Confederate side during the Civil War. They were accepted as part of the State militia forming three regiments and two batteries of artillery. In the report of the Select Commission on the New Orleans Riots, Charles W. Gibbons testified that when the war broke out, the Confederacy called on all free people to[Pg 68] do something for the seceding States, and if they did not a committee was appointed to look after them, to rob, kill, and despoil their property. Gibbons himself was advised by a policeman to enlist on the Confederate side or be lynched. This accounts for the seeming disloyalty of these free men of color.[94] The first victories of the South made their leaders overconfident thereafter and the colored troops were dismissed.

When Unionists finally got control of New Orleans they found it a city of problems. Wherever there was a Union fort, slaves, the famous "contrabands of war," made their appearance, and in a few months General Butler, then in command, found himself face to face with one of the most serious situations ever known in the history of a State. Obviously, the only thing to do was to free all of the slaves, but with Gen. Hunter's experience in South Carolina to warn him, and with Lincoln's caution, Butler was forced to fight the problem alone. He did the best he could under the circumstances with this mass of black and helpless humanity. The whipping posts were abolished; the star cars—early Jim Crow street cars—were done away with. Those slaves who had been treated with extreme cruelty by their masters were emancipated, and by enforcing the laws of England and France, which provided that no citizen of either country should own slaves, many more were freed. But the problem increased, the camps filled with runaway slaves, the feeling grew more intense, and the situation more desperate every day. Gen. Butler asked repeatedly for aid and reenforcement from the North. Vicksburg was growing stronger, Port Hudson above the city became a menace with its increasing Confederate batteries, and Mobile and a dozen camps near the city made the condition alarming. No help coming from the North, General Butler turned to the free men of color in the city for aid, and as usual, they responded gallantly to his appeal.

The free people of color in Louisiana then furnished the first colored contingent of the Federal Army, just as they[Pg 69] had furnished the first colored contingent of the Confederate Army.[95] The army records likewise show that Louisiana furnished more colored troops for the war than any other State. By the 27th of September, 1862, a full regiment of free men of color entered the service of the government, many of them being taken over from the State militia. It was in the beginning called the First Regiment of the Louisiana Native Guards. In June, 1863, its designation was changed to the First Regiment Corps D'Afrique, and later to the 73d Regiment U. S. C. Infantry. In October, 1862, another regiment was formed and the following month a regiment of heavy artillery was organized. About the same time a fourth regiment of men of color answered the call. Gen. Butler was succeeded in Louisiana by General Banks, who was so pleased with the appearance and drill of the colored regiments, that he issued an order for the organization of more in 1863, contemplating 18 regiments, comprising infantry, artillery, and cavalry. These were entirely officered by colored men, at first, but, as Col. Lewis tersely puts it, after the battle of Port Hudson,[97] a "steeple-chase was made[Pg 70] by the white men to take our places."[98] These troops thereafter acquitted themselves with great honor in this battle and also at that of Milliken's Bend.

The Emancipation Proclamation of January, 1863, was a most complicated matter in Louisiana, for the reason that out of the forty-eight parishes in the State, thirteen were under federal control, and consequently the slaves there were left in their original state. Many of the masters even in those parishes where the slaves were declared emancipated sent their most valuable slaves to Alabama and Texas, some[Pg 71] of them themselves fleeing with them. In parishes far removed from Union headquarters, news of the Emancipation Proclamation did not reach the slaves until long after it had been issued. Even then, in many cases, the proclamation had to be read at the point of the sword, federal soldiers compelling the slave owners to tell their chattels the news.[99]

From the time of the accession of General Banks to 1876, the history of Louisiana becomes a turmoil of struggle, centering around the brother in black.[100] It is no longer romance; it is grim war, and the colored man is the struggle, not the cause of it. Political parties in 1862 were many and various. The Free State party was in favor of abolishing slavery, but wanted representation based altogether on the white population. This was opposed by the Union Democrat party, which repudiated secession, but wished slavery continued or rather revived, believing that emancipation was only a war measure, and that after cessation of hostilities, slavery could be reestablished. But the plans of both parties fell to the ground.[101] The colored man became more and more of a political factor from day to day.

Cognomens here too proved to be another difficulty. Louisiana had two classes of colored men, freedmen and free men, a delicate, but carefully guarded distinction, the latter distinctly aristocratic. In 1863, the free men of color held a meeting and appealed to Governor Shepley for permission to register and vote. In the address to him, they reviewed their services to the United States from the time of General Jackson through the Civil War, and stated that they were then paying taxes on over $9,000,000. Several petitions of this sort failed to move General Banks,[102] for he thought it unfeasible to draw the line between free men of color and the recently emancipated Negroes.

The war of Reconstruction in Louisiana was fairly well launched in the Constitutional Convention of 1864. The[Pg 72] issue on which this body divided was what treatment should be accorded the freedmen. The two parties had much difficulty in reaching an agreement.[103] P. M. Tourne was sent to Washington to see President Lincoln. He had already suggested the ratification of the Emancipation Proclamation and the education of the colored youth.[104] In a letter congratulating the recently elected Governor Hahn on his election as the "first free-state governor of Louisiana" in 1864, Lincoln suggested suffrage for the more intelligent Negroes, and those who had served the country in the capacity of soldiers. This letter of Lincoln's, says Blaine, was the first proposition from any authentic source to endow the Negro with the right of suffrage.[105] In his last public utterance on April 11, 1865, Lincoln again touched the subject of suffrage in Louisiana, repeating that he held it better to extend to the more intelligent colored men the elective franchise, giving the recently emancipated a prize to work for in obtaining property and education.[106] The Convention tried in vain to declare what constituted a Negro, giving it up in disgust. It did abolish slavery in general; granted suffrage to those whites who were loyal to the government; and to colored men according to educational and property qualifications. In 1865, the Thirteenth Amendment was ratified and the body adjourned.

The culmination of the fight between the Democrat and the Radical was in the struggle over the adoption of the Fourteenth Amendment in July, 1866. An attempt was made to re-open the Constitutional Convention of 1864.[107] The delegates, who favored the reopening of the convention, formed in the streets of New Orleans, and proceeded to march to the famous Mechanics Hall, the scene of almost every political[Pg 73] riot in the history of the city. The paraders became involved in a brawl with the white spectators; the police were called in; and the colored members of the convention and their white sympathizers fled to the hall where they attempted to barricade themselves. A general fight ensued, and over two hundred were killed.[108] The effect of this riot was electrical, not only in Louisiana but in the North, where it was construed as a deliberate massacre, and an uprising against the United States Government by the unreconstructed Louisianians.[109]

Efforts were made to bring about changes satisfactory to all. In 1867, Sheridan, in charge of the department of Louisiana, dismissed the board of aldermen of New Orleans, on the ground that they impeded the work of reconstruction and kept the government of the city in a disorganized condition. He appointed a new board of aldermen, some of whom were men of color, and in the next month this council appointed four assistant recorders, three of whom were colored, and two colored city physicians. In this month, September, 1867, the first legal voting of the colored man under the United States Government was recorded, that being their voting for delegates to the Constitutional Convention of 1868.[Pg 74][110]

This body proved to be an assemblage of ardent fighters for the rights of the factions they represented. Pinckney Benton Stewart Pinchback proposed the adoption of the Civil Rights Bill, and the abolition of separate schools. In the convention were proposed the most stringent of all suffrage laws which would practically disfranchise many whites. Mr. Pinchback voted against this. He saved the day for the Republican party by opposing Wickliffe and other demagogues who wished to use the vote of the colored man by promising a majority of the offices to Negroes. Pinchback maintained that offices should be awarded with reference not to race, but to education and general ability.[111] In this he was fiercely opposed by many who were anxious for office, but not for the good of the State.[112]

Louisiana did not long delay in returning to the Union. On the same day on which she voted for the constitution which restored her to the Union, H. C. Warmoth was elected governor, and Oscar J. Dunn, a colored man, Lieutenant-Governor. Pinchback was then a State senator.[113] When the State legislature met in New Orleans in 1868, more than half of the members were colored men. Dunn was President of the Senate, and the temporary chairman of the lower house was R. H. Isabelle, a colored man. The first act of the new legislature was to ratify the Fourteenth Amendment.[114]

And then ensued another halcyon period for the colored man in Louisiana, a period about which the average historian has little but sneers. Government in Louisiana by the colored man was different from that in other Southern States. There the average man who was interested in politics had wealth and generations of education and culture back of him. He was actuated by sincerest patriotism, and[Pg 75] while the more ignorant of the recently emancipated were too evidently under the control of the unscrupulous carpetbagger, there were not wanting more conservative men to restrain them.

The period following the meeting of the State legislature in 1868 was a stirring one. The Louisiana free people of color had a larger share in their government than that class had in any other Southern State. Among their representatives were Lieut.-Governor Oscar J. Dunn, State Treasurer Antoine Dubuclet, State Superintendent of Education Wm. G. Brown, Division Superintendent of Education Gen. T. Morris Chester, a Pennsylvanian by birth, congressmen, William Nash, and J. Willis Menard, the first colored representative elected, although he was not seated. Col. Lewis became Sergeant of the Metropolitan Police, following his service as Collector of the Port. Upon the death of Dunn, C. C. Antoine, who had served his country as a captain in the famous Seventh Louisiana, and then in the State Senate, succeeded him. Antoine was Lieutenant-Governor for eight years, first under Governor Kellogg, and then re-elected to serve under Governor Packard.

But the most thrilling part of the whole period centers about the person of that redoubtable fighter, Pinchback. He was nominated for Governor, and to save his party accepted a compromise on the Kellogg ticket. In 1872 he ran the great railroad race with Governor Warmoth, being Lieutenant-Governor and Acting Governor in the absence of the Governor from the State. His object was to reach the capital and sign two acts of the legislature, which involved the control of the State and possibly the national government.[115] It was a desperate undertaking, and the story of the race, as told by Governor Pinchback himself, reads like a romance. By a clever trick and the courage to stay up and fight in the senate all night, he saved the senate to the Republicans and perpetuated their rule four years longer in Louisiana than it would have continued.[Pg 76][116]

By the impeachment of Governor Warmoth in December, 1872, he became Acting Governor of the State until Jan., 1873, when the term expired and the Kellogg government was inaugurated, with C. C. Antoine, Lieutenant-Governor. That period when Pinchback was Governor of Louisiana was the stormiest ever witnessed in any state in the Union; but he was equal to the emergency. Then followed his long three years' fight for the seat in the United States Senate, with the defeat after the hard struggle.

The campaign of 1874 was inaugurated. The White Camelias, a league formed of Southern white men, determined to end the existing government, stood armed and ready. The Governor was garrisoned at the Custom-house, a huge citadel, and the fight was on between the White League and the Metropolitan Police. It was characteristic of this community that the fight should take place on Sunday. The struggle lasted all day, September 14, 1874, and by evening the citizens were in command of the situation. President Grant ordered troops to the place; the insurgents were ordered to disperse in five days, and the Governor resumed his office. But it was the end of the government by the men of color and their allies in the State. President Hayes, in order to conciliate his constituents in the South, withdrew federal support, and the downfall was complete.[117]

The history of the Reconstruction and the merits and demerits of the men who figured in that awful drama belong to the present generation. The unstable Reconstruction regime was overthrown in 1874 and the whites, eliminating the freedmen and free people of color from the government, established what they are pleased to call "home rule." The Negroes, who had served the State, however, deserved well of their constituents. It should be said to the credit of these black men that upon an investigation of the Treasurer's office which had for years been held by Antoine Dubuclet, a man of color, the committee of which Chief Justice Edward D. White of the United States Supreme[Pg 77] Court was then chairman, made a report practically exonerating him. Although making some criticisms as to irregularities and minor illegalities, the committee had to report that "the Treasurer certainly by a comparison deserves commendation for having accounted for all moneys coming into his hands, being in this particular a remarkable exception." A minority report signed by C. W. Keeting and T. T. Allain[118] thoroughly exonerated him. The expected impeachment proceedings which were to follow this investigation did not materialize.[Pg 78][119]

More about the people of color in Louisiana might be written. It is a theme too large to be treated save by a master hand. It is interwoven with the poetry, the romance, the glamour, the commercial prosperity, the financial ruin, the rise and fall of the State. It is hung about with garlands, like the garlands of the cemeteries on All Saints Day; it may be celebrated in song, or jeered at in charivaris. Some day, the proper historian will tell the story. There is no State in the Union, hardly any spot of like size on the globe, where the man of color has lived so intensely, made so much progress, been of such historical importance and yet about whom so comparatively little is known. His history is like the Mardi Gras of the city of New Orleans, beautiful and mysterious and wonderful, but with a serious thought underlying it all. May it be better known to the world some day.

Alice Dunbar-Nelson.

Footnotes:

[50] Rose, "Life of Napoleon I," 333-336.

[51] As to the ability of a man of color to rise in this territory, the life of one man, recorded by the Pennsylvania Abolition Society, will furnish a good example. James Derham was originally a slave in Philadelphia, sold by his master to a physician, who employed him in the shop as an assistant in the preparation of drugs. During the war between England and America, he was sold by this physician to a surgeon, and by that surgeon to Dr. Robert Dove of New Orleans. Here he learned French and Spanish so as to speak both with ease. In 1788, he was received into the English church, when he was twenty-one and became, says the report, "one of the most distinguished physicians in New Orleans." "I conversed with him on medicine," says Dr. Rush, "and found him very learned. I thought I could give him information on the treatment of diseases, but I learned more from him that he could expect from me." The Columbian Gazette, II, 742-743.

[52] Gayarré, III, p. 595.

[53] Ibid., IV, p. 218.

[54] Ibid., p. 219.

[55] Gayarré, IV, p. 219.

[56] Ibid., p. 229.

[57] Grace King tells a pretty story of the saving of Jean Lafitte's life. On the very day that a price was set upon his head by Gov. Claiborne he was invited to be the guest at a plantation, and almost at the same instant there arrived unexpectedly Mrs. Claiborne, the wife of the governor. The hostess, with quick presence of mind, introduced the gentleman to the wife of the governor as Monsieur Clement, and then hurriedly went out of the room, leaving her guests together. She called Henriette, her confidential servant, and looking her straight in the eyes, said: "Henriette, Gov. Claiborne has set a price upon Monsieur Lafitte's head. Anyone who takes him a prisoner and carries him to the governor will receive five hundred dollars reward, and M. Laffitte's head will be cut off. Send all the other servants away; set the table yourself, and wait on us yourself. Remember to call M. Lafitte, M. Clement—and be careful before Mme. Claiborne." The colored woman responded with perfect tact and discretion. See Grace King, "New Orleans, the Place and the People," 204.

[58] Gayarré, IV, p. 127.

[59] Ibid., p. 127.

[60] Gayarré, IV, p. 131.

[61] King, "New Orleans: The Place and Its People."

[62] Paul Alliot's Reflections in Robertson's "Louisiana under the Rule of Spain," I, p. 67.

[63] Ibid., 103, 111.

[64] Evans, "A Pedestrian's Tour, etc." Thwaites, "Early Western Travels," VIII, 336.

[65] Harriet Martineau painted in 1837 a picture of this society, showing how the depravity of the settlers had worked out. "The Quadroon girls of New Orleans," said she, "are brought up by their mothers to be what they have been, the mistresses of white gentlemen. The boys are some of them sent to France; some placed on land in the back of the State; and some are sold in the slave market. They marry women of a somewhat darker color than their own; the women of their own color objecting to them, 'ils sont si degoutants!' The girls are highly educated, externally, and are, probably, as beautiful and accomplished a set of women as can be found. Every young man early selects one and establishes her in one of those pretty and peculiar houses, whole rows of which may be seen in the Remparts. The connexion now and then lasts for life; usually for several years. In the latter case, when the time comes for the gentleman to take a wife, the dreadful news reaches his Quadroon partner, either by letter entitling her to call the house and furniture her own, or by the newspaper which announces his marriage. The Quadroon ladies are rarely or never known to form a second connexion. Many commit suicide, more die heartbroken. Some men continue the connexion after marriage. Every Quadroon woman believes that her partner will prove an exception to the rule of desertion. Every white lady believes that her husband has been an exception to the rule of seduction." See Harriet Martineau, "Society in America," II, 326-327; see also Nuttall's Journal in Thwaites, "Early Western Travels," XIII, 309-310.

[66] Gayerré, IV, p. 335.

[67] Gayerré, IV, p. 336.

[68] Ibid., p. 336.

[69] He said: "Through a mistaken policy you have heretofore been deprived of a participation in the glorious struggle for national rights in which our country is engaged. This no longer exists.

As sons of freedom, you are now called upon to defend our most inestimable blessing. As Americans, your country looks with confidence to her adopted children for a valorous support as a faithful return for the advantages enjoyed under her mild and equitable government. As fathers, husbands and brothers, you are summoned to rally round the standard of the eagle to defend all which is dear in existence.

Your country, although calling for your exertions, does not wish you to engage in her cause without amply remunerating you for the services rendered. Your intelligent minds are not to be led away by false representations. Your love of honor would cause you to despise the man who would attempt to deceive you. In the sincerity of a soldier and the language of truth I address you.

To every noble-hearted, generous freeman—men of color, volunteering to serve during the present contest with Great Britain and no longer, there will be paid the same bounty in money and lands now received by the white soldiers of the United States, viz.: $124 in money and 160 acres of land. The non-commissioned officers and privates will also be entitled to the same monthly pay and daily rations and clothes, furnished to any American soldier. On enrolling yourselves in companies, the Major-General commanding will select officers from your government from your white citizens. Your non-commissioned officers will be appointed from among yourselves.

Due regard will be paid to the feelings of freemen and soldiers. You will not, by being associated with white men in the same corps, be exposed to improper comparisons, or unjust sarcasm. As a distinct, independent battalion or regiment, pursuing the path of glory, you will undivided, receive the applause and gratitude of your country men.

To assure you of the sincerity of my intentions and my anxiety to engage your invaluable services to our country, I have communicated my wishes to the Governor of Louisiana, who is fully informed as to the manner of enrollment, and will give you every necessary information on the subject of this address." See Williams, "History of the Negro Race," II, 25 and 26.

[70] Gayarré, IV, p. 406.

[71] He was probably regarded as a quadroon who had been accepted by the white race. See Gayarré, IV, 406.

[72] Gayarré, IV, p. 451.

[73] Ibid., p. 427 et passim.

[74] For years after the Civil War, one of the most picturesque figures in New Orleans was Jordan B. Noble, who at the time of the Battle of New Orleans was a slim youth. It was his tireless beating of the drum which led to battle the American forces on the nights of December 23 and January 8. He lived to be an old man, and appeared on several occasions at the St. Charles theatre, where a great audience turned out to do him honor and give an ovation when he beat the drum again as he had on those memorable nights. The Delta records a benefit given him at the theatre in 1854. In 1851 The New Orleans Picayune in commenting on the celebration of the victory of New Orleans notes the presence in the line of parade of 90 colored veterans. "And who did more than they to save the city?" it asks in the midst of a highly eulogistic review of the battle. Grace King, "New Orleans, the Place and the People," 256; and Grace King's letter to A. O. Stafford in 1904.

[75] Gayarré, IV, pp. 517-531.

[76] Fortier, "Louisiana," II, p. 231.

[77] Cable, "The Creoles," p. 211; Grace King, "New Orleans," 260.

[78] Martineau, "Society in America," p. 326 et passim.

[79]Channing, "The Jeffersonian System," 84.

[80] For a general sketch see Ballard and Curtis's "A Digest of the Statutes of the State of Louisiana," pp. 65 et seq.

[81] Dunn, "Indiana," 234; and 1 Miss. (Walker), p. 36.

[82] See "The Revised Statutes of Louisiana," 1852, pp. 524 et seq.

[83] Rhodes, "History of the United States," III, 331.

[84] Flint, "Recollections of the Last Ten Years," 345.

[85] Olmsted, "The Cotton Kingdom," II, 213.

[86] Captain Marryat, Diary in America, 67-68.

[87] Desdunes, "Nos Hommes et Notre Histoire," 32.

[88] This fact is based on the statements of the persons concerned.

[89] Grace King, "New Orleans," 272.

[90] Trotter, "Music, and Some Musical People," pp. 339-340.

[91] Ibid., pp. 340-341; Desdunes, "Nos Hommes et Notre Histoire," pp. 117-118.

[92] The most definite picture, and the best possible of the state of the persons of color in Louisiana, is to be found in Parton's "Butler in New Orleans." History will never agree about Gen. Butler. He is alternately execrated by the South, sneered at by the North, written down by his contemporary officers, and canonized by the abolitionists. If he did nothing else worthy of record, at least he gave the splendid militia composed of the free men of color a chance to prove their loyalty to the union by entering the Civil War as fighters.

We are indebted to him for the pictures he draws of the slave population of Louisiana; of the wealth and beauty of the free men and women of color. Their population was 18,647. "The best blood of the South flows in the veins of these free people of color," he writes, "and a great deal of it, for the darkest of some of them were about the complexion of Daniel Webster." Parton, "General Butler in New Orleans," p. 517.

[93] New Orleans Picayune, Feb. 9, 1862.

[94] Report of the Select Committee on the New Orleans Riots, p. 126.

[95] Ficklen, "Reconstruction in Louisiana," 121.

[96] From Ex-Lieutenant Governor Antoine we have a statement as to how the troops were organized at Baton Rouge. Of the gallant officers of this first regiment, one man lives to tell of its glories. This was Col. James Lewis, who was in command for four months at Port Hudson.

[97] The battle of Port Hudson, like the battle of New Orleans, is almost too well known to be told of. It takes its place naturally in history with desperate fights, reminding one somewhat of the battles of Balaklava. It was early in the morning of May 27, 1863, that the engagement began. The colored men in line numbered 1,080. When the order for assault was given they charged the fort, which belched forth its flame and shot and shell. The slaughter was horrible, but the line never wavered. Into the mill of death the colored troops hurled themselves. The colors were shot through and almost severed from the staff; the color-sergeant, Anselmas Planciancois, was killed, and two corporals struggled for the honor of bearing the flag from his dying hands. One of them was killed.

The bravest hero of the day was Capt. André Caillioux, whose name all Louisianians remember with a thrill of pride. He was a freeman of West Indian extraction, and fond of boasting of his blackness. With superb heroism and splendid magnetism he led his men time and again into the very "jaws of death" in the assault, and fell at the front in one last heroic effort within fifty yards of the fort.

"Still forward and charge for the guns," said Caillioux,
And his shattered sword-arm was the guidon they knew;
But a fire rakes the flanks and a fire rakes the van,
He is down with the ranks that go down as one man.

A correspondent of the New York Times gave a most glowing account of the battle. "During the time the troops rallied, they were ordered to make six distinct charges, losing 37 killed, 155 wounded, and sixteen missing.... The deeds of heroism performed by these colored men were such as the proudest white men might emulate.... I could fill your columns with startling tales of their heroism. Although repulsed in an attempt which, situated as things were, was almost impossible, these regiments, though badly cut up, are still on hand, and burning with a passion ten times hotter from their fierce baptism of blood." See Williams, "History of the Negro Race," II, 321.

The battle of Milliken's Bend will always rank as one of the hardest fought engagements in the Civil War. It was an important point on the river, because it commanded Vicksburg, and in General Grant's scheme to effect the reduction of that city, it was necessary to control this point. The engagement was on June 6, 1863, and continued from three in the morning until twelve noon. Never did men fight with greater courage against such odds at the point of the bayonet than did these colored troops. The appalling list of casualties shows how they stood the test. Of the officers in the colored forces, seven were killed, nine wounded, three missing. Of the enlisted men, 123 killed, 182 wounded, 113 missing. In commenting on this battle, Schouler, in his history of the United States, speaks of the great bravery shown by the troops, and points out there was a sudden change of opinion in the South about enlisting colored troops on the side of the Confederacy. "Many of the clear-sighted leaders of this section proposed seriously to follow the Northern President's example,—and arm Negro slaves as soldiers." He adds: "That strange conclusion, had it ever been reached, would perhaps have reunited North and South eventually in sentiment,—by demonstrating at length the whole fallacy upon which the social difference of sections had so long rested. For as a Confederate writer expressed it, 'if the Negro was fit to be a soldier, he was not fit to be a slave,'" Schouler, "History of U. S.," Vol. VI, p. 407; and Williams, "History of the Negro Race," II, 326-328.

[98] Colonel Lewis's statement.

[99] Based on the statements of slaves.

[100] Rhodes, "History of the U. S.," VII, 104 et seq.; Schouler, "History of U. S.," VI, 245 et seq.

[101] Ficklen, "Reconstruction in Louisiana," 47 et seq.

[102] Ibid., pp. 64, 65.

[103] In the meanwhile, Confederates had set up a capital at Shreveport, and their governor recommended Negro conscripts in the Confederate army. His reasoning was acute and clear: He said, "The Negro must play an important part in the war. He caused the fight, and he must have his portion of the burden to bear." See Ficklen, "Reconstruction," 63.

[104] Ficklen, "Reconstruction," 63.

[105] Blaine's "Twenty Years of Congress," II, 39, 40.

[106] Lincoln, Address of, April 11, 1865.

[107] 39 Cong. House of Representatives, No. 16.

[108] Ficklen, "Reconstruction in Louisiana," 146-179.

[109] Not all Southern sympathizers saw menace in granting the Negro political privileges. Seeing it inevitable, General Beauregard wrote in 1867, "If the suffrage of the Negro is properly handled and directed, we shall defeat our adversaries with their own weapons. The Negro is Southern born. With education and property qualifications, he can be made to take an interest in the affairs of the South, and in its prosperity. He will side with the whites." Letter of Gen. Beauregard.

[110] With the year 1868 one of the most picturesque and splendid figures in the history of the state springs fully into the light. Pinckney Benton Stewart Pinchback had already made himself known by his efforts to recruit soldiers for the Louisiana Native Guards; by his stringent demands for the rights of the colored man on all occasions. He was the dashing young Lochinvar of the political struggle. He had made his first move in 1867 by organizing the Fourth Ward Republican Club, and had been appointed Inspector of Customs by Collector of Port Kellogg. In the Constitution of 1868 he took his definite rôle of a fighter to be feared, respected and followed—and for many a year afterwards, the history of Louisiana is written around his name. Simmons, "Men of Mark," 672.

[111] Accounts of this appeared in the Tribune, the best, and almost the only influential organ of the Republican party in the state, the editor of which was Dr. Roudanez, a well-to-do man of color. It was not a financial success, though a powerful factor in the political arena. Dr. Roudanez said that he spent over $35,000 on the paper in the effort to keep up an honest organ. It was suspended in April, 1868, but was revived later.

[112] Journal of the Convention, 124, 192, 205 et passim.

[113] Simmons, "Men of Mark," 678.

[114] Journal of the Senate, 1868, p. 21.

[115] Pinchback's own Statement.

[116] Based on the statements of the persons participating in these affairs.

[117] Rhodes, "History of the U. S.," VII, 287.

[118] Mr. T. T. Allain is now living in Chicago. He has much to say in praise of the efficient, honest and courageous men of color who administered the affairs of Louisiana during this period. Mr. Allain himself was a State Senator.

[119] The report consisted of answers to the following questions:

1. What was the condition of the accounts of the Treasurer connected with the verification of the entries of such accounts as well as ascertaining by such verification whether the receipts had been correctly entered and disbursed, and the cash properly and legally applied.

2. What mode of settlement had been established by the Treasurer in receiving revenue turned in by tax collectors.

3. What discrimination, if any, had been exercised in the payment of warrants.

The report in part was:

"Beyond these matters your committee find the books of the Treasurer to have been kept in an orderly manner; the disbursements have been regularly entered, and the cash presently all accounted for up to the first of January, 1877, to which period this report alone extends. These vouchers and orders are all on hand and the warrants for each payment are properly canceled....

"These figures do not of necessity import proof absolute and conclusive of any undue favoritism, although by circumstances and legitimate inference they point to that conclusion. Warrants being negotiable it has been impossible to ascertain who held those outstanding, and therefore impossible to fix a proper proportion of payment, but the fact that the multitude of payments made to the same person, while other warrant holders were forced to wait, and the intimacy existing between themselves or their employees and the Treasurer are, undeniably, circumstances which, unexplained, justify at least a suspicion that these parties have enjoyed facilities, preferences and privileges at the Treasury over the general public, to which they were not entitled.

"It is true that these figures are explained by statements that the proportion paid the respective persons mentioned were only in proportion to the amount which the warrants held by them bore to the whole amount of outstanding warrants, but this explanation in itself merits notice and explanation, because of the fact that the persons named were the holders of such a large amount of warrants imply some inducement on their part to invest in them, more especially as by avocation the majority of them were not brokers but employees in the Custom-House. Some of them have testified that all the warrants they held were paid. Another has refused to disclose for whom he collected. A third was a relative of a personal employee of the Treasurer. One has been shown to be a constant frequenter of his office, and must have been an intimate of the Treasurer's from the fact that he appears to have been the payee of a check for $75,000 illegally drawn, as mentioned before. They point, at least, to the necessity of such legislation as may be adequate to prevent even possible suspicion of favoritism in the future. Under the provisions of the acts of the General Assembly, passed at the session of 1877, the danger of favoritism has been very much safeguarded and needs supplementing in only minor particulars.

"The Treasurer certainly by comparison deserves commendation for having accounted for all moneys coming into his hands, being in this particular a remarkable exception. Edward D. White, James D. Hill, Sam H. Buck."—Report of Joint Committee to Investigate the Treasurer's Office, State of Louisiana, to the General Assembly, 1877, pp. 7-12, Majority Report.


[Pg 79]

Notes on Connecticut as a Slave State

On June 17 Mr. E. B. Bronson, the Winchester historian and president of the Winchester Historical Society, delivered before the woman's club and the students of the Gilbert School an address on "Connecticut as a Slave State." The address in part was:

"The caste system was in full being in church, business and social life. There was no more question about his right of keeping slaves than of his owning sheep. The minister—the leader and aristocrat of the day—invariably owned his slave or slaves. Even the heavenly-minded John Davenport and Edward Hopkins were not adverse to the custom, and Rev. Ezra Stiles, one time president of Yale college and later a vigorous advocate of emancipation, sent a barrel of rum to Africa to be traded for a 'Blackamoor,' because, he said, 'It is a great privilege for the poor Negroes to be taken from the ignorant and wicked people of Guiana and be placed in a Christian land, where they can become good Christians and go to heaven when they die.' Religious freedom was an inherent right of the mind, but slaveholding was a matter of the pocketbook, and an entirely different proposition in the Puritan eyes. The fact of the matter is, he kept them because it paid.

"The high-water mark of slavery in Connecticut was reached in 1774, and thereafter steadily declined. To speak in the Billy Sunday vernacular, 'Connecticut had hit the sawdust path.' The number of slaves rapidly decreased from 6,562 in 1774 to only 2,759 in 1790, and 10 years later, in 1800, there were only 951 slaves in the state. Still the good work went on, and in 1810 only 310 were left. In 1820 but 97, and in 1830, 200 years from the commencement of the evil system, there were only 25 slaves owned within Connecticut's borders. In 1840 there were 17. In 1848 Connecticut experienced a full change of heart and enacted a law forever doing away with this blot upon her fair escutcheon, and emancipated all slaves remaining in Connecticut. At this time there were but six slaves remaining in bondage within the state.

"Throughout the whole history of this slavery thraldom in Connecticut, some curious laws were passed, showing that the Puritan was not fully satisfied with the situation. In 1702, there[Pg 80] was enacted a law which arose from the practice of turning loose a slave who had broken down, and was of little use, and abandoning him, thus forcing him to care for himself. This law obliged the last owner of the slave and his heirs, and administrators, to pay for the care of these wrecks of humanity. In 1711 it was further enacted, that in case the former owner refused to give the care required, the selectmen of the town where the owner resided, should care for the needy slave, and collect with costs from his owner. In 1774 it was enacted that 'no Indian, Negro, or mulatto slave, shall at any time hereafter be brought or imported into this state, by sea or by land, from any place or places whatsoever, to be disposed of, left or sold, within this state.'

"In 1784, a law was passed which provided that no Negro or mulatto child born after March 1, 1784, should be held in servitude beyond the age of 25 years. In 1797, a further enactment released all colored children from slavery, when they 'had attained the age of 21 years.' Connecticut gradually was 'coming to her own' again. Even the ministry received a change of heart, for in 1788, the general association of ministers of Connecticut declared the slave trade to be unjust, and that every justifiable measure ought to be taken to suppress it. In 1789, Connecticut shippers were prohibited from engaging in the slave trade anywhere.

"One of the interesting points to note in this gradual metamorphosis is that as the number of slaves gradually diminished, the number of free Negroes correspondingly increased, showing that but comparatively few left the state. The caste system was in full force everywhere. It was very evident in the church. For years the system of 'dignifying the pews,' as it was termed, was practiced. That is, assigning seats to the different members of the parish by a committee appointed for that purpose. For a man must go to church whether he wished to or not, and pay his share of supporting the minister, by a tax laid upon him and collected by the town. Social standing secured the first choice of seats, wealth the second, and piety the last. In this assignment one or more pews were 'set off' away up in the top of the gallery for the slaves of the social leaders and ministers. At the First Congregational church, Winsted, there were two pews thus 'set off' in the gallery, and they were so high up that they were called 'Nigger heaven.'

"In 1837, a number of enthusiasts were invited to meet in Wolcottville (now Torrington) to organize a county abolition society.[Pg 81] Upon looking for a place of meeting, they found that every church, public and private hall, was closed against them, and also heard public threats of violence if they persisted in attempting to hold a meeting, from the proslavery element of the town. A barn was offered them as a meeting place and promptly accepted. The barn was filled, floor, scaffold, haymow and stables, by these disciples of abolition. It was a very cold day in January, and much suffering resulted in spite of their warm zeal. Roger S. Mills of New Hartford was appointed chairman, and Rev. R. M. Chipman of Harwinton secretary, and Daniel Coe of Winsted offered prayer. The following officers were appointed: President, Roger S. Mills; vice-presidents, Erastus Lyman of Goshen, Gen. Daniel Brinsmade of Washington, Gen. Uriel Tuttle of Torringford and Jonathan Coe of Winsted; secretary, Rev. R. M. Chipman of Harwinton, and treasurer, Dr. E. D. Hudson of Torringford. While being addressed by an agent of the American society, and suffering from extreme cold, they were attacked by a mob of proslaveryites who had paraded the streets of Wolcottville and had elevated their courage with New England rum. They gathered around the barn which was near the Congregational church, yelling, blowing horns, thumping on tin pans and kettles, and ringing furiously the church bell, and finally, by brute force, broke up the meeting which took a hasty adjournment.

"When the people were leaving Wolcottville the entire village seemed to be a bedlam. Dea Ebenezer Rood was set upon while in his sleigh, and some of the mob endeavored to overturn him and cause his horses to run away. But the blood of his Puritan ancestors became rampant, and in defiance he shouted: 'Rattle your pans; hoot and toot; ring your bells, ye pesky fools, if it does ye any good,' and plying his whip to his now frantic horses he escaped the mob.

"Torringford street arose in its anger and might, at this insult, opened her church doors, and the abolition convention held session there for two days. Although there was great opposition on the street at this new move, there was no other demonstration.

"Inspired by Dea Rood's defiance, the abolition spirit blazed high, and monthly meetings were held in barns, sheds, and groves, throughout the county. These enthusiasts were called all sorts of opprobrious names such as, 'Nigger friends, and disturbers of Israel,' and some were excommunicated from the churches. These[Pg 82] were indeed stirring days; Connecticut had received a change of heart, and in her ecstasy had forgotten her own sins.

"Even our own village did not escape unscathed. A pastor of the First Congregational church who had strong antislavery principles, dared to preach an abolition sermon one Sunday from his pulpit, and the next morning the village was flooded with a 'Broadside' demanding the people to rise, and teach this disturber a lesson, and not allow such sins to be perpetrated in their midst. A copy of this sheet was even nailed upon his own doorway, and is now deposited in our historical society, and is worthy of your perusal.

"Even the historic cannon now reposing in our historical rooms was used to break up 'pestilent abolition meetings' in our own midst. Thus I have endeavored to give you some idea of an interesting phase in the history of our Commonwealth, that may not be familiar to all, and which I would term as a Connecticut mistake."—The Springfield Republican, June 18, 1916.


[Pg 83]

Documents

LETTERS OF ANTHONY BENEZET

Benezet published his letters at his own expense and distributed them with the accompanying circular letter below.

"Copy of the substance of a letter written to several persons of note, both in Europe and America, on sending them some of the negroe pamphlets, viz. account of Africa, &c. particularly to the Archbishop of Canterbury, dated about the year 1758, and since.


"With the best respects I am capable of, and from, I trust, no other motive but that of love to mankind; and from a persuasion of thy sincere desires for the suppression of evil and the promotion of that righteousness which alone exalteth a nation, I make bold affectionately to salute thee, and to request a little of thy attention to a subject which has long been a matter of deep concern to many, vast many, well disposed people of all denominations in these parts, viz. that of the negroe trade, the purchase and bringing the poor negroes from their native land, and subjecting them to a state of perpetual bondage, the most cruel and oppressive, in which the English nation is so deeply engaged, and which with additional sorrow we observe to be greatly increasing in their northern colonies, and likely still more to increase by the acquisition the English have lately made of the factories on the river Senegal. I herewith send thee some small treatises lately published here on that subject, wherein are truely set forth the great inhumanity and wickedness which this trade gives life to, whereby hundreds of thousands of our fellow creatures, equally with us the objects of Christ's redeeming grace, and as free as we are by nature, are kept under the worst oppression, and many of them yearly brought to a miserable and untimely end.

"I make bold earnestly to entreat, that thou wouldst be pleased seriously to read them, when I doubt not thou wilt perceive it to be a matter which calls for the most deep consideration of all who are concerned for the civil, as well as religious welfare of their country, and who are desirous to avert those judgments, which evils of such a dye must necessarily sooner or later bring upon every people[Pg 84] who are defiled therewith, and will, I trust, plead my excuse for the freedom I take in thus addressing myself to thee. How an evil of so deep a dye, has so long, not only passed unnoticed, but has even had the countenance of the government, and been supported by law, is surprising; it must be because many worthy men in power, both of the laity and clergy, have been unacquainted with the horrible wickedness with which the trade is carried on, the corrupt motives which give life to it, and the groans, the numberless dying groans, which daily ascend to God, the common father of mankind, from the broken hearts of those our deeply oppressed fellow creatures."[120]


"Philadelphia, Tenth Month, 30th, 1772.

"I herewith send thee a small tract (which I desire thou mayest keep) lately sent me by Granville Sharp; it is an appendix to his former treatise, and was published on account of the late negroe trial. He has wrote me a long intelligent letter, with relation to the situation of things in London on that head, which I shall be well pleased to have an opportunity to communicate to thee. It seems lord Mansfield, notwithstanding truth forced him to give such a judgment, was rather disposed to favour the cause of the master than that of the slave. He advised the master to apply to the parliament then sitting, which was done accordingly, but without success. He fears such an application will be renewed at the next session, and is preparing through his friends in parliament and the bishops, to endeavour to prevent its taking place, and calls for our help from this side the water. In this case as he desires a speedy answer, I stand in need of the advice of my friends what answer to make him. I have already let one opportunity pass; there will be soon another to Liverpool. I have also to communicate an interesting letter from Benjamin Franklin on the same subject."


Philadelphia, Eleventh Month, 30th, 1772.

"Dear Samuel,

"I received both thy letters, inclosing the petition, and have been concerned that I have not sooner acquainted thee with what had been resulted thereon; but the care of a large school, engagement upon engagement, I think four or five evenings last week, on[Pg 85] committees, &c., and the books which I received from England, which I intended to send thee not being all returned, occasioned the delay. The vessel from Virginia being near its departure when the petitions came to hand, had but just time to confer with James Pemberton, on the expediency of forwarding them, when we concluded best to take more time and wait for a future opportunity which he thought would offer. I herewith send thee such of the pieces relating to slavery, &c. of the negroes, which I have been able to get back; people are shamefully careless in not returning borrowed books. That wanting, wrote by a West Indian, I will send hereafter. I have received since I saw thee, a letter from the chief justice of South Carolina, which will I believe afford thee much satisfaction."


Philadelphia, Twelfth Month, 14th, 1773.

"Beloved Friend,

"The passage we were seeking for is Psalms 68, 31, 'Princes shall come out of Egypt, Ethiopia shall soon stretch out her hands unto God,' under which name all that part of Africa inhabited by negroes may be comprehended, and that these are the people here intended is clear from Jer. 13, 23, 'can the Ethiopian change his skin?'

"Since my return I have received letters from Thomas Nicholson in North Carolina, Edward Stabler in Virginia, and James Berry in Maryland, all leading members in their several yearly meetings (these I shall be glad to communicate to thee) expressive of their concern for forwarding the great and good work we are engaged in. Edward Stabler, clerk of the yearly meeting of Virginia, expresses, that though they have not yet received the encouragement they desire to their petition in England, yet it has not abated the zeal of some of their leading men against the traffic."


Philadelphia, Fourth Month, 28th, 1773.

"Doctor John Fothergill,

"Thy kind letter of the twenty-eighth of Eight Month last, I received in due time, and gratefully acknowledge thy kind sympathy therein expressed. I am likeminded with thee, with respect to the danger and difficulty which would attend a sudden manumission of those negroes now in the southern colonies, as well as to themselves, as to the whites; wherefore except in particular cases the obtaining their freedom, and indeed the freedom of many even[Pg 86] amongst us, is by no means the present object of my concern. But the best endeavors in our power to draw the notice of the governments, upon the grievous iniquity and great danger attendant on a further prosecution of the slave trade, is what every truly sympathising mind cannot but earnestly desire, and under divine direction promote to the utmost of their power. If this could be obtained, I trust the sufferings of those already amongst us, by the interposition of the government, and even from selfish ends in their masters, would be mitigated, and in time Providence would gradually work for the release of those, whose age and situation would fit them for freedom. The settlements now in prospect to be made in that large extent of country, from the west side of the Allegany mountains to the Mississippi, on a breadth of four or five hundred miles, would afford a suitable and beneficial means of settlement for many of them among the white people, which would in all probability be as profitable to the negroes as to the new settlers. But I do not desire to take up thy time especially with matters of so remote a nature, it being indeed with reluctance I take up any of it, which I would have avoided, was there any person to whom I could have addressed myself with the same expectation, that what I have in view would be thereby answered. An address has been presented to our assembly, desiring it would use its utmost endeavours with the king and parliament, that an end may be put to the slave trade, by laying a duty of twenty pounds on all slaves imported. It was thought necessary that some friends with you should be acquainted with the further steps that had been, or were likely to be taken, so as to enable you to speak in support of the law, if necessary: to which end I herewith send thee a copy of the address, also a copy of what I now write to our agent, Benjamin Franklin, on that head, in order to make him acquainted with what passes here on this momentous concern.

"I have also enclosed a number of copies of a pamphlet wrote at the time we presented the petition, in order to lay the weight of the matter briefly before the members of the assembly, and other active members of government in this and the neighbouring provinces. It was written by Benjamin Rush, a young physician of the Presbyterian communion, a person who I understand thou was acquainted with, when pursuing his studies three or four years past with you. I almost send a small collection of religious tracts, chiefly compiled for the use of inquiring people in our back countries, where such books are much wanted. I endeavoured so to collect[Pg 87] them as to be plain, instructive and edifying, without touching upon that which might be of fruitless debate.

"Anthony Benezet."


Philadelphia, Fourth Month, 1773.

"Granville Sharp,

"I wrote thee at large, by a vessel for Ireland, about six weeks past, and also three weeks ago by the packet from New York, respecting the steps taken, and likely to be pursued in the several more northern provinces, in relation to the slave trade. I am glad to understand from my friend Benjamin Franklin, that you have commenced an acquaintance, and that he expects in future, to concert with thee in the affair of slavery. I herewith send thee some pamphlets, and in a confidence of thy goodness of heart, which by looking to the intention, will construe the freedom I have taken in the best light,

"I remain with love,

"Anthony Benezet.


Hanover, January 18, 1773.

"Dear Sir:

"I take this opportunity to acknowledge the receipt of Anthony Benezet's book against the slave trade: I thank you for it. It is not a little surprising, that the professors of christianity, whose chief excellence consists in softening the human heart, in cherishing and improving its finer feelings, should encourage a practice so totally repugnant to the first impressions of right and wrong. What adds to the wonder is, that this abominable practice has been introduced in the most enlightened ages. Times, that seem to have pretensions to boast of high improvements in the arts and sciences, and refined morality, have brought into general use, and guarded by many laws, a species of violence and tyranny, which our more rude and barbarous, but more honest ancestors detested. Is it not amazing, that at a time, when the rights of humanity are defined and understood with precision, in a country, above all others, fond of liberty; that in such an age, and in such a country, we find men professing a religion the most humane, mild, gentle and generous, adopting a principle as repugnant to humanity, as it is inconsistent with the bible, and destructive to liberty? How few in practice from conscientious motive!

"Would any one believe that I am master of slaves, of my own[Pg 88] purchase! I am drawn along by the general inconvenience of living here without them. I will not, I cannot justify it. However capable my conduct, I will so far pay my devoir to virtue, as to own the excellence and rectitude of her precepts, and lament my want of conformity to them.

"I believe a time will come when an opportunity will be offered to abolish this lamentable evil. Every thing we can do, is to improve it, if it happens in our day; if not, let us transmit to our descendants, together with our slaves, a pity for their unhappy lot, and an abhorrence for slavery. If we cannot reduce this wished for reformation to practice, let us treat the unhappy victims with lenity. It is the furthest advance we can make towards justice. It is a debt we owe to the purity of our religion, to show that it is at variance with that law, which warrants slavery.

"I know not where to stop. I could say many things on the subject; a serious view of which, gives a gloomy perspective in future times!"[121]


Philadelphia, Tenth Month, 23d, 1774.

"Dear ——.

"I was pleased to hear from thee. I have not been unmindful of endeavoring to lay before all the delegates I have conversed with, the dreadful situation of the people in the most southern provinces, and the absolute necessity they are under of ceasing, at least from any farther import of negroes. With Patrick Henry I went further, he gave some attention when I mentioned from whence I apprehended we must look for deliverance, even from God alone, but pursuing such methods as would be most agreeable to the nature of the Beneficent Father of the family of mankind, whose love and regard to his children, even such who were influenced by wrong dispositions, remained unchangeable. That we could not conciliate the Divine regard, but by acting agreeably to the Divine attribute, which was love, and was to overcome by suffering.

"That whatever wound might be given or received, between us and the mother country, if ever that which was right prevailed, we should mourn over. That as christianity knew of no enemies, we could not expect deliverance by the violent method proposed, without departing from the true foundation. To this with seriousness he replied, that it was strange to him, to find some of the Quakers manifesting so different a disposition from that I had described.[Pg 89] I reminded him that many of them had no other claim to our principles, but as they were children or grandchildren of those who professed those principles. I suppose his remark principally arose from the violent spirit which some under our profession are apt to show, more particularly in the congress, amongst whom I understand one of the deputies from your city, and one from ours, appear as principals for promoting such measures. I feel but little apprehension at the prospect of things, which to many is so alarming. People are afraid of being disturbed in their enjoyments, in their ease, their confidence in the world, and the things of it. But I fear nothing more than giving way to a spirit whose hope and expectation is from the unchristian, yea unnatural, and cruel measures proposed by many, too many, who seemed to have worked themselves to such a pitch, that it looks as if they were athirst for blood! Its from God alone, by true faith in his promises, deliverance must arise; and if from the prevalence of other measures affliction and distress should be our lot, it will be our own fault if it does not work for our good. Oh! if a sufficient concern prevailed to experience grace to gain the victory, to know all worldly inclinations and desires to be brought under the regulation of the humbling power of the gospel, many would feel so much of self in themselves, inducing to hope and seek for comfort from the world, from our ease and plenty, which is yet as a bar to obtaining an establishment in the pure, the humble, self denying path of truth. If we properly felt our wants, the gulf between us and true peace, if the combat between nature and grace were duly maintained, the dread of outward evils would have little weight with us, however we fall by outward commotion, even if the earth should be dissolved, if in proper dispositions we cannot fall lower than in God's arms.

"Anthony Benezet.

"P.S. I should have been glad to have seen thyself and dear companion before you left us, but make it a rule to take no exception where no slight is intended; indeed where it is, to bear it, and take the first opportunity to return kindness for the contrary, as most noble, and most conducive to peace."


Philadelphia, Third Month, 30th, 1774.

"I was sorrowfully disappointed in not seeing thee in town. I had just received a long letter from Granville Sharp, which I should have been glad of an opportunity of showing thee, and[Pg 90] taking thy advice upon a suitable answer, more particularly upon a matter he appears to have much at heart, viz. our procuring as many petitions as possible from persons of some weight in the several provinces, to the same purport as ours to the assembly, immediately to the king alone. As I shall not send my letter before William Dillwyn goes, which may be some time first, perhaps I may still have an opportunity of consulting thee on this matter. Inclosed I send the copy of an argument, &c. I found in Granville Sharp's letter which strikes me boldly and deeply. I hope the idea will have a tendency to raise generous sentiments in some of thy brethren of the law, whose hearts are not yet quite scared with the love of the world, to appear in the noble cause of real liberty. I showed it to Dr. Rush, and inquiring whether we should publish it in the prints, he replied, 'they would knock us on the head if we did,' I believe it will in future be profitably made use of. Remember me affectionately to James Kinsey, I should be glad to know his sentiments on the law reasoning of the argument. What a great thing it is to stand up for liberty, true liberty, from a mind truly delivered from all selfishness, in an unfeigned love to God and mankind. O the selfishness of the human heart, how much of it is apt still to cleave to us, even when our designs are upright."


"Dear Samuel,

"I herewith send thee a dozen pamphlets. I shall be glad that these and more of the same may be handed to the members of your assembly, and such others in your province, with whom they may be likely to promote a representation being made to the king and parliament against the slave trade."


"Seventh day, 4 o'clock.

"Dear Friend,

"I should have been very glad to have got thee to peruse the notes (on slavery) I intend to make, as they will be large, and I wish if possible to put them into the hands of the members of every assembly on the continent, except South Carolina and Georgia, but do not desire thou shouldst be put out of the way on that occasion. I suppose it will be eight or ten, or more days before in the press. It might preserve me from inadvertently publishing something which might rather weaken the cause we have both at heart. However, in this, and all other things, I desire to stand clear in the purity of my design, and leave the event, but watch against my national activity."[Pg 91]


From Governor Livingstone, of New Jersey

"The piece on slave keeping is excellent, but the arguments against the lawfulness of war, have been answered a thousand times. May the father of lights lead us into all truths, and over all the commotions of this world, to his own glory, and the introduction of that kingdom of peace and righteousness, which will endure forever. Believe me to be your sincere friend."


From Ambrose Serle, Secretary to Lord Howe

Philadelphia, June 2d, 1778.

"I ought not to omit, my valued friend, the returning you my kindest thanks for your obliging present of books, which I shall peruse with intention, and for your sake keep them by me. It would be happy for the world at large, and for individuals, if the principles they maintain were rightly understood and cordially received; we should in that case have had no occasion to deplore the present miseries and troubles, which (as the certain effect of sin) naturally result from the ambition, dishonesty and other unmortified passions of mankind. The world on the contrary would be something like a paradise regained; and universal benevolence and philanthropy, reside as they ought in the human heart. But though from long experience we may and must despair of the general diffusion of Christian sentiments and practice, we have this comfortable trust, in our own particular persons, that we have a peace which the world can neither give nor take away; and though the kingdoms of this world tumble into confusion, and are lost in the corrupted strivings of men, we have a kingdom prepared of God, incorruptible and that cannot fade away. There, though I see your face no more upon earth, I have hope of meeting with you again; both of us divested of all that can clog or injure our spirits, and both participating that fulness of joy which flows from God's right hand for evermore. To his tender protection I commend you, and remain with sincere esteem your affectionate friend."


From John Wesley

"Mr. Oglethorp you know went so far as to begin settling a colony without negroes, but at length the voice of those villains prevailed who sell their country and their God for gold, who laugh at human nature and compassion, and defy all religion but that of getting money. It is certainly our duty to do all in our power to[Pg 92] check this growing evil, and something may be done by spreading those tracts which place it in a true light. But I fear it will not be stopped till all the kingdoms of this earth become the kingdoms of our God."


From Nathaniel Gilbert, of Antigua

"October 29, 1768.

"I desire to embrace as my brethern all who love the Lord Jesus in sincerity. I cannot but think that all true Christians agree in fundamentals. Your tracts concerning slavery are very just, and it is a matter I have often thought of, even before I became acquainted with the truth: your arguments are forcible against purchasing slaves, or being any way concerned in that trade."


Philadelphia, Seventh Month, 16th, 1781.

"My Friend Abbé Raynal,

"From the idea which I conceived of the justice, and generosity of thy sentiments, I took the liberty of writing to thee about seven or eight months past under cover of my friend Benjamin Franklin, and likewise by J—— B——, who we are afraid was lost on his passage. Having received no answer by several vessels, nor knowing whether my letters reached thee, or whether thine miscarried, and a good opportunity offering by my friend Dr. Griffitts, I now seize it to send thee two copies of a small extract of origin and principles of my brethern the Quakers, whom I observe in such of thy writings as have come to our hands, thou didst not think unworthy of thy attention. I have nothing to add to what I have already wrote thee, but I shall repeat my wish of saluting thee affectionately on the principles of reason and humanity, which constitutes that grand circle of love and charity, unconfined by our parentage or country, but which affectionately embraces the whole creation, earnestly desiring to the utmost of my abilities to promote the happiness of all men, even of my enemies themselves, could I have any. I beseech God to give thee strength that thou mayest continue to hold up to mankind, thy brethren, principles tending to replenish their hearts with goodness, friendship and charity towards each other, that thus thou mayest, to the utmost of thy power, render men reasonable, useful, and consequently happy; and more especially that thou mayest combat that false principle of honour, or rather of intolerable pride and folly, which so strongly prevails in our nation, where the most indolent, and the[Pg 93] least useful, fancy themselves, and are reputed the most noble. Let us endeavour to make them sensible that men are noble, but in exact proportion with their being rational. The happiness which is to be found in virtue alone, is sought for by men through the titles acquired by their fathers for their activity in those wars which have desolated the world, or in the wealth accumulated by their ancestors; both means generally unjust and oppressive, and consequently rather sources of shame and humiliation. For as the Chinese philosopher well observes, 'there is scarcely one rich man out of an hundred, who was not himself an oppressor, or the son of an oppressor.'

"Let us display to princes and rulers of nations, the example of Numa Pompilius, who, by a conduct opposite to that of Romulus, his predecessor, and most of his successors, rendered the Romans, during his long reign, so respectable and happy. Above all, my dear friend, let us represent to our compatriots the abominable iniquity of the Guinea trade. Let us put to the blush the pretended disciples of the benign Saviour of the World, for the encouragement given to the unhappy Africans in invading the liberty of their own brethren. Let us rise, and rise with energy against the corruption introduced into the principles and manners of the masters and owners of slaves, by a conduct so contrary to humanity, reason, and religion. Let us be still more vehement in representing its baneful influence on the principles and manners of their wretched offspring, necessarily educated in idleness, pride, and all the vices to which human nature is liable.

"How desirable is it that Lewis the Sixteenth, whose virtues, and good disposition have been so nobly praised, would set an example to the other potentates of Europe, by forbidding his subjects to be concerned in a traffic so evil in itself, and so corrupting in its consequences; and that he would also issue out ordinances in favour of the negroes, who are now slaves in his dominions. Alas! should christianity, that law of love and charity, work its proper effect on the hearts of its pretended disciples, we should see numbers of christians traverse Africa, and both the Indies, not to pollute themselves with slavery and slaughter, nor to accumulate wealth, the supreme wish of the present nominal christians, but that divine love would impel them to visit remote regions in order to make the inhabitants acquainted with the corruption of the human heart, and invite them to seek for the influence of that grace proposed by the gospel, by which they may obtain salvation. I am under the necessity[Pg 94] of concluding hastily, requesting thou wouldst excuse faults, which time does not allow me to correct, and to write to me by various opportunities, the vessels bound to those parts often missing their destination.

"I am affectionately thy friend,

Anthony Benezet."

To this energetic and impassioned epistle, the abbé made the following answer.

Bruxelles, December 26, 1781.

"All your letters have miscarried; happily I received that of the sixteenth of July, 1781, with the pamphlets filled with light and sensibility, which accompany it. Never was any present more agreeable to me. My satisfaction was equal to the respect I have always had for the society of Quakers. May it please Heaven to cause all nations to adopt their principles; men would then be happy, and the globe not stained with blood. Let us join in our supplications to the supreme Being, that he may unite us in the bonds of a tender and unalterable charity.

"I am, &c.

"Raynal."


To Charlotte, Queen of Great Britain.

"Impressed with a sense of religious duty, and encouraged by the opinion generally entertained of thy benevolent disposition to succour the distressed, I take the liberty, very respectfully, to offer to thy perusal some tracts which I believe faithfully describe the suffering condition of many hundred thousands of our fellow creatures of the African race, great numbers of whom, rent from every tender connexion in life, are annually taken from their native land, to endure, in the American islands and plantations, a most rigorous and cruel slavery, whereby many, very many of them, are brought to a melancholy and untimely end. When it is considered, that the inhabitants of Britain, who are themselves so eminently blessed in the enjoyment of religious and civil liberty, have long been, and yet are, very deeply concerned in this flagrant violation of the common rights of mankind, and that even its national authority is exerted in support of the African slave trade, there is much reason to apprehend that this has been, and as long as the evil exists, will continue to be, an occasion of drawing down the Divine displeasure on the nation and its dependencies. May these considerations induce[Pg 95] thee to interpose thy kind endeavours on behalf of this greatly oppressed people, whose abject situation gives them an additional claim to the pity and assistance of the generous mind, inasmuch as they are altogether deprived of the means of soliciting effectual relief for themselves. That so thou may not only be a blessed instrument in the hand of Him 'by whom kings reign, and princes decree justice,' to avert the awful judgments by which the empire has already been so remarkably shaken, but that the blessings of thousands ready to perish may come upon thee, at a time when the superior advantages attendant on thy situation in this world, will no longer be of any avail to thy consolation and support. To the tracts on the subject to which I have thus ventured to crave thy particular attention, I have added some others, which at different times, I have believed it my duty to publish, and which I trust will afford thee some satisfaction; their design being for the furtherance of that universal peace, and good will amongst men, which the gospel was intended to introduce. I hope thou will kindly excuse the freedom used on this occasion, by an ancient man, whose mind for more than forty years past, has been much separated from the common course of the world, and long painfully exercised in the consideration of the miseries under which so large a part of mankind equally with us the objects of redeeming love, are suffering the most unjust and grievous oppression, and who sincerely desires the temporal, and eternal felicity of the queen and her royal consort.

"Anthony Benezet.

"Philadelphia, Eighth Month, 25th, 1783."


[Pg 96]

Reviews Of Books

The Life and Times of Booker T. Washington. By B. F. Riley, D.D., LL.D. Introduction by Edgar Y. Mullins, D.D., LL.D., President of the Southern Baptist Theological Seminary. Fleming H. Revell Company, New York, 1916. Pp. 301.

Booker T. Washington, Builder of a Civilization. By Emmett J. Scott and Lyman Beecher Stowe. Doubleday, Page & Company, 1916. Pp. 331.

Since the death of Dr. Booker T. Washington, the press has been loud in singing his praises and writers have hurriedly published sketches of his career. These first biographies unfortunately have been inadequate to furnish the public a proper review of the record of the distinguished man. In these two volumes before us, however, this requirement has certainly been met.

The first is a valuable work which must find its way into every up-to-date library in this country. It is an excellent estimate of the services of a distinguished Negro, written by a white man who is unselfishly laboring for the uplift of the black race. "Though of another race," says Dr. Riley, "the present biographer is not affected by the consciousness that he is writing of a Negro." Throughout this work the writer is true to this principle. He has endeavored to be absolutely frank in noting here and there the difficulties and handicaps by which white men of the South have endeavored to keep the Negro down. The aim of the author is so to direct attention to the needs of the Negro and so to show how this Negro demonstrated the capacity of the blacks that a larger number of white men may lend these struggling people a helping hand.

Primarily interested in the bearing of the educator's career on the conditions now obtaining in this country, the author has little to say about his private life, choosing rather to present him as a man of the world. Tracing his career, the author mentions his antecedent, his poverty, his training at Hampton, his first ventures and the establishment of Tuskegee. He then treats with more detail Dr. Washington's national prominence, widening influence, ability to organize, and increasing power. He carefully notes, too, the great educator's chief characteristics, his sane and balanced views, his belief in the cooperation of the two races, and his power to[Pg 97] interpret one race to the other. It is mainly this portion of the book that makes this biography a work of incalculable value in the study of the Negro during the last quarter of the century.

The other biography of Booker T. Washington is a somewhat more intensive study of his life than that of Dr. Riley. The authors are Mr. Washington's confidential associate and a trained and experienced writer, sympathetically interested in the Negro because of the career of his grandmother, Harriet Beecher Stowe, the author of "Uncle Tom's Cabin." It contains a fitting foreword by Major R. R. Moton, Dr. Washington's successor, and a forceful preface by Ex-President Theodore Roosevelt. The book is well written and well illustrated.

These authors were chosen by Mr. Washington himself with the hope that they would produce "a record of his struggles and achievements at once accurate and reliable." Coming from persons so closely associated with the distinguished educator, the reader naturally expects some such treatment as the "Life and Letters of Booker T. Washington." A work of such scope, however, the authors themselves maintain is yet to be written. Passing over his childhood, early training and education, which they consider adequately narrated in "Up From Slavery," the authors have directed their attention toward making an estimate of the services of the educator during the last fifteen years of his life. Written with this purpose in view the work serves as a complement of Dr. Riley's book which is more concerned with the earlier period.

Each chapter is complete in itself, setting forth a distinct achievement or the manifestation of some special ability. Here we get an excellent account of the making of Tuskegee, the leadership of its founder, his attitude on the rights of the Negro, how he met race prejudice, the way in which he taught Negroes to cooperate, how he encouraged the Negro in business, what he did for the Negro farmer, his method of raising large sums of money, his skill in managing a large institution, and finally an appropriate estimate of the man.


In Spite of Handicap. An Autobiography. By James D. Corrothers. With an Introduction by Ray Stannard Baker. George H. Doran Co., New York, 1916. Pp. 238.

This book is a study of Negro race prejudice, chiefly in the North. One can not read the life of this member of the Negro race without becoming much more vividly informed of the terrible power race prejudice plays in retarding the progress of undeniably[Pg 98] capable persons when they are known to have some Negro blood. It is a sadly true picture not only of the handicaps to Mr. Corrothers, but of practically all Negroes of talent who essay to come out of the caste to which barbaric prejudice assigns his group. For this reason we could substitute for this individual as subject of this story most of his race in the North.

The student of history will be more interested in his description of his boyhood home, a Negro settlement in Cass County, Michigan. This place was first an Under-Ground Railroad Station established in 1838 by some Southern Quakers whose conscience no longer allowed them to hold their black brethren in slavery. They brought their slaves into this far Northern region and soon protected other fugitive slaves from the South. It became such a place of security for these runaway slaves that in a few years they became sufficiently numerous to constitute a large settlement. In 1847 a number of slave owners raided the place in an effort to capture some of their Negroes. They had little success, however. Manumitted slaves, free persons of color, and fugitives continued to come and at the time of the outbreak of the Civil War the community had been well established. Since the Civil War many of the descendants of these pioneers have risen in various walks of life and have left an impress on the world. The author of this volume is a representative of this class.

The writer describes how that early in his career in this Cass County atmosphere he met with the awful handicap of race prejudice which forced upon him the conviction as to the difficulty of a colored man to rise. In running from the conditions in the South his people did not find a paradise in the North. Just as the author began by fighting his way among the white boys who objected to him because of his manifestation of superior talent for one of his color so he has had to struggle throughout life. He has, however, become a writer of some note, contributing verse and stories to such leading publications as the Century Magazine, Harper's, The Dial, The Crisis, The Southern Workman, The Boston Transcript, and The Chicago Tribune.

The author makes no pretence of writing a scientific historical or sociological treatise. He relates such anecdotes of his own life as will throw light on the influence of race prejudice in impeding the progress of capable Negroes. His style is easy and clear, at times beautiful. The book is well worth the reading of any person seriously interested in our race problems.

E. L. McLean.


[Pg 99]

The Administration of President Hayes. By John W. Burgess. Charles Scribner's Sons, New York, 1916. Pp. 154.

These lectures, the author says, give in bare outline a description of the administration of President Hayes. For various reasons his administration has not received extended treatment by the students of American History. Professor Burgess seeks to show that Hayes was one of the greatest executives in the history of our nation, and that wrongfully "the manner of his election has been used to depreciate his service." He says: "As time goes on, however, and as the partisan hatreds which are clustered around the election are lost from view, his work looms larger and ever larger."

At the present time when there is such uncertainty in the election of President and reference is made to that one of 1876, many are repeating the contention that a partisan vote of the Electoral Commission unconstitutionally made Hayes President. The author very clearly points out that no president was more entitled to his office on constitutional grounds than Rutherford B. Hayes. Contrary to the assertion that eight Republican members of the Electoral Commission voted on partisan grounds, Professor Burgess says that it was they who stood squarely on the constitution and the seven Democratic members of that commission voted purely on party lines. The Democrats had neither "a leg nor a peg to stand upon in any one of the cases" of Oregon, Louisiana, Florida or South Carolina. The Electoral Commission in each case went back of the returns and accepted those certified by the officials of the State, who had been in conformity with the Constitution of the United States duly qualified to make them.

These lectures review the important problems of Hayes's administration. Among these problems growing out of the Civil War was the increasing aggression of the legislative branch of the federal government. Beginning with the Reconstruction Period the government was more and more becoming a parliamentary one. Hayes was determined to reestablish it on its constitutional foundations. When he came into power the lower house was in control of the Democrats and it was they who were determined to usurp executive power. Riders were placed on appropriation bills and efforts were made to force the President to assent to laws which would eliminate the Federal Government from all interference with the affairs of the Southern States. Notwithstanding the fact that they forced an extra session of Congress when both branches were Democratic, Hayes stood firm and in a long fight curbed the[Pg 100] aggression of the legislative branch. Among other great achievements of his administration the author points out the reform of the currency, improvements in civil service, and the adoption of a wise policy in the treatment of the Indians.

The withdrawal of the troops from the defence of the Republican governments in the South, President Hayes thought was necessary that strife might cease and that those best fitted to rule should take charge of their home affairs. The author considers this to be one of the greatest acts of statesmanship that any president ever performed. The old charge that this was a result of a deal between Southern Democrats who were peacefully to permit Hayes to become President in return for relieving them of military rule, he terms an invention of the politicians and radical friends of the Negro. He maintains that before Hayes ever became a candidate for the presidency it was well known that he held such views favorable to the South.

The reader should bear in mind here that this theory of Mr. Burgess is in keeping with his radical position that the Negro being inferior and unfit for citizenship he should have been left at the mercy of the white man who wanted to enslave him. Here as in all of Mr. Burgess's Reconstruction discussions he sees only one side of the question. The white man should be supreme and the Negro should merely have freedom of body with no guarantee that even this would not be of doubtful tenure. Reconstruction studies will always be valueless as long as they are prosecuted by men of biased minds.

Orville Holliday.


American Patriots and Statesmen from Washington to Lincoln. By Albert Bushnell Hart. P. F. Collier & Son, New York, 1916. Five Volumes.

The editor deserves great credit for bringing together so much original material reflecting the thought of the men who made the nation. Every phase of American life and politics has been considered, giving both the scholar and the layman a ready reference and guide for a more intensive study of public opinion in this country than can be obtained from the ordinary treatises on history and government. The manner of selecting and arranging the materials exhibits evidence of breadth of view on the part of the compiler and places his long experience as a professor in the leading university of this country at the disposal of persons who have not labored in this field so long.[Pg 101]

Here we have the thoughts of almost every distinguished man who materially influenced the history of this country from the time of the discovery of America to the outbreak of the Civil War. The writer has drawn on the works of all classes, statesmen, sages, men of affairs, State officials, congressmen, senators, presidents, judges; ministers, doctors, lawyers, educators, novelists, essayists and travellers; poets and orators. Every section of the country, too, is represented in this collection and a few foreigners who have manifested peculiar interest in Americans have also been included. Some of these important subjects treated in these documents are such questions as "Expectations from the New World," "The First Immigrants," "Principles of Personal Liberty," "Extension of Colonial Freedom," "The American Revolution," "Independence of the United States," "Liberty in a Federal Constitution," "National Democracy," "The Frontier," "States Rights," "Slavery," "Nullification," and "The Popularization of Government." Important treatises having a special bearing on the Negro have not been omitted. Among these are Hinton Rowan Helpers' Appeal to the Non-slaveholding Whites, Benjamin Wade's Defiance of Secession, John Brown's Last Speech of a Convicted Abolitionist, William H. Seward's Irrepressible Conflict, Abraham Lincoln's A House Divided against itself cannot Stand, his Meaning of the Declaration of Independence, his Philosophy of Slavery, the Gettysburg Address, and the Emancipation Proclamation.

The collection as a whole makes a valuable reference work for the modern teacher who is trying to explain the past in terms of present achievements. These materials are so arranged as to show that what we now call new problems in American life are issues of old, that the questions now arising as to how to manage the army and navy, how to deal with our colonies, how to maintain our position as a world power, and how to promote national preparedness, have all been discussed pro and con by leading statesmen in the past. Libraries in need of source material lying in this field would make no mistake in purchasing this valuable collection.

A. H. Clemmons.

Footnotes:

[120] All of these letters are taken from Roberts Vaux's "Memoirs of the Life of Anthony Benezet," pp. 25-62.

[121] Written by Patrick Henry.


[Pg 102]

Notes

Harrison and Sons, London, have published an "Anthropological Report on Sierra Leone," by Northcote W. Thomas, in three parts. Part I covers the law and customs of the Tinne and other tribes. Part II consists of a "Tinne-English dictionary" and part III of a grammar and stories.

This firm has also brought out "Specimens of Languages from Sierra Leone" by the same author. This work contains tabular vocabularies with short stories and notes on Tones, illustrated with the Staff Notation.

Macmillan and Company have published the "My Yoruba Alphabet" by R. E. Bennett.

"Mâliki Law" by F. H. Buxton has appeared with the imprint of Luzac and Company. This is a summary from French Translations of the "Mukhtasar of Sîdî Khalîl" by Captain Buxton of the Political Department of Nigeria. It was published by order of Sir F. D. Sugard, Governor-General of Nigeria.

"Native Life in South Africa before and since the European War and the Boer Rebellion" by Sol. T. Plaatje has been published by P. S. King. This work is especially valuable for students of Negro History in that they may obtain from it the other side of the race problem in that country. The author is an educated native who has served the government as an interpreter, and now edits for a native syndicate Tsala ea Batho (The People's Friend). The purpose of the writer is to explain the grievances of the natives and especially that one resulting from the Land Act of 1913.

Allen and Unwin have published the third volume of "The History of South Africa from 1795 to 1872" by G. McCall Theal. The work is to be completed in five volumes.

Among Putnam's recent publications is F. W. Seward's "Reminiscences of a War Time Statesman and Diplomat," being his father William H. Seward.

The University of Chicago Press has published "Slavery in Germanic Society during the Middle Ages."[Pg 103]

C. R. Hall has published through the Princeton University Press his "Andrew Johnson: Military Governor of Tennessee."

Stokes has published J. A. B. Scherer's Cotton as a World Power.

Mr. Henry B. Rankin's "Personal Recollections of Abraham Lincoln" has come from the press of the Putnams. This book is interesting and valuable in that it is written by a man who studied law under Lincoln and Herndon.

The Chicago Historical Society has published a booklet entitled "The Convention that nominated Lincoln," giving its outward and local aspects.

In C. J. Heatwole's History of Education in Virginia, published by Macmillan, passing mention is given the effort to enlighten the Negroes in that State. The writer is mainly concerned with the efforts for the uplift of the Negro since emancipation. He seemed to be ignorant of the many efforts at education put forth by the Negroes with the help of their friends even before the Civil War.

E. S. Green's History of the University of South Carolina has been published by the State Publishing Company at Columbia. In treating the period during which the Negroes were in control of that institution the author is adversely critical of the freedmen in general, but mentions some colored graduates and pays a tribute to the high character of Richard Theodore Greener, who served there as instructor.

"The South To-day" by John M. Moore has been published by the Missionary Education Movement of the United States and Canada.

The Journal of Negro History has received a copy of Charles E. Benton's "Troutbeck: A Dutchess County Homestead," with an introduction by John Borroughs. Among the beautiful illustrations in this pamphlet is that of Webutuck River at Troutbeck during the performance of the "Hiawatha Pageant" at the fifth Amenia Field Day, August 15, 1914.

A. A. Schomburg's Bibliographical Checklist of American Negro Poetry has been published as one of a series of monographs edited by Charles F. Heartman of New York. It is a valuable work.[Pg 104]

The Argosy Company, Georgetown, British Guiana, has recently published a work entitled Black Talk. This book consists of notes on Negro dialect compiled by C. G. Cruickshank. It is an interesting and informing volume.


[Pg 105]

The Journal
of
Negro History

Vol. II—April, 1917—No. 2

I
The Evolution of the Slave Status in American Democracy

Slavery and freedom were constituent elements in American institutions from the very beginning. In the inherent antagonism of the two, DeTocqueville recognized the most serious menace to the permanence of the nation.[122] Slavery, which came in time to be known as the "peculiar institution" of the South, gradually shaped the social, moral, economic and political ideas of that section to fit its genius. The more democratic tendencies of the free industrial order of the North served by contrast to crystallize still more the group consciousness of the South. In this wise the erstwhile loyal South was slowly transformed into a section that was prepared to place local and sectional interests above national, and the result was secession. Just as it was not loyalty to inalienable human rights in the abstract that brought about the abolition of slavery in the North, but rather the gradual expansion of the idea of liberty through the free give and take of a vigorous democracy in which economic and social conditions militated against slavery, so it was not loyalty to States' rights in the abstract that brought about the Civil War but rather the alien group[Pg 106] consciousness of the slave States which was the outgrowth of totally different economic and social conditions. It is the object of this paper to trace the influence of these various factors upon the status of the slave.

Slavery of both Indians and Negroes and white servitude were well recognized forms of social status in all the colonies, and slavery was general down to the time of the American Revolution. As early as 1639 we hear of a Negro slave in Pennsylvania. In 1644 Negroes were in demand to work the lowlands of the Delaware. In 1685 William Penn directed his steward at Pennsbury to secure blacks for work "since they might be held for life," which was not true of indentured servants.[123] Negro slaves were sold in Maryland in 1642.[124] Negroes are referred to in the Connecticut records as early as 1660.[125] An "act against trading with negro slaves" was passed in Elizabeth-Town, New Jersey, in 1682.[126] An entry in Winthrop's Journal, February 26, 1638, states that a "Mr. Peirce, in the Salem ship, the Desire, returned from the West Indies after seven months. He had been to Providence, and brought some cotton, and tobacco, and Negroes, etc."[127] The twenty Negroes sold to the colonists at Jamestown, 1619, were the first landed on the soil of Virginia and possibly the first brought to the American colonies.[128]

There is evidence to show that the status of the Negro was at first very closely affiliated with that of the white servant with whom the colonists were thoroughly familiar and who stood half way between freedom and complete subjection. It is probable, therefore, that both Indian and Negro servitude preceded Indian and Negro slavery in all the colonies,[129] though the transition to slavery as the normal status of the Negro was very speedily made. The first and[Pg 107] essential feature in this transition was the lengthening of the period of servitude from a limited time to the natural life. The slave differed from the servant then not so much in the loss of liberty, civil and political, as in the perpetual nature of that loss.[130]

There were several factors operating in the case of the Negro to fix the status of the slave as his normal condition, the earliest and one of the strongest of which was economic in character. Certainly the influences which brought Negro slavery to the West-Indies and later to the British colonies to the north were primarily economic. As a result of her great commercial expansion in the first half of the fifteenth century Spain had established a thriving slave trade with the west coast of Africa. When it was discovered that the natives of the West Indies, who had been enslaved to meet the labor demands of the new world, were unable to do the work Spain began to import Negro slave labor at the suggestion of Bishop Las Casas, thus turning the stream of slave trade westward about the beginning of the sixteenth century. By way of the English island colonies, the Bermudas and Barbados, the slave trade extended northward to the American colonies, the first slaves being brought from the West Indies to Virginia in 1619, so that by the end of the seventeenth century the traffic had reached proportions that frightened the colonists into taking measures for its restriction.[131]

The fact that Negro slavery reached American soil by way of the West Indies is not without significance as throwing light upon the status of the slave especially in the southern colonies such as the Carolinas and Georgia. The first Negro slaves imported into South Carolina came from Barbados in 1671 and there is reason for thinking that the Barbadian slave code and customs were imported with the slaves, for the act passed in Barbados in 1668 declaring Negro slaves to be real estate was copied very closely in the[Pg 108] South Carolina act of 1690.[132] The stringency of the Barbadian slave code and the resulting barbarous treatment of the slaves have made the little island famous in history. "For a hundred years," says Johnston, "slaves in Barbados were mutilated, tortured, gibbeted alive and left to starve to death, burnt alive, flung into coppers of boiling sugar, whipped to death, overworked, underfed, obliged from sheer lack of any clothing to expose their nudity to the jeers of the 'poor' whites."[133] And yet the owners of these slaves were English, of the same stock under which developed the mild patriarchal type of slavery of Virginia. The difference in the status of the slave in Virginia and in the northern colonies as opposed to the colonies farther south, where in some places the Barbadian conditions were at least approximated, is to be explained in terms of the different social and economic conditions rather than the character of the slave-owners. The West Indian type of slavery was not conducive to the more intimate and sympathetic relations which arose between slave and master in the colonies to the north where a fairly complete integration of the Negro in the social consciousness of the white took place.

It is easy to distinguish factors in the economic conditions in the northern and southern colonies which brought about these differences in the status of the slave in the two sections. In the trading colonies of New England and in the farming colonies of the Middle States the occupations in which slave labor could be profitably made use of were limited in number. The climate was too cool, especially for freshly imported slaves. Slave labor was ill adapted to the kind of crops the soil demanded. The status of the slave from the very nature of the case approximated that of the servant. The slaves became for the most part servants, the time of whose service was perpetual. The slaves of Pennsylvania, for this reason, were treated much more kindly than the Negroes in the West Indies. Their lot was doubtless[Pg 109] far happier than that of the slaves in the lower South.[134]

The conditions in the planting colonies from Virginia southward were different. Here was an unlimited supply of fertile lands which lent themselves readily to the unskillful and exhausting methods of slave labor. Here too was a warm climate congenial to the Negro, though enervating and often unhealthful for the white. The staples, such as the sugar cane, rice and later the cotton plant, were such as the unscientific slave labor might easily cultivate. All the conditions of profitable slave labor were present, namely, possibilities for concentration of labor, its absolute control and direction and exploitation.

The status of the Negro in the planting colonies was the outcome of these economic conditions. He was deprived of the stimulating effect of personal intercourse with the white, enjoyed by the slave at the north. His status was fixed by a certain position in an industrial system, the tendency of which was to attach him more and more to the soil and, especially on the larger plantation, to make of him a "living tool." He became, as time went on, the economic unit. Even free labor, in so far as it survived slave labor, was forced to take its measure of values from the slave. There were of course gradations in status even among the slaves in the lower South so that the same system could include the conditions described in Fanny Kemble's Journal of a Residence on a Georgian Plantation as well as those portrayed in Smedes' Memorials of a Southern Planter. If we take the whole sweep of country from New England to the far South, the differences in the status of the slave varied still more, including the exceedingly mild form of slavery in Pennsylvania where the slave was not essentially different from the indentured servant, the patriarchal slavery of Virginia, as well as the capitalistic exploitation of slave labor in the great rice plantations of South Carolina and Georgia and the cotton and cane plantations of Mississippi and Louisiana. Here, in some cases at least, the West Indian conditions were approximated. In the lower South particularly[Pg 110] were found those conditions which as we shall see later tended to fix the slave status as an integral part of southern life so that in time it came to be spoken of as the South's "peculiar institution."

Strange as it may seem, religion also played a large part in the determination of the status of the slave in early colonial days. Just as it was the zeal of the early Church which had much to do with the eradication of the slavery of antiquity, so it was also the zeal and bigotry of churchmen that had much to do with the reinstatement of slavery of a type worse in some respects than that of antiquity. Speaking of the custom of the Spaniards of enslaving the Moors that fell into their hands through conquest, Prescott says: "It was the received opinion among good Catholics of that period, that heathen and barbarous nations were placed by the circumstances of their infidelity without the pale both of spiritual and civil rights."[135] The expansion that took place as a result of the discovery of the new world brought Europeans into contact with heathen who according to the prevailing opinions were without the pale of Christianity and, therefore, possessed of no rights that Christians need observe. It is not surprising then that Columbus brought back Indian slaves with him, though Isabella ordered returned those "who had not been taken in just war."

The Puritan settlers of New England were not one whit behind the Spanish in making use of the same religious grounds for the enslaving of the Indians conquered in war. Roger Williams in a letter to John Winthrop in 1637 writes as follows of a successful expedition against the Pequots: "It having again pleased the Most High to put into our hands another miserable drove of Adam's degenerate seed, and our brethren by nature, I am bold (if I may not offend in it) to request the keeping and bringing up of one of the children." The following extract from a letter to Winthrop in 1645 is a curious mixture of religious bigotry and Yankee shrewdness: "A war with the Narragansetts is very considerable to this plantation, for I doubt whether it be not sin[Pg 111] in us, having power in our hands, to suffer them to maintain the worship of the devil, which their pow wows often do; secondly, if upon a just war the Lord should deliver them into our hands, we might easily have men, women and children enough to exchange for Moors (Negroes?) which will be more gainful pillage for us than we conceive, for I do not see how we can thrive until we get into a flock of slaves sufficient to do all our business, for our children's children will hardly see this great continent filled with people, so that our servants will still desire freedom to plant for themselves and not stay but for very great wages. And I suppose you know very well how we shall maintain twenty Moors cheaper than one English servant."[136] Few passages better illustrate how religious ideas and economic needs conspired to bring about the enslavement of both Indian and Negro at this early period.

Race also played its part in determining the slave status. There was present more or less from the very beginning of slavery in States like Virginia the tendency to limit such servitude to the Negro race. At first, when both Indian and Negro slaves were found together, there was no a priori ground for discriminating against the Negro in favor of the Indian and designating the status of the slave as the normal status of the Negro. The probable reason is that racial characteristics of the Indian made him a bad subject for slavery. The Massachusetts colonists found the Pequot Indians surly, revengeful and in the words of Cotton Mather unable to "endure the Yoke."[137] The Negro, on the contrary, proved himself much more tractable and therefore more profitable as a slave. These plastic race traits, in fact, have enabled the Negro to survive while the less adaptive Indian has disappeared. Thus the bonds of a servile status hardened from decade to decade about the Negro, being determined partly by economic needs, partly by religious prejudices and partly by the Negro's own peculiar racial traits.

Legislation, which always follows in the wake of status[Pg 112] and normally gives expression to it, corroborates what has just been stated. Virginia in the act of 1670 first fixed the legal status of the slave and so worded the act as virtually to protect the Indian from enslavement. By an act of 1705 she made Indian enslavement illegal, thus practically limiting slavery to the Negro. Hence at the time when Virginia drew up her famous Declaration of Rights, in which she affirmed the natural equality and inalienable rights of all men, the prevailing sentiment of the community undoubtedly was that the normal status of the Negro was that of the slave, which status placed him entirely without the scope of these lofty declarations. The protests of such men as George Wythe and Thomas Jefferson were contrary to the drift of the social mind.[138] The last stage in this process of determining status on the basis of race is to be found in the various slave codes that grew up in the Southern States. They were supposed to be done away with forever by the war amendments and Sumner's famous Bill of Rights but the problem is one far too subtle and intricate for regulation by statute, as the Supreme Court has discovered. Status based upon color still exists both North and South though without legal sanction.[139]

The noble conceptions of freedom and equality which were embodied in the bills of rights and the Declaration of Independence were destined in time to triumph over slavery, though not without bloodshed. It is interesting to trace their influence on the status of the slave. The doctrine of human rights found in the Declaration of Independence and in the bills of rights of the State constitutions, despite its metaphysical cast, is not derived from the political philosophy of the French; the key of the demolished Bastile sent by Lafayette to Washington by the hand of Thomas Paine symbolized rather the debt owed to America by France.[Pg 113][140] The Declaration itself perhaps shows closer affiliations with John Locke's Treatise on Civil Government, which may be taken as a statement of the principles contended for in the Puritan Revolution of 1688. But even Locke's ideas of civil and religious liberty were not original with him. They were in reality the result of applying to the sphere of politics the logical implications of doctrines preached by the Protestant reformers of a century or two earlier in their revolt against the authority of tradition. To be sure the masses of men were ignorant of the theological distinctions drawn by Luther and Knox between the democracy of sin under the first Adam and the democracy of grace under the second Adam or Christ. The levelling effect of these ideas, however, was unmistakably felt as in the doggerel of John Ball, the mad Wycliffite priest of Kent,

"When Adam dalf and Eve span,
Who was then the gentleman?"

In the next century under the pressure of their struggle against injustice masquerading behind charters and parliaments, the Puritans under the leadership of John Locke made their appeal to natural rights just as the reformers before them had made their appeal to the higher rights and duties that hold in a spiritual kingdom of grace. The appeal, originally religious in origin, now appears stripped of its theological setting and hence with a certain "metaphysical nakedness" which only the enthusiasm and sense of need arising from the necessities of their situation prevented its champions from perceiving. Locke and Blackstone, while insisting upon the absolute and inalienable rights of the individual, never broke with the feeling for precedent inherent in the Englishman. The natural rights they preached were only conceived as having validity within the sphere of the British subject and not for humanity in general.[141]

In very much the same way the colonists, in the struggles against royal oppression, felt the need for a higher and[Pg 114] more comprehensive sanction for their conduct and following the precedent set them by the Puritans of the seventeenth century, they fell back upon the notion of inalienable rights possessed by each individual independent of society. Here, too, the inspiration and original setting of these ideas were strongly religious. Religious toleration had gained constitutional recognition in almost all the colonies so that the political movement out of which American freedom was born had the powerful support of religious sanction. To this fact must be attributed in part at least the tone of finality and absoluteness in the American declarations of rights. Out of this universal recognition of liberty of conscience arose the notion of a right of a higher sort not inherited but inherent and inalienable because rooted in man's religious nature—"a God-given franchise."

This sense of the inherent and inalienable nature of the rights of conscience was, under the stress of the immediate political exigencies of the struggle with England, very easily and naturally extended from the sphere of religion to that of civil and political rights. It provided the sanction for the break with the mother-country that was contemplated. Virginia's declaration of rights was intended to be law, for the preamble states that these rights "do pertain to them (the people of Virginia) and their posterity as the basis and foundation of government." And what are these rights? They are first of all, "That all men are by nature equally free and independent, and have certain inherent rights, of which, when they enter into a state of society, they can not by any compact deprive or divest their posterity, etc."[142] Thus, from the logic of events and not as a result of a philosophical speculation, the Revolutionary fathers were forced to take advanced ground in their definition of human rights. Leaving the fixed social order of the old country for the wilderness, where the only society was that of the savage, they naturally looked upon government as arising out of a compact behind which lay the sovereign autonomy of the individual by virtue of inalienable[Pg 115] rights given him by God. What more natural in their revolt from the old country than to make this doctrine the political and moral sanction of their course?

The rich emotional life aroused by the war for national independence as well as the struggle of over half a century later for the emancipation of the slave have given to these ideas of inalienable human rights a hold upon the conscience of the nation altogether incommensurate with their actual validity. It would be a thankless task and yet an altogether feasible one to show that the Revolutionary fathers did not break with English traditions in their declarations of rights. They simply stripped these principles of their original religious and political setting and persuaded themselves that through a fresh and rigorous restatement of them they had established their finality and originality. A stream is not changed by altering the name it bears at its fountain head. The very enthusiasm and loyalty of the men of '76 for what has been called "metaphysical jargon" leads one to suspect that the ultimate basis of these ideas lay in the social consciousness of the people. The democratic ideals they expressed in institutional forms—social, political or religious—belonged, of course, to the social heritage they brought with them from the old country. They did not, therefore, discover these "lost title deeds of the human race." It would be much nearer the truth to say they merely stated them clearly because by virtue of previous training and a new environment they had succeeded best in realizing those conditions, social and political, which alone make their clear statement possible. The measure of success and validity of any social doctrine, no matter how abstract, is to be found in its harmony with the background from which it springs and in the extent to which it actually succeeds in effecting needed social adjustments. It was perfectly natural that our forefathers should wish to proclaim as a new and unalterable truth, the everlasting possession of themselves and of all free people, what they already enjoyed. This did not alter the fact that the only guarantee for the perpetuity of these rights was the vigorous[Pg 116] democracy of which they were the expression. "The Americans," writes Jellinek, "could calmly precede their plan of government with a bill of rights, because that government and the controlling laws had already long existed."[143]

As these great notions of human rights first took hold of the Anglo Saxon through religion, so it was through religion also that the ideals of freedom and equality first affected the status of the slave. We have already seen what was the prevailing doctrine of Christendom at the time of the discovery of the new world. It was that infidels and heathen were without the Christian fold and so did not come under those sanctions of conduct that prevailed in the dealings of Christians with each other. The colonists, therefore, assumed "a right to treat the Indians on the footing of Canaanites or Amalekites" with no rights a Christian need regard.[144] The same was held true of the Negroes. In time, however, petitions began to be received from slaves desiring to be admitted to baptism and this raised the question concerning the status of the slave after conversion to Christianity.[145] The dilemma faced by the slave-owner with religious scruples was as follows: To confer baptism would be in accordance with the contention of pious churchmen that slavery was but a means to bring about the salvation of the heathen.[146] On the other hand, to admit to baptism would, according to the doctrines of the Reformation, destroy the slave status entirely. By virtue of having entered the democracy of grace represented by the Church of Christ, the distinction of bond and free disappeared. To keep out the slave would be to hamper the spread of Christianity; to admit him would be to eliminate slavery.[Pg 117]

This problem, however, seems never to have troubled the Puritan's conscience greatly.[147] From his stern, high Calvinistic point of view he was the elect of the earth, to whom the Almighty had given the heathen for an inheritance, and in this he found a satisfactory justification for his harsh and high-handed dealings with weaker races such as the Indian and the Negro. Yet the germ of freedom contained in the limited democracy of the elect of Calvinism was bound in time to break the hard theological moulds in which it was originally cast. It did this subsequently under the stress of external events in the effort to throw off the shackles of British oppression. Nowhere did the essential injustice of slavery become more evident to the minds of men than in the healthful humanizing and socializing atmosphere of the progressive industrial democracy of New England.

In the southern colonies especially, the question about the status of the converted slave threatened to interfere with the slave-traffic so that several of them passed acts to relieve the consciences of its citizens. That of Virginia in 1667 is typical. It was enacted that "Baptism doth not alter the condition of the person as to his bondage or freedom; in order that diverse masters freed from this doubt may more carefully endeavor the propagation of Christianity."[148] This act is interesting as showing the appearance even at this early period of the ethical dualism between free spiritual personality and the physical disabilities of slavery. This in time became classic with pro-slavery writers and perhaps received its strongest statement in a book that appeared even after emancipation.[149]

In the constitution of the province of Carolina, drawn up by John Locke in 1669, we have another interesting instance of the way in which the traditions of freedom associated with religion conflicted with slavery. The author of the famous Treatise on Government, which was in part the inspiration of our Declaration of Independence, did not feel that slavery was in any way incompatible[Pg 118] with the doctrine of freedom. Locke's constitution takes it for granted that slaves would form part of the population of the province, though the constitution was drawn up possibly two years before the first slave was brought to the colony.[150] Locke insists upon entire religious freedom. "No person whatsoever shall disturb, molest, or persecute another for his speculative opinions in religion or his way of worship." But he stipulates that this spiritual freedom shall in no way affect the status of the slave. "Since charity obliges us to wish well to the souls of all men, and religion ought to alter nothing in any man's civil estate or right, it shall be lawful for slaves, as well as others, to enter themselves, and be of what church or profession any of them shall think best and, therefore, be as fully members as any freeman. But no slave shall hereby be exempted from that civil dominion his master hath over him, but be in all things in the same state and condition he was in before." And again, even more explicitly in section 110: "Every freeman of Carolina shall have absolute power and authority over his negro slaves, of what opinion or religion soever." These sections were evidently intended to meet any scruples that might arise as to the effect of conversion upon the slave's status. The culmination of this discussion was an opinion of the Crown-Attorney and Solicitor-General of England, given in 1729 in response to an appeal from the colonists, to the effect that baptism in no way changed the status of the slave.[151] The trade of British merchantmen was being endangered and it was important to remove the scruples of the religious slaveholder.

In this feeling of Christian sympathy and fellowship for the slave who professed Christianity undoubtedly lay potentialities for the betterment of his conditions. Had there been favorable economic and political forces working to bring these notions of equality more and more to the consciousness[Pg 119] of men, just as the storm and stress of political struggle forced them to espouse the doctrines of inalienable human rights, doubtless freedom would have come to the slave with the growing sense of the wider implications of democracy. Certainly had there prevailed in the South economic and social forces similar to those in the North, the emancipation of the Negro would have taken place naturally and normally in both sections. That Locke and his contemporaries felt no incongruity between their ideas of liberty and the existence of slavery must be attributed to the fact that the full social implications of their doctrines had not yet been brought home to them by industrial development. They accepted the status of the slave as a matter of course in the existing agricultural order.

It is easy to see in Virginia, the chief slave-holding State of the earlier period, how economic interests in time narrowed the sphere of action and finally counteracted entirely the tendency of religion to extend to the slave the ideal of freedom. In the act of 1670, the first which dealt with slaves in Virginia, the enfranchising effect of conversion was limited to servants imported from Christian lands; thus were excluded at once the great majority of Negroes who came, of course, from Africa. The few Negroes brought in from Christian lands, such as England and the West Indies, were assigned by the act to the status of servants from which many attained freedom. It was inevitable that, in Virginia and the southern colonies especially, the religious notion that profession of Christianity made a difference in status should disappear before the more practical principle of race and color. By the time of the Revolution the matter of religion had practically disappeared as a factor in the status of the slave,[152] except in so far as it continued in the form of the vicious ethical dualism which asserted that the slave could enjoy equality and freedom in the spiritual sphere while enduring physical bondage. This provided an effective salve for many a pious slaveholder's conscience.

At the time of the American Revolution before the real[Pg 120] problem of slavery was felt, except in the minds of a few prophetic spirits such as Jefferson, we can still detect two clearly marked tendencies. At the South economic forces were combining with the social and racial conditions to fix the status of slave as the normal condition of the Negro, a most portentous fact for the future of that section. At the North economic and social conditions were pointing already towards a gradual emancipation of the slave in a democratic order that was becoming more and more conscious of the full significance of the ideas of freedom and equality.

What was the effect upon the status of the slave North and South of the struggle for independence and the adoption of a declaration to the effect that all men are free and equal and possessed of certain inalienable rights?[153] In Pennsylvania from the very beginning of the war of independence interest in the manumission of slaves increased until it finally culminated in the act of 1780, an "Act for the Gradual Abolition of Slavery," by adopting which Pennsylvania became the first State to pass an abolition law.[154] The preamble of this act asserts it to be the duty of Pennsylvanians to give substantial proof of their gratitude for deliverance from the oppression of Great Britain "by extending freedom to those of a different color but the work of the same Almighty hand." Previous to 1776 discussion had been going on also in Massachusetts looking to the abolition of slavery and in 1777 there was introduced an act with the preamble declaring that "the practice of holding Africans and the children born of them, or any other persons in slavery, is unjustifiable in a civil government, at a time when they are asserting their natural freedom."[155] This act never became law and it is an interesting commentary upon conditions in the North, and especially in New England, that in Massachusetts slavery was not abolished by legislation but by the slow working of public sentiment.[Pg 121] The assembly of Rhode Island, likewise, prefaced an act against the importation of slaves in 1774 by asserting that those who were struggling for the preservation of their rights and liberties, among which that of personal freedom is greatest, must be willing to extend a like liberty to others.[156] Similar agitation and legislation were going on in almost all the Northern and Middle States under the stimulus of the spirit of freedom of the time.[157]

It is easy to note a change in the mental atmosphere as we pass to the States farther south. The Assembly of Delaware tabled indefinitely a bill of 1785 for the gradual abolition of slavery, and Maryland in her declaration of rights adopted in 1776 restricted the enjoyment of certain rights to freemen only. A petition introduced in the House of Burgesses of Virginia in 1785, asking for general emancipation on the ground that slavery was contrary to the principles of religion and the ideas of freedom on which the government was founded, was read and rejected without an opposing voice; Washington remarked in a letter to Lafayette that it could hardly get a hearing.[158] In fact, there is evidence for believing that, while leading men such as Jefferson, Madison, Washington, Mason and Pinkney saw the evil of slavery and wished heartily to rid their States of it, the mass of the citizens of Maryland and Virginia did not wish to do away with the institution either because of social habits and economic interests, or because they felt unable to cope with the problem of an emancipated black population. It must be remembered that in Maryland there were three slaves to five whites, in Virginia and Georgia the numbers were about equal, in South Carolina there were two slaves to one white, while in Massachusetts there were sixty whites to one slave.[159] In the States farther south, the Carolinas and Georgia, no change or attempted change in the status of the slave seems to have occurred. The force[Pg 122] of social and economic habits was already too strong for the movings of the spirit of freedom to affect the status of the slave.

The leaders of the time realized this only too well. Patrick Henry, writing to a Quaker in 1773, said that slavery was "as repugnant to humanity as it is inconsistent with the Bible and destructive of liberty. Every thinking honest man rejects it as speculation, but how few in practice from conscientious motives! Would any one believe that I am a master of slaves of my own purchase? I am drawn along by the general inconvenience of living without them."[160] Jefferson in a letter written in 1815 expressed the hope that slavery would in time yield "to the enlargement of the human mind, and its advancement in science," but he confessed also that "where the disease is most deeply seated, there it will be slowest in eradication. In the Northern States it was merely superficial and easily corrected; in the Southern, it is incorporated with the whole system, and requires time, patience and perseverance in the curative process. That it may finally be effected and its progress hastened, will be my last and fondest prayer."[161]

Little light is gained as to the position occupied by the slave in the social mind from the discussions and debates of the constitutional convention of 1787, although slavery is tacitly recognized in the clauses on representation and taxation, the extension of the slave-trade, and the regulation of fugitive slaves. In connection with the basis of representation and taxation the question arose whether the slave was a person or a chattel, but it was debated not with the view of bringing out what the consensus of opinion of the nation at large was but rather with a view to the political exigencies of the situation. The individual States had never been inclined nor did they now propose to surrender to the Union the right to determine the status of persons within their limits so that the debates were begun with the general concession of the fact that slavery existed in some[Pg 123] of the States, that it would in all probability continue to exist, and that the future of the institution was primarily a problem that belonged to the individual States where it was found.

The problem facing the members of the convention was, therefore, to provide a system of representation that would ensure political equality to all sections and at the same time safeguard the peculiar conditions and social and economic institutions of each State. To base representation entirely upon the number of the free population would give an undue preponderance to the free States, while to base it upon all, both slave and free, would give an undue advantage to the five slave States. Hence the rather queer compromise that representation "shall be determined by adding to the whole number of free persons, including those bound to service for a term of years, and excluding Indians not taxed, three fifths of all other persons"—"all other persons" being a euphemism for "slaves," a term which does not occur in the document. By this measure the slave was made to be only three fifths of a full social unit, or three fifths of a man. This would seem to imply that in the social consciousness of the nation at large the slave was part chattel and part person and this doubtless was the fact. Certainly this is not the last instance where a tendency has manifested itself to assign to the Negro a sort of intermediary status between a chattel and a full social unit. The question came up in 1829 in the Virginia constitutional convention in the struggle between the slaveholding eastern and the free western section of that State.[162] Doubtless one reason for the refusal of Congress to reduce the representation of the Southern States, after the legislation of a few years ago, that practically disfranchised the Negro in the far South, has been an unwillingness thus to lend national sanction to the inferior political as well as social status to which this legislation has at least for the time being reduced the Negro.

The clause in the constitution which subjected its framers to the bitterest criticism at the hands of anti-slavery agitators[Pg 124] is that which requires that a "person held to service"—the term "slave" is here avoided also—in one State and escaping to another shall be delivered up on claim of the party to whom the service is due. In view of the interests to be reconciled this clause was undoubtedly necessary to union.[163] If the free States were to become a place of refuge for escaping slaves it meant disaster for the States in which the institution of slavery existed and they insisted upon this as a self-protective measure. The constitution recognized the right of each State to preserve the integrity of its own domestic institutions. "It can never too often be called to mind," says Rhodes, "that the political parties of the Northern States and their senators and representatives in Congress, scrupulously respected the constitutional protection given to the peculiar institution of the South, until, by her own act, secession dissolved the bonds of union."[164] The tragedy of the situation lay in the fact that the political necessities of the time made unavoidable this strange union between freedom and slavery, the fundamental incompatibility of which the expanding national life was bound to make clear to the minds of men.

Looking back on this momentous period we are struck with what Lecky calls "the grotesque absurdity of slaveowners signing a Declaration of Independence which asserted the inalienable right of every man to liberty and equality."[165] That the contradiction existed, that it was felt by men like Jefferson, and that it was destined to become more prominent in the mind of the nation as the implications and applications of the great ideas of freedom and equality were enriched and enlarged in the expanding life of a virile democracy, can not be denied. But it may be remarked in the defense of our Revolutionary fathers that they were facing the practical problem of effecting national unity and that "it is a tendency of the Anglo-Saxon race to take the expedient in politics when the absolute right can[Pg 125] not be had."[166] They compromised on slavery and on the whole wisely. Moreover, the history of the development of great moral and political concepts indicates that men often formulate principles the logical implications of which are not grasped until new problems and the demand for new social adjustments emerge. The great moral categories of courage, temperance and justice first received scientific formulation at the hands of the Greeks; the ever swelling stream of human civilization has vastly enriched and enlarged these conceptions but without altering their essential meaning. When the idea of liberty which in 1776 included only one class, namely, those who owned the property and administered the government of the nation, was expanded so as to include every member of the social order, at that moment slavery was doomed.

John M. Mecklin

Professor in the University of Pittsburgh

Footnotes:

[122] "Democracy in America," Vol. I, pp. 30, 361 ff, 369, 370, Colonial Press edition.

[123] Turner, "The Negro in Pennsylvania," pp. 1 and 19.

[124] Bracket, "The Negro in Maryland," p. 26.

[125] Steiner, "History of Slavery in Connecticut," p. 12.

[126] Cooley, "A Study of Slavery in New Jersey," p. 12.

[127] Moore, "Notes on the History of Slavery in Mass.," p. 5.

[128] Ballagh, "A History of Slavery in Virginia," p. 8.

[129] Ibid., p. 30.

[130] Ballagh, op. cit., p. 28.

[131] Ibid., p. 11.

[132] McCrady, "Slavery in the Province of South Carolina, 1670-1770," pp. 631 ff of the Report of the American Historical Association for 1895.

[133] Sir H.H. Johnston, "The Negro in the New World," pp. 217, 218.

[134] Turner, op. cit., p. 40; see also DuBois, "The Suppression of the African Slave Trade," Chs. III and IV.

[135] "Ferdinand and Isabella," Part II, Ch. 8.

[136] Moore, "History of Slavery in Massachusetts," pp. 2, 10.

[137] Brackett, op. cit., p. 20; Ballagh, op. cit., p. 36.

[138] Ballagh, op. cit., pp. 47 ff.

[139] Stephenson, "Race Distinction in American Law"; R. S. Baker, "Following the Color Line."

[140] Ritchie, "Natural Rights," p. 3; see also in this connection Jellinek, "The Declaration of the Rights of Man and of Citizens," and Scherger, "The Evolution of Modern Liberty."

[141] Jellinek, "The Declaration of the Rights of Man and of Citizen," p. 56.

[142] Jellinek, op. cit., p. 84.

[143] Jellinek, op. cit., pp. 88, 89.

[144] Moore, op. cit., pp. 2, 30.

[145] Ibid., p. 58.

[146] Cotton Mather, who sanctioned slavery, evidently had this in mind as the following observations show: "We know not when or how these Indians first became inhabitants of this mighty continent, yet we may guess that probably the devil decoyed these miserable savages hither, in hopes that the gospel of the Lord Jesus Christ would never come here to destroy or disturb his absolute empire over them." (Quoted by Moore, op. cit., p. 31.)

[147] Moore, op. cit., pp. 58, 71.

[148] Ballagh, op. cit., pp. 46, 47.

[149] Dabney, Defence of Virginia, pp. 158 ff.

[150] McCrady, op. cit., p. 644; for the text of the constitution see Perley Poore, "The Federal and State Constitutions, Colonial Charters and other Organic Laws of the United States," Part II, pp. 1397 ff.

[151] Brackett, op. cit., p. 30.

[152] Ballagh, op. cit., pp. 46 ff.

[153] Brackett, "The Status of the Slave, 1775-1789," pp. 263 ff. of "Essays in the Constitutional History of the United States," edited by Jameson, 1889.

[154] Turner, op. cit., p. 79.

[155] Moore, op. cit., p. 182.

[156] Johnston, op. cit., p. 22.

[157] Brackett, "The Status of the Slave, etc.," pp. 296 ff.

[158] Ibid., p. 305.

[159] Ibid., p. 265.

[160] Quoted by Merriam, "The Negro and the Nation," p. 19.

[161] Wks., VI, 456; IX, 515, Ford Ed.

[162] Greeley, "The American Conflict," I, p. 109 ff.

[163] Curtis, "Constitutional History of the United States," I, p. 606.

[164] History of the United States, I, p. 24.

[165] Lecky, "A History of England in the Eighteenth Century," VI, p. 282.

[166] Rhodes, "History of the United States," I, p. 18.


[Pg 126]

John Woolman's Efforts in Behalf of Freedom

Pioneers of epoch-making reforms are seldom accorded the reward they merit. Later apostles usually obscure the greatness of their predecessors, and posterity is prone to overlook the pristine achievements of those who first had the vision. Such is the case of John Woolman, a poor, untutored shopkeeper of New Jersey. He was among the foremost to visualize the wrongs of human slavery, but his real significance as an abolitionist has been greatly dimmed by the subsequent deeds of such apostles as Garrison, Phillips, and Lincoln.

John Woolman's career as an apostle of freedom dates from his first appearance in the ministry of the Society of Friends, an organization commonly known as the Quakers, founded by George Fox in England during the middle of the seventeenth century. Shortly after the organization of this society, many of the members migrated to New England and the Middle Atlantic Colonies. Others were exiled by Charles II to the West Indies.[167] Paradoxical as it may seem, these earliest Friends, though distinguishing themselves from other Christian sects by their special stress on immediate teaching and guidance of the Holy Spirit, had no scruples against keeping slaves. As a matter of fact, there was a prevalent conviction that Christianity indorsed slavery.[168]

This anomalous indifference to the enslaved Negro's condition remained almost constant until 1742. A few sporadic attempts, to be sure, were made to discountenance[Pg 127] slavery, but popular opinion, incited by greed, favored the institution. In 1671, for example, George Fox, during his visit to Barbadoes, admonished slaveholders to train their slaves in the fear of God; and further admonished the overseers "to deal gently and mildly with their Negroes, and not use cruelty towards them as the manner of some hath been and is, and after certain years of servitude make them free."[169] Four years later, William Edmundson complained against the unjust treatment of slaves, but was brought, for his pains, before the Governor, on the charge of "endeavoring to excite an insurrection among the blacks."[170] In 1688 the German Quakers of Germantown, Pennsylvania, sent to the Yearly Meeting for the Pennsylvania and New Jersey Colonies a protest against "the buying and keeping of Negroes."[171] The matter was taken under advisement, but not until eight years later did the Yearly Meeting advise against "bringing in any more Negroes." The Chester Quarterly Meeting, however, insisted upon the adoption of definite measures against slave traffic, but the Society never manifested any enthusiasm for such legislation. The Friends were themselves slaveholders, and slaveholders were rapidly increasing their wealth and power through slavery; so they felt no pressing need of reform. The Yearly Meetings, therefore, like many modern congresses, dextrously dodged the grave issue of Negroes' rights, and merely expressed an opinion meekly opposed to the importation of the blacks, and a desire that "Friends generally do, as much as may be, avoid buying such Negroes as shall hereafter be brought in, rather than offend any Friends who are against it; yet this is only caution and not censure."[172] Not until 1742 was any appreciable influence exerted on the Friends against slavery. A storekeeper of Mount Holly, New Jersey, requested his clerk to prepare a bill of sale of a Negro woman whom he had sold. The thought of writing[Pg 128] such an instrument greatly oppressed the clerk. He complied, however, but afterwards told both the employer and the customer that he considered slave-keeping inconsistent with the Christian religion.[173] The clerk who ventured such an opinion was John Woolman.

John Woolman was born in Northampton, in Burlington County, West Jersey, in the year 1720. His youthful struggle against wickedness was in many respects similar to Bunyan's. The fear of God seized him in early boyhood, and an intense religious fervor characterized his future career. Though this fervor was undoubtedly an innate tendency, it owed its development partly to the early guidance of pious parents; for Woolman's father was, without doubt, a devout Christian. Every Sunday after meeting, the children were required to read the Holy Scriptures or some religious books. Here, no doubt, was the beginning of Woolman's religious devotion to the teachings of the Bible.[174] At times, during his youth, he apparently forgot these earliest teachings, but he never wandered too far to be reproved by his conscience. When he reached the age of[Pg 129] sixteen, his will was finally subdued, and he learned the lesson that youth seldom learns,—that "all the cravings of sense must be governed by a Divine principle." He tells us that he became convinced that "true religion consisted in an inward life, wherein the heart doth love and reverence God, the Creator, and learns to exercise true justice and goodness, not only toward all men, but also toward the brute creatures."[175]

All this time Woolman lived with his parents and worked on the plantation. His schooling was, consequently, meagre, but he gave a generous portion of his leisure to his self-improvement. At the age of twenty-one, he left home to tend shop and keep books for a baker in Mount Holly. Meanwhile, his religious fervor was growing more intense, and with it his genuine philanthropy. The inevitable sequence of his accelerated enthusiasm for spreading the teachings of Christianity was his entrance into the Christian ministry.[176]

In 1746 Woolman accompanied his beloved friend, Isaac Andrews, on a tour through Maryland, Virginia, and Carolina. It was on this journey that he beheld for the first time the miseries of slavery.[177] He became so depressed with[Pg 130] what he saw that on his return he wrote an essay on the subject, publishing it in 1754. The essay appeared under the elongated title of "Some Considerations on the Keeping of Negroes Recommended to the Professors of Christianity of Every Denomination."[178] The theme of Woolman's discussion is the Brotherhood of Man. "All men by nature," he argues, "are equally entitled to the equity of the Golden Rule, and under indispensable obligations to it."[179] The whole discussion, which is an appeal to the Friends to be mindful of the teachings of the Bible, glows with the religious zeal which was so eminently characteristic of the author. It is replete with such Biblical references as are sure to have a wholesome effect upon a religious sect like the Society of Friends.

Woolman made a second visit in 1757 to the Southern meetings of the Society of Friends. Again he beheld the miseries of slavery and became greatly alarmed at the extension of the system. Everywhere he turned, he saw slaves. What pained him most was the presence of slaves in the homes of Friends. He declined, therefore, to accept the hospitality of his several hosts, feeling that the acceptance of such courtesies would be an indorsement or encouragement of the[Pg 131] evil.[180] Meanwhile, he held confidential talks with Friends on the subject of slavery. On one occasion, when a colonel of the militia berated the Negroes' slothful disposition, Woolman replied that free men, whose minds are properly on their business, find a satisfaction in improving, cultivating, and providing for their families; whereas Negroes, laboring to support others, and expecting nothing but slavery during life, have not the same inducement to be industrious. Again, when another slaveholder gave the wretchedness of Negroes, occasioned by intestine wars, as a justification of slave-traffic, Woolman answered that, if compassion for the Africans, on account of their domestic troubles, was the real motive of buying them, the spirit of tenderness should incite the Friends to use the Negroes kindly, as strangers brought out of affliction. Many other arguments were urged in defence of slavery, among which number was the oft-repeated notion that the Africans' color subjects them to, or qualifies them for, slavery, inasmuch as they are descendants of Cain who was marked with this color, because he slew his brother Abel.[181] In short, a large portion
[Pg 132]of Woolman's time during this second journey was given over to
answering such arguments. He travelled in the two months, during which he was out, about eleven hundred and fifty miles. His efforts were not without fruit, for he made a profound impression on many of the honest-hearted.

All this time Woolman fought single-handed against overwhelming odds, but he was destined soon to have help from two of the most remarkable and antithetical personages connected with this early movement against slavery; namely, Benjamin Lay and Anthony Benezet.[182] Lay represented the revolutionary type of reformer. Whittier describes his personal appearance as "a figure only four and a half feet high, hunchbacked, with projecting chest, legs small and uneven, arms longer than his legs; a huge head, showing only beneath his enormous white hat large, solemn eyes and a prominent nose; the rest of his face covered with a snowy semicircle of beard falling low on his breast—a figure to recall the old legends of troll, brownie, and kobold."[183] By birth he was a Friend, but the Society in England disowned[Pg 133] him on account of his revolutionary propensities. He took up residence in the West Indies, but was compelled to leave on account of his violent denunciation of slavery. He went to Philadelphia, but finding slavery there, retired to a cave, where he lived a most eccentric life, refusing to eat food or wear clothes which had been secured at the expense of animal life, or produced by slave labor. He made frequent excursions, however, from his cave to denounce slavery, his favorite subject being "Deliverance to the Captive." He usually succeeded in being heard, though he was detested by the slaveholders. On one occasion, when he interrupted a meeting in Philadelphia, he was forcibly ejected by a burly blacksmith. He remained, however, the most fearless of the earliest abolitionists. Though his methods were entirely different from Woolman's, and though, no doubt, neither reformer was influenced by the other, Lay's stubborn fight against slavery was obviously helpful to Woolman's calmer campaign against the same evil.

Anthony Benezet, on the other hand, was a reformer of riper judgment and calmer methods than Lay. He has been described as "a small, eager-faced man, full of zeal and activity, constantly engaged in works of benevolence, which were by no means confined to the blacks."[184] He was a descendant of persecuted French Protestants. He, therefore, inherited an aversion to any form of persecution, and readily became a benefactor of the slave. It was inevitable that he should become a friend of Woolman, and a coadjutor in the movement to abolish slavery.[185]

Whether Lay or Benezet was influenced by Woolman may be a matter of speculation and debate. The consideration of primary importance is the increasing interest manifested in abolition. The Friends were beginning to realize that slavery was contradictory to the basic principles of[Pg 134] their organization. Woolman's real opportunity, therefore, came at the memorable Yearly Meeting of 1758, in Philadelphia—the meeting which Whittier has seen fit to term "one of the most important convocations in the history of the Christian church." All during the early part of the meeting, Woolman remained silent, his "mind frequently covered with inward prayer." But when, towards the close of the meeting, the subject of slavery was brought up, he took such an active part in the discussion that he dominated that part of the meeting. His remarks were simple but impressive.[186] The effect was so immediate that many slaveholders expressed a desire to pass a rule to treat as offenders Friends who in the future bought slaves. But there arose the criticism that the real evil could hardly be cured "until a thorough search was made in the circumstances of such Friends as kept Negroes with respect to the uprighteousness of their motives in keeping them, that impartial justice might be administered throughout." Sober thought prevailed. Many assented to the proposition, and others declared that liberty was the Negro's right. Before the meeting closed, John Woolman, John Scarborough, Daniel Stanton, and John Sykes were appointed a committee "to visit and treat with such Friends as kept slaves."[187] Thus the first important step towards the abolition of slavery was taken.

The committee lost no time in setting out on their mission. Such a stupendous undertaking, however, was fraught with obvious difficulties. In the first place, the system of[Pg 135] slavery had assumed such large proportions that it required a number of years to visit and treat with any appreciable number of slaveholders. Again, it was by no means easy to persuade slaveholders to give up a possession which meant so much to them in power and wealth. Finally, it was unfortunately true in the eighteenth century, as it is in the twentieth, that an argument of right and justice, based upon Christianity, did not have instantaneous effect upon professing Christians. But Woolman seemed divinely inspired to perform his mission. He travelled extensively and never hesitated to approach Friends on the subject of slavery.[188] At the Yearly Meeting for 1759, he was gratified to learn that a recommendation had been made to Friends "to labor against buying and keeping slaves."[189]

As a means of promoting his cause, Woolman published in 1762 the second part of his "Considerations on Keeping Negroes," a continuation of his appeal for the operation of the Golden Rule.[190] The overseers of the press offered to print the essay at the expense of the Yearly Meeting, but[Pg 136] Woolman did not accept the offer. He published the essay at his own expense.[191] Woolman gives the following reason for not accepting the overseers' offer: "This stock is the contribution of the members of our religious society in general, among whom are some who keep Negroes, and being inclined to continue them in slavery, are not likely to be satisfied with such books being spread among a people, especially at their own expense, many of whose slaves are taught to read, and, such receiving them as a gift, often conceal them. But as they who make a purchase generally buy that which they have a mind for, I believe it best to sell them expecting by that means they would more generally be read with attention."

The story of the rest of Woolman's life is but a repetition of his travels and labors in behalf of abolition. He travelled extensively, beheld the deplorable conditions attending slavery, and preached to Friends his only sermon, that "Whatsoever ye would that men should do unto you, do ye even so unto them." He did not live to see the slaves manumitted by all the slaveholding Friends, but he "was renewedly confirmed in mind that the Lord (whose tender mercies are over all his works, and whose ear is open to all the cries and groans of the oppressed) is graciously moving in the hearts of people to draw them off from the desire of wealth and to bring them into such an humble, lowly way of living that they may see their way clearly to repair to the standard of true righteousness, and may not only break the yoke of oppression, but may know Him to be their strength and support in times of outward affliction."[192]

Woolman's career was fittingly brought to an end in England, the birthplace of the society for whose improvement he labored so faithfully. He landed at London in June, 1772, and went straightway to the Yearly Meeting.[Pg 137][193] He visited a number of meetings in neighboring towns. While he was attending a meeting of Friends at York, he was smitten with small-pox. He died of the malady, October 1, 1772. But his difficult duty had been performed, and his labor had not been in vain. His efforts had so greatly influenced the Society of Friends that the traffic in slaves had been almost abandoned during his life. Some, of course, continued the practice of holding slaves; but a protest against the practice was made at the Yearly Meeting two years after the death of Woolman, and in 1776 the subordinate meetings were instructed to "deny the right of membership to such as persisted in holding their fellow-men as property." Thus, within four years after the pious reformer's death, the Society of Friends embraced the doctrine of abolition and made slaveholding an offence against Christianity.

The life of John Woolman furnishes another example of a poor but courageous man, who, guided by the real teachings[Pg 138] of the Christian religion, rendered a great service to mankind. Living at a time when the defence of black men's rights was considered reprehensible, he fought against discouraging odds for the brotherhood of mankind. He was meek, persuasive, and confident. He was not a scholar, but "the greatest clerks be not the wisest men," says Chaucer. Like Bunyan, he was a student of the Holy Bible, and well understood its teachings. He realized that no power is durable, or any religion permanent, that is based on hypocrisy. He realized, further, that the grave question of men's rights must be interpreted in terms of the Christian religion. His fellow Friends, incited by selfish motives, had become unmindful of the basic elements of their religion. In their attempt to condone slavery and embrace the religion of brotherhood, they had made Christianity appear farcical. John Woolman's task, then, was not to propagate a new religion, but to make fashionable the Christian religion in which all professed a belief. He succeeded because he was allied to the right. He succeeded because he fought courageously against the wrong. He succeeded because he was a true disciple of the Christian religion. Although his laudable achievement is somewhat overlooked in these days, and his name does not command a conspicuous place on the pages of anthologies, the true lovers of freedom and the sincere exponents of the Christian religion will always remember with reverence the wonderful service of John Woolman, the pious Quaker of New Jersey.

G. David Houston

Footnotes:

[167] The Act of Banishment enforced by Charles II against all dissenters.

[168] This opinion was held and supported by Richard Nisbit, in his "Slavery Not Forbidden by Scripture, or a Defence of the West-India Planters." See "Slave-Trade Tracts," Vol. 1, Tract 3. The same opinion was given by John Millar, LL.D., of the University of Glasgow, in his treatise on the "Ranks of Society."

[169] Whittier, "The Journal of John Woolman," 7.

[170] Ibid., 7.

[171] Pa. Mag., IV, 28.

[172] Whittier, "The Journal of John Woolman," 8-9.

[173] Woolman relates this experience in the first chapter of his "Journal," as follows: "My employer, having a Negro woman, sold her, and desired me to write a bill of sale, the man being waiting who bought her. The thing was sudden; and though I felt uneasiness at the thoughts of writing an instrument of slavery for one of my fellow creatures, yet I remembered that I was hired by the year, that it was my master who directed me to do it, and that it was an elderly man, a member of our Society, who bought her; so through weakness I gave way and wrote it; but at the executing of it I was so afflicted in mind, that I said before my master and the Friend that I believed slave-keeping to be a practice inconsistent with the Christian religion. This, in some degree, abated my uneasiness; yet as often as I reflected seriously upon it I thought I should have been clearer if I had desired to be excused from it, as a thing against my conscience; for such it was." "Journal of John Woolman," Edition Philadelphia, 1845, pp. 30-31.

[174] Concerning this early home training, Woolman writes: "The pious instructions of my parents were often fresh in my mind, when I happened to be among wicked children, and were of use to me. Having a large family of children, they used frequently, on first-days, after meeting, to set us one after another to read the Holy Scriptures, or some religious books, the rest sitting by without much conversation; I have since often thought it was a good practice. From what I had read and heard, I believed there had been, in past ages, people who walked in uprightness before God in a degree exceeding any that I knew or heard of now living." "Journal of John Woolman," 20.

[175] "Journal of John Woolman," 25.

[176] That Woolman had a very lofty conception of his calling will appear in his following reflection: "All the faithful are not called to the public ministry; but whoever are, are called to minister of that which they have tasted and handled spiritually. The outward modes of worship are various; but whenever any are true ministers of Jesus Christ, it is from the operation of his Spirit upon their hearts, first purifying them, and thus giving them a just sense of the conditions of others. This truth was early fixed in my mind, and I was taught to watch the pure opening, and to take heed lest, while I was standing to speak, my own will should get uppermost, and cause me to utter words from worldly wisdom, and depart from the channel of the true gospel ministry." "Journal of John Woolman," 29.

[177] According to tradition, Woolman travelled mostly on foot during his journeys among slaveholders. Brissot points out the similarity between the Apostles' practices and Woolman's. The comparison is entertaining, but cannot on all points be reconciled with facts given by Woolman himself in his "Journal." See Brissot's "New Travels in America," published in 1788.

Woolman's impression of slavery at this time is best told in his own words referring to this first journey. He writes: "Two things were remarkable to me in this journey: first, in regard to my entertainment. When I ate, drank, and lodged free-cost with people who lived in ease on the hard labor of their slaves I felt uneasy; and as my mind was inward to the Lord, I found this uneasiness return upon me, at times, through the whole visit. Where the masters bore a good share of the burden, and lived frugally, so that their servants were well provided for, and their labor moderate, I felt more easy; but where they lived in a costly way, and laid heavy burdens on their slaves, my exercise was often great, and I frequently had conversation with them in private concerning it. Secondly, this trade of importing slaves from their native country being much encouraged amongst them, and the white people and their children so generally living without such labor, was frequently the subject of my serious thoughts. I saw in these southern provinces so many vices and corruptions, increased by this trade and this way of life, that it appeared to me as a dark gloominess hanging over the land." "Journal of John Woolman," 93.

[178] Note that this essay was not published until eight years after Woolman's journey. The publication in 1754 was due partly to the suggestion of Woolman's father, who, just before his death, persuaded his son to publish the essay. This essay may be found in "Slave-Trade Tracts," Vol. 2.

[179] See Some Considerations, etc.

[180] In this connection, Woolman has two striking passages on page 61 of his "Journal," viz., "Receiving a gift, considered as a gift, brings the receiver under obligations to the benefactor, and has a natural tendency to draw the obliged into a party with the giver. To prevent difficulties of this kind, and to preserve the minds of judges from any bias, was the Divine prohibition: 'Thou shalt not receive any gift; for a gift bindeth the wise, and perverteth the words of the righteous.'" (Exod. XXIII, 8.)

Again, "Conduct is more convincing than language, and where people, by their actions, manifest that the slave-trade is not so disagreeable to their principles, but that it may be encouraged, there is not a sound uniting with some Friends who visit them."

[181] Woolman answered this argument by showing that Noah and his family were all who survived the flood, according to Scripture; and as Noah was of Seth's race, the family of Cain was wholly destroyed. Woolman's opponent, however, replied that after the flood Ham went to the land of Nod and took a wife; that Nod was a land far distant, inhabited by Cain's race, and that the flood did not reach it; and as Ham was sentenced to be a servant of servants to his brethren, these two families, being thus joined, were undoubtedly fit only for slaves. Woolman answered that the flood was a judgment upon the world for their abominations, and it was granted that Cain's stock was the most wicked, and therefore unreasonable to suppose that they were spared. As to Ham's going to the land of Nod for a wife, no time being fixed, Nod might be inhabited by some of Noah's family before Ham married a second time. Moreover, according to the text, "All flesh died that moved upon the earth." (Gen. VII, 21.) For the full account of the argument, see the "Journal," p. 66.

It is interesting in this connection to note how Montesquieu, in his "Spirit of Laws," treats this color argument with ridicule. He writes ironically:

"Were I to vindicate our right to make slaves of the Negroes, these should be my arguments.

"The Europeans, having extirpated the Americans, were obliged to make slaves of the Africans for clearing such vast tracts of land.

"Sugar would be too dear, if the plants which produce it were cultivated by any other than slaves.

"These creatures are all over black, and with such a flat nose that they can scarcely be pitied.

"It is hardly to be believed that God, who is a wise being, should place a soul, especially a good soul, in such a black ugly body.

"The Negroes prefer a glass necklace to that gold, which polite nations so highly value: can there be greater proof of their wanting common sense?

"It is impossible for us to suppose these creatures to be men, because, allowing them to be men, a suspicion would follow, that we ourselves are not Christians."—Book XV, Chap. V.

[182] See Clarkson's "History of the Abolition of the African Slave Trade," II, 148, and Vaux's "Memoirs of Anthony Benezet."

[183] See John Greenleaf Whittier's "Introduction to John Woolman's Journal."

[184] This description is by the Marquis de Chastellux, author of "De la Felicite Publique."

[185] For an exhaustive discussion of Benezet, see the "Journal of Negro History," Vol. II, No. 1.

[186] Woolman reports his remarks in substance as follows: "In the difficulties attending us in this life nothing is more precious than the mind of truth inwardly manifested; and it is my earnest desire that in this weighty matter we may be so truly humbled as to be favored with a clear understanding of the mind of truth, and follow it; this would be of more advantage to the Society than any medium not in the clearness of Divine wisdom. The case is difficult to some who have slaves, but it should set aside all self-interest, and come to be weaned from the desire of getting estates, or even from holding them together, when truth requires the contrary, I believe way will so open that they will know how to steer through those difficulties." "Journal," pp. 91-92.

[187] "Journal of John Woolman," 93.

[188] Speaking of his mission, Woolman writes: "I have found an increasing concern on my mind to visit some active members in our Society who have slaves, and having no opportunity of the company of such as were named in the minutes of the Yearly Meeting, I went alone to the houses, and, in fear of the Lord, acquainted them with the exercise I was under; and thus, sometimes by a few words, I found myself discharged from a heavy burden." "Journal," p. 97.

[189] "Journal of John Woolman," 96.

[190] Following are two typical passages taken from the essay: "Through the force of long custom, it appears needful to speak in relation to color. Suppose a white child, born of parents of the meanest sort, who died and left him an infant, falls into the hands of a person, who endeavors to keep him a slave, some men would account him an unjust man in doing so, who yet appear easy while many black people, of honest lives, and good abilities, are enslaved, in a manner more shocking than the case here supposed. This is owing chiefly to the idea of slavery being connected with the black color, and liberty with the white. And where false ideas are twisted into our minds, it is with difficulty we get fairly disentangled." "Slave-Trade Tracts," Vol. 2.

Again, "The color of a man avails nothing, in the matters of right and equity. Consider color in relation to treaties; by such, disputes betwixt nations are sometimes settled. And should the Father of us all so dispose things, that treaties with black men should sometimes be necessary, how then would it appear amongst the princes and ambassadors, to insist upon the prerogative of the white color?" "Slave-Trade Tracts," Vol. 2.

[191] "Journal of John Woolman," p. 126.

[192] Ibid., p. 98.

[193] William J. Allinson, editor of the Friends' Review, tells the following story concerning Woolman's first appearance in England: The vessel reached London on the fifth day of the week, and John Woolman, knowing that the meeting was then in session, lost no time in reaching it. Coming in late and unannounced, his peculiar dress and manner excited attention and apprehension that he was an itinerant enthusiast. He presented his certificate from Friends in America, but the dissatisfaction still remained, and some one remarked that perhaps the stranger Friend might feel that his dedication of himself to this apprehended service was accepted, without further labor, and that he might now feel free to return to his home. John Woolman sat silent for a space, seeking the unerring counsel of Divine Wisdom. He was profoundly affected by the unfavorable reception he met with, and his tears flowed freely.

... He rose at last, and stated that he could not feel himself released from his prospect of labor in England. Yet he could not travel in the ministry without the unity of Friends; and while that was withheld he could not feel easy to be of any cost to them. He could not go back as had been suggested; but he was acquainted with a mechanical trade, and while the impediment to his service continued he hoped Friends would be kindly willing to employ him in such business as he was capable of, and that he might not be chargeable to any.

A deep silence prevailed over the assembly, many of whom were touched by the wise simplicity of the stranger's words and manner. After a season of waiting, John Woolman felt that words were given him to utter as a minister of Christ. The spirit of his Master bore witness to them in the hearts of his hearers. When he closed, the Friend who had advised against his further service rose up and humbly confessed his error, and avowed his full unity with the stranger. All doubt was removed; there was a general expression of unity and sympathy, and John Woolman, owned by his brethren, passed on to his work. Whittier, "Journal of John Woolman," 257-258.


[Pg 139]

The Tarik É Soudan

The sixteenth century was the golden age of science and literature in Timbuctoo. Her scholars with the University of Sankoré as a center had so generously contributed to the world's thought that they had brought to that country no less fame than its statesmen and warriors by their constructive work and daring deeds. The country, however, was finally invaded by the Moors and the scattering of the talented class resulting thereby led to the inevitable decline of culture. "Yet," says Félix DuBois, "the greatest work of all literature of the Sudan was produced in the first days of its twilight, namely, that Tarik é Soudan (the History of the Soudan)"[194] which we shall here briefly consider.

Investigators had for years endeavored to discover this valuable book, which because of certain traces in the Barbary States had been generally considered the work of Ahmed Baba. The explorer Barth, the first to make a study of this document, was of the same opinion. Félix DuBois expresses his surprise that a man so well informed on Arabian subjects as Barth could be so easily misled, when the very extracts themselves quote Ahmed Baba as an authority. This misconception was due to the failure of the German scholar to read anything but the fragments which he discovered at Gando and to his suspicion that the author in quoting Ahmed Baba was following the Arabs' custom of quoting themselves. Félix DuBois found an excellent copy in Jenne and made from it a duplicate which was corrected from a copy of Timbuctoo,[195] so that he now has the work in what he considers as complete a form as possible.[196]

In establishing the authorship of this work, Félix DuBois emphasizes the fact that the book contains the date, year,[Pg 140] month and day of Ahmed Baba's death and that elsewhere the author gives a very circumstantial account of himself and his belongings. "His name," according to this authority, "is Abderrahman (ben Abdallah, ben Amran, ben Amar) Sadi el Timbucti, and he was born at Timbuctoo, (the 'object of his affections'), of one of those families in which science and piety are transmitted as a patrimony."[197] It seems that he was trained by a distinguished professor who inspired him with the desire to be intellectual. This book shows, too, that he was a mature man some time between 1625 and 1635, during the period when the star of Timbuctoo was waning. That he should still maintain himself as a scholar and obtain the respect of the destructive invaders was due to the reverence with which they held the learned men of the fallen Empire. Having established a reputation which far transcended the bounds of his native country, Abderrahman Sadi was received with marks of honor and presented with gifts during all of his travels to Massina and the regions of the Upper Niger. He was made iman of a mosque of Jenne in 1631, but was later deprived of that honor. He then returned to Timbuctoo, where he was received with sympathy and consoled by friends.

Abderrahman Sadi spent his remaining years, first at Timbuctoo, then at Jenne. It seems that because of his unusual learning and knowledge of politics and government he was employed by the pashas in diplomatic affairs. Although there was then no longer the same center of culture as flourished at the University of Sankoré in former years, Abderrahman Sadi, still imbued with the desire to impart knowledge, devoted no little of his time to giving lectures and holding conferences. His most important undertaking, however, was his great historical work embracing all the countries of the Niger. For such a stupendous task he had adequate preparation not only by his former training but by his experience as a traveller, his services as a public functionary, his social contact and his access to documents which are no longer extant. The following is the preface:[Pg 141]

"Praise be to God whom the weight of a pearl upon the earth does not escape. May prayer and salvation be with the Master of the first and last, our Lord Mohammed. We know that our ancestors took pleasure in mentioning the companions of the Prophet and the saints, the sheiks and eminent kings of their country, with their lives, their edifices, and the great events of their reigns. They have told us all that they have seen, or heard, of the times extending behind us.

"As for the present time, no one is to be found to take an interest in these things or follow the path traced by their ancestors. Witnessing the decline of this science (history), so precious on account of the instruction it offers to mankind, I have implored the assistance of God in writing down all that I have read, seen, or heard concerning the kings of the Sudan and the Songhoi people, and in relating their history and the events connected with their expeditions of war. I shall speak of Timbuctoo and of its foundation, of the princes who have wielded the power of that city, I shall mention the learned and pious men who dwelt therein, and I shall continue this history to the close of the dominion of the sultans of Morocco."[198]

While it is not our purpose to sketch here the history of this empire, some knowledge of it will give a better appreciation of this great work. As an historical document the Tarik é Soudan is the only source from which we get an idea as to the origin of the Songhoi. The natives of this country inform the traveller that they came from the east. The Tarik é Soudan says: "The first king of the Songhoi was called Dialliaman," meaning, "He has come from Yemen." Dialliaman quitted Yemen in company with his brother. They travelled through the country of God until destiny brought them to the land of Kokia. Giving a more detailed account it says:

"Now Kokia was a town of the Songhoi people situated on the banks of a river, and was very ancient. It existed in the time of the Pharaohs, and it is said that one of them, during his dispute with Moses, sent thither for the magician whom he opposed to the Prophet.

"The two brothers reached the town in such a terrible state of distress that their appearance was scarcely human; their skins were cracked by the heat and dust of the desert, and they were almost naked. The inhabitants questioned them concerning the country of their origin, and their names have been forgotten in the surname with which their reply provided them, 'Dia min al Jemen'—'Come from Yemen,' And Dialliaman the elder settled in Kokia. Now the god of the Songhoi was a fish who appeared to them from the water at certain periods wearing a golden ring in his nose; and the people gethered together and worshipped the fish, receiving its commands and prohibitions and obeying its oracles.[Pg 142]

"Perceiving their error, Dialliaman hid in his heart a resolution to kill the false deity, and God assisted him in his design.

"One day he pierced the fish with a lance in the presence of the people and killed it. Then the people proclaimed Dialliaman king."[199]

Here the author has confused tradition with history.[200] The document itself, however, substantiates the contention that there arose in this region one of the world's greatest empires ruled by an almost unbroken succession of kings who piloted the nation through the trials of its incipiency, enabled it to develop a very advanced civilization, and extended its influence over a large portion of Africa. The empire of the Songhoi lasted about 1,000 years, during which three dynasties ruled over these people. The kings of these lines adopted the names Dia, Sunni, and Askia. The first included thirty kings who ruled from 700 to 1335; the second a line of eighteen kings from 1335 to 1492, and the third and last dynasty from 1494 to 1591.

During the reign of Dia Sobi of the first dynasty the empire passed through a crisis. Unable to conquer its enemies from without, it finally became the vassal of the Mali empire on the west. Jenne, the city of much wealth and culture, was then separated from the Songhoi empire. But finally there came Ali Kolon, of the second dynasty, who freed the Songhoi from the rule of Mali. The country thereafter continued for some time in peace. Later it expanded considerably under Sunni Ali, "the true Negro soldier," who ruled from 1464 to 1493. Although skeptical,[Pg 143] violent and oppressive he paved the way for the establishment of the largest empire which had ever existed in that part of the world.

In 1494 the second dynasty was brought to a close when Sunni Barro, the last of that line, was obliged to flee from the country and Askia Mohammed usurped the throne. He began as a pious ruler and was, therefore, praised as "a brilliant light shining after great darkness; a savior who drew the servants of God from idolatry and the country from ruin."[201] He made pilgrimages to Mecca, scattered his funds in the holy places, rendered homage to the Khalif Abassid Motewekkel in Egypt, got in touch with the theologians and learned men of Cairo and endeavored to take over the more advanced civilization of Egypt. During these years, however, his piety did not deter him from the use of the sword. He ever fought his neighbors, conducting an expedition against some nation almost every year. He eventually succeeded in triumphing over his enemies, conquering Mali on the west and Agades, Katsina, Kano, Zegzey, and Sanfara on the east. He was then Askia the Great, the ruler of one of the greatest empires of the world, extending north and south from Thegazza to Bandouk and east and west from Lake Chad to the Atlantic Ocean. He was not a mere warrior. He was just as successful in carrying out a constructive policy of incorporation. Instead of being satisfied with the payment of tribute, he destroyed old systems, established his lieutenants in the seats of government, appointed viceroys[Pg 144] to supervise the governors of provinces, promoted commerce, and built up a formidable standing army.

Askia the Great, however, finally declined and was deposed by his son Askia Moussa in 1521. He entered upon the policy of killing his hundred brothers and was finally assassinated. Then came a nephew of Askia the Great, Askia Bankouri, who, much like his predecessor, endeavored to murder his uncles who might pretend to the throne. Despite this blot on his escutcheon, however, it is said that he wielded power with magnificence and maintained a great court. He was dethroned by the Viceroy of Dandi in 1537 and Askia Ismael was proclaimed king. His motives, according to the Tarik, are interesting. "I accepted the honour for three reasons," declared he; "to rescue my father from his distressful condition, to enable my sisters to resume the veil that Bankouri had obliged them to relinquish, and to pacify Yan Mara, one of the hundred hen ostriches, who was wont to throw herself into a frenzy whenever she saw Bankouri."[202]

Ismael died in 1540 and was succeeded by his brother Ishak. Following the example of his predecessor, he put to death many of his relations. The last four Askia to rule over the entire empire had much difficulty in maintaining their positions because of the internal and external causes operating to make it decline and fall. The Moors, the most aggressive peoples then seeking to invade the dominions, finally overran the empire and made it a colony.

Referring to this turbulent period through which the empire passed, the Tarik says: "All was changed in a moment. Danger took the place of security, destitution of abundance, trouble, calamities, and violence succeeded to tranquillity. Everywhere the populations began to destroy each other. In all places and in every direction rapine became the law, war spared neither life nor property, nor the position of the people. Disorder was general, it spread everywhere till it reached at last the highest degree of intensity." "Things continued thus," adds the historian, "until towards the moment in which the Songhoi dynasty approached its[Pg 145] end, and its empire ceased to exist. At this moment faith was exchanged for infidelity; there was nothing forbidden by God which was not openly done. Men drank wine, they gave themselves up to vice.... As to adultery, it became so frequent that indulgence in it was almost accepted as permissible. Without it there was no elegance and no glory. ... Because of these abominations, the Almighty in his vengeance drew down upon the Songhoi the victorious army of the Moors. He brought it through terrible suffering from a distant country. Then the roots of this people were separated from the trunk, and the chastisement they underwent was exemplary."[203]

The Tarik é Soudan, however, continues its story beyond the fall of the empire of the Songhoi. It throws light on Foulbes, Touaregs, Mossi and Ouolofs, mentions Morocco and Massina, sketches the careers of saints and scholars, sets forth the authors curriculum vitae, and brings this narrative to a close in 1653. His task as a historian finished, the author appends the annals of the country to the year 1656, saying: "What shall happen hereafter I shall relate in the same manner as that which is past, for as long as I shall be alive."[204] It is highly probable that the author died that year.

Considered from all angles the student must agree with the investigator that the Tarik é Soudan is a masterpiece. Barth, the distinguished German scholar, says that the book forms "one of the most important additions that the present age has made to the history of mankind."[205] Lady Lugard, another writer in this field, believes that it is not merely an authentic narrative but is an unusually valuable document since it throws unconscious light upon the life, manners, politics and literature of that country. "Above all," says she, "it possesses the crowning quality, displayed usually in creative poetry alone, of presenting a vivid picture of the character of the men with whom it deals. It has been called the 'Epic of the Soudan,'" continues the writer. "It lacks[Pg 146] the charm of form, but in all else the description is well merited. Its pages are a treasure-house of information for the careful student and the volumes may be read many times without extracting from them more than a small part of all that they contain."[206]

Félix DuBois refers to it as serving him as his "charming and picturesque guide through the Soudan." "The Tarik é Soudan," says he, "is conceived upon a perfectly clear and logical plan according to the most correct rules of literary composition."[207] "It forms, with the exception of the holy writings, the favorite volume of the negro, and is known to the furthest extremity of western Africa, from the shores of the Niger to the borders of Lake Chad." "Its style," continues he, "is very simple and clear, entirely lacking those literary artifices so much in vogue among the Arabs; and the author displays an unusual conscientiousness, never hesitating to give both versions of a doubtful event."[208] On the whole it is a book of elevated active morals and with its charming combination of fables, marvels and miracles it is well adapted to influence the negraic mind. The work is not an uninteresting narration of events but an explanation of them as the rewards of God when fortunate and punishments of the wicked when calamitous. Devoted to religion and civic virtue, the author portrays as sinful the evil deeds of all whether they be peasants or kings. "The Tarik is to this day," remarks Félix DuBois, "the Hozier of the Soudan. In addition to the attractions to be found in its pages, it contains a charm which entirely escapes the Sudanese, and which we alone are privileged to taste, viz., the naïvete, good nature, and delicious sincerity which pervade the book." The "book admirably reflects the life and mind of the Soudan of yesterday. One enjoys from its pages," says this writer, "the delicate repasts offered by Homer, Herodotus, and Froissard, and it is for this reason I have called the Tarik the chef-d'oeuvre of Sudanese literature."[209]

A.O. Stafford

Footnotes:

[194] Félix DuBois, "Timbuctoo the Mysterious," 310.

[195] Ibid., 315.

[196] This work has been translated into French by M. Octave Houdas, Professor of the Oriental School of Languages in Paris.

[197] Félix DuBois, "Timbuctoo the Mysterious," 312.

[198] Félix DuBois, "Timbuctoo the Mysterious," 313-314.

[199] Félix DuBois, "Timbuctoo the Mysterious," 90-91.

[200] "Like Homer, Abderrahman sometimes wanders astray," says DuBois, "pen in hand. Side by side with the gravest events he mentions that 'a white crow appeared from the 22nd of Rebia to the 28th of Djoumada, on which day the children caught and killed it.' Elsewhere in the narratives of his voyage to Massina, one of his hosts gave him his daughter in marriage. He was fifty years of age at the time, and in possession of several other wives. Not content with imparting the event to posterity, he adds, 'My union with Fatima was concluded on the twelfth day of Moharrem, 1645, but the marriage was not consummated until Friday the sixteenth.' I believe he would have given us his washing-bills if the use of body linen had been familiar to the Sudanese. In referring to this tendency of the annalist, DuBois does not mean to say anything which might be taken as an undervaluation of this work. He aims to show how the Tarik reminds the reader of works of some of the leading writers of the most civilized countries." See DuBois, "Timbuctoo the Mysterious," p. 316.

[201] It was said "He made a pilgrimage to the house of God, accompanied by a thousand foot-soldiers and five hundred horse, and carrying with him three hundred thousand mitkals of gold from the treasure of Sunni Ali. He scattered this treasure in the holy places, at the tomb of the Prophet in Medina, and at the sacred mosque at Mecca. In the latter town he bought gardens and established a charitable institute for the people of the Sudan. This place is well known in Mecca, and cost five thousand mitkals.

"He rendered homage to the Khalif Abassid Motewekkel in Egypt, praying to be made his deputy in the Sudan in general and in Songhois in particular. The Abassid consented, requiring the king of Songhois to abdicate for three days and to place the power in his hands. On the fourth day Motewekkel solemnly proclaimed Askia Mohammed the representative of the sultan in Sudan. He accompanied this by placing a green fez and white turban upon his head and returning him his sabre." "Timbuctoo the Mysterious," 110.

[202] Félix DuBois, "Timbuctoo the Mysterious," 119-120.

[203] Lady Lugard, "A Tropical Dependency," 283-284.

[204] Félix DuBois, "Timbuctoo the Mysterious," 314.

[205] Lady Lugard, "A Tropical Dependency," 154.

[206] Ibid., 154-155.

[207] Félix DuBois, "Timbuctoo the Mysterious," 313.

[208] Félix DuBois, "Timbuctoo the Mysterious," 312.

[209] Ibid., 316.


[Pg 147]

From a Jamaica Portfolio—Francis Williams[210]

A great dividing line in the history of Jamaica runs across the record between the years 1834 and 1838. On the further side lay slavery; on the hitherward side lies the freedom, partially proclaimed on August 1, 1834, and made complete and absolute on a like date in the year of grace 1838. Amid the noise and gloom of the period from these years back into the past, it is only here and there that the face and figure of a son of Africa stands out with anything like clearness or distinction against the background of historic events. It was in 1494 that the European first came to Jamaica. The island was then discovered by Columbus. Fifteen years later the Spaniards, who had meantime harried and slain the native Indians, set to work seriously to settle in the island. As the Arrowaks withered from the land, before the cruelty of the conqueror, the African was brought in to supply slave labor.[211] It is not our immediate task to enquire into the condition of the slaves during the Spanish occupation, nor does there exist very much material for answering such an enquiry, but it may be noted, as an interesting fact, that a black priest was in the deputation that came forth to negotiate with the British conqueror when, in 1655, the surrender of the capital city, St. Jago de la Vega, became a necessity. The Spanish Governor, Don Arnoldi Gasi, sent as one of his representatives Don[Pg 148] Acosta, "a noble Portuguese." Belonging to his establishment and accompanying him as chaplain was a Negro priest. His name has not come down to us but we know his fate. One of the conditions of the surrender was that the Spaniards were not to attempt to remove their belongings.[212] The town, however, contained a party, chiefly of Portuguese, hostile to the surrender. The first article of the capitulation required that all "goods, wares, merchandizes, or what else upon the said island, be delivered up, etc., without any deceit, embezzlement, or concealment whatever." A certain Colonel made bold to drive away into the woodlands all the cattle he could collect. Don Acosta was not only as a man of honor shocked at this breach of a solemnly signed agreement, but he had the painful personal interest in it of being a hostage in the hands of the British for the due performance of the treaty of surrender. He therefore, we are told, sent to the Colonel "his priest, a discreet Negro, to remonstrate."[213] The Colonel put the priest to death, and apparently suffered no worse punishment for this dastardly act than to have the cattle he had gone away with discovered and brought back to the British lines.[214]

When the Spaniards a few weeks after evacuated the island, going by ship to Cuba, they took the liberty of further transgressing the treaty made with Penn and Venables, the British commanders, for, instead of taking their slaves with them, they turned them loose into the hills, with directions to harass the British as much as was possible. These slaves formed the nucleus of the Maroons, a body of mountain warriors whose deeds of daring and battle form a story too long and too interesting to be dealt with here.[215]

The British speedily introduced African slaves into the island, and, after a few generations, the population had taken the contour it still preserves, namely, the pure whites,[Pg 149] the colored folk (mixed breeds) and the pure blacks. For one reason and another, individuals in the last-named section obtained their freedom. Sometimes it was granted to them by masters who appreciated some special service rendered. Sometimes it was bequeathed to them by kind-hearted masters. At times it was a gift from the state for services rendered in times of rebellion or other disaster to the commonwealth.[216]

Among the colored element of the population the tendency towards manumission was even more marked and extensive, for there the white fathers often not only bestowed freedom on their offspring but bequeathed to them comfortable, if not ample, means. Our immediate interest is, however, to be found among the blacks, for it is among them that we see a face and figure that holds our attention.

Among the earliest Negroes in Jamaica freed because of services rendered to the state was one John Williams. Under date of 1708, a law stands on record, the first of its kind, forbidding slave testimony being received in evidence against two Negroes, to wit, Manuel Bartholomew and John Williams. This was bestowing on them one of the vital privileges as a rule confined to whites. Eight years later there was passed another act extending the privilege to Dorothy Williams, wife of John, and also to the sons of these two, namely, John, Thomas, and Francis. Exactly what led to such marked discrimination in favor of Williams and his family the records have not so far revealed, but the mere continuation of the concession and its extension suggest that there was something special about the character and worth of John Williams, Senior, as viewed by the ruling authorities. Another fact emphasizes this. John Williams, between 1708 and 1716, had to endure the rather dangerous hostility of a member of the legislature. This legislator applied to Williams the term "a black Negro," as one of contempt. Williams replied with the term, self-contradictory no doubt but effective enough to rile a Jamaican legislator in the early part of the eighteenth century. He styled[Pg 150] his would-be traducer a "white Negro." As a result he ran the risk of seeing his valued privileges withdrawn once and for all. Supported by a few of his friends, the irate legislator brought the matter before the House of Assembly, and it was actually proposed that the Act of 1708, the Magna Charta so to speak of the Williams family, should be revoked. The effort, however, failed, and it seems reasonable to view that fact as a testimony to something of worth in John Williams, especially when we find that soon after his privileges were extended to his wife and his three sons.[217]

Francis Williams now replaces John, his father, and Dorothy, his mother, against the background of the past. The Duke of Montague wished to put to the test some of his opinions about the capabilities of the Negro. He desired to see whether a black boy taken and trained at an English school and then at a university would not equal in intellectual attainments a white youth similarly educated.[218] The links that would explain how it was that the choice for this experiment fell on Francis Williams are missing, but there it did fall. He must certainly have been, as Gardner suggests, "a lively, intelligent lad,"[219] but that by itself would not fully explain his being chosen. Someone fairly high up in Jamaica must have been taking a special interest in the Williams family, and that interest, in view of the collateral facts, must have been based on something of note in John Williams, Senior.

Francis received preliminary training in Jamaica, and then was sent to an English grammar school. Thence he went to Cambridge University. Only the bare facts of his story remain, like a skeleton, but we can safely argue that he did not disappoint the expectations of his patron to any serious extent, for, when the time came for Francis to return to Jamaica, the Duke of Montague used his influence with some determination to get his protégé appointed to a seat in the Council, that his abilities might be fully put to[Pg 151] the test. The Governor of the island with whom the Duke had to do was Edward Trelawny, and this shows that Williams returned to Jamaica between 1738 and 1748, for it was between those years that Trelawny held sway. They were stormy times, and Trelawny was a man with anything but a placid temper or compliant views. The famous war of "Jenkin's ear," between Britain and Spain, began in 1738. Porto Bello was destroyed by Vernon and Cartagena was attacked with troops whose base was Jamaica. In fact, Trelawny added a Negro detachment to the army employed.[220] In the quarrels that followed the disastrous failure at Cartagena, Trelawny had even more than his fair share of the cursing, and it is hardly surprising to find that a man of such temper, and amid such storms of fate, was anything but malleable to the Duke's request. The Governor knew his mind, and it was that setting a black man in the Council would excite restlessness among the slave population. The Duke's experiment with Williams was, therefore, not completed as the Duke himself intended it should be.[221]

Williams settled down in Spanish Town (St. Jago de la Vega), the then capital of the island, and conducted a school for imparting a classical and mathematical education. He became known also in the island, and to some extent abroad, as a poet and the fragments of his work that have come down to us show that he was at any rate a fair literary craftsman. Of the sort of man he was personally, we have not the material for a fair judgment, for we are practically shut up to surveying the man through the very colored glass that the historian Long inserts in the loophole of observation he has turned on Williams. Long, who published his History of Jamaica in 1774, was of the planter class, and his prejudice on such a matter was probably so complete that he was not even conscious that prejudice existed. He says of Williams: "In regard to the general character of the[Pg 152] man, he was haughty, opinionated, looked down with sovereign contempt on his fellow blacks, entertained the highest opinion of his own knowledge, treated his parents with much disdain, and behaved towards his own children and slaves with a severity bordering on cruelty. He was fond of having great deference paid to him, and exacted it with the utmost degree from the negroes about him. He affected a singularity of dress and a particularly grave cast of countenance, to impart an idea of his wisdom and learning; and to second this view, he wore in common a huge wig, which made a very venerable figure."[222] The influence of prejudice on this picture is easily to be detected. There is not a single line of sympathy through the whole presentation, and it is something more than probable that there is actual misrepresentation of facts. Long would repeat what was current in his own circle, without feeling himself at all bound to investigate the assertions before setting them down for future generations to read.[223]

That Williams was set in a most difficult position is obvious. It was one that could only be creditably filled by one highly and exceptionally gifted, both in intellect and spirit. Still more difficult was it so to fill that position that he would appear before an age of wider and sweeter altruistic principles without disfavor in its eyes. Long credits him with the saying: "Show me a negro, and I show you a thief";[224] and Gardner, who enters in his behalf a defence that is in many ways effective, merely says regarding this accusation: "The race to which he belonged was then almost universally despised, and the temptation to curry favor with the whites by denouncing the negroes was too great for him to resist."[225] But it seems to me that something[Pg 153] more deserves to be said on the subject. We do not know whether Williams' epigram was a sober opinion or merely one cast off in a fit of irritation, that moment of "haste," which even the Psalmist knew, when he was led to sweep all mankind in under the term of "liar." But, further, if Williams was the deliberate sycophant and racial toady Gardner strives to shelter behind his shield of excuse, how was it that he had not won from the planter party, whose voice reaches us through Long, a more softened if not a more favorable opinion? There must have been some marked independence of spirit about a man who cut himself off thus on the one side and on the other. He was an educated man, placed in a false position; cut off by the narrowmindedness of the educated men around him from the environment for which training and education had fitted him. Had his savage epigram employed the term "slave," instead of "negro," and that was practically what it meant, it could stand as a thought-compelling truth, pointing beyond the slave to the tyrant system that made the slave.

Gardner, whose history was published in 1876, was, by class, of the missionaries, and by disposition a liberal, and a conscientious liberal. His estimate of Williams is thoroughly well-intentioned, and not wholly inadequate. It lacks subtlety, rather than sympathy. I cannot help hoping that time will bring to light material by which something may be attempted regarding the personality and character of Francis Williams, nearer what one feels instinctively is the truth than the outline at present holding the field.

Francis Williams has been mentioned as the author of the song: "Welcome, welcome, fellow debtor," but on what grounds, beyond tradition, it is not clear. We have, however, a Latin poem which is indubitably his work. It was addressed to General George Haldane, who arrived in Jamaica as Governor, April 17, 1758. It is panegyric, after the fashion of the eighteenth century, that is excessively so, but there are lines in it worth remembering. It is thus inscribed:[Pg 154]

Integerrimo et Fortissimo
Viro
GEORGIO HALDANO, ARMIGERO,
Insulæ Jamaicensis Gubernatori;
Cui, omnes morum, virtutumque dotes billicarum,
In cumulum accesserunt,
CARMEN.[226]

DENIQUE venturum fatis volventibus annum (e)
Cuncta per extensum læta videnda diem,
Excussis adsunt curis, sub inagine (f) clara
Felices populi, terraque lege virens.
(g) Te duce, (h) quæ fuerant malesuada mente peracta
Irrita, conspectu non reditura tuo.
Ergo omnis populus, nee non plebecula cernet
(h) Hæsurum collo te (i) relegasse jugum,
Et mala, quæ diris quondam cruciatibus, insons
Insula passa fuit; condoluisset onus
Ni victrix tua Marte manus prius inclyta, nostris
Sponte (k) ruinosis rebus adesse velit.
Optimus es servus Regi servire Britanno,
Dum gaudet genio (l) Scotica terra tuo:
Optimus heroum populi (m) fulcire ruinam:
Insula dum superest ipse (n) superstes eris.
Victorem agnoscet te Guadaloupa, suorum
Despiciet (o) merito dirutà castra ducum.
Aurea vexillis flebit jactantibus (p) Iris,
Cumque suis populis, oppida victa gemet.[Pg 155]
Crede, (q) menum non est, vir Marti chare! (r) Minerva
Denegat Æthiopi bella sonare ducum.
Concilio, caneret te Buchananus et armis,
Carmine Peleidae scriberet ille parem.
Ille poeta, decus patriæ, tua facta referre
Dignior, (s) altisono vixque Marone minor.
(t) Flammiferos agitante suos sub sole jugales (u)
Vivimus; eloquium deficit omne focis.
Hoc demum accipias, multa fuligine fusum
Ore sonaturo; non cute, corde valet.
Pollenti stabilita manu, [(w) Deus almus, eandem
Omnigenis animam, nil prohibente dedit]
Ipsa coloris egens virtus, prudentia; honesto
Nulus inest animo, nullus in arte color.
Cur timeas, quamvis, dubitesve, nigerrima celsam
Cæsaris occidui, candere (x) Musa domum?
(y) Vade salutatum, nec sit tibi causa pudoris,
(z) Candida quod nigra corpora pelle geris!
Integritas morum (a) Maurum magis ornat, et ardor
Ingenii, et docto (b) dulcis in ore decor;
Hunc, mage, cor sapines, patriæ virtutis amorque,
(c) Eximit e sociis, conspicuumque facit.
(d) Insula me genuit, celebres aluere Britianni,
Insula, te salvo non dolitura (e) patre!
Hoc precor; o (f) nullo videant te fine, regentem
Florentes populos, terra, Deique locus!

FRANCISCUS WILLIAMS

(e) Aspice venturo lætentur ut omnia Sæclo. Virg. E. iv. 52.

(f) Clara seems to be rather an improper epithet joined to Imago.

(g) Te duce, si qua manent sceleris vestigia nostri Irrita, perpetua solvent formidine terras. Virg. E. iv. 13.

(h) Alluding perhaps to the contest about removing the seat of government and public offices from Spanish Town to Kingston, during the administration of governor Kn——s.

(i) Pro relevasse.

(k) Quem vocet divum populus ruentis Imperi rebus. Hor. Lib. I. Od. ii.

(l) Mr. Haldane was a native of North Britain.

(m) Tu Ptolomaee potes magni fulcire ruinam. Lucan. Lib. viii. 528.

(n) This was a promise of somewhat more than antediluvian longevity. But the poet proved a false prophet, for Mr. Haldane did not survive the delivery of this address many months.

(o) Egerit justo domitos triumpho. Hor. Lib. I. Od. xii.

(p) Iris. Botanic name of the fleur-de-luce, alluding to the arms of France.

(q) Phœbus, volentem prælia me loqui Victas et urbes, increpuit lyra Ne. Hor.

(r) Invita Minerva. Hor. de Art. Poet.

(s) Maronis altisoni carmina. Juv. Sat. xi. ver. 178.

(t) Flammiferas rotas toto cælo agitat.

(u) I apprehend Mr. Williams mistook this for jubara, fun beams.

(w) This is a petitio principii, or begging the question, unless with Mr. Pope,

"All are but parts of one stupendous whole,
"Whose body nature is, and God the Soul."
But,
"Far as creation's ample range extends,
"The Scale of sensual mental powers ascends."

(x) Mr. Williams has added a black Muse to the Pierian choir; and, as he has not thought proper to bestow a name upon her, we may venture to announce her by the title of madam Æthiopissa.

(y) Vade salutatum subito perarata parentem Litera. Ovid.

(z) See his apophthegms before mentioned.

(a) Maurus is not in classic strictness proper Latin for a Negroe.

(b) Mollis in ore decor. Incert.

(c) Me doctarum ederæ præmia frontium
. . . . . . . . . . . . . . . . . . . . . . . . . . . .
. . . . . . . . . . . . . . . . . . . . . . . . . . . .
Secernunt populo.         Hor. Lib. I. Od. 1.

(d) Mantua me genuit, Calabri rapuere. Virg.

(e) Hic ames dici pater atque princeps. Hor.

(f) Serus in cœlum redeas, diuque Lætus intersis populo. Hor.

[Pg 156]

This is Long's translation:

To
That most upright and valiant Man,
GEORGE HALDANE, Esq;
Governor of the Island of Jamaica;
Upon whom
All military and moral Endowments are accumulated.
An ODE.

AT length revolving fates th' expected year
Advance, and joy the live-long day shall cheer,
Beneath the fost'ring law's auspicious dawn
New harvests rife to glad th' enliven'd (g) lawn.
With the bright prospect blest, the swains repair
In social bands, and give a loose to care.
Rash councils now, with each malignant plan,
Each faction, that in evil hour began,
At your approach are in confusion fled,
Nor, while you rule, shall rear their dastard head.
Alike the master and the slave shall fee
Their neck reliev'd, the yoke unbound by thee.
Ere now our guiltless isle, her wretched fate
Had wept, and groan'd beneath th' oppressive weight
Of Cruel woes; save thy victorious hand,
Long fam'd in war, from Gallia's hostile land;
And wreaths of fresh renown, with generous zeal,
Had freely turn'd, to prop our sinking weal.
Form'd as thou art, to serve Britannia's crown,
While Scotia claims thee for her darling son;
Oh! best of heroes, ablest to sustain
A falling people, and relax their chain.
Long as this isle shall grace the Western deep,
From age to age, thy fame shall never sleep.
Thee, her dread victor Guadaloupe shall own,
Crusht by thy arm, her slaughter'd chiefs bemoan;
View their proud tents all level'd in the dust,
And, while she grieves, confess the cause was just.
The golden Iris the sad scene will share,[Pg 157]
Will mourn her banners scattered in the air;
Lament her vanquisht troops with many a sigh,
Nor less to see her towns in ruin lie.
Fav'rite of Mars! believe, th' attempt were vain,
It is not mine to try the arduous strain.
What! shall an Æthiop touch the martial string,
Of battles, leaders, great achievements sing?
Ah no! Minerva, with th' indignant Nine,
Restrain him, and forbid the bold design.
To a Buchanan does the theme belong;
A theme, that well deserves Buchanan's song,
'Tis he, should swell the din of war's alarms,
Record thee great in council, as in arms;
Recite each conquest by thy valour won,
And equal thee to great Peleides' son.
That bard, his country's ornament and pride,
Who e'en with Maro might the bays divide:
Far worthier he, thy glories to rehearse,
And paint thy deeds in his immortal verse.
We live, alas! where the bright god of day,
Full from the zenith whirls his torrid ray:
Beneath the rage of his consuming fires,
All fancy melts, all eloquence expires.
Yet may you deign accept this humble song,
Tho' wrapt in gloom, and from a faltering tongue;
Tho' dark the stream on which the tribute flows,
Not from the skin, but from the heart it rose.
To all of human kind, benignant heaven
(Since nought forbids) one common soul has given.
This rule was 'stablish'd by th' Eternal Mind;
Nor virtue's self, nor prudence are confin'd
To colour; none imbues the honest heart;
To science none belongs, and none to art.
Oh! Muse, of blackest tint, why shrinks thy breast.
Why fears t' approach the Cæsar of the West!
Dispel thy doubts, with confidence ascend
The regal dome, and hail him for thy friend:
Nor blush, altho' in garb funereal drest,
Thy body's white, tho' clad in sable vest.
Manners unsullied, and the radiant glow
Of genius, burning with desire to know;
And learned speech, with modest accent worn,
Shall best the sooty African adorn.
An heart with wisdom fraught, a patriot flame.
A love of virtue; these shall lift his name
Conspicuous, far beyond his kindred race,
Distinguish'd from them by the foremost place.
In this prolific isle I drew my birth,
And Britain nurs'd, illustrious through the earth;[Pg 158]
This, my lov'd isle, which never more shall grieve,
Whilst you our common friend, our father live.
Then this my pray'r—"My earth and heaven survey
"A people ever blest, beneath your sway!"

The following translation of this poem has been supplied by Mr. E.J. Chinock, M.A., LL.B.:

A Poem in Honour of
Sir George Haldane, Knt.,
Amost virtuous and brave man,
Governor of the island of Jamaica, on whom all the endowments of
morals and of warlike virtues have been accumulated.

Since the Fates wish the year should come at last, all the joys which are to be seen through a lengthened day are present. The people having shaken off their anxieties, are prosperous under a bright image, and the land flourishing under law. While thou art ruler, the useless things which had been done by an ill-advising mind will not return at thy appearance. Therefore, all the people, even the rabble, will see that thou hast removed the yoke clinging to their necks, and the ills which the guiltless island has formerly endured with dreadful tortures. The burden would have been excessively painful did not thy victorious hand, previously renowned for valour, wish of its own accord to aid our state going to ruin. The British King has no better servant than thou art, whilst Scotland rejoices in thy talent. Thou are the best of heroes to prop up the fall of a nation; while the island survives, the memory of thee will also survive. Quadaloupe will recognise thee as her conqueror, and will deservedly despise the plundered camps of its governors. The golden Iris will weep for her boastful standards, and together with her inhabitants will groan for the conquered towns. Believe me, it is not in my power, O man, dear to Mars! Minerva denies to an Ethiopian to celebrate the wars of generals. Buchanan would sing thee in a poem, he would describe thee as equal to Achilles in counsel and in war. That famous poet, the honour of his country, is more worthy to relate thy exploits, and is scarcely inferior to the majestic Virgil. We live under an Apollo driving his own flame-bringing team. Every kind of eloquence is lacking to slaves. Receive this at any rate. Though poured forth from one very black, it is valuable, coming from a sonorous mouth; not from his skin, but from his heart. The bountiful Deity, with a hand powerfully and firm, has given the same soul to men of all races, nothing standing in his way. Virtue itself, and prudence, are free from colour; there is no colour in an honourable mind, no colour in skill. Why dost thou fear or doubt that the blackest Muse may scale the lofty house of the western Caesar? Go and salute him, and let it not be to thee a cause of shame that thou wearest a white body in a black skin. Integrity of morals more adorns a Moor, and ardour of intellect and sweet elegance in a learned mouth. A wise heart and a love of his ancestral virtue the more remove him from his comrades and make him conspicuous. The island (of Jamaica) gave me birth; the renowned Britons brought me up; the island which will not grieve while thou its father art well. This I pray: O may earth and heaven see thee without end, ruling a flourishing people.[227]

[Pg 159]

Gardner quotes the line

"Candida quod nigra corpora pelle geris,"

giving it an interpretation disparaging to Williams' racial self-respect. With more understanding of the poet's surroundings it may be taken rather to express the poet's desire to be marked as distinct from the then condition of those who represented his race round him, namely slaves.

The following lines especially deserve praise for the height in emotion and manliness to which they ascend:

Pollenti stabilita manu, Deus almus, eandem
Omnigenis animam, nil prohibente dedit.
Ipsa coloris egens virtus, prudentia; honesto
Nullus inest animo, nullus in arte color.

Mr. Chinook's rendering conveys some of their stirring force, but they deserve a better translation, and one reason for giving the whole poem here is the hope that it may elicit another translation from some one entering more feelingly and with equal lingual knowledge into the poet's conception.

T. H. MacDermot


Redeam,
Kingston,
Jamaica, B. W. I.

Footnotes:

[210] The writer of the following article, though not of the race to serve which this Journal specially exists, offers a contribution to its pages because of the deep and sympathetic interest he has long taken in the African race, and because of his belief in its future. He would also interest readers of the Journal in his native island, Jamaica, where, although the creation still bears marks of human imperfection and incompleteness, a community has been brought into being in which the racial elements, in such fierce and embittered antagonism elsewhere, are gradually, but surely, blending into a whole of common citizenship. T.H. MacDermot, Editor of the Jamaica Times, Ltd.

[211] Gardner, "History of Jamaica," 10.

[212] Gardner, "History of Jamaica," 31.

[213] Bridges, "Annals of Jamaica," I, 204.

[214] Long, "History of Jamaica," 234; and Gardner, "History of Jamaica," 31-32.

[215] See Dallas's "History of the Maroons," I, 26.

[216] This is the history of gradual emancipation in most slaveholding states.

[217] Gardner, "History of Jamaica," 207.

[218] Long, "History of Jamaica," II, 476.

[219] Gardner, "History of Jamaica," 207.

[220] Gardner, "History of Jamaica," 123.

[221] Long, "History of Jamaica," II, 476; and Gardner, "History of Jamaica," 207.

[222] Long, "History of Jamaica," II, 478.

[223] Long says: "He defined himself 'a white man acting under a black skin,' He endeavored to prove logically, that a Negroe was superior in quality to a Mulatto, or other craft, or other cast. His proposition was, that 'a simple white or simple black complexion was respectively perfect: but a Mulatto, being an heterogeneous medley of both, was imperfect, ergo inferior,'" Long, "History of Jamaica," II, 478.

[224] ibid., II, 478

[225] Gardner, "History of Jamaica," 208.

[226] Edward Long undertook to analyze this poem in such a way as to show the inferiority of the Negro. These notes are all his. See Long's "History of Jamaica," II, 478-485.

[227] Gardner, History of Jamaica, appendix.


[Pg 160]

Notes on the Nomolis of Sherbroland

Among Sierra Leoneans the Sherbro country enjoys a reputation for mysteriousness. A country where every object, from the sandy soil one treads in the streets to the bamboo chair one sits upon at home, is supposed to possess intelligence and to be capable of "catching" one, to wit, afflicting one with disease; a country where the penalty for such a venal offence as stubbing one's devoted foot against the roots of a famous cotton tree, which stands perilously near the roadside, is a sure attack of elephantiasis; a country which boasts of a certain holy city upon whose soil no man on earth may walk shod and live to see the next day, a tradition for which the District Commissioners, adventurous Britons as they are, have had so much respect that they have been content to get only a cruising knowledge of the place, always summoning the headmen to conferences on the beach and delivering instructions from the safe precincts of a boat awning; such a country evidently deserves to be called a land of mystery.

Now, to this air of mystery is added one of interest for students of archæology in general, and particularly for all Negroes who are interested in the study of the history of their race with a view to discover whether it has really made any worthy achievements in the past or, as its traducers love to make us believe, it is indeed a backward race, that is only just emerging from barbarism and beginning to enjoy and assimilate the blessings of Western culture. I refer to certain sculptured finds which are from time to time made in the country and are naturally looked upon by the unsophisticated native mind as nothing short of a mystery.

These images, or nomolis, as they are called in the vernacular, are by no means the empirical efforts of some crude artists, but are the products of finished workmanship wrought in steatite or soapstone, which abounds in the Protectorate. They present purely Egyptian and Ethiopian features, and are apparently of great antiquity, possibly thousands of years old. They are dug out from old graves in the course of ploughing, and the finder of one of them considers himself a lucky man indeed. He sees visions of an unprecedentedly rich harvest, or of an extraordinarily brisk trade, if he happens to be in the commercial line, as the nomoli is the presiding[Pg 161] deity of crops and commerce. If the good services of the god are required on the farm a small shrine is erected there for it and a great big hamper and a bundle of rods placed in front of it. The demon is then addressed in some such manner as this: "I wish you to protect this farm from injury. Make the crop prosper more than everybody's else, and, to do this, every day you must steal from other people's farms and fill this hamper to the full. If you do this I shall treat you well; but if you fail, this bundle of rods is reserved for your punishment." The god is then heartily treated to a sample of the walloping it should expect in case of default. When its help is needed in the store a similar temple is put up for it in a corner within, and its duty is then to protect the store from burglary, to replenish it by theft and to "draw" custom by a sort of personal magnetism. In either case it must be well cared for. Whatever food or drink its owner partakes every day, a portion must be given to it—and don't forget the whipping. Whether you realize or are disappointed in your expectations of it the guardian angel respects force more than gentleness, and must be whipped soundly every morning.

It will be seen from this that the morality of the nomoli is of a rather naughty order. The controlling principle of its life is theft; in fact it idealizes this vice, since ownership in regard to it cannot be transferred except by stealing. The god argues it this way: "He who is so careless of me that he allows me to be stolen from him, is not worthy to be my master; but he who so much believes in my powers that he risks the consequences of theft for the sake of getting possession of me, is deserving to be my master and I will serve him." In the event of discovery the culprit is taken to the barre or native court and the Chief inflicts a fine on him; and, "whereas, contrary to customary law, Kai Baki, the plaintiff, did harbour a 'big man' stranger (to wit, a nomoli) in the chiefdom without intimating the Chief in order that his majesty might pay his homage etc., etc.," the aforesaid plaintiff, who in native law is entitled to receive the amount of defendant's fine as compensation, is not only mulcted in the same amount more or less, but his nomoli becomes forfeited to the crown in the bargain. Obviously, then, it does not pay to prosecute for nomoli stealing, and the robbed native would rather bear his trouble like a philosopher, secretly admiring the cuteness of the other fellow and stealing his property back at the earliest opportunity.[Pg 162]

Origin of the Nomoli

If one depends upon the aborigines for a clue as to the origin of the nomoli the enquiry would, like Kipling's "eathen," "end where it began." The whole thing is veiled in mystery; there is not even a legend about it. All that the native would tell you, and it is what he honestly believes to be the truth, is that the image was created by Gehwor (God) and came down directly from heaven. The fact that no sculpturing of the kind is now-a-days prosecuted in the country, although the Sherbros are clever at wood-carving, makes him ridicule the idea that the nomoli is man's handiwork. The enquiring student must for the present, therefore, go upon very scanty basis to formulate his theory. In order to help in the solution of this problem I shall state one or two facts about the natives of these regions. The Sherbros and Mendis, both of whom inhabit the vast territory known as Sherbroland, are, of all primitive Africans, the least given to fetish worship. This fact has always proved a stumbling-block to the spread of Mohammedanism in that part of the world. Arab as well as Negro Moslem missionaries have always found the Sherbro and Mendi man rather hard nuts to crack. Many an emissary of the prophet has invaded Sherbroland, exposing for sale all the tempting superstitious paraphernalia of the faith, but the native has almost invariably beaten him with his cold logic.

"How long does it take to come here from Mecca?" once asked a native of an Arab Sheik, who went out hawking some charms in the course of a religious tour. "Oh, more than a month," answered the unsuspecting Moslem. "A month!" exclaimed the intended convert. "Yes." "And you have come all that distance to help us with these things?" "Yes." "Then you must have paid quite a lot of money for your passage?" "Quite a lot." "And I dare say, you must have only a little money left now?" pursued the native. "Oh, yes, that's why I am selling these potent charms so cheaply, because I wish to raise money to go back home," confessed the true believer. "But how is that?" queried the native; "if, as you say, these charms can make a poor man become rich, how is it that you did not stay in Mecca and use them yourself to become rich instead of coming all the way here to sell them to get money?"

As this attitude towards charms, which is typical of the Sherbro natives, shows that they are not a fetish worshipping people, it can hardly be supposed that the nomolis are relics of that superstition. If this were the case, it could easily be suggested by those who wish to discredit the race that the images might have been made by[Pg 163] members of some foreign race and exported to the "heathen," who are supposed to delight in "bowing down to wood and stone," a sort of execution to order. This should be quite possible, because it was recently discovered that a certain London firm did a thriving business in idols with China; and it has even been suggested that the nomolis were imported into Sherbroland from Phoenicia.

But such a contingency being ruled out of court, in view of the Sherbro native's antipathy to idol worship, we must look for an explanation of the origin of the nomoli to one other feature in the customs of Sherbroland. The Sherbros have a custom almost similar to that of the Timnis, a kindred people. The latter are given to ancestor worship. At the burial of a Timni, a few stones are placed upon the grave, and after three days, when the spirit of the deceased is supposed to have entered into the stones, they are removed to a little shrine in the porch of the family house. The spirit then becomes a guardian angel, and offerings are made at the shrine from day to day. The Sherbros also make use of stones for the reception of the spirits of their departed ones, but not with a view to ancestor worship. If a Sherbro happened to die away from home, which is considered a great calamity, the remains are either exhumed and brought back to the old familiar scenes, or, if the distance be too great, three stones are taken to the last resting place and, after three days in the case of a male, or four days in the case of a female, the spirit is supposed to have entered the stones, and the latter are brought to the old town and buried.

Is it not possible, then, that the nomolis are real pictures of some ancient Sherbro men and women, and that these people, dying away from "home, sweet home," their images, after having supposedly received their spirits, were interred in the old homeland? I believe the Rev. Dr. Hayford in his "Ethiopia Unbound" suggests that Ethiopia or Negrodom was once the mistress of the world; that much-talked-of Egypt was but a province of hers, and the pharaohs not real kings, but merely governors sent from the mother country. If this be true, might it not be that some of these nomolis are sculptures of eminent men and women, natives of the region now known as Sherbroland, who went to far-away Egypt as Empire builders, lost their lives in the land of the sphynx; and, since distance prevented the return of their bodies, their busts, after receiving their imperishable parts, were brought back home and buried with due solemnity "under the stately walls of Troy?"

Walter L. Edwin

Sierra Leone, West Africa


[Pg 164]

Documents

Observations on the Negroes of Louisiana

To present a broad view of the Negroes concerned in this and the subsequent series of documents we have given below accounts appearing from decade to decade, written by men of different classes and of various countries. Some received one impression and some another, as the situation was viewed from different angles. In the mass of information, however, there is the truth which one may learn for himself.

Considerations sur l'esclavage; Nègres libres; Mulâtres de la Louisiane, 1801

L'esclavage, le plus grand de tous les maux nécessaires, soit relativement à ceux qui l'endurent, soit par rapport à ceux qui sont contraints d'en employer les victimes, existe dans toute l'étendue des deux Louisianes. Il ne seroit pas facile de determiner pendant combien d'années la partie septentrionale en aura besoin; mais on peut assurer qu'il doit exister bien des siècles encore dans le Midi si le Gouvernement veut y encourager l'agriculture, qui est son unique ressource. Les Nègres seuls peuvent se livrer aux travaux dans ces climats brûlans: le Blanc qui y périt jeune malgré toutes sortes de ménegemens, ne feroit qu s'y montrer s'il étoit obligé d'y cultiver son champ de ses propres mains. Pour tirer parti de cette colonie, l'on doit donc protéger l'importation des Nègres qui y sont en trop petit nombre; mais il est en même temps de l'intérêt du Gouvernement, de veiller a ce que les habitans n'y abusent pas du pouvoir que la loi et droit de propriété leur donnent.

Après la cruelle expérience de Saint-Domingue, qui probablement aura ouvert les yeux de tous ces philantropes qui ne comptent pour rien la prosperité des empires, lorsqu'elle semble être en contradiction avec ces sentimens d'humanité, dont ils feignent souvent d'avoir été doués par la nature; je suis loin d'engager aucun gouvernement à relâcher les liens de l'esclavage: on doit les laisser subsister dans leur intégrité, ou perdre les colonies. Cependant doivent-ils négliger cette branche d'administration et s'en rapporter aveuglément aux proprietaires, qui paroissent avoir un[Pg 165] intérêt direct à ménager leurs esclaves? C'est ce que je suis loin de croire. Les passions agissent trop fortement sur le coeur des hommes, pour ne pas en restreindre la vivacité par des règlemens sages; leur intérêt même souvent mal-entendu les aveugle sur leurs propres avantages. L'avarice crie à l'un que ses esclaves mal vêtus et mal nourris, n'en sont pas moins tenus a lui rendre les services qu'l exige; la colère conduit l'autre à faire des exemples terribles, sous prétexte d'effrayer ceux qui seroient tentés de lui manquer; un grand nombre enfin se croit autorisé à s'en servir pour assouvir ses passions et servir ses passions et servir ses gouts, fussent-ils même contraires aux devoirs de la société et opposés aux principes religieux. Aux yeux des gouvernans les hommes ne doivent être que de grands enfans, dont, en sages précepteurs, ils dirigent les caprices de manière à les faire tourner à leur plus grand bien.

Dans la basse Louisiane les Nègres sont très mal nourris: chacun ne reçoit pas par mois audelà, d'un baril de maïs en épis, ce qui ne fait que le tiers d'un baril en grain;[228] encore beaucoup de propriétaries prélèvent-ils quelque chose sur leur ration. Ils doivent se procurer le suplus de leur nourriture, ainsi que leurs vêtemens, avec le produit de leur travail du dimanche. S'ils ne le font pas, ils sont exposés à rester nus pendant la saison rigoureuse. Ceux qui leur fournissent des vêtemens, le contraignent à employer pour eux les jours de repos, jusqu'a ce qu'ils aient été remboursés de leurs avances. Pendant tout l'été, les Nègres ne sont pas vêtus. Les parties naturelles sont uniquement cachées par une pièce d'étoffe, qui s'attache à la ceinture par devant et par derrière, et qui a conservé dans toute l'Amérique septentrionale habitée par les François, le nom de braguet. L'hiver ils ont généralement une chemise et une couverture de laine, faite en forme de redingotte. Les enfans restent souvent nus jusqu'à l'age de huit ans, qu'ils commencent à rendre quelques services.

Un maître ne doit-il pas a son esclave le vêtement et une nourriture substantielle, à proportion du travail qu'il en exige? Le jour du repos n'appartient-il pas à tous les hommes, et plus particulièrement à ceux qui sont employés aux penibles travaux de la campagne? Ce sont des questions qui n'en seroient pas, si l'avarice, plus forte que l'humanité, ne dominoit presque tous les hommes, mais sur-tout les habitans des colonies. Que résulte-t-il cependant de cette avarice mal entendue? les Nègres mal nourris et trop fatigués s'épuisent et ne peuplent pas; de l'épuisement nait la foiblesse, de la foiblesse le decouragement, la maladie et la mort.[Pg 166] Pour augmenter son revenue le propriétaire perd donc le capital, sans que son expérience le rende ordinairement plus sage. Je n'ignore pas que les Nègres sont loin de ressembler aux autres hommes; qu'ils ne peuvent être conduits ni par la douceur, ni par les sentimens; qu'ils se moquent de ceux qui les traitent avec bonté; qu'ils tiennent par la morale à la brute, autant qu'à l'homme par leur constitution physique; mais ayons au moins pour eux soins que nous avons pour les quadrupèdes, dont nous nous servons: nourrissons-les bien pour qu'ils travaillent bien, et n'exigeons pas au-dela de leurs facultés ou de leurs forces.

Les Nègres sont naturellement fourbes, paresseux, voleurs et cruels; il est inutile d'ajouter qu'ils sont tous dans le coeur ennemis des Blancs: le serpent cherche à mordre celui qui le foule aux pieds; l'esclave doit haïr son maître. Mais ce dontil est difficile de rendre compte, c'est l'aversion et la brutalité des Noirs libres pour ceux de leur espèce. Parviennent-ils à se procurer des esclaves? ils les traitent avec une barbarie dont rien ne peut approcher; ils les nourrissent plus mal encore que ne font les Blancs, et les surchargent de travail: heureusement leur penchant à la fainéantise et a l'ivrognerie, les tient dans un état de mediocrité dont ils sortent rarement.

Quoique les Nègres libres perdent très-peu de leur haine pour les Blancs, ils sont cependant loin d'être aussi dangereux que les Mulâtres. Ces hommes qui semblent participer aux vices des deux espèces, comme ils out participé à leurs couleurs, sont méchans, vindicatifs, traîtres et également ennemis des Noirs qu'ils méprisent, et des Blancs qu'ils ont en horreur. Cruels jus qu'à la barbarie envers les premiers, ils sont toujours prêts à saisir l'occasion de tourner leurs bras contre les seconds. Fruits du libertinage de leurs pères, dont ils recoivent presque tous la liberté et une éducation assez soignée, ils sont loin d'en être reconnaissans; ils voudroient en être traités comme des enfans légitimes, et la différence que l'on met entr'eux les porte à détester même les auteurs de leurs jours. On en a vu un grand nombre, dans le massacre de Saint-Domingue, porter sur eux leurs mains parricides. Les plus délicats se chargeoient mutuellement de cette détestable commission. Vas tuer mon père, se disoient-ils, je tuerai le tien.

Mais, dira-t-on, le premier droit de la nature est de se racheter de l'esclavage, comme c'en est un aussi de faire jouir des bienfaits de la liberté l'être qui tient de nous l'existence. Ces vérités ne peuvent être contestées; mais une troisième qui n'est pas moins[Pg 167] évidente, c'est qu'il est du devoir d'un bon gouvernement d'assurer par toutes sortes de moyens la vie et la propriété des peuples qui vivent sous sa domination: or, par-tout où il y aura des Nègres libres ou des Mulâtres, l'une et l'autre seront chaque jour exposées au plus imminent danger. Un esclave fuit-il son maître? c'est chez un Nègre libre qu'il va se réfugier. Un vol a-t-il été commis? si le Nègre libre n'en est point l'auteur, il en est au moins le receleur. Lorsque par la suite de son travail ou de son économie un esclave peut racheter sa liberté, qu'il aille en jouir parmi les nations qui voudront le recevoir, ou qu'il retourne dans son pays, c'est tout ce que le Gouvernement lui doit. Mais je ne crains pas d'assurer que toute colonie où l'on souffrira des Nègres libres, sera le repaire du brigandage et des crimes.

Quant aux hommes de couleur, plus dangereux encore, il seroit probablement très-avantageux d'en former des colonies dans quelques parties inhabitées du continent: cette mesure auroit une suite doublement utile; elle priveroit les colonies de ces êtres par lesquels elles seront tôt ou tard anéanties, et elle diminueroit ce goût crapuleux des Blancs pour leurs esclaves, qui est la ruine de la société et la cause première du pen de population des pays qu'ils habitent.—Voyage dans Les Deux Louisianes, 1801, 1802, and 1803, pp. 408-415, par M. Perrin Du Lac.

Observations of Berquin Duvallon on the Freed People Of Colour in Louisiana in 1802

The class of free people of colour is composed of negroes and mulattoes, but chiefly of the last, who have either obtained or purchased their liberty from their masters, or held it in virtue of the freedom of their parents. Of these, some residing in the country, cultivate rice and a little cotton; a great number, men, women and children collected in the city, are employed in mechanical arts, and menial offices.

The mulattoes are in general vain and insolent, perfidious and debauched, much giving to lying, and great cowards. They have an inveterate hatred against the whites, the authors of their existence, and primitive benefactors. It is the policy of the Spanish government to cherish this antipathy; but nothing is to be feared from them. There is a proportion of six whites to one man of colour, which, with their natural pusillanimity, is a sufficient restraint.[Pg 168]

The mulatto women have not all the faults of the men. But they are full of vanity, and very libertine; money will always buy their caresses. They are not without personal charms; good shapes, polished and elastic skins. They live in open concubinage with the whites; but to this they are incited more by money than any attachment. After all we love those best, and are most happy in the intercourse of those, with whom we can be the most familiar and unconstrained. These girls, therefore, only affect a fondness for the whites; their hearts are with men of their own colour.

They are, however, not wanting in discernment, penetration, finesse; in this light they are superior to many of the white girls in the lower classes of society, girls so impenetrably dull, that like that of Balsac's village, they are too stupid to be deceived by a man of breeding, gallantry and wit.

Observations on the Negro Slave

We come now to the class of negro slaves, the most numerous but least fortunate of all. The negro Creoles of the country, or born in some other European colony, and sent hither, are the most active, the most intelligent, and the least subject to chronic distempers; but they are also the most indolent, vicious and debauched.

Those who come from Guinea are less expert in domestic service, and the mechanical arts, less intelligent, and oftener victims of violent sickness or grief (particularly in the early part of their transportation) but more robust, more laborious, more adapted to the labours of the field, less deceitful and libertine than the others. Such are the discriminative characteristics of each, and as to the rest, there is a strong relation between their moral and physical character.

Negroes are a species of beings whom nature seems to have intended for slavery; their pliancy of temper, patience under injury, and innate passiveness, all concur to justify this position; unlike the savages or aborigines of America, who could never be brought to servile controul.

This colony of Louisiana, offers a philosophic and instructive spectacle on this subject, from which I shall make a number of deductions. If nature had imparted the same instinct to negroes that she has to savages, it is certain that, instead of subjecting themselves mechanically to the eternal labours of the field, and the[Pg 169] discipline of an imperious task-master, they would abandon those places (to which they are not chained), and gaining the woods, encamp themselves in the interior of the country; in this imitating the savages, or aborigines, who sooner than live in the vicinity of the whites, retire at their approach.

Is it the uncertainty of a subsistence in this new mode of life, that deters them from undertaking it? They have never any solicitude for their future support. Is it the fear of being pursued and overtaken that is an obstacle to the project? Ignorant as they are, they cannot but know that, protected by almost impenetrable woods, and formidable in numbers, they might set at defiance a handful of whites. Does the apprehension of being combated by the Indians damp their enterprize? Such a chimera could never affright them, since the Indians roving in detached parties, would be the first to flee; nay, they would probably court their union, there having been instances of negroes finding an asylum among them, but after a lapse of time, unworthy to enjoy freedom, the fugitives have returned to their plantation, like a dog, who, having escaped from his kennel, returns to it by an instinct of submission. To multiply comparisons, as the ox resigns himself to his yoke, so the negro bends to his burden.

Their defect in instinct is apparent. Could the Indians be ever brought to that state of slavery which the negroes bear without repining; every method hitherto practiced to deprive them of their liberty, has been ineffectual.

But it is not so with the negroes. In their own country, or abroad, if they have ever discovered a desire to emerge from slavery this flame as resembled a meteor which appears only for a moment. And even, the scenes, which have been witnessed in the French colonies, and, particularly, the island of Saint Domingo,[229] serve to corroborate and support my theory. It is undeniable that the negroes of that colony have never ceased to be slaves. Before their insurrection they were the slaves of the legitimate masters; in the early part of the revolution they were slaves to the French commissioners and mulattoes; and afterwards they became subject to the nod of negroes like themselves. We do not alter the substance of a thing by changing the name.

Nature may be modified but cannot be essentially changed. It is not possible to impart to the dog the habits of the wolf, nor to[Pg 170] the ape those of the sheep. This position cannot be refuted. Sophistry may for a while delude, but the mind reposes upon the stability of truth.

From this digression let us return to the examination of the negro slave of Louisiana. He has the faults of a slave. He is lazy, libertine, and given to lying, but not incorrigibly wicked. His labour is not severe, unless it be at the rolling of sugars, an interval of from two to three months, when the number of labourers is not proportionate to the labour; then he works both by day and night. It must be allowed that forty negroes rolling a hundred and twenty thousand weight of sugar, and as many hogsheads of syrup, in the short space of two cold, foggy, rainy months (November and December) under all the difficulties and embarrassments resulting from the season, the shortness of the days, and the length of the nights, cannot but labour severely; abridged of their sleep, they scarce retire to rest during the whole period. It is true they are then fed more plentifully, but their toils are nevertheless excessive. [230] In the country where there are not those resources that distinguished[Pg 171] the Antilles, nor its spontaneous supplies, such as bananas, yams, sweet potatoes, &c. the food of the negroes is less abundant.

The fixed ration of each negro a month is a barrel of maize not pounded; indian corn being the only grain of the colony which can assure an unfailing subsistence to the slaves. The rice, beans and potatoes cultivated here, would not supply a quarter of them with food. Some masters, more humane than others, add to the ration a little salt.

The negro, during his hours of respite from labour, is busied in pounding his corn; he has afterwards to bake it with what wood he can procure himself. Both in summer and winter, he must be in the fields at the first dawn of day. He carries his sorry pittance of a breakfast with him, which he eats on the spot; he is, however, scarce allowed time to digest it. His labour is suspended from noon till two, when he dines, or rather makes a supplement to his former meal. At two his labour re-commences, and he prosecutes it till dark, sometimes visited by his master, but always exposed[Pg 172] to the menaces, blows and scourges either of a white overseer, or a black driver.

The good negro, during the hours of respite allowed him, is not idle. He is busy cultivating the little lot of ground granted him, while his wife (if he has one) is preparing food for him and their children. For it is observable that in this colony, the children of the slaves are not nourished by their masters, as they are at the Antilles; their parents are charged with them, and allowed half a ration more for every child, commencing from the epoch when it is weaned.

Retired at night to their huts, after having made a frugal meal, they forget their labors in the arms of their mistresses. But those who cannot obtain women (for there is a great disproportion between the numbers of the two sexes) traverse the woods in search of adventures, and often encounter those of an unpleasant nature. They frequently meet a patrole of the whites, who tie them up and flog them, and then send them home.

They are very fond of tobacco; they both smoke and chew it with great relish.

Nothing can be more simple than the burial of a slave; he is put into the plainest coffin, knocked together by a carpenter of his own colour, and carried unattended by mourners to the neighbouring grave-field. The most absolute democracy, however, reigns there; the planter and slave, confounded with one another, rot in conjunction. Under ground precedency is all a jest!

"Imperial Caesar dead, and turned to clay,
"May stop some hole to keep the wind away!"—Pope.

Death is not so terrible in aspect to these negroes as to the whites. In fact death itself is not so formidable to any man as the pageantry with which it is set forth. It is not death that is so terrible, but the cries of mothers, wives and children, the visits of astonished and afflicted friends, pale and blubbering servants, a dark room set round with burning tapers, our beds surrounded with physicians and divines. These, and not death itself, affright the minds of the beholders, and make that appear so dreadful with which armies, who have an opportunity of being thoroughly acquainted and often seeing him without any of these black and dismal disguises, converse familiarly, and meet with mirth and gaiety.

The only cloathing of a slave is a simple woollen garment; it is given to them at the beginning of winter. And will it be believed,[Pg 173] that the master, to indemnify himself for this expense, retrenches half an hour from his negro's hours of respite, during the short days of the rigorous season!

Their ordinary food is indian corn, or rice and beans, boiled in water, without fat or salt. To them nothing comes amiss. They will devour greedily racoon, opossum, squirrels, wood-rats, and even the crocodile; leaving to the white people the roebuck and rabbit, which they sell them when they kill those animals.

They raise poultry and hogs, but seldom eat either. They prefer selling them, and purchasing from their profits, cloathing and brandy. They love brandy to excess. Promise a negro a dram, and he will go through fire and water to serve you.

Their smoaky huts admit both wind and rain. An anecdote offers itself to my pen on this subject, which will exhibit the frigid indifference of the colonists of Louisiana towards every thing that interests humanity. Being on a visit at a plantation on the Mississippi, I walked out one fine evening in winter, with some ladies and gentlemen, who had accompanied me from the town, and the planters at whose house we were entertained. We approached the quarter where the huts of the negroes stood. "Let us visit the negroes," said one of the party; and we advanced towards the door of a miserable hut, where an old negro woman came to the threshold in order to receive us, but so decrepit as well as old, that it was painful for her to move.

Notwithstanding the winter was advanced, she was partly naked; her only covering being some old thrown away rags. Her fire was a few chips, and she was parching a little corn for supper. Thus she lived abandoned and forlorn; incapable from old age to work any longer, she was no longer noticed.

But independently of her long services, this negro woman had formerly suckled and brought up two brothers of her master, who made one of our party. She perceived him, and accosting him, said, "My master, when will you send one of your carpenters to repair the roof of my hut? Whenever it rains, it pours down upon my head." The master lifting his eyes, directed them to the roof of the hut, which was within the reach of his hand. "I will think of it," said he.—"You will think of it," said the poor creature. "You always say so, but never do it."—"Have you not," rejoined the master, "two grandsons who can mend it for you?"—"But are they mine," said the old woman, "do they not work for you, and[Pg 174] are you not my son yourself? who suckled and raised your two brothers? who was it but Irrouba? Take pity then on me, in my old age. Mend at least the roof of my hut, and God will reward you for it."

I was sensibly affected; it was le cri de la bonne nature. And what repairs did the poor creature's roof require? What was wanting to shelter her from the wind and rain of heaven? A few shingles!—"I will think of it," repeated her master, and departed.

The ordinary punishment inflicted on the negroes of the colony is a whipping. What in Europe would condemn a man to the galleys or the gallows incurs here only the chastisement of the whip. But then a king having many subjects does not miss them after their exit from this life, but a planter could not lose a negro without feeling the privation.

I do not consider slavery either as contrary to the order of a well regulated society, or an infringement of the social laws. Under a different name it exists in every country. Soften then the word which so mightily offends the ear; call it dependence.

The most common maladies of the negroes are slight fevers in the spring, more violent ones in the summer, dysenteries in autumn, and fluxions of the breast in winter. Their bill of mortality, however, is not very considerable. The births exceed the deaths.

The language of the negro slaves, as well as of a great number of the free mulattoes, is a patois derived from the French, and spoken according to rules of corruption. There are some house-slaves, however, who speak French with not less purity than their masters: their language, it may be presumed, is depraved with many words not to be found in a Voltaire, a Thomas or a Rousseau.—Travels in Louisiana and The Floridas, in the Year, 1802, by Berquin Duvallon, pp. 79-94. Trans. by Davis.

John Davis, 1806

Timothy Flint's Recollections of Conditions in Louisiana in 1826

In the region where I live, the masters allow entire liberty to the slaves to attend public worship, and as far as my knowledge extends, it is generally the case in Louisiana. We have regular meetings of the blacks in the building where I attend public worship. I have, in the years past, devoted myself assiduously, every Sabbath morning, to the labour of learning them to read.[Pg 175] I find them quick of apprehension. They learn the rudiments of reading quicker than even the whites, but it is with me an undoubting conviction, that having advanced them to a certain point, it is much more difficult to carry them beyond. In other words, they learn easily to read, to sing, and scrape the fiddle. But it would be difficult to teach them arithmetic, or combination of ideas or abstract thinking of any kind. Whether their skull indicates this by the modern principles of craniology, or not, I cannot say. But I am persuaded, that this susceptible and affectionate race have heads poorly adapted to reasoning and algebra.

I had heard, before I visited the slave states in the West, appalling stories of the cruelty and barbarity of masters to slaves. In effect I saw there instances of cruel and brutal masters. But I was astonished to find that the slaves in general had the most cheerful countenances, and were apparently the happiest people that I saw. They appeared to me to be as well fed and clothed, as the labouring poor at the North. Here I was told, that the cruelty and brutality were not here, but among the great planters down the Mississippi. So strongly is this idea inculcated, that it is held up to the slave, as a bugbear over his head to bind him to good behaviour, that if he does not behave well, he will be carried down the river, and be sold. When I descended to this country, I had prepared myself to witness cruelty on the one part, and misery on the other. I found the condition of the slaves in the lower country to be still more tolerable, than in that above; they are more regularly and better clothed, endure less inclemency of the seasons, are more systematically supplied with medical attendance and medicine, when diseased, and what they esteem a great hardship, but what is in fact a most fortunate circumstance in their condition, they cannot, as in the upper country, obtain whiskey at all.

It is a certain fact, and to me it is a delightful one, that a good portion of the lights of reason and humanity, that have been pouring such increasing radiance upon every part of the country, have illumined the huts of the slaves, and have dawned in the hearts of their masters. Certain it is, that in visiting great numbers of plantations, I have generally discovered in the slaves affection for their masters, and sometimes, though not so generally, for the overseers. It appears to be a growing desire among masters, to be popular with their slaves, and they have finally become impressed, that humanity is their best interest, that cheerful, well fed and clothed slaves, perform so much more productive labour, as to[Pg 176] unite speculation and kindness in the same calculation. In some plantations they have a jury of negroes to try offences under the eye of the master, as judge, and it generally happens that he is obliged to mitigate the severity of their sentence. The master too has hold of the affection of the slaves, by interposing his authority in certain cases between the slave and the overseer. Where the master is really a considerate and kind man, the patriarchal authority on the one hand, and the simple and affectionate veneration on the other, render this relation of master and slave not altogether so forbidding, as we have been accustomed to consider it.

The negro village that surrounds a planter's house, is, for the most part, the prototype of the village of Owen of Lanark. It is generally oblong rows of uniform huts. In some instances I have seen them of brick, but more generally of cypress timber, and they are made tight and comfortable. In some part of the village is a hospital and medicine chest. Most masters have a physician employed by the job, and the slave, as soon as diseased, is removed there. Provision is also made for the subsistence and comfort of those that are aged and past their labour. In this village by night you hear the hurdy-gurdy, and the joyous and unthinking laugh of people, who have no care nor concern for the morrow. I enter among them, and the first difficulty appears to arise from jealousy, and mutual charges of inconstancy, between the husbands and wives. In fact, the want of any sanction or permanence to their marriage connexions, and the promiscuous intimacies that subsist among them, are not only the sources of most of their quarrels and troubles, but are among the most formidable evils, to a serious mind, in their condition. You now and then see a moody and sullen looking negro, and if you inquire into the cause of his gloom, you will be informed that he has been a fugitive, that he has lived long in the woods upon thieving, that he has been arrested and whipped, and is waiting his opportunity to escape again. Judging of their condition from their countenances, and from their unthinking merriment, I should think them the happiest people here, and in general, far more so than their masters.

It is a most formidable part of the evil of slavery, that the race is far more prolific than that of the whites, and that their population advances in a greater ratio. They are at present in this region more numerous than the whites, and this inequality is increasing every day. Thinking people here, who look to the condition of their posterity, are appalled at this view of things, and[Pg 177] admit that something must be done to avert the certain final consequences of such an order of things. I remark, in concluding this subject, that the people here always have under their eye the condition and character of the free blacks. It tends to confirm them in their opinions upon the subject. The slaves are addicted to theft, but the free blacks much more so. They, poor wretches, have had the privilege of getting drunk, and they avail themselves of it. The heaviest scourge of New Orleans is its multitudes of free black and coloured people. They wallow in debauchery, are quarrelsome and saucy, and commit crimes, in proportion to the slaves, as a hundred to one.

The population of Louisiana is supposed to be, at present, between two and three hundred thousand. After New Orleans, the most populous parishes are Baton Rouge, Feliciana, Rapidé, and Natchitoches. Parishes in this region are civil divisions, derived from the former regime. They are often larger than our counties at the North. This country, from the character of its soil, cannot have a dense population, until the swamps are drained. The population, except the sparse inhabitants of the pine woods, is fixed along the margin of the water courses, and the greater part of the planters can convey their produce immediately on board the steam-boats.—Recollections of the Last Ten Years. Passed in Occasional Residences and Journeyings in the Valley of the Mississippi, by Timothy Flint, 1826, pp. 345-349.

The Observations of Bernard, Duke of Saxe-Weimar Eisenach, in New Orleans

The garrison consists of two companies of infantry, of the first and fourth regiments. This has been here since the last insurrection of Negroes, and has been continued, to overawe them. In case of a serious alarm, this would prove but of little service; and what security is there against such an alarm? In Chartres street, where we dwelt, there were two establishments, which constantly revolted my feelings, to wit: shops in which Negroes were purchased and sold. These unfortunate beings, of both sexes, stood or sat the whole day, in these shops, or in front of them, to exhibit themselves, and wait for purchasers. The abomination is shocking, and the barbarity and indifference, produced by the custom in white men, is indescribable.[Pg 178][231]

There were subscription balls given in New Orleans, to which the managers had the politeness to invite us. These balls took place twice a week, Tuesdays and Fridays, at the French theatre, where the masquerade had been, which I mentioned before. None but good society were admitted to these subscription balls; the first that we attended was not crowded, however, the generality of the ladies present were very pretty, and had a very genteel French air. The dress was extremely elegant, and after the latest Paris fashion. The ladies danced, upon the whole, excellently and did great honour to their French teachers. Dancing, and some instruction in music, is almost the whole education of the female Creoles.

Most of the gentlemen here are far behind the ladies in elegance. They did not remain long at the ball, but hasted away to the quadroon ball, so called, where they amused themselves more, and were more at their ease. This was the reason why there were more ladies[Pg 179] than gentlemen present at the ball, and that many were obliged to form "tapestry." When a lady is left sitting, she is said to be "bredouillè." Two cotillions and a waltz, are danced in succession, and there is hardly an interval of two or three minutes between the dances. The music was performed by negroes and coloured people, and was pretty good. The Governor was also at the ball, and introduced me to several gentlemen, among others, a Frenchman, General Garrigues de Flaugeac, who, having emigrated here from St. Domingo, had married, and given the world some very handsome daughters. Several of the French families here settled, and indeed, the most respectable, were emigrants from that island, who wait for the indemnification due to them, but without any great hopes of receiving it.


At the masked balls, each paid a dollar for admission. As I visited it for the second time, I observed, however, many present by free tickets, and I was told that the company was very much mixed. The unmasked ladies belonging to good society, sat in the recesses of the windows, which were higher than the saloon, and furnished with galleries. There were some masks in character, but none worthy of remark. Two quarrels took place, which commenced in the ball-room with blows, and terminated in the vestibule, with pocket-pistols and kicking, without any interruption from the police.

On the same evening, what was called a quadroon ball took place. A quadroon is the child of a mestize mother and a white father, as a mestize is the child of a mulatto mother and a white father. The quadroons are almost entirely white: from their skin no one would detect their origin; nay many of them have as fair a complexion as many of the haughty Creole females. Such of them as frequent these balls are free. Formerly they were known by their black hair and eyes, but at present there are completely fair quadroon males and females. Still, however, the strongest prejudice reigns against them on account of their black blood, and the white ladies maintain, or affect to maintain, the most violent aversion towards them. Marriage between the white and coloured population is forbidden by the law of the state. As the quadroons on their part regard the negroes and mulattoes with contempt, and will not mix with them, so nothing remains for them but to be friends, as it is termed, of the white men. The female quadroon looks upon such an engagement as a matrimonial contract, though it goes no farther than a formal contract by which the "friend" engages to pay the father or mother[Pg 180] of the quadroon a specified sum. The quadroons both assume the name of their friends, and as I am assured preserve this engagement with as much fidelity as ladies espoused at the altar. Several of these girls have inherited property from their fathers or friends, and possess handsome fortunes. Notwithstanding this, their situation is always very humiliating. They cannot drive through the streets in a carriage, and their "friends" are forced to bring them in their own conveyances after dark to the ball: they dare not sit in the presence of white ladies, and cannot enter their apartments without special permission. The whites have the privilege to procure these unfortunate creatures a whipping like that inflicted on slaves, upon an accusation, proved by two witnesses. Several of these females have enjoyed the benefits of as careful an education as most of the whites; they conduct themselves ordinarily with more propriety and decorum, and confer more happiness on their "friends," than many of the white ladies to their married lords. Still, the white ladies constantly speak with the greatest contempt, and even with animosity, of these unhappy and oppressed beings. The strongest language of high nobility in the monarchies of the old world, cannot be more haughty, overweening or contemptuous towards their fellow creatures, than the expressions of the creole females with regard to the quadroons, in one of the much vaunted states of the free Union. In fact, such comparison strikes the mind of a thinking being very singularly! Many wealthy fathers, on account of the existing prejudices send daughters of this description to France, where these girls with a good education and property, find no difficulty in forming a legitimate establishment. At the quadroon ball, only coloured ladies are admitted, the men of that caste, be it understood, are shut out by the white gentlemen. To take away all semblance of vulgarity, the price of admission is fixed at two dollars, so that only persons of the better class can appear there.

As a stranger in my situation should see every thing, to acquire a knowledge of the habits, customs, opinions and prejudices of the people he is among, therefore I accepted the offer of some gentlemen who proposed to carry me to this quadroon ball. And I must avow I found it much more decent than the masked ball. The coloured ladies were under the eyes of their mothers, they were well and gracefully dressed, and conducted themselves with much propriety and modesty. Cotillions and waltzes were danced, and several of the ladies performed elegantly. I did not remain long there that I[Pg 181] might not utterly destroy my standing in New Orleans, but returned to the masked ball and took great care not to disclose to the white ladies where I had been. I could not however refrain from making comparisons, which in no wise redounded to the advantage of the white assemble. As soon as I entered I found a state of formality.[232]

At the end of January, a contagious disorder prevailed, called the varioloid. It was said to be a species of small-pox, and was described as malignant in the highest degree. Even persons who had undergone vaccination, and those who had passed through the natural small-pox, were attacked by this disorder. The garrison lost six men, of whom two were severely marked. The garrison were placed in the barracks to preserve them from this malady. It was through that it was imported by some negro slaves from the north. Many owners of slaves in the states of Maryland and Virginia have real—(pardon the loathsome expression, I know not how otherwise to designate the beastly idea,) stud nurseries for slaves, whence the planters of Louisiana, Mississippi, and other southern states draw their supplies, which increase every day in price. Such a disease as the varioloid is a fit present, in return for slaves thus obtained![233]

From Charles Gayarré's Unpublished Manuscript on the People of Color in Louisiana

"By 1830, some of these gens de couleur had arrived at such a degree of wealth as to own cotton and sugar plantations with numerous slaves. They educated their children, as they had been educated, in France. Those who chose to remain there, attained, many of them, distinction in scientific and literary circles. In New Orleans they became musicians, merchants, and money and real estate brokers. The humbler classes were mechanics; they monopolized[Pg 182] the trade of shoemakers, a trade for which, even to this day, they have special vocation; they were barbers, tailors, carpenters, upholsterers. They were notable successful hunters and supplied the city with game. As tailors, they were almost exclusively patronized by the élite, so much so that the Legoasters', the Dumas', the Clovis', the Lacroix', acquired individually fortunes of several hundred thousands of dollars. This class was most respectable; they generally married women of their own status, and led lives quiet, dignified and worthy, in homes of ease and comfort. A few who had reached a competency sufficient for it, attempted to settle in France, where there was no prejudice against their origin; but in more than one case the experiment was not satisfactory, and they returned to their former homes in Louisiana. When astonishment was expressed, they would reply, with a smile: 'It is hard for one who has once tasted the Mississippi to keep away from it.'

"In fact, the quadroons of Louisiana have always shown a strong local attachment, although in the state they were subjected to grievances, which seemed to them unjust, if not cruel. It is true, they possessed many of the civil and legal rights enjoyed by the whites, as to the protection of person and property; but they were disqualified from political rights and social equality. But ... it is always to be remembered that in their contact with white men, they did not assume that creeping posture of debasement—nor did the whites expect it—which has more or less been forced upon them in fiction. In fact, their handsome, good-natured faces seem almost incapable of despair. It is true the whites were superior to them, but they, in their turn, were superior, and infinitely superior, to the blacks, and had as much objection to associating with the blacks on terms of equality as any white men could have to associating with them. At the Orleans theatre they attended their mothers, wives, and sisters in the second tier, reserved exclusively for them, and where no white person of either sex would have been permitted to intrude. But they were not admitted to the quadroon balls, and when white gentlemen visited their families it was the accepted etiquette for them never to be present.

"Nevertheless it must not be imagined that the amenities were not observed when the men of the races met, for business or otherwise; many anecdotes are told to illustrate this. The wealthy owner of a large sugar plantation lived in a parish where resided also a rich, highly educated sugar planter of mixed blood, a man who had[Pg 183] a reputation in his day for his rare and extensive library. Both planters met on a steamboat. When the hour for dinner struck, the white gentleman observed a small table set aside, at which his companion quietly took his place. Moved by this voluntary exhibition of humble acquiescence in the exigencies of his social position, the white gentleman, escorted by a friend, went over to the small table and addressed the solitary guest: 'We desire you to dine with us.' 'I am very grateful for your kindness, gentlemen,' was the reply, 'and I would cheerfully accept your invitation, but my presence at your table, if acceptable to you, might be displeasing to others. Therefore, permit me to remain where I am.'

"Another citizen, a Creole, and one of the finest representatives of the old population, occupying the highest social position, was once travelling in the country. His horses appearing tired, and he himself feeling the need of refreshment, he began to look around for some place to stop.

"He was just in front of a very fine, large plantation belonging to a man of color, whom he knew very well, a polished, educated man, who made frequent visits to Paris. He drove unhesitatingly to the house, and, alighting, said: 'I have come to tax your hospitality.' 'Never shall a tax be paid more willingly,' was the prompt reply. 'I hope I am not too late for dinner.' 'For you, sir, it is never too late at my house for anything that you may desire.' A command was given; cook and butler made their preparations, and dinner was announced. The guest noticed but one seat and one plate at the table. He exclaimed: 'What! Am I to dine alone?' 'I regret, sir, that I cannot join you, but I have already dined.' 'My friend,' answered his guest, with a good-natured smile on his lips, 'Permit me on this occasion to doubt your word, and to assure you that I shall order my carriage immediately and leave, without touching a mouthful of this appetizing menu, unless you share it with me.' The host was too much of a Chesterfield not to dine a second time, if courtesy or a guest required.

"The free quadroon women of middle age were generally in easy circumstances, and comfortable in their mode of living. They owned slaves, skilful hairdressers, fine washerwomen, accomplished seamstresses, who brought them in a handsome revenue. Expert themselves at all kinds of needle-work, and not deficient in taste, some of them rose to the importance of modistes, and fashioned the dresses of the elegantes among the white ladies. Many of them made a specialty of making the fine linen shirts worn at that day by[Pg 184] gentlemen and were paid two dollars and a half apiece for them, at which rate of profit a quadroon woman could always earn a honest, comfortable living. Besides, they monopolized the renting, at high prices, of furnished rooms to white gentlemen. This monopoly was easily obtained, for it was difficult to equal them in attention to their tenants, and the tenants indeed could have been hard to please had they not been satisfied. These rooms, with their large post bedsteads, immaculate linen, snowy mosquito bars, were models of cleanliness and comfort. In the morning the nicest cup of hot coffee was brought to the bedside; in the evening, at the foot of the bed, there stood the never failing tub of fresh water with sweet-smelling towels. As landladies they were both menials and friends, and always affable and anxious to please. A cross one would have been a phenomenon. If their tenants fell ill, the old quadroons and, under their direction, the young ones, were the best and kindest of nurses. Many of them, particularly those who came from St. Domingo, were expert in the treatment of yellow fever. Their honesty was proverbial."—Grace King, New Orleans, the Place and People, pp. 346-349.

Caswall's Account of Bishop Polk's Efforts in Louisiana in 1854

"Bishop Polk, of Louisiana, was one of the guests. He assured me that he had been all over the country on Red River, the scene of the fictitious sufferings of 'Uncle Tom,' and that he had found the temporal and spiritual welfare of the negroes well cared for. He had confirmed thirty black persons near the situation assigned to Legree's estate. He is himself the owner of four hundred slaves, whom he endeavours to bring up in a religious manner. He tolerates no religion on his estate but that of the Church. He baptizes all the children, and teaches them the Catechism. All, without exception, attend the Church service, and the chanting is creditably performed by them, in the opinion of their owner. Ninety of them are communicants, marriages are celebrated according to the Church ritual, and the state of morals is satisfactory. Twenty infants had been baptized by the bishop just before his departure from home, and he had left his whole estate, his keys, &c., in the sole charge of one of his slaves, without the slightest apprehension of loss or damage. In judging of the position of this Christian prelate as a slave-owner, the English reader must bear[Pg 185] in mind that, by the laws of Louisiana, emancipation has been rendered all but impracticable, and, that if practicable, it would not necessarily be, in all cases, an act of mercy or of justice."—The Western World Revisited, by the Rev. Henry Caswall, M.A., author of America and the American Church, etc. Oxford, John Henry Parker, 1854. See Journeys and Explorations in the Cotton Kingdom, by Frederick Law Olmsted, Vol. II, pp. 212-213.

Olmsted's Observations in Louisiana in 1860

With regard to the religious instruction of slaves, widely different practices of course prevail. There are some slaveholders, like Bishop Polk of Louisiana, who oblige, and many others who encourage, their slaves to engage in religious exercises, furnishing them certain conveniences for the purpose. Among the wealthier slave owners, however, and in all those parts of the country where the enslaved portion of the population outnumbers the whites, there is generally a visible, and often an avowed distrust of the effect of religious exercises upon slaves, and even the preaching of white clergymen to them is permitted by many with reluctance. The prevailing impression among us, with regard to the important influence of slavery in promoting the spread of religion among the blacks, is an erroneous one in my opinion. I have heard northern clergymen speak as if they supposed a regular daily instruction of slaves in the truths of Christianity to be general. So far is this from being the case, that although family prayers were held in several of the fifty planters' houses in Mississippi and Alabama, in which I passed a night, I never in a single instance saw a field-hand attend or join in the devotion of the family.—See Olmsted's Cotton Kingdom, II, 212-213.

Footnotes:

[228] Environ soixante livres.

[229] It is apparent that our author once lived at St. Domingo. I imagine he was a sufferer from the revolt, insurrection and triumph of the Negroes; hence his aversion to them, hence his revilings, hence his outrageous invectives.

[230] The disastrous events proceeding from the late war should be impressed with redoubled force upon the minds of all slave-holders throughout the globe, they should teach them the necessity of keeping them in that state of content and subordination, which will alienate them from the wish of acquiring a freedom, which has cost so much blood to the colonists of St. Domingo. I subjoin for the information of the inhabitants of the United States the directions issued by the Spanish government for the treatment of slaves in Louisiana. They exhibit the internal police of the plantations.

Every slave shall punctually receive the barrel of corn allowed by the usage of the colony, and which quantity is voluntarily augmented by the greater part of their masters.

The Syndics shall take measures to induce the planters of their district to allow their negroes a portion of their waste lands; by which they will not only add to their comforts, but increase the productions of the province, and that time will be usefully employed which would otherwise be devoted to libertinism.

Every slave shall be allowed half an hour for breakfast, and two hours for dinner; their labor shall commence at break of day, and shall cease at the approach of night. Sundays shall be the holiday of the slaves, but their masters may require their labor at harvest, &c. on paying them four escalins per diem.

The slaves who have not a portion of waste lands shall receive punctually from their masters a linen shirt and trowsers for the summer, and a woollen great coat and trowsers for the winter.

No person shall cause to be given, at once, more than thirty lashes to his slave, under penalty of fifty piasters, but the same may be repeated, if necessary, within an interval of one day.

It is permitted to shoot at an armed run-away negro, who shall refuse to stop when required; or who cannot otherwise be taken, even if he be not armed; at a negro who shall dare to defend himself against his master or overseer; and lastly at those who shall secretly enter a plantation with intent to steal.

Whosoever shall kill a slave, unless in one of the cases before mentioned, shall be punished to the extent of the law, and if he shall only wound him, he shall be punished according to the circumstances of the case. Intrigues, plots of escape, &c. arising in general from the negroes of one plantation visiting those of another, the inhabitants are forbidden under the penalty of ten piasters, to allow any intercourse or resort of negroes to their plantations for the purpose of dancing, &c. And the amusements of their own slaves, which shall be allowed only on Sundays, shall terminate always before night.

A slave shall not pass the bounds of his master's land, without his permission in writing, under the penalty of 20 lashes.

A slave shall not ride the horse of his master or any other person, without permission, shall be punished with 30 lashes.

Slaves shall not be permitted to be proprietors of horses, under penalty of the confiscation thereof.

Fire-arms are prohibited to slaves, as also powder, ball and lead, under the penalty of thirty lashes and the confiscation thereof.

An inhabitant may not have more than two hunters, who are to deliver up their arms and ammunition on their return from the chase.

Slaves may not sell any thing without the permission of their master, not even the productions of the waste lands allowed them.

Rum, fire-arms and ammunition shall be seized when in possession of coasters, and sold at public auction for the use of the treasury.

New-Orleans, June 1, 1795.

Le Baron de Carondelet.

[231] Among the slave traders, a Hollander from Amsterdam, disgusted me particularly, his name was Jacobs. He had the most vulgar and sinister countenance imaginable, was constantly drunk, and treated the wretched negroes in the most brutal manner; he was, however, severely beaten by these miserable beings, driven to despair. Bernard, Duke of Saxe-Weimar Eisenach, Travels through North America during the years 1825 and 1826, pp. 57-59.

The virtuous indignation of the Duke, at these horrible consequences of slavery, is such as every man, not hardened by long familiarity with such scenes, must feel; those to whom they are daily presented regard them with calm indifference, or even attempt to argue in favour of their continuance and harmlessness. It is not as generally known, as it should be, that the slave trade is carried on, almost as vigorously now, as ever it was, and by citizens of almost every nation; not in the least excepting Americans. The slave vessels sail principally from Havanna and St. Thomas, and land their cargoes on the island of Puerto Rico, and elsewhere, whither purchasers and agents resort, when such an arrival occurs. Two schooners, with large cargoes, arrived in Puerto Rico in February last, and two brigs were daily expected. It is said in the West Indies, that all ships of war, of powers owning West India Colonies, connive at the trade, which is fully supported by facts; as French, Danish, and English cruisers were in the vicinity, when the above mentioned cargoes arrived. The idea of cruising off the coast of Africa, to prevent the trade, is ridiculed by the slave dealers, with one of whom the writer of this note conversed. If the American, or any other government really wished to put an end to this trade, it could be very effectually accomplished, by sending small armed vessels to intercept the slave traders near their places of landing cargoes, which are not very numerous. It is also said, in the West Indies, that the Havanna traders still contrive to introduce Africans into the southern part of the United States; of the truth or falsehood of this, we know nothing. The slave vessels are generally Baltimore clipper brigs, and schooners, completely armed and very fast sailers. Two of them sailed on this execrable trade in February last, from a port visited by the writer.—Trans.

[232] If it be known that a stranger, who has pretensions to mix with good society, frequents such balls as these, he may rely upon a cold reception from the white ladies.

[233] A plain, unvarnished history of the internal slave trade carried on in this country, would shock and disgust the reader to a degree that would almost render him ashamed to acknowledge himself a member of the same community. In unmanly and degrading barbarity, wanton cruelty, and horrible indifference to every human emotion, facts could be produced worthy of association with whatever is recorded of the slave trade in any other form. One of these internal slave traders has built, in a neighboring city, a range of private prisons, fronting the main road to Washington, in which he collects his cattle previous to sending off a caravan to the south. The voice of lamentation is seldom stilled within these accursed walls. Bernard, Duke of Saxe-Weimar Eisenach, Travels through North America during the years 1825 and 1826, pp. 61-63.


[Pg 186]

The Conditions against which Woolman and Anthony Benezet Inveighed

Impressions of Jasper Danckaerts in 1679-1680

Servants and negroes are chiefly employed in the culture of tobacco, who are brought from other places to be sold to the highest bidders, the servants for a term of years only, but the negroes for ever, and may be sold by their masters to other planters as many times as their masters choose, that is, the servants until their term is fulfilled, and the negroes for life. These men, one with another, each make, after they are able to work, from 2,500 pounds to 3,000 pounds and even 3,500 pounds of tobacco a year, and some of the masters and their wives who pass their lives here in wretchedness, do the same. The servants and negroes after they have worn themselves down the whole day, and come home to rest, have yet to grind and pound the grain, which is generally maize, for their masters and all their families as well as themselves, and all the negroes, to eat. Tobacco is the only production in which the planters employ themselves, as if there were nothing else in the world to plant but that, and while the land is capable of yielding all the productions that can be raised any where, so far as the climate of the place allows. As to articles of food, the only bread they have is that made of Turkish wheat or maize, and that is miserable. They plant this grain for that purpose everywhere. It yields well, not a hundred, but five or six hundred for one; but it takes up much space, as it is planted far apart like vines in France. This grain, when it is to be used for men or for similar purposes, has to be first soaked, before it is ground or pounded, because the grains being large and very hard, can not be broken under the small stones of their light hand-mills; and then it is left so coarse it must be sifted. They take the finest for bread, and the other for different kinds of groats, which, when it is cooked is called sapaen or homina. The meal intended for bread is kneaded moist without leaven or yeast, salt or grease, and generally comes out of the oven so that it will hardly hold together, and so blue and moist that it is as heavy as dough; yet the best of it when cut and roasted, tastes almost like warm white bread, at least it then seemed to us so. This corn is also the only provender for all their animals, be it horses, oxen, cows, hogs, or fowls, which generally run in the woods to get their[Pg 187] food, but are fed a little of this, mornings and evenings during the winter when there is little to be had in the woods; though they are not fed too much, for the wretchedness, if not cruelty, of such living, affects both man and beast. This is said not without reason, for a master having a sick servant, and there are many so, and observing from his declining condition, he would finally die, and that there was no probability of his enjoying any more service from him, made him, sick and languishing as he was, dig his own grave, in which he was to be laid a few days afterwards, in order not to busy any of the others with it, they having their hands full in attending to the tobacco.—Jasper Danckaerts' Original Narratives of Early American History, 1679-1680, p. 133.

Observations of Campbell in 1745-1746

The Negroes live as easily as in any other Part of America, and at set Times have a pretty deal of Liberty in their Quarters, as they are called. The Argument of the Reasonableness and Legality, according to Nature, of the Slave-Trade, has been so well handled on the Negative Side of the Question, that there remains little for an Author to say on that Head; and that Captives taken in War, are the Property of the Captor, as to Life and Person, as was the Custom amongst the Spartans; who, like the Americans, perpetuated a Race of Slaves, by marrying them to one another, I think, has been fully disprov'd: But allowing some Justice in, or, at least, a great deal of Necessity for, making Slaves of this sable Part of the Species; surely, I think, Christianity, Gratitude, or, at least, good Policy, is concerned in using them well, and in abridging them, instead of giving them Encouragement, of several brutal and scandalous Customs, that are too much practised: Such as giving them a Number of Wives, or, in short, setting them up for Stallions to a whole Neighborhood; when it has been prov'd, I think, unexceptionably, that Polygamy rather destroys than multiplies the Species; of which we have also living Proofs under the Eastern Tyrants, and amongst the Natives of America; so that it can in no Manner answere the End; and were these Masters to calculate, they'd find a regular Procreation would make them greater Gainers. A sad Consequence of this Practice is, that their Children's Morals are debauch'd by the Frequency of such Sights, as only fit them to become the Masters of Slaves. This is one bad Custom amongst many others; but as to their general Usage of them, 'tis monstrous, and shocking. To be sure, a new Negro, if he must be broke, either from Obstinacy, or, which I am more apt to suppose, from Greatness[Pg 188] of Soul, will require more hard Discipline than a young Spaniel: You would really be surpriz'd at their Perseverance; let an hundred men shew him how to hoe, or drive a Wheelbarrow, he'll still take the one by the Bottom, and the other by the Wheel; and they often die before they can be conquer'd. They are, no Doubt, very great Thieves, but this may flow from their unhappy, indigent Circumstances, and not from a natural Bent; and when they have robb'd, you may lash them Hours before they will confess the Fact; however, were they not to look upon every White Man as their Tormentor; were a slight Fault to be pardon'd now and then; were their Masters, and those adamantine-hearted Overseers, to exercise a little more Persuasion, Complacency, Tenderness and Humanity towards them, it might perhaps, improve their Tempers to a greater Degree of Tractability. Such Masters and such Overseers, Maryland may with Justice Boast; and Mr. Bull, the late Lieutenant-Governor of Carolina, is an Instance, amongst many, of the same, in that Province: But, on the contrary, I remember an Instance of a late Sea Officer, then resident in a neighbouring Colony, that for a mere Peccadillo, order'd his Slave to be ty'd up, and for a whole Hour diverted himself with the Wretched Groans; struck at the Mournful Sound, with a Friend, I hasted to the Noise, where the Brute was beginning a new Scene of Barbarity, and belabour'd the Creature so long with a large Cane, his Overseer being tir'd with the Cowskin, that he remained without Sense and Motion. Happily he recovered, but, alas! deceas'd soon after, and perhaps, may meet him, where the Wicked cease from troubling, and the Weary be at rest: Where as our immortal Pope sings.

No friends torment, no christians thirst for gold. Another, upon the same Spot, when a Girl had been lash'd till she confess'd a Robbery, in mere Wantonness continu'd the Persecution, repeating every now and then these christian-like, and sensible Expressions in the Ragings of his Fury, G—dd—mn you, when you go to Hell, I wish G—d would d—mn me, that I might follow you with the Cowskin there.

Slavery, thou worst and greatest of Evils! Sometimes thou appearest to my affrighted Imagination, sweating in the Mines of Potosi, and wiping the hard-bound Tears from thy exhausted eyes; sometimes I view thy sable Liberty under the Torture of the Whip, inflicted by the Hands, the remorseless Hands of an American Planter: At other Times I view thee in the Semblance of a Wretch[Pg 189] trod upon by ermin'd or turban'd Tyrants, and with poignant, heart-breaking Sighs, dragging after thee a toilsome Length of Chain, or bearing African Burdens. Anon I am somewhat comforted, to see thee attempt to smile under the Grand Monarque; but on the other Side of the Alpes, thou again resum'st thy Tears, and what, and how great are thy Iberian Miseries! In Britain, and Britain only, thy name is not heard; thou hast assum'd a new Form, and the heaviest Labours are lightsome under those mild Skies!

Oh Liberty, do thou inspire our breasts!
And make our lives in thy possession happy;
Or our deaths glorious, in thy just defence.

Addison.
—Campbell, Itinerant Observations in America, 1745-1746, p. 37.

Impressions of Priscilla Wakefield

After one of these handsome entertainments, where we had been attended by negro slaves, I observed a cloud upon the brow of my young friend, for which I could not account, till he confessed, that the sight of men who were the property of their fellow creatures, and subject to every indignity, excited such painful reflections, that he could not banish them from his mind. I endeavoured to soothe him, by representing that their treatment here is gentle, compared with that exercised in the southern states, and in the West Indies; though the efforts that have been made for the abolition of slavery, have improved their conditions every where.

It is indeed to be regretted, that men, so ardent in the love of liberty for themselves as the Americans are, should continue, in any degree, to tolerate the slave trade. Many amongst them, however, have used every endeavour to abolish it, particularly Anthony Benezet. He was born at St. Quintin, in Picardy, in 1712. France, at this time, suffered from religious persecution; which drove the parents of Benezet to England, where he embraced the doctrines of the Quakers. He went to America in 1736, and settled at Philadelphia, in a commercial line of business; but that employment being unsuitable to his turn of mind, he quitted it for the instruction of youth, and undertook the management of a school, belonging to the society whose principles he had adopted. From that period, he devoted the chief part of his life to public instruction, to the relief of the poor, and the defense of the unhappy negroes.

The amiable Benezet was warmed with universal philanthropy:[Pg 190] he felt a brotherly affection for all men, of all countries, and of all colours. Not contented with persuasion, he composed many books, in which he collected authorities from Scripture and other writings, to discourage and condemn the slave-trade and slavery. The first influence of his works was perceived amongst the Quakers. Many of them determined to emancipate their slaves; and the society since has been very active in promoting the abolition. Benezet knew that instruction was necessary for those blacks whose liberty he had procured; and finding few willing to undertake a task, that prejudice had rendered contemptible, he determined to devote his own time to the glorious occupation of enlightening the ignorant and neglected, and his little fortune to the establishment of a school for the negroes. The influence of a good example is powerful. Those who had not courage to begin, cheerfully assisted the work; and the school now enjoys a revenue of two hundred pounds per annum. This good man died in 1784; honoured by the tears of the blacks, and the regrets of every friend to humanity. John Woolman, also a member of the same society, remarkable for the simplicity of his manners, and his opposition to the slave-trade, united with Benezet and others, in application to the British government for the abolition. Their efforts were ineffectual. America after gaining her independence, has listened, more favourably, to the cause of humanity. Most of the northern and middle states have proscribed for ever, the importation of slaves; and in some others, the prohibition is limited to a certain time. Georgia is the only state that continues to receive transported slaves. Rhode Island had a great traffic in slaves, but has totally prohibited it. The abolition, and amendment in the condition of the negroes, certainly advance, though by slow degrees; and it is to be devoutly wished, that in time these improvements will extend to all parts of the world, where slavery prevails. It will be interesting to you, my dear brother, to know the steps that have procured these advantages. In 1780, the General Assembly of Pennsylvania abolished slavery for ever; compelled the owners of slaves to have them registered; declared their children free at the age of twenty-eight; placed them, while under that age, on the footing of hired servants; and assured to them the privilege of trial by jury. But this was not sufficient to secure to them all the intended advantages: by a second act it was ordained, that no negro could be sent into a neighbouring state without his consent; that all vessels and cargoes employed in the slave trade should be confiscated; and that all stealers of the negroes should be condemned to the public works.[Pg 191] The little state of Delaware followed this noble example. New York has sanctioned nearly the same regulations in their favour as Pennsylvania. A society, connected with one in London, and others in the American states, formed for the express purpose of promoting the abolition, has greatly ameliorated their condition, in all respects; especially by affording numbers of them a degree of instruction in religion, and the useful arts of reading and writing, which they acquire with as much facility as white men brought up in the same manner. From this information we may encourage the hope, that the time approaches when their shackles shall be removed, and they shall participate with the other races of mankind, in the common benefits of liberty and independence: that instead of the treatment of beasts of burthen, they shall be considered as rational beings, and co-heirs with us of immortality: that a conscientious care of educating their children in the great duties of Christianity, will produce a happy change from the vices in which, from ignorance and a combination of unfavorable circumstances, they now live, to the practice of religion and morality, and entitle them to rank on an equality with their fellow-creatures. Besides these public acts in favour of the negroes, many individuals have generously given liberty to their slaves; amongst others that have fallen under my notice, I shall mention the instance of Messrs. David and John Barclay, respectable merchants in London, who received, as an equivalent for a debt, a plantation in Jamaica, stocked with thirty-two slaves. They immediately resolved to set these negroes free; and that they might effectually enable them afterwards to provide for themselves, the surviving brother, David, sent an agent from England to manage the business, and convey them to Philadelphia, having first supplied them with all necessaries; where, under the fostering hand of his friends in the city, with the assistance of the Abolition Society, they were apprenticed to mechanic trades, and the children sent to school to be properly instructed. This benevolent act was rewarded with extraordinary success. Except two, these liberated slaves prospered, and became useful members of the community.

Many of those who are free, gain a great deal of money; as I conclude, from a ball given among themselves, at which we were present, where, though all of a sooty black, the company was well dressed, came in coaches, and were regaled with a good supper and variety of refreshments.—Priscilla Wakefield, Excursions in North America, 1806, p. 16 et seq.


[Pg 192]

Book Reviews

Andrew Johnson, Military Governor of Tennessee. By Clifton R. Hall, Ph.D. Princeton University Press, Princeton, 1916. Pp. 234.

This book, according to the author, is an attempt to "trace the personality of Andrew Johnson through the years 1862-1865 when the burden of military government and reconstruction in Tennessee rested principally upon his shoulders." The author has intentionally neglected to give detailed treatment of the military administration in West Tennessee by the generals of the regular army and also of the Federal trade regulations in the State. No effort is here made to trace the career of Johnson after the close of his services in Tennessee. The account is largely based on the papers of Johnson found in the Official Records of the Union and Confederate Armies and on the newspapers of that period, especially the Nashville Union. The author is conscious of his failure adequately to present the "Confederate side of many controverted points," because of "a most regrettable dearth of material for this purpose."

Dr. Hall aims to answer certain charges, among which are such as the assertion that Johnson purposely delayed the work of reconstruction and that he by rather harsh treatment excluded many unquestionably loyal men from the work of reconstruction. The purpose of the work is to show how the lesson learned by Johnson in reconstructing his own State constituted a training for the higher work to which he was so suddenly and unexpectedly called. With this end in view the writer considers first secession, and then gives a sketch of Andrew Johnson leading up to his inauguration as Military Governor. Then follow such topics as the defense of Nashville, repression under Rosecrans, military and political reverses, the progress of reorganization and the presidential campaign of 1864. Throughout the treatise an effort is made to show the arduousness of the task of the Governor-of-all-work had to do and how he summoned to his aid the constructive element and reestablished order. There is given also an account not only of the opposition of those who looked upon the Governor as a traitor but of that of the militant factions that divided on the question as to how the State should be reconstructed. Lincoln's plan of reconstruction is[Pg 193] presented as a factor which figured largely in the problems the Governor had to solve.

How the question of slavery was then treated by the men solving the problem of maintaining the Union is not neglected. Andrew Johnson is referred to as product of the poor white stock that hoped to see the evil of slavery exterminated because it was at variance with the principles of democracy, but on the other hand believed that it was so deeply rooted in the life of the nation that it should not be molested so long as it "remained in strict subordination to and in harmony with the government." The writer shows also how Johnson felt that in case of secession the Federal Government could not coerce a State, yet believing that this government, the best and freest on earth, should be preserved, he undermined his own anti-coercion doctrine by denouncing the right of secession and urging that although the Federal Government could not coerce a State, it had a right to guarantee the loyal citizens representing it a constitutional form of government. Some space is given to the discussion of the exception of Tennessee from the Emancipation Proclamation, the growing tendency of Johnson to ignore slavery to preserve the Union, how the opponents sought to weaken him by saying that he was opposed to the institution and finally how he suffered it to be sacrificed to save the Union. Passing mention is given the working out of the problem of abolition and the proposition as to what relief and what privileges should be given the emancipated Negroes.

J. O. Burke


The New Negro. By William Pickens, Dean of Morgan College, Baltimore. Neale Publishing Company, New York, 1916. Pp. 239.

"The New Negro" is a collection of speeches and essays through which this well known orator has endeavored to present his views on the race problem in the United States. Primarily polemic and ex-parte, this work will hardly attract the attention of the investigator. But when an author like this one, a man of reputation and influence among his people, writes on such subjects as the "renaissance" of the Negro, his constitutional status, and discusses Alexander Hamilton, Frederick Douglass, and Abraham Lincoln, the serious reader might well pause to give this work more than ordinary consideration.

The book does not bear the stamp of research; the aim of the[Pg 194] work is to defend the Negro and laud those who have championed his cause. The bold claims which Negroes have been making from time immemorial are set forth in brilliant and forceful style. In this respect the book is a success. It goes over old ground, but it does its work well. Although not historical, some valuable facts of Negro history are given from page to page. It contains, however, a few statements which are not essential to the establishment of the Negro's claim to great achievement. It is very difficult to demonstrate to a thinking man the advantage to the Negro of such a contention as the much mooted connection of Alexander Hamilton and Robert Browning with the black race when those men spent their lives and passed into history as white men. Such argument has just about as much bearing on the present as the efforts now being made by certain enthusiastic race leaders to prove that Christ was a black man rather than a Jew. Fraught then with opinions rather than with organized facts adequate to the development of the subject constituting its title, the book must be classed as controversial literature.

It may be well to note here, however, exactly what the author means by the "new Negro." The "new Negro," says he, "is not really new; he is the same Negro under new conditions. Those who regret the passing of the 'old Negro' and picture the new as something very different must remember that there is no sharp line of demarcation between the old and the new in any growing organism like a germ, a plant or a race." The "new Negro" then is simply the Negro differently circumstanced. He is ignored by the white man and, therefore, misunderstood. The "new Negro" is living under the handicap of isolation by white men who differ from their former masters who lived in close contact with them. The result is that the white man of today, choosing not to become acquainted with the Negro, has constructed within his mind a person entirely different from what the Negro actually is. The "new Negro" is not treacherous, indolent and criminal as suspected. He "is a sober, sensible creature, conscious of his environment, knowing that not all is right, but trying hard to become adjusted to this civilization in which he finds himself by no will or choice of his own. He is not the shallow, vain, showy creature which he is sometimes advertised to be. He still hopes that the unreasonable opposition to his forward and upward progress will relent. But, at any rate, he is resolved to fight, and live or die, on the side of God and the Eternal Verities."[Pg 195]


Cotton as a World Power. By James A. B. Scherer, LL.D. Frederick A. Stokes Company, New York, 1916. Pp. 452.

Here we see cotton again not as king but as a world power. It is the new Golden Fleece. The Civil War brought home to the public mind that this vegetable fleece is really golden "and that its golden values are so interwoven with the solidarity of mankind as to depend to a peculiar degree for their stability on the maintenance of an unbroken network of international trade. Cotton is here considered peculiar in that it is the only crop of importance, all of which is sold by those who produce it. It, therefore, gives rise to an enormous commerce and provides a medium of exchange that almost entirely takes the place of gold in the settlement of interstate and international balances." By it countries are bound together "in its globe engirdling web; so that when a modern economist concerns himself with the interdependence of nations he naturally looks to cotton for his most effective illustration."

Showing its startling growth in the Orient and the Occident even from the time of Alexander the Great, cotton is traced as a factor in the development of ancient nations and in the rise of the modern. It strikes one as being a little strange to read in this economic treatise such captions as "The Vegetable Lamb" and "Cotton Mythology." The author then gives in more detail the earliest history of the industry, referring to Hindu skill, Alexander's trade routes, Egyptian mummies, the microscope, the transit from Rome to Spain, cotton and the Renaissance, Edward III as the weaver king, the entrance of cotton into England and the transformation of the country.

Taking up the industrial revolution the author develops the subject more scientifically. The work contains less of mere history and gives a more economic view of the forces set to work by the culture of cotton throughout the civilized world. The numerous inventions which figured so conspicuously in the rise of the industry are discussed. In this portion of the work, however, the author has hardly said anything new. He has merely restated well-known facts so as to give them a somewhat enlarged and original treatment. Here we read more about Kay, Hargraves, Arkwright, Compton, Cartwright, Watt, Davy and Brindley, whose inventive genius supplied the mechanical appliance upon which this industrial progress was based. Mention is also made of the captains of industry who set this machinery going and directed the world-wide movement which resulted in multiplying the wealth of some and bringing[Pg 196] comfort and prosperity to many. The references to the influence of cotton on such writers as Malthus and Darwin and upon such explorers as Columbus and Cortes show the breadth with which the author treats the subject.

A large part of this work, of course, is devoted to tracing the connection of cotton with the early manufacturing in the United States, its impetus to slavery, its influences upon States' rights, its effects on manufacturing in New England and on protection, free trade, secession, the reconstruction of the South and the social problem. On the whole this is an excellent work and will be received by students of economic history as a valuable contribution in its field.

C. B. Walter


Centennial Encyclopedia of the African Methodist Episcopal Church. By Richard R. Wright, Jr., Ph.D., Editor-in-chief, assisted by John R. Hawkins, LL.B. Book Concern of the A. M. E. Church, Philadelphia, Pa., 1916. Pp. 392.

This is a neatly printed and handsomely bound volume of valuable facts meeting a long-felt need. It contains an introduction by Bishop L. J. Coppin, a foreword entitled "One Hundred Years of African Methodism," a sketch of "What African Methodism Has to Say for Itself," by Dr. J. T. Fenifer, the historian of the church, and the Chronology of African Methodism by Dr. R. R. Wright. In these pages one finds in epitome the leading facts of the history of this church from the time of its establishment by Richard Allen to the present time.

Then follows the Centennial Encyclopedia of the African Methodist Episcopal Church. "The purpose of this work," according to the editors, "is to present in some literary form the work of the men and women, both ministers and laymen, who have helped to make the Church what it is and especially those now living who receive the inheritance of the fathers and upon whose shoulders rest the responsibility of passing the work down to a new century." The editors disclaim pretension to scientific historical treatment. The work is rather biographical and autobiographical and was prepared under such a handicap that some of the matter presented could not be verified. Yet when we consider the fact that the editors had access to the files of newspapers, church histories, and other church encyclopedias, we must conclude that they have here compiled information of incalculable value. The reader must be impressed too[Pg 197] by the scientific disposition of the editors in that they show no inclination to criticize or eulogize, but endeavor to present facts.

The second part of the book, differing somewhat from the first, is equally as valuable. It contains an account of the Church in general, its location, laws, doctrines, statistics and almost every sort of information bearing on the life of those connected with this Church. Among these facts, too, the reader finds not only a religious history but an excellent account of the development of education among these people. In this respect, therefore, the editors have rendered the cause of education a service hardly less valuable than that to the Church.

The volume as a whole shows much progress. It is the best Negro Church encyclopedia hitherto produced. One may obtain here in succinct form an excellent ready reference work. The book is modestly given to the public as a beginning, but it has accomplished much for the race not only in the information which it contains but in demonstrating what a store of knowledge may be obtained through an effective organization. Just as the African Methodist Episcopal Church has gone to the expense of bringing out this valuable volume to publish to posterity the deeds of its fathers, so should every Negro organization address itself to the task of preserving a record of all of their connection, who have done something for the development of the country and the progress of their people.


[Pg 198]

Notes

Father Uncles of Baltimore

The following from the Brooklyn Tablet, January 13, 1917, will interest students of the Negro Church:

"Rev. Charles Randolph Uncles, of Baltimore, Maryland, received congratulatory messages from all parts of the country last month, the occasion being the twenty-fifth anniversary of his ordination. Father Uncles was the first colored man of the United States to be raised to the priesthood, and he has had a brilliant career during the quarter century that has elapsed since Cardinal Gibbons ordained him in the Baltimore Cathedral on December 19, 1891.

"Father Uncles has done much missionary work and is at present engaged in teaching Latin and French in Epiphany College, Walbrook, Maryland, the preparatory school for St. Joseph's Seminary, where young men are trained to carry on work among the negroes of the United States.

"Father Uncles was the first negro in this country to be ordained. He reached his goal after years of preliminary study which led to his taking a course in St. Joseph's and St. Mary's Seminaries. He was graduated with honors and went to Epiphany College as teacher as soon as he left St. Mary's. He has done much to put the negro missions on a thorough working basis, and he has the admiration of Cardinal Gibbons. Father Uncles was born in Baltimore November 6, 1859, and his parents and grandparents were free negroes. His father was a machinist and worked for years with the Baltimore & Ohio Railroad. His mother is still living.

"He was baptized at St. Francis Xavier's Church, Calvert and Pleasant streets, Baltimore, and there he recently said his jubilee Mass. He studied at St. Francis's parish school and in the public schools. He worked as printer and journalist from 1874 to 1879 and then as printer. In 1880 he began as teacher in the Baltimore county schools, and in 1883 entered St. Hyacinth's College, Quebec, to study. He returned to St. Joseph's Seminary in 1888."

The same paper said on this date in its editorial columns:

"Congratulations to Father Uncles, of Baltimore, a priest, a gentleman, a scholar—and a negro. He has just celebrated the[Pg 199] twenty-fifth anniversary of his entrance into the Order of Abel, Abraham and Melchizedek.

"Father Uncles was the first of his race in this country to be raised to the dignity of the priesthood. His was a unique position. The eyes of the American world were upon him. Though one of God's anointed, he was a "colored man," and thus more was demanded of him than of any of his white brothers. At the end of twenty-five years, he can, with his gentle good nature, laugh at the world's scrutiny.

"For Father Uncles is gentle—a gentleman. In conversation with him, in association with him, one never thought of the color of his body. The beautiful whiteness of his soul shone so in the kindly lightning of his eyes, the courtesy of his speech, the correctness of his manner.

"He was, and is, a scholar—not merely book-learned, for he was one of the first three in a class of sixty in Saint Mary's Seminary, but the man of parts that bespeak the student.

"Yet he is a negro—of that long-suffering race that we first damned into slavery and then freed into servitude. But a man's a man for a' that, and from time to time the negro is proving that. Father Uncles was a pioneer in that line. For emancipation's sake he will not object to this projection of himself upon America's mental screen."

In connection with the sketch given above the following account of the work of the Catholics at Van de Vyver College, Richmond, Virginia, from 1885 to the present time should also be interesting.

Among the many signs of the progress of the colored people in the city of Richmond is the Van de Vyver College on North First street, which is equipped with all modern improvements, and has accommodations for five hundred pupils.

This elegant plant was erected at the sole expense of the Catholics who, abreast of the times, met at every turn the requirements of an aspiring class of colored boys and girls.

It was not erected with the idea of drawing the attention or of eliciting the applause of the people of Richmond; it is an institution which, by its growth and development, has marked time with the demands of the younger generation of the colored people, whose endeavor is to follow the higher ideals as they are set before them.

This grand building, with its large auditorium, now covers the site, together with additional area, of a former two-roomed schoolhouse, which thirty years back first gave the Catholic Sisters from[Pg 200] Mill Hill, England, a place and opportunity to show their zeal for, and their interest in, the future welfare of the colored youth of the principal city of the Old Dominion.

These Sisters are known as the Sisters of St. Francis of Baltimore. They have the privilege of being the first of all the white sisterhoods in this country to take up the work of teaching colored children exclusively. Today there are many colored citizens who are not backward in their praise of the successful and unselfish efforts of these same good sisters, whose energetic endeavors have led many a colored boy and girl to a happy and prosperous career.

On the college grounds is an excellently equipped kindergarten, in which many pupils, who later on were graduated from the commercial and academic courses, made their first start.

Special classes in music, fancy needlework, Latin and French are also taught to those desiring to pursue such lines.

For the working boys and young men, there is a night session, wherein is given a theoretical and practical knowledge of the automobile. Many a young man has gone forth from this class qualified as an expert mechanician and chauffeur.

The church adjoining the college, attendance at which is of course optional, affords all the opportunity of gaining a knowledge of the doctrine of the Catholic Church. Affiliated with this church are four flourishing societies, one for the men called the Holy Name Society; one for the women called The Sodality of the Mother of Jesus; one for men and women called The League of the Sacred Thirst—a Temperance Society; and one for the boys and girls called the Knights and Ladies of the Cross. The members of these societies are very faithful in the duties required of them, and hence give great edification to the people of both races.

This whole plant, it is needless to say, is an inspiring spectacle to the very many colored men and women, who pass up and down North First street. They have reason to point to it with pride. They appreciate all that it represents to them. It matters not of what denomination the people may be, Catholic or Non-Catholic, words of the highest commendation are freely and generously given by all alike.

Father Tobin

More about Negro Soldiers

The following account of the services of Negroes during the American Revolution appeared in the Washington Post, January 16, 1917:[Pg 201]

"The employment of colored men became a subject of much importance at an early stage of the American war of independence. The British naturally regarded slavery as an element of weakness in the condition of the colonies, in which the slaves were numerous, and laid their plans to gain the colored men and induce them to take up arms against their masters by promising them liberty on this condition.

"The situation was looked upon by the public men of the colonies as alarming, and several of them urged the Congress to adopt the policy of emancipation. But while the general question of emancipation was defeated, the exigencies of the contest again and again brought up the practical one of employment for colored men, whether bond or free.

"Only Freemen Wanted in Army

"In May, 1775, Hancock and Warren's committee of safety introduced the following formal resolution: 'Resolved, That it is the opinion of this committee, as the contest now between Great Britain and the colonies respects the liberties and privileges of the latter, which the colonies are determined to maintain, that the admission of any person as a soldier into the army now raising, but only such as are freemen, will be inconsistent with the principles that are to be supported and reflect dishonor on these colonies, and that no slaves be admitted into this army upon any consideration whatever.'

"Washington took command of the army around Boston on July 3, 1775. The instructions for the recruiting officers from his headquarters at Cambridge prohibited the enlistment of any 'negro.' It may also be noticed that they were forbidden to enlist 'any person who is not an American born, unless such person has a wife and family and is a settled person in this country.'

"Many Colored Men Enrolled

"Notwithstanding all this, the fact remains, according to Bancroft, that 'the roll of the army at Cambridge had, from its first formation, borne the names of men of color.' Free colored men stood in the ranks by the side of white men. In the beginning of the war they had entered the provincial army, and the colored men, like others, were retained in the service after the troops were adopted by the continent.

"A committee on conference, consisting of Dr. Franklin, Benjamin Harrison and Thomas Lynch, met at Cambridge, October 18,[Pg 202] 1775, with the deputy governors of Connecticut and Rhode Island and the committee of the council of Massachusetts Bay, to confer with Gen. Washington, and advise a method for renovating the army. On the 23d of October the negro question was presented and disposed of as follows: 'Ought not negroes to be excluded from the new enlistment, especially such as are slaves?' All were thought improper by the council of officers. It was agreed that they be rejected altogether.

"In general orders, issued November 12, 1775, Washington says: 'Neither negroes, boys unable to bear arms, nor old men unfit to endure the fatigues of the campaign are to be enlisted.'

"Permitted Their Enlistment

"Washington, however, in the last days of the year, under representations to him that the free colored men who had served in his army were very much dissatisfied at being discarded, and fearing that they might seek employment in the British army, took the responsibility to depart from the resolution respecting them and gave license for their being enlisted.

"Washington promised that if there was any objection on the part of Congress he would discontinue the enlisting of colored men, but, on January 15, 1776, Congress determined 'that the free negroes who had served faithfully in the army at Cambridge may be reenlisted therein, but no others.'

"The entire aspect of the affairs changed when, in 1779, the South began to be invaded. South Carolina, especially, was unable to make any effectual efforts with militia, by reason of the great proportion of citizens necessary to remain at home to prevent insurrections among the colored men and their desertions to the enemy, who were assiduous in their endeavors to excite both revolt and desertion.

"The result was that in all the Southern States the legislatures passed resolutions to enlist the colored men, and the colored patriots of the Revolution are as much entitled as their white brethren for the ardor with which they fought the common enemy, whether they were bondmen or freemen. It has never been possible to give an exact statement as to the number of colored men who served in the Revolution, for the reason that they were generally mixed in regiments and not calculated separately."

The following was taken from the columns of the Boston Journal, June, 1897, by Mr. Frederic S. Monroe.

[Pg 203]

A Gallant Negro

How Salem Poor Fought at the
Battle of Bunker Hill

There is an interesting record in the Massachusetts Archives (clxxx, 241) which Dr. Samuel A. Green ran across during his historical researches, and which the Journal prints below. It relates to a colored man at the Battle of Bunker Hill.

The Subscribers begg leave to Report to your Honble. House (Which Wee do in justice to the Caracter of so Brave a Man) that under Our Own observation, Wee declare that A Negro Man Called Salem Poor of Col Fryes Regiment. Capt. Ames. Company in the late Battle at Charleston, behaved like an Experienced Officer, as Well as an Excellent Soldier, to Set forth Particulars of his Conduct Would be Tedious, Wee Would Only begg leave to say in the Person of this sd. Negro Centers a Brave & gallant Soldier. The Reward due to so great and Distinguisht a Caracter, Wee submit to the Congress——

Cambridge Decr. 5th 1775

Jona. Brewer. Col
Thomas Nixon Lt. Col
Wm Prescott Colo.
Ephm. Corey Lieut.
Joseph Baker Lieut
Joshua Reed Lieut

To the Honorable General Court of the Massachusetts Bay.

Jonas Richardson Capt.
Eliphelet Bodwell Segt
Josiah Foster Leutn.
Ebenr Varnum 2d Lut.
Wm Hudson Ballard Cpt
William Smith Capn
John Marten Surgt: of a Brec:
Lieut. Richard Welsh

  In Council Decr. 21st. 1775
    Read & Sent down
     Perez Morton
      Dpy Secry

[Pg 204]

This paper is indorsed

Recommendation of
Salem Poor a free Negro
for his Bravery at ye Battle
of Charlestown
leave to withdraw it

Although histories have been written of the members and actions of Col. Frye's regiment and Capt. Ames's company, of which Salem Poor was a member, the account given of him shows that the story of his life was not known. It is, however, noted in Miss Bailey's "History of Andover" that he was a slave, owned by John Poor. At the Battle of Bunker Hill, when Lieut. Col. Abercrombie, of the British forces, sprang upon the redoubt, while the Americans were running in retreat, and exclaimed, "The day is ours," Salem Poor turned, aimed his gun and felled with a bullet the English leader. The deed was considered by the officers of the regiment to be one of great bravery, as their petition to the General Court of Massachusetts shows.

Other colored men serving at the Battle of Bunker Hill were Titus Coburn, Alexander Ames, Barzillai Lew, all of Andover; Cato Howe of Plymouth, and Peter Salem.

Among those who gave valued services in the Continental Army was Deborah Gannett. She assumed the dress of a man, and under the name of Robert Shurtliff, enlisted in the fourth Massachusetts Regiment, Captain Webb, serving in the ranks without once revealing her sex from May 20, 1782, to October 23, 1783, a period of seventeen months. By an act of the legislature, Jan. 20, 1792, she was paid £34 by the State for her services.

The extract below is from a discussion of the questions of pension and bounty for Negro soldiers by James Croggon. It appeared in the Washington Star.

"January 21 Gen. Jackson read an address to each of the commands which had taken part in the battles, reviewing the campaign, and saying of the engagement of January 8 that the loss of the enemy was more than 3,000 while the American loss was but thirteen—"a wonderful interposition of heaven! An unexampled event in the history of war!" Gen. Jackson characterizes the event.

"In his general orders of January 21, prior to breaking camp, Gen. Jackson complimented the various regiments and commands,[Pg 205] saying of the two bodies of colored volunteers: 'They have not disappointed the hopes that were formed of their courage and perseverence in the performance of their duty. Majs. Lacoste and Daquin, who commanded them, have deserved well of their country.'

"Rewards Held Up

"Yet, although these colored troops were commended for their coolness and bravery under fire, especially in the memorable engagement of December 23 when they were attached to Coffee's brigade, which opened the series of battles, recognition for their services, by way of pension and bounty, was withheld for several years after their discharge from the service and then was granted only after an opinion had been given by William Wirt, Attorney General of the United States at that time, that they might legally be so recompensed.

"When the colored troops enlisted the act of Congress of December 24, 1811, provided a bounty of $16, with three months' pay, and a grant of 160 acres of land to those who had served five years, the same amount of land to the heirs of those killed in battle, and the same amount of land to the heirs of those who had died in the service after having served five years. The act of January 11, 1812, carried like provisions, and the act of December 10, 1814, again carried the provisions, except that the amount of land granted was doubled.

"After the colored troops were mustered out, application was made in their behalf for recognition under these acts, especially for the bounty of 320 acres of land, but it was not until 1823 that their claims were recognized.

"Jackson Praised Troops

"This apathy and long delay ensued notwithstanding the fact that under date of December 27, 1814, Gen. Jackson had reviewed the first engagement in a report in which he spoke highly of the men of color attached to Coffee's brigade. He said in this engagement a number of prisoners were taken, and the British loss was about 100. On the night of the 23d of December, in the engagement below New Orleans, the British left 100 killed, and 230 wounded, their loss in prisoners taken making their total loss that night about 400.

"Again, reporting on the battle of January 8, Gen. Jackson said that the enemy advanced in two strong columns, and that 'they were received with a firmness which defeated all their hopes. For[Pg 206] upward of an hour the firing was incessant, but the enemy at length fled in confusion from the field, their losses including Gen. Sir Edward Pakenham.' Under date of January 19 Gen. Jackson informed the War Department that the enemy had decamped, leaving eighty of their wounded and fourteen pieces of heavy artillery, and that he believed Louisiana was then 'clear.'

"Attorney General's Opinion

"It was to J. C. Calhoun, then Secretary of War, that William Wirt, then Attorney General, wrote, under date of March 27, 1823, declaring that it was not, in his opinion, in the power of the government to deny the colored troops and their heirs the emoluments of their service in the army. Mr. Wirt's letter is as follows:

"'Sir: Had I been called on a priori to give a construction to the several acts of Congress, which are the subject of Mr. Cutting's letters of the 21st of May, 1821, and 30th of January, 1823, of Maj. Charles J. Nourse's of the 20th of January, 1823, and Mr. J. W. Murray's of the 22d of December, 1822, I should have had no hesitation in expressing the opinion that it was not the intention of Congress to incorporate negroes and people of color with the army, any more than with the militia of the United States. But the acts of Congress, under which this body of people of color are understood to have been raised during the late war, uses no other terms of description as to the recruits than that they shall be 'effective, able-bodied men' (act 24th December, 1811), 'for completing the existing military establishment,' and act 11th January, 1812, 'to raise an additional military force,' of 'free, effective, able-bodied men' (act December 10, 1814), 'making further provision for filling the ranks of the army of the United States.'

"All Requirements Fulfilled

"As either of these descriptions was satisfied by the persons of color in question; as the recruiting officers, who were quoad hoc the agents of the United States, recruited these persons on a contract for the pay and bounty stipulated by law, as the officers of government recognize them as a part of the army, by their regular returns of this corps, who received, till the close of the war, the same pay and rations with other troops, were subject to the same military law and performed the same military services, it seems to me that a practical construction has been given to the law in this particular, from which it is not in the power of the government justly to depart.[Pg 207]

"I think, therefore, that they ought to receive the promised land bounty. But, without some further and more explicit declaration of the purpose of Congress, I would not recommend a repetition of such contracts on any future occasion on laws worded like those under consideration; by which I mean, not merely the three laws which I have cited, but the whole military system of the United States, militia included."


Mrs. R. L. Pendleton has published the new edition of the Life and Works of Phillis Wheatley by G. Herbert Renfro. This volume contains a sketch of G. Herbert Renfro and a much more detailed sketch of the life of Phillis Wheatley by this writer. It contains the correspondence of the poetess and a larger number of her poems than we find in some of the other editions of her works. The book is well printed and nicely bound and may be purchased for the small sum of $1.50 from R. L. Pendleton, 1216 You St., Washington, D. C.


Longmans and Company have published A. J. McDonald's Trade, Politics and Christianity in Africa and the East. It is a valuable contribution to the British colonial policy.

H. O. Newland's Sierra Leone; its People, Products and Secret Societies has come from the press of Bale, Sons and Donnelson. The author is a student of sociology and knows much about West Africa. To this is appended 44 pages of information on Sierra Leone by H. Hamel Smith.

In the Hands of Senoussi has been published by Mrs. Gwatkin Williams. This book is a collection of facts compiled from the diary of Captain R. Gwatkin Williams, giving an account of nineteen weeks of captivity of the survivors of H. M. S. Tara in the Libyan Desert.

The tales of General Botha's desert march in Southwest Africa have been published as Sun, Sand and Sin by Hodder and Stoughton.

Articles of interest on Africa recently published are Islam on the Congo by W. J. W. Roome in the Moslem World, L'Islam en Mauritanie et au Senegale in the Revue du Monde Musulman and Observations on the Northern Section of the Tanganyika-Nile Rift Valley by Captain C. H. Stigand in the Geographical Journal.[Pg 208]

The Early History of Cuba, 1492-1586, by I. A. Wright, has been published by MacMillan Company. The book shows evidence of extensive research and scholarly treatment.

The Association for the Study of Negro Life and History is making extensive preparation to bring together during the last week in August all persons who are now seriously interested in the study of Negro history. It is hoped that a large number of members may be able to attend and that interest in the work may extend throughout the country. Some of the leading historians of the United States will be invited to address this body.


[Pg 209]

The Journal
of
Negro History

Vol. II—July, 1917—No. 3

The Formation of the American Colonization Society

What to do with the Negro population has almost always been a question before the American people. Since the early date of 1714 its removal to some territory beyond the limits of the United States or to an unsettled area of our public lands has been advocated. During the century which followed the earliest mention of deportation, its advocates published their plans as individual propaganda, sought the approbation of religious and humanitarian organizations, and in one or two instances tried to secure favorable State or national action on them. But throughout this long period of one hundred years no concerted action was taken: the period is characterized by sporadic origins and isolated efforts; and these early projectors of plans to remove the Negro were the trailmakers in a pioneering movement which culminated in a national organization.[234]

Obviously private enterprise alone could make little headway in the actual colonization of the Negroes in a territory sufficiently distant to be beyond the pale of the white population. The one item of expense was too serious a handicap for individual initiative to overcome. Besides the case of Captain Izard Bacon of Virginia, who temporarily[Pg 210] removed his fifty-two freedmen to Pennsylvania to await a favorable time for sending them over sea,[235] and of Mary Matthews of King George's County, Virginia, who by will emancipated her slaves and provided for their removal to a place where they could enjoy their liberty,[236] there is but one significant example of actual colonization under individual auspices. This occurred in 1815 when Paul Cuffe took thirty-eight Negroes to the western coast of Africa.[237] This dramatic event in Negro deportation, owing to the wide publicity given to it, stimulated activity anew in colonization ventures.

We shall now review these new schemes and show how representatives of the transportation movement assembled in Washington city, and having enlisted in their cause men most distinguished in the councils of the nation, formed the American Society for Colonizing the Free People of Color of the United States, an organization still in existence but now known as the American Colonization Society and having as a monument to its checkered career, the free Negro republic, Liberia, on the western coast of Africa.

To begin with, it is well to point out that Thomas Jefferson, whose advocacy of Negro colonization dates from 1773, replied in 1811, to a request for his opinion on Ann Mifflin's proposition to make a settlement of colored people on the west coast of Africa under the auspices of the different States, that he considered it "the most desirable measure which could be adopted for gradually drawing off" the black population; and he added: "nothing is more to be wished than that the United States should themselves undertake to make such an establishment on the coast of Africa."[238] It requires little effort to appreciate the weight of this Ex-President's[Pg 211] opinion, and colonizationists later gave wide publicity to it in order to strengthen their cause.[239]

Additional deportation sentiment is found in the recommendations of the Union Humane Society, an anti-slavery organization founded in 1815, in Ohio, by Benjamin Lundy. Two planks in the program of the Society are noteworthy: first, it emphasized the necessity of common action by all forces interested in the amelioration of the Negro race; and, second, it recommended as a basis for common action the removal of the Negroes beyond the pale of the white man.[240]

While the Union Humane Society was silent on national aid, the Kentucky Colonization Society came out in strong terms for it. Taking advantage of the close of the War of 1812 and of the existence of vast tracts of unappropriated lands in the United States, and realizing that the number of free blacks daily increased, and that the territory open to them for residence was greatly restricted owing to the prohibitory legislation existing in many States, this Society, at its annual meeting, held in Frankfort, October 18 and 19, 1815, petitioned Congress that a suitable territory "be laid off as an asylum for all those negroes and mulattoes who have been, and those who may hereafter be, emancipated within the United States; and that such donations, allowances, encouragements, and assistance be afforded them as may be necessary for carrying them thither and settling them therein; and that they be under such regulations and government in all respects as your wisdom shall direct."[241]

Another manifestation of sentiment for removing the Negroes to a distant territory is found in a series of resolutions passed by the Virginia Assembly on December 21, 1816. These resolutions were introduced and sponsored by[Pg 212] Charles Fenton Mercer, a slaveholder. In the spring of 1816, he accidentally discovered the secret action of the Assembly, taken in 1800, just after the Negro insurrection of that year, the upshot of which was two resolutions directing the Governor to correspond with the President of the United States for the purpose of securing somewhere a suitable territory for the colonization of emancipated slaves and free Negroes[242]. It was too near the end of the session when Mercer found these resolutions for him to present a program to the Assembly. In the interim, however, Mercer broke the bar of secrecy, interviewed Francis S. Key, of Georgetown, and Elias B. Caldwell, of Washington city, and with their advice drew up some resolutions to introduce in the Assembly at its next session. Moreover, while in the North that summer for the purpose of the recuperation of his health, having made known his plan, he received "promises of pecuniary aid, and of active cooperation."[243] At the next session of the Virginia Assembly, Mercer introduced his resolutions, the purport of which asked the national government to find a territory on the North Pacific on which to settle free blacks and those afterwards emancipated in Virginia. These resolutions having been amended by the Senate to read on the North Pacific or the African Coast were passed by the Assembly on December 21, 1816, the very day on which the first public meeting of deportationists was held in Washington and out of which grew the American Colonization Society.

A year later, speaking before this organization, Mercer stated his reasons for supporting deportation. "Many thousand individuals in our native State, you well know Mr. President, are restrained from manumitting their slaves, as you and I are, by the melancholy conviction that they cannot yield to the suggestions of humanity without manifest[Pg 213] injury to their country." He held that the rapidly increasing free black population endangered the peace of the State and impaired in a large section the value of slave property. What banditti, consisting of the degraded, idle, and vicious free blacks, "sally forth from their coverts, beneath the obscurity of night, and plunder the rich proprietors of the valleys. They infest the suburbs of the towns and cities, where they become the depositories of stolen goods, and, schooled by necessity, elude the vigilance of our defective police."[245] Thus a Virginia slaveholder saw in Negro colonization a means to relieve the State of a dangerous population, to increase the value of slave property and to make possible manumission by that class of slaveholders in which he put himself.

A concurrent expression on Negro deportation, but apparently an independent one, is connected with the name of Robert Finley, of Basking Ridge, New Jersey. A graduate of Princeton, a teacher, a Presbyterian pastor, Finley was in 1816 made president of the University of Georgia, at Athens, where he died the following year at the age of forty-five. As early as 1814 he wrote "a very particular friend in Philadelphia" his ideas on Negro colonization.[246] On February 15, 1815, he wrote a letter to John O. Mumford, of New York City, in which he argued for the removal of the free blacks. He said in part: "Everything connected with their condition, including their color, is against them; nor is there much prospect that their state can ever be greatly ameliorated, while they shall continue among us. Could not the rich and benevolent devise means to form a colony on some part of the Coast of Africa, similar to the one at Sierra Leone, which might gradually induce many free blacks to go[Pg 214] there and settle, devising for them the means of getting there, and of protection and support till they were established? Ought not Congress to be petitioned to grant them a district in a good climate, say on the shores of the Pacific Ocean? Our fathers brought them here, and we are bound if possible to repair the injuries inflicted by our fathers. Could they be sent to Africa, a three-fold benefit would arise. We should be cleared of them; we should send to Africa a population partially civilized and christianized for its benefits; our blacks themselves would be put in better condition. Think much on this subject, then please write me again when you have leisure."[247]

Reverend Mr. Finley participated in a colonization meeting held in Princeton, New Jersey, November 6, 1816, which drew up a memorial urging the legislature to use its influence in securing the adoption of some deportation scheme by Congress. The memorialists recognized that many slaves had been emancipated; that the same principles that prompted past manumissions would gradually effect the freedom of all others; that freedmen should be able "to rise to that condition to which they are entitled by the laws of God and nature"; therefore, they should be separated from the whites and placed in a favorable situation, possibly Africa.[248]

A third concurrent manifestation of colonization activity is connected with the name of Samuel J. Mills, whose indefatigable energy and unselfish devotion to all causes missionary are scarcely paralleled in history. Whether as an undergraduate at Williams College or as a graduate student at Yale or Andover Theological Seminary, he was feverishly[Pg 215] active in projecting plans for Christian missionary work. His mother said: "I have consecrated this child to the service of God as a missionary,"[249] and surely he was faithful to death to this dedication. He was the leader of the Society of Inquiry Respecting Missions, founded in 1810, an organization which favored African colonization.[250] As soon as his college work was over he made a missionary tour through the Middle West and South, under the auspices of the Society for Propagating the Gospel,[251] and in 1814-15 he made a second tour.[252] He is credited with having originated the American Bible Society, the United Foreign Missionary Society, and the American Board of Commissioners for Foreign Missions. He took a deep interest in the movement which about this time sent men to India, Ceylon, the Sandwich Islands, and to the various tribes of the American Indians. He had a hand in the formation of the Foreign Mission school at Cornwall, Connecticut, and the establishment of the African School at Parsippany, New Jersey, is directly attributed to him.

When Mills made his tour through the West and South he not only preached the Gospel and distributed Bibles, he studied the condition of the Negro as well. "We must save the Negroes or the Negroes will ruin us," he concluded. He was convinced that if some disposition could be made of the free Negroes, many slaveholders would gladly emancipate their slaves. With this in view, he sought to procure a district in Ohio, Indiana, or Illinois where the blacks might be colonized. In this way he could test his principle and develop leaders for a more extended settlement in the far West or in Africa.[253] This plan did not mature, but he continued to recommend emigration both to the blacks and whites and[Pg 216] to provide for the training of Negro teachers and preachers. The young missionary established a school under the care of the synod of New York and New Jersey at Parsippany in the latter state, which was to "qualify young men of color for teachers of schools and preachers of the gospel, in hope of exerting an influence in correcting morals and manners of their brethren in cities and large towns; and also to raise up teachers for these people, should an effort be made to settle them by themselves, either in this country or abroad." Some gave to aid the school as an auxiliary to the colonization effort, who would not have given, had not that view been presented. "I am confident," Mills wrote (in 1817), "that the people of color now in this country, that is, many of them, will be settled by themselves, either in this country or abroad. The teachers who may be raised up will promote this object. Whether they remain in this country or not, much must be done to qualify them for living in society by themselves."[254]

One of the earliest movements in which an effort was made to adopt some particular plan of operation was at Georgetown, District of Columbia, in March, 1816. The meeting was called by a resident of Georgetown, then a little village, and several citizens of the neighboring States were present and took part in the discussion.[255]

Other expressions favorable to the deportation of Negroes were made about this time. At a meeting in Greene County, Tennessee, composed of delegates of the Manumission Society, emancipation was recommended "and if thought best, that a colony be laid off for their reception as they become free."[256] Dr. Jesse Torrey, Jr., a physician, writing a few days before the passage of the Virginia resolutions, advocated the transfer of the Negroes to some distant[Pg 217] American Territory. He thought, since Congress had done nothing toward such a movement, public subscriptions from beneficent societies and individuals should be solicited with which to purchase a suitable site for a colony and meet the expense of transportation.[257] Hezekiah Niles, the great compiler, said he had thought on colonization from his youth up.[258] An editorial in a Georgia newspaper dated January 1, 1817, said deportation was seriously agitated in different parts of the country. The Georgia editor believed that free blacks were dangerous to the welfare of society and that the gradual reduction of the number of slaves was imperative to the public good. "We must choose between our own destruction and general emancipation," said the Georgian. "If the government will find means of conveying out of the country such slaves as may be emancipated and would likewise purchase annually a certain number, particularly females for transportation, it is believed our black population would soon become harmless if not extinct. To the importance of such an object, the expense will bear no comparison; and a more favorable period than at present for its accomplishment can scarcely be expected."[259]

The Georgia editor was right. On the very day that his editorial went to press, a representative body of men were in conference on this subject at Washington city; and as a result of their deliberation the American Society for Colonizing the Free People of Color of the United States (later known as the American Colonization Society) was organized. The leading advocates of Negro deportation looked to the city of Washington as the strategic place to advance their cause. The earliest arrival was Robert Finley, who reached the capital about the beginning of the month of December,[Pg 218] 1816. He had spent the greater part of the fall maturing plans for bringing the cause before the people. It is highly probable that he knew nothing about the plans of other advocates nor of the action of the Virginia Assembly. Upon his arrival at Washington he immediately began to call on Congressmen, the Cabinet officials, the President, and, in fact, on any one whom he could interest.[260]

Finley was in communication with Paul Cuffe, the only practical colonizationist in America. His expeditions to Africa and England, and especially the transportation of Negroes to Sierra Leone, in 1815, were noted in the press as far west as Louisville, Kentucky,[261] and those interested in further efforts along this line were in touch with him. Samuel C. Aiken, of Andover, had written him on July 23, 1816, and Jedekiah Morse four days later.[262] Finley wrote Cuffe, December 5, on the back of the printed memorial to the New Jersey Legislature, undoubtedly the work of the Princeton meeting of the previous November, for information about Sierra Leone, information to be used by him and others interested in the free people of color. He also asked if Cuffe thought some other part of Africa more desirable for a settlement than Sierra Leone and stated that "the great desire of those whose minds are impressed with this subject is to give an opportunity to the free people of color to rise to their proper level and at the same time to provide a powerful means of putting an end to the slave trade and sending civilization and Christianity to Africa."[263] Cuffe was unable to reply to this letter before January 8. He gave Finley the information he desired and recommended in the event of a general deportation the Cape of Good Hope as a location for a settlement.[Pg 219][264]

In a printed pamphlet, "Thoughts on the Colonization of Free Blacks,"[265] which Finley wrote about this time and which he was distributing in Washington, is contained the line of argument he was using. He said: "At present, as if by divine impulse, men of virtue, piety, and reflection, are turning their thoughts to this subject, and seem to see the wished-for plan unfolding, in the gradual separation of the black from the white population, by providing for the former, some suitable situation, where men may enjoy the advantages to which they are entitled by nature and their Creator's will." He argued for the practicability of establishing a colony either in the "Wild Lands" of America or in Africa, but he thought Africa the more desirable as this location would prevent conflicts with the remaining slave population, and avoid foreign intrigues. He held that Africa had the advantage of being the real home of the Negro, of having the existing settlements in Sierra Leone formed by English philanthropists and by Paul Cuffe. On the other hand, requiring explorations, diplomatic negotiations and great expense, it offered greater obstacles than a location within America. But Finley was not disheartened, believing, as he did, in the justice of the cause and in the wisdom of Congress to devise some means to lighten, perhaps to repay, the cost. He continued by saying: "Many of the free people of color have property sufficient to transport, and afterward to establish themselves. The ships of war might be employed occasionally in this service, while many Negroes themselves could be induced to procure a passage to the land of their independence. The crews of the national ships which might be from time to time at the colony, would furnish at least a part of that protection which would be necessary for the settlers; and in a little time the trade which the colony would open with the interior, would more than compensate for every expense, if the colony were wisely formed." The Negroes, Finley thought, would gladly go, for they long after happiness and have the common pride[Pg 220] and feelings of men. Already, he pointed out, an association of free blacks existed in Philadelphia whose purpose was to correspond with Sierra Leone and investigate the possibilities of an immigration. Finley held that colonization would gradually reduce slavery, because provision being made for the emancipated slaves, masters would manumit them.

Samuel J. Mills, "having been providentially made acquainted"[266] with this movement, about the close of November left New York, where he was working among the poor, immediately for Washington. What he, as well as the other workers, did there, is pretty well indicated by Congressman Elijah J. Mills of Massachusetts in a letter to his wife, under date of December 25: "Among the great and important objects to which our attention is called, a project is lately started for settling, with free blacks which abound in the South and West, a colony, either on the coast of Africa, or in some remote region in our own country. It has excited great interest, and I am inclined to think that in the course of a few years it will be carried into effect. I enclose you an address which is in circulation here upon the subject. Agents are attending from different parts of the United States, soliciting Congress to take the subject up immediately, and I was this morning called upon by a Mr. Mills (a young clergyman who was at New Orleans with Smith), who is very zealously engaged in the work. He is an intelligent young man, and appears completely devoted to the great work of diffusing the blessings of Christianity to those who are ignorant of it."[267]

The first general conference that the colonization workers had in Washington was in the nature of a "prayer meeting"[268] held in the home of Elias B. Caldwell, a brother-in-law[Pg 221] of Finley, clerk of the United States Supreme Court, and afterward secretary of the American Colonization Society. This meeting, which both Mills and Finley attended, was "for the purpose of imploring the divine direction, on the evening of the following day, when the expediency of forming a Colonization Society was to be publicly discussed."[269] The enthusiasm of Finley at this time was almost boundless; he would give five hundred dollars of his own scanty means to insure its success; when some, thinking the project foolhardy, laughed at it, he declared, "I know the scheme is from God."[270] The efficacy of prayer bore the traditional fruit, for whereas persons "were brought there from curiosity, or by the solicitation of their friends, viewing the scheme as too chimerical for any national being to undertake [nevertheless] a great change"[271] was produced on them.

According to their plans, Congressman Charles Marsh, of Vermont, having made the necessary arrangements,[272] the colonizationists held on the next evening, December 21, 1816, in the Davis Hotel, a public meeting, attended by citizens of Washington, Georgetown, Alexandria, and other parts of the country. Among the men of note present, not heretofore mentioned, were Henry Clay, Francis S. Key, Bishop William Meade, John Randolph, and Judge Bushrod Washington.[273] Niles reports the attendance "numerous and respectable, and its proceedings fraught with interest."[274] The avowed object of the meeting was for the[Pg 222] "purpose of considering the expediency and practicability of ameliorating the condition of the Free People of Color now in the United States, by providing a Colonial Retreat, either on this continent or that of Africa."[275]

Henry Clay, the chairman of the meeting, pointed out in his remarks that no attempt was being made "to touch or agitate in the slightest degree, a delicate question, connected with another portion of the colored population of this country. It was not proposed to deliberate upon or consider at all, any question of emancipation, or that which was connected with the abolition of slavery. It was upon that condition alone he was sure, that many gentlemen from the South and West, whom he saw present, had attended, or could be expected to cooperate. It was upon that condition only that he himself had attended."[276]

The principal address was delivered by Elias B. Caldwell, the Princeton schoolmate of Charles Fenton Mercer. He argued for the expediency and practicability of African colonization. It was expedient because the free blacks have a demoralizing influence on our civil institutions; they can never enjoy equality among the whites in America; only in a district by themselves will they ever be happy. To colonize them in America would invite the possibility of their making common cause with the Indians and border nations, and furnish an asylum for fugitives and runaway slaves. Africa seemed the best place to send them: there was a settlement already in Sierra Leone, the climate was agreeable to the colored man's constitution, they could live cheaply there, and above all other reasons, they could carry civilization and Christianity to the Africans. While the expense would be greater than that connected with a settlement on the American[Pg 223] Continent yet, in order to make atonement for the wrongs done Africa, America should contribute to this object both from the treasury of the national government and from the purse of private individuals. With the promise of equality, a homestead, and a free passage, no black would refuse to go. In concluding his speech he said: "It is for us to make the experiment and the offers; we shall then, and not till then, have discharged our duty. It is a plan in which all interests, all classes, and descriptions of people may unite, in which all discordant feelings may be lost in those of humanity, in promoting 'peace on earth and good will to man.'"[277]

Robert Wright of Maryland, having pointed out some difficulties, gave colonization his approbation with the hope that there would arise for gradual emancipation some plan in which slaves would be prepared for freedom, and slaveholders would be remunerated out of the funds of the nation.[278]

It appeared to John Randolph of Roanoke that "it had not been sufficiently insisted on with a view to obtain the cooperation of all the citizens of the United States, not only that this meeting does not in any wise affect the question of Negro Slavery, but, as far as it goes, must materially tend to secure the property of every master in the United States over his slaves." He considered the free black "a great evil," "a nuisance," and "a bug-bear to every man who feels an inclination to emancipate his slaves." "If a place could be provided for their reception," said Randolph, "and a mode of sending them hence, there were [sic] hundreds, nay thousands of citizens" who would manumit their slaves.[279] Randolph's characterization of the free black was generally approved by the leaders in this movement. Caldwell used "degraded" and "ignorant" in describing this class of people. Mills said: "It[Pg 224] will transfer to the coast of Africa the blessings of religion and civilization; and Ethiopia will soon stretch out her hands to God."[280]

One finds it difficult to explain how the colonizationists could argue that one of their objects was to remove a dangerous element from our population and at the same time take civilization and Christianity to Africa. No doubt it was expected that the Negroes who attended the schools, established principally by Mills, would become efficient leaders of their fellows. It is highly probable also that the arguments were designed for different sections of the country and different classes of people—to remove the dangerous element would make a strong appeal to the slaveholder and the South, for it was believed that the free black contaminated and ruined the slave; to civilize and Christianize Africa would appeal to churchmen and religious bodies, and this argument could be used in the North. To return to Africa people who could contribute to her betterment; indeed, to return to Africa the descendants of her enslaved sons and daughters improved by contact with the civilization of the whites would be a recompense to that continent for the wrongs perpetrated, during a period of two hundred years, on her population. It was only America's moral obligation, said the colonizationists, to return the black population to Africa.

Another object the deportationists had in mind was to stop the slave trade. They believed that the existence of a settlement in Africa would deter the slaveholder from securing his cargo in human beings. It would also furnish the opportunity needed to develop a commerce in legitimate articles of trade between Africa and America and other parts of the world. It was also hoped by the leaders of this deportation movement to remove the great obstacle to the abolition of slavery. Now that provision was made for the freedmen the slaveholder felt at liberty to manumit his slaves. To quote Mills again: "It is confidently believed[Pg 225] by many of our best and wisest men, that, if the plan proposed succeeds, it will ultimately be the means of exterminating slavery in our country."[281]

The charge was made later, especially by the Abolitionists, that the movement was a deeply laid device for making slavery more secure than ever. They took great delight in referring to Randolph's remark, made at the first public meeting of the deportationists, that colonization would tend "to secure the property of every master in the United States over his slaves." Subsequently the management of the Society itself recognized the force of this remark as a quotation from the eighty-second report will show: "It was this ill-omened utterance of a solitary member of the Society, who appears to have taken very little if any part in its subsequent proceedings, that afterward gave the impracticable abolitionists a text for the most vituperative and persistent assaults upon the Society and its purpose."[282] Randolph's remark is not only qualified by the fact that he took "very little if any part in its subsequent proceedings" but also by his prediction that thousands of slaveholders, when assured of a place to send the Negroes, would emancipate their slaves because they would then be relieved from their care. With all this, however, Randolph claimed the colonization movement had nothing to do with abolition.

And it must also be remembered that the eccentric Randolph was only one man among a large group of men who were interested in the deportation movement. In this large group two, Mills and Finley, religious patriots, stand head and shoulders above all the others, both of whom, Mills, particularly, hoped to provide a method for the abolition of slavery. Moreover, the Abolitionists should have observed that the name of Daniel Webster appeared among the signers of the constitution as well as the name of Ferdinando Fairfax[283] and especially that of William Thorton.[Pg 226][284] Fairfax and Thorton were excellent representatives of deportation schemes, proposed in the eighteenth century and deliberately designed to remove from our country all Negroes both free and slave. It seems, therefore, safe to conclude that the colonization movement of 1816-17 was at that time sincere in its purpose and straightforward in its aims.

Therefore with humanitarian aims the colonizationists at their first public meeting, December 21, 1816, passed resolutions favorable to the formation of an association for the purpose of deporting the free blacks to Africa or elsewhere, and appointed a committee to draw up and present a memorial to Congress requesting measures for securing a suitable territory for a settlement, and another committee to prepare a constitution and rules to govern the association when formed.[285] Having taken this action, they decided to adjourn until the following Saturday, December 28, at six o'clock.

According to this arrangement "citizens of Washington, Georgetown, and Alexandria, and many others" met in the Hall of the House of Representatives of the United States and adopted a Constitution.[286] By provision of the Constitution the Association was "The American Society for Colonizing the Free People of Color of the United States" and its exclusive object "to promote and execute a plan for colonizing (with their consent) the Free People of Color residing in our Country, in Africa, or such other[Pg 227] place as Congress shall deem most expedient." Every citizen of the United States was eligible to membership upon the payment of one dollar, the annual dues, or as amended a few days later, thirty dollars for life membership. Provision was made for the usual officers and for the formation of auxiliary societies to this parent organization.[287] The first annual meeting was fixed for Wednesday, January 1, 1817.

On this date the colonizationists met in Davis's Hotel, Henry Clay again presiding. Bushrod Washington was elected President of the Society, equally noted men were chosen for the other officers,[288] and on motion of the Honorable[Pg 228] John C. Herbert of Maryland, Reverend Robert Finley was "requested to close the meeting with an address to the Throne of Grace"[289] which he did, it being "his last public act in the last public meeting"[290] for the organization and success of the American Colonization Society.

Henry Noble Sherwood, Ph.D.

State Normal School,
La Crosse, Wis.

Footnotes:

[234] For an extended account of the plans proposed before 1816, for removing the colored population, see H. N. Sherwood, "Early Negro Deportation Projects," in the Mississippi Valley Historical Review, II, 485 ff.

[235] Niles' Register, XVII, 30. Some of the slaves of James Smith, a Methodist preacher of Virginia, had accompanied their quondam master to Ohio in 1798. Ohio Archæological and Historical Society, Publications, XVI, 348-352.

[236] Documentary History of American Industrial Society, II, 161, 162.

[237] This story has been told by the writer, "Paul Cuffe and his Contribution to the American Colonization Society," in Mississippi Valley Historical Society, Proceedings, VI, 370-402.

[238] Thomas Jefferson, Writings (Ford ed., New York, 1892-1899).

[239] American Colonization Society, First Annual Report (Washington, 1817), 6, 7.

[240] "The Life of Benjamin Lundy" (Philadelphia, 1847), 16. The manuscript record is in the archives of the Ohio Historical and Philosophical Society.

[241] American State Papers, Miscellaneous, II, 278, 279. The Petition reached Congress January 18, 1816. It was referred to the Committee on the Public Lands and reported on adversely. Annals of Congress, 14th Cong., 1st session, 691.

[242] These resolutions are printed in American State Papers, Miscellaneous, I, 464.

[243] Archibald Alexander, "A History of Colonization on the West Coast of Africa" (Philadelphia, 1846), 75-76; Niles' Register, XI, 275, 296; James Mercer Garnett, "Biographical Sketch of Charles Fenton Mercer" (Richmond, Va., 1911), 15.

[244]Mercer's resolutions were passed by the House of Delegates, December 14, 1816, passed with amendment by the Senate, December 20, and concurred in by the House, December 21. Annals of Congress, 15th Congress, 1st session, II, 1774. Indiana, Georgia and Tennessee, all a little later, passed similar resolutions. American Quarterly, IV, 397.

[245] American Colonization Society, First Annual Report, 8.

[246] Isaac V. Brown, "Biography of the Reverend Robert Finley, of Basking Ridge, N. J." (Philadelphia, 1857), 60.

[247] Printed in Brown, Finley, 60, 61. See also African Repository, II, 2, 3, and Matthew Carey, "Letters on Colonization and its Probable Results addressed to C. F. Mercer," Philadelphia, 1834, 7.

[248] Niles' Register, XI, 260. Colonel Ercuries Beatty president at the meeting. The committee appointed to secure signatures to the memorial consisted of the following names: Elisha Clark, John G. Schenck, Dr. E. Stockton, Dr. J. Van Cleve, and Robert Voorhees. Byron Sunderland in his "Liberian Colonization," Liberian Bulletin, No. 16, 18, says this meeting was virtually a failure. The memorial may be found in the Cuffe manuscripts. It was sent to Paul Cuffe by Robert Finley when the latter was in Washington seeking to bring about some general deportation movement.

[249] Gardiner Spring, "Memoir of Samuel John Mills" (Boston and New York, 1829), 10.

[250] Sunderland, "Liberian Colonization," Liberian Bulletin, No. 16, 18.

[251] Massachusetts Historical Society, Collections, Second Series, II, 1.

[252] Report of a missionary tour through that part of the United States which lies west of the Allegheny Mountains (Andover, 1815).

[253] Thomas C. Richards, "Samuel J. Mills, Missionary, Pathfinder, Pioneer and Promoter" (Boston, 1906), 190, 191; Spring, "Memoir of Mills," 129.

[254] Spring, "Memoir of Mills," 125, 126; African Repository, I, 276. A school based on these principles was established in New York also, in October, 1816. While the above quotation was written by Mills in July, 1817, it is a fair representation of his idea for several years previous.

[255] An editorial in the North American Review, XXXV, 126.

[256] Niles' Register, XIV, 321. Thomas Doan, Aaron Coppock, James Boyd, Joseph Coin, and Elihu Embree signed such a statement.

[257] Jesse Torrey, Jr., "A Portraiture of Domestic Slavery, in the United States: with Reflections on the Practicability of Restoring the Moral Rights of the Slave, without Impairing the Legal Privileges of the Possessor; and a Project of a Colonial Asylum for Free Persons of Colour: including Memoirs of Facts on the Interior Traffic in Slaves, and on Kidnapping" (Philadelphia, 1817), 27-30.

[258] Niles' Register, XIII, 180.

[259] "Documentary History of American Industrial Society," II, 157, 158.

[260] African Repository, I, 23.

[261] See the Western Courier (Louisville, Kentucky), for October 26, 1815.

[262] Paul Cuffe manuscripts in the Public Library, New Bedford, Mass. Paul Cuffe to Samuel C. Aiken, August 7, 1816; Paul Cuffe to Jedekiah Morse, August 10, 1816.

[263] Ibid., Robert Finley to Paul Cuffe, December 5, 1816, Finley asked that the reply if mailed to him at Washington be sent in care of his brother-in-law, Elias B. Caldwell.

[264] Ibid., Paul Cuffe to Robert Finley, January 8, 1817.

[265] Printed in Brown, Finley, 66 ff. The pamphlet was written before he came to Washington.

[266] Spring, "Memoir of Mills," 131.

[267] Massachusetts Historical Society, Proceedings, First Series, XIX, 20.

[268] African Repository, I, 2, 3. Referring to Caldwell in an address at an annual meeting of the Society, January 20, 1827, Clay said: "It is now a little upwards of ten years since a religious, amiable and benevolent resident of this city, first conceived the idea of planting a colony, from the United States, of free people of color, on the western shores of Africa. He is no more, and the noblest eulogy that could be pronounced on him would be to inscribe upon his tomb, the merited epitaph, 'Here lies the projector of the American Colonization Society.'" Clay was historically mistaken. Similar things were said of Mills and Finley. This speech may be found in pamphlet form in the Library of the Ohio Historical and Philosophical Society.

[269] Spring, "Memoir of Mills," 131, 139, 140.

[270] Brown, Finley, 65, 66.

[271] Ibid., "A Respectable Resident of the District of Columbia to Brown," 64, 65.

[272] Sunderland, "Liberian Colonization," Liberian Bulletin, No. 16, 19.

[273] Virginia Historical Society, Collections, VI, 26; Niles' Register, XI, 296.

[274] Niles' Register, XI, 296.

[275] Manuscript Record of the Meeting, Library of Congress. Copy furnished by the American Colonization Society.

[276] The National Intelligencer reported the meeting. The substance of Clay's remarks is printed in Archibald Alexander, "A History of Colonization on the Western Coast of Africa" (Philadelphia, 1849), 77-82; in J. Tracy, "A View of Exertions Lately Made for the Purpose of Colonizing the Free People of Color in the United States, in Africa, or Elsewhere" (Washington, 1817), 4 ff.

[277] Alexander, "A History of Colonization," 82-87; Tracy, "A View of Exertions," 4-11. For a criticism of all the speeches before this meeting see David Walker, "An Appeal" (Boston, 1830), 50 ff.

[278] Torrey, "A Portraiture of Domestic Slavery," 69.

[279] Torrey, "A View of Exertions," 9, 10; Walker, "Appeal," 57.

[280] Spring, "Memoir of Mills, Samuel J. Mills to Ebenezer Burgess," July 30, 1817, 136.

[281] Ibid., 136.

[282] American Colonization Society, Eighty-second report, 7.

[283] See the American Museum, December, 1790, 285-286, for his plan.

[284] Thorton's activities have been related by H. N. Sherwood, "Early Negro Deportation Projects," in Mississippi Valley Historical Review, March, 1916, 502-505.

[285] The committee for the memorial consisted of: E. B. Caldwell, John Randolph, Richard Rush, Walter Jones, Francis S. Key, Robert Wright, James H. Blake and John Peter. The committee for the Constitution: Francis S. Key, Bushrod Washington, E. B. Caldwell, James Breckenridge, Walter Jones, Richard Rush, and W. G. D. Worthington.

[286] Mills wrote Cuffe, December 26, 1816, informing him of the activities in Washington and asked for information about Africa. He added a postscript: "If the general government were to request you to go out for the purpose of exploring in your own vessel would you engage in this service if offered proper support?" Cuffe Manuscripts, Samuel J. Mills to Paul Cuffe, December 26, 1916.

[287] The signers of this Constitution are given by Sunderland, "Liberian Colonization," Liberian Bulletin, No. 16, 20, as follows:

Signers of American Colonization Society, December 28, 1816.

H. ClayJno. LoockermanJohn Taylor
E. B. CaldwellJno. WoodsideOverton Carr
Thos. DoughertyWm. Dudley DiggsP. H. Wendover
Stephen B. BalchThos. CarberryF. S. Key
Jno. Chambers, Jr.Samuel J. MillsCharles Marsh
Thos. PattersonGeo. A. CarrollDavid M. Forest
John Randolph of RoanokeW. G. D. WorthingtonJohn Wiley
Rob't H. GoldsboroughJohn LeeNathan Lufborough
Wm. ThorntonRichard Bland LeeWilliam Meade
George ClarkD. MurrayWilliam H. Wilmer
James LaurieRobert FinleyGeo. Travers
J. T. StullB. AllisonEdm. I. Lee
Dan'l WebsterB. L. LearJohn P. Todd
J. C. HerbertW. JonesBushrod Washington
Wm. SimmonsJ. Mason
E. FormanMord. Booth
Ferdinand FairfaxJ. S. Shaaf
V. MaxsyGeo. Peter

[288] The other officers were as follows:

William H. Crawford of Georgia
Henry Clay of Kentucky
William Phillips of Massachusetts
Col. Henry Rutgers of New York
John E. Howard  }
Samuel Smith     } of Maryland
John C. Herbert  }
John Taylor of Caroline, of Virginia
Andrew Jackson of Tennessee
Robert Ralston  }
Richard Rush     } of Pennsylvania
John Mason of the District of Columbia
Robert Finley of New Jersey

These were the thirteen vice presidents.

Elias B. Caldwell, Secretary
William G. D. Worthington, Recorder
David English, Treasurer

Francis S. Key
Walter Jones
John Laird
Rev. Dr. James Laurie
Rev. Stephen B. Balch
Rev. Obadiah B. Brown
James H. Blake
John Peter
Edmund I. Lee
William Thorton
Jacob Hoffman
Henry Carroll

These composed the Board of Managers.

[289] Manuscript Records of the Meeting.

[290] Brown, Finley, 65, 66.


[Pg 229]

The Evolution of Slave Status in American Democracy

II

The story of the evolution of the status of the Negro in the North during the first part of the nineteenth century can be easily told as it was the result of forces the existence of which we have already suggested. By far the most important among these were economic and industrial. Lecky has said somewhere that the masses of men are influenced far more by the practical implications of daily life in the pursuit of their callings than they are by abstract ideas and this finds abundant illustration in the attitude taken by the northern mind upon the Negro. In Pennsylvania, where slavery existed in its mildest form and where the moral sentiment of the community was best prepared for its eradication, thanks to the persistent and effective campaign of education begun by the Quakers as early as 1688 and prosecuted under the leadership of such men as the saintly John Woolman and Benezet, economic interests still played a more important part than ethical.[291] Slavery flourished only where the plantation system was profitable and this was not the case in Pennsylvania. The industrial development of the State was in the direction of small farming, manufacturing and commerce, all of which were uncongenial to slavery. In the absence of paramount economic needs, slavery was unable to hold its own against the moral idealism of the Quaker and the racial antipathies of the German and the Scotch Irish.

Even in respect to New England the evidence is abundant that it was economic rather than moral or religious influences that paved the way to freedom for the slave. At the beginning it was the imperative demand for labor that[Pg 230] led to the enslavement of the Indian and Negro, which the Puritan justified by an appeal to his high Calvinism. When this demand ceased because of the increase of white labor and when the diminished supply rendered it more difficult to get profitable slaves, the same economic laws tended to encourage the freedom of the slave.[292] "Fortunately for the moral development of our beloved colonies," says Weeden, "the climate was too harsh, the social system too simple, to engender a good economic employment of black labor. The simple industrial methods of each New England homestead, described in so many ways through these pages, make a natural barrier against an alien social system including either black or copper-colored dependents. The blacks soon dwindled in numbers, or dropped out from a life too severe for any but the hardiest and firmest fibered races."[293] When we see how during the constitutional convention of 1787 selfish economic interests led Massachusetts to enter into the unholy alliance with the pro-slavery States of the far South to fix upon another section of the country the nefarious slave-trade for twenty years longer, we may perhaps conclude that it was after all fortunate for the integrity of the Puritan conscience that slavery was unprofitable as a domestic institution. The slave-trade ended in 1808 and during the years 1806, 1807 six hundred New England slavers arrived at the port of Charleston alone.[294]

There seems to have been, on the whole, comparatively little express legislation in the way of constitutional changes and few express acts abolishing slavery in the North during this period.[295] The process was a gradual one, proceeding by acts of manumission or gradual abolition, the act of Pennsylvania in 1780 being typical. Slavery does not appear to have ever been made illegal in Pennsylvania by express law but died out in the natural course of events.[Pg 231] Hence slaves were found in this State well on toward the middle of the nineteenth century.[296] This goes to show that the abolition of slavery and the admission of the Negro to complete citizenship were the result of a slow evolution of public sentiment. Moore even contends that slavery was never formally abolished in Massachusetts until 1866 when it was agreed on all hands that it was "considered as abolished."[297] Thus the social mind, by a natural and normal development of democratic ideals, arrived unconsciously at the point where it was impossible to harmonize the status of the slave with the prevailing sentiments of the community. The social mind was for this reason often far in advance of the legal status of the Negro as determined by the laws which represented earlier stages of opinion. A case in point is the Massachusetts act of 1788, of which Moore says: "We doubt if anything in human legislation can be found which comes nearer branding color as a crime," and yet this law remained upon the statute books of the State long after it had ceased to be in accord with the feelings and practices of the community and was only repealed in 1834.[298] The hesitancy of the legislators of the different free States to pass express acts of abolition and thus formally to pronounce slavery illegal may have been due in part to the fact that slavery was sanctioned to a certain extent by the constitution and was the "peculiar institution" around which centered the social and economic life of a large number of sister States.

The great industrial expansion of the North and West toward the end of the second decade of the century and the increase of population through immigration in time reduced the Negro in the North in point of number to an almost negligible factor. He was swept along with the rising tide of the growing industrial democracy and shared in the general benefits of citizenship accorded to all. But it would give a very superficial idea of the real status of the Negro[Pg 232] in the North during this time if we were to base our judgments upon the statistics of slave and free, the various acts for manumission or the vigorous anti-slavery agitation from 1830 on. A closer acquaintance with the actual conditions of the time shows that there was a striking contrast between the theoretical rights and privileges which the Negro was supposed to enjoy by virtue of the constitution and bills of rights and those he really did enjoy.

This was a subject of frequent remark by foreigners travelling in America. Captain Marryat, writing of conditions in Philadelphia in 1838, says, "Singular is the degree of contempt and dislike in which the free blacks are held in all the free states of America. They are deprived of their rights as citizens; and the white pauper who holds out his hand for charity ... will turn away from a negro or colored man with disdain."[299] DeTocqueville, in a remarkable characterization of the relations between the races based upon his observations in the early thirties, says that as the legal barriers fall away in the free States those of race prejudice are drawn all the sharper. Wherever the freemen have increased the gap has widened between them and the whites. "The prejudice which repels the negroes seems to increase in proportion as they are emancipated, and inequality is sanctioned by the manners while it is effaced from the laws of the country. Though having the franchise the Negro may not exercise the right for fear of his life;[300] his rights before the law are pronounced upon by white judges only; his children may not attend the same school with the white's and gold can not buy a ticket for him in the same theater; he lies apart in the hospital, worships at a different altar and must bury his dead in a different cemetery."[301]

Harriet Martineau, writing in 1834-35 and commenting upon the statement of a Boston gentleman that the Negroes[Pg 233] were perfectly well treated in New England in the matter of education, the franchise, and otherwise, states that while they are nominally citizens, "yet their houses and schools are pulled down,[302] and they can obtain no remedy at law. They are thrust out of offices, and excluded from the most honorable employments, and stripped of all the best benefits of society by fellow-citizens who, once a year, solemnly lay their hands on their hearts, and declare that all men are born free and equal, and that rulers derive their just powers from the consent of the governed."[303] Fanny Kemble, the English actress, writes in 1838-39 of the treatment of the free blacks at the North, "They are marked as the Hebrew lepers of old, and are condemned to sit, like these unfortunates, without the gates of every human and social sympathy. From their own sable color, a pall falls over the whole of God's universe to them, and they find themselves stamped with a badge of infamy of Nature's own devising, at sight of which all natural kindness of man to man seems to recoil from them. They are not slaves indeed, but they are pariahs; debarred from all fellowship save with their own despised race—scorned by the lowest white ruffian in your streets, not tolerated as companions by the foreign menials in your kitchens. They are free certainly but they are also degraded, rejected, the offscum and the offscouring of the very dregs of your society; they are free from the chain, the whip, the enforced task and unpaid toils of slavery; but they are not the less under a ban."[304]

There was in fact throughout this entire period a remarkable paradox in the social mind of the North with regard to the Negro, for we find everywhere the strongest antipathy to the Negro personally and general discriminations against him socially and politically, united with the greatest enthusiasm for his rights in the abstract. Even the best spirits of the time did not escape it. Fanny[Pg 234] Kemble relates of John Quincy Adams, who became the very head and front of the anti-slavery element in Congress,[305] that while discussing with her at a Boston dinner-party the Shaksperean heroine Desdemona, he asserted "with a most serious expression of sincere disgust, that he considered all her misfortunes as a very just judgment upon her for having married a 'nigger.'"[306] About the time when Garrisonian abolition was at its high tide, when Wendell Phillips was placing Toussaint l'Ouverture above Caesar and Napoleon on the roll of fame, when Whittier, Longfellow, and Lowell were lending their talents to the cause of unalterable and inalienable rights of mankind, Jesse Chickering published a "Statistical View of the Population of Massachusetts from 1765 to 1840," at the end of which he appended some very interesting facts and conclusions as to the colored population of this State. He stated that, owing partly to their race traits and partly to fixed and immovable prejudices of the whites against them, the blacks are deprived of sympathy and social enjoyments and reduced to a servile and degraded condition of poverty and dependence (p. 137). Because of this widespread prejudice against their color, "they cannot obtain employment on equal terms with the whites, and wherever they go a sneer is passed upon them, as if this sportive inhumanity were an act of merit.... Thus, though their legal rights are the same as those of the whites, their condition is one of degradation and dependence." In spite of the vigorous agitation for the rights of the Negro which stirred New England and the entire nation at this time, the writer says "the prejudices which are now felt in this Commonwealth against the people of color and the disadvantages under which they labor ... we can hardly expect will soon be removed," though he is persuaded that "this want of true sympathy, and this sense of degradation, must operate on their sensibility and unfavorably affect their physical, moral, and social condition, and shorten to them the duration of life" (pp. 156, 157).[Pg 235]

The anti-slavery movement in Pennsylvania never went to the rhapsodical extremes we find in Massachusetts. It was from beginning to end sane and reasonable and yet vigorous and unremittent. Nevertheless, we find the same enthusiasm for the rights of the Negro in the abstract combined with racial antipathy, social and political discriminations, and even on more than one occasion mob violence in the actual treatment of the Negro population of the State.[307] Pennsylvania's interest in slavery, because of her position just to the north of slaveholding States, was never allowed to lag even after she had set all her slaves free. Her Negro population was constantly being replenished from the South and largely by fugitive slaves. This brought about much friction with Maryland, owing to the unwillingness of Pennsylvanians to surrender the runaways. In spite of Federal law the spirit of freedom made it unsafe for owners to hunt for their escaped slaves in Pennsylvania, as the famous Christiana riot of 1851 shows, and brought the State to the verge of nullification,[308] to such extremes were a peaceful and yet liberty-loving people ready to go in their championship of the abstract rights of the oppressed slave.

But while this was true, there is abundant evidence to show that by the masses of the people the Negro was thoroughly disliked, persecuted and relegated to an inferior social status by no means in harmony with the doctrine of the inalienable and unalterable rights of man. Negroes were set upon in the streets, beaten, cut and even stoned to death in sheer wanton cruelty. In 1831 the refusal of New Haven, Connecticut, to establish a Negro college was enthusiastically endorsed in resolutions passed at a public meeting in Philadelphia, and in 1834, 1835, 1838, 1842 and 1849 this city was distracted by riots directed against the Negroes. The houses of the Negroes were sacked, their inmates beaten and mobs of whites and blacks fought through the streets with clubs and stones.[309] "A careful study of each of these[Pg 236] riots," says Turner, "makes inevitable the deduction that the deep underlying cause which made every one of them possible, and which prepared them long before they burst forth, was a fierce, and at least among the lower classes, an almost universal, hatred of the negro himself."

How are we to explain this contradiction in dealing with the Negro? Why did Pennsylvanians mob him, disfranchise him from 1838 to 1873, seek to get rid of him by colonization and yet hide him from his master and resolutely refuse to close to him the door of freedom even in the face of Federal laws? The answer is one of fundamental importance for the comprehension of the status of the Negro in the social consciousness of the nation now as well as then. The people of Pennsylvania had been educated for generations in the great traditions of freedom. These traditions had their roots in the religious emancipation of the reformation and gradually extended to the political sphere and became endeared to the hearts of all Americans through the struggle with Great Britain. Pennsylvanians had little special love for the Negro but they loved these traditions dearly. In a healthy democracy these traditions are inseparably united in the thought of the average citizen with the personal sense of liberty. To violate them is to violate that which lends validity to his own conviction of his right to be free.

It will be said, of course, that in the social and political restrictions placed upon the Negro as an actual member of the community, these lofty ideals were negated. Rights that are granted in theory but are denied in the actual give and take of social contacts are not true rights. This was undoubtedly the case. But to register this criticism does not by any means exhaust the situation. For these so-called inalienable rights are not something that the individual is born heir to as he is to his father's fortune. They are his inalienably only by virtue of his potentiality for realizing them and as such they exist only as possible forms of self-activity, functions which by common consensus of opinion are conceded to each individual. In a very real sense, therefore,[Pg 237] they must be won or created by each for himself. The individual or the group, which through ignorance or inefficiency or thriftlessness or racial discrimination is incapacitated for measuring up to the demands of an aggressive and virile democracy, will inevitably find these inalienable and unalterable rights merely a name so far as they are concerned. Actual social status in existing American democracy is the result of a balance of forces one of which is the individual's power of self-assertion. In der Kampf um's Recht the community imagines it has done its utmost when it insists upon fair play. There was also the inevitable friction due to the close contact of diverse race groups. The Negro population of Pennsylvania was larger than that of any other northern State. The presence of thousands of members of a different race, to whom complete social assimilation through intermarriage was refused, and who represented different standards of living and lower industrial efficiency, led inevitably to group conflicts.

Just on the eve of the Civil War, therefore, the theoretical status assigned the Negro in the social consciousness of the North and the one very soon to be assured to him throughout the entire nation in Lincoln's emancipation proclamation, insisted that he be included in those broad and somewhat indefinite categories of rights embodied in our national political symbols. The enthusiasm for these is to be explained not so much from the objective and eternal nature of the rights themselves as from the feeling that they represent a phase of common social experience of fundamental importance for society as a whole. Previous training in democratic traditions made men capable of the noblest self-sacrifice in their loyalty to these ideas of freedom and equality, but the fact of their being associated with the enslaved Negro was accidental. No sooner had they assisted the runaway slave to freedom than they forgot him. He was left to make good in the autonomous, laissez faire atmosphere of a vigorous democracy. Soon, however, his economic helplessness and inefficiency, his ignorance of the[Pg 238] tense northern life aroused the same men who had helped him to freedom to the realization that he was of an alien race, with characteristics that made his social assimilation difficult. Where the blacks were present in large numbers the situation was fraught with the gravest difficulties of social adjustment. These were facts not encouraging for the future of the two races in the nation. They should have taught men that emancipation, instead of solving the problem, would plunge the nation and particularly the South into a situation the infinite difficulties of which were never dreamed of by the enthusiastic champions of abstract human rights. DeTocqueville's language, though written almost thirty years before the débâcle came, sounds like a veritable prophecy. He felt that national abolition was bound to come in the course of events. "I am obliged to confess," he says however, "that I do not regard the abolition of slavery as a means of warding off the struggle of the two races in the United States," for abolition will inevitably "increase the repugnance of the white population for the men of color."[310]

It is well to remember, when we come to examine the status of the Negro in the slave States, that slavery would naturally follow lines of development determined by the economic, social and climatic conditions of the sections concerned. These conditions, of course, vary greatly throughout a region stretching from Maryland to Texas. As late as the famous Dred Scott case, when slavery was limited to the South, Justice Curtis could say, "the status of slavery embraces every condition from that in which the slave is known to the law simply as a chattel, with no civil rights, to that in which he is recognized as a person for all purposes, save the compulsory power of directing and receiving the fruits of his labor. Which of these conditions shall attend the status of slavery, must depend upon the municipal law which creates and upholds it."[311] A comparative study of the legislation of all the slave States with regard to the[Pg 239] Negro both as slave and free will very clearly reveal the effect of these varying conditions in the several States concerned.[312] Nothing is more necessary to a calm and unprejudiced study of the institution of slavery than the realization of this fact.

What then were the economic, climatic and social conditions in the South which contributed to shape the attitude of the social mind of the section toward the Negro? The dominant feature of the social and economic life of the South of ante bellum days was the plantation. This was the industrial unit comprising usually large land areas, worked by slaves divided into groups, under strict supervision, with a fixed routine of labor in the production of special commodities such as tobacco, rice, sugar-cane or cotton. Two types of plantation life developed even before the Revolution, the Virginian and the West Indian, the latter confined at first to the coast line of South Carolina and later covering the "Black Belt" of the far South. The term "plantation" was originally synonymous with colony. Virginia was the "plantation of the London Company"[313] but was later broken up into smaller economic units which retained the name. By the beginning of the eighteenth century the prevailing industrial system in Virginia and Maryland was these small plantations or farms where Negro slaves gradually took the place of white redemptioners and the prevailing staple was tobacco. About the end of the seventeenth century the Jamaican or West Indian type of plantation was introduced on the coast region around Charleston. It consisted of larger estates cultivated by thirty or more slaves, with few or no white laborers, the master and his family often being the only whites present the year around. Fanny Kemble's "Journal of a Residence on a Georgian Plantation," 1838-39, gives an interesting though somewhat sombre picture of the conditions prevailing on the rice plantations near Darien, Georgia.[Pg 240]

Slavery, as an industrial institution, has flourished only in countries with great natural resources, easy of access and affording ready means of sustenance. The crops cultivated must be simple, such as tobacco, rice or cotton, and hence admitting of easy mastery by the slave as well as the efficient organization and direction of gangs of laborers. The soil must be very fertile and unlimited in extent to assure a profit on the unskilled routine labor of the slave, which makes rotation of the crops impossible and soon exhausts the soil so that the worn out lands must be abandoned for new. The industrial cycle passed through by the great slave-estates of the West Indies finds a parallel in the South, where the speedy exhaustion of a fertile soil with the resulting necessity for a more scientific and intensive agriculture, impossible under slavery, forced slaveholders to open up new lands constantly. Hence the insatiable land hunger of the slave power.[314]

There is evidence that at the end of the colonial period the older lands of Virginia and Maryland, where slavery and the plantation system had long existed, were approaching a period of decay. This was the logical result of slavery. An industrial readjustment was taking place involving the decline of the plantation system and with it the decline of slavery. It was at this juncture that the fate of slavery, and with it the destiny of the entire southwestern region, was determined by a new factor, namely, the rise of the cotton culture. But for the invention of the cotton-gin, and the improvements in cotton manufacture that accompanied it, the economic forces already militating against the patriarchal form of slavery in Virginia would doubtless have brought about in time its peaceful abolition. As it was, these discoveries created an industrial basis for the fostering of slavery more dangerous than any pro-slavery legislation had been and more sweeping and insidious than anti-slavery agitators could possibly imagine. It opened up for[Pg 241] the cultivation of the cotton plant the vast fertile region extending from eastern North Carolina through South Carolina, middle Georgia and Alabama to Mississippi, Louisiana and Texas[315]. Here were found all the conditions mentioned above as necessary to the success of slavery.

Within this vast region, however, there were variations of climate and soil which made certain sections better adapted to slavery and the plantation system than others. Between the foothills just to the south of the Appalachian mountains and the flat sandy levels of the sea coast lay a central rich alluvial region called the "black belt" at first after the color of its soil and later after the color of the majority of its inhabitants. This section was peculiarly well suited to the growth of the cotton plant and here, after the pell-mell of immigration which poured into the southwest with the development of cotton culture began to take on the forms of a fixed social order, arose those large cotton plantations which were the central feature of southern ante-bellum civilization. The "black belt" included virtually the whole of South Carolina, a strip through central Georgia and south-central Alabama and the rich alluvial lands along the Mississippi and Red rivers in the States of Mississippi and Louisiana. Here the large plantations gradually absorbed the lands of the frontiersmen and small farmers who had preceded them and spread over all the lands where the gang labor of the slave system could be prosecuted with profit[316].

This slave aristocracy of the "black belt," which determined the social standards and shaped the morals and directed the political policies of the South, was composed of a few powerful families who through their wealth, social standing and talents for leadership controlled the destinies of a vast section. Perhaps 500,000 out of a total white population of 9,000,000 profited by slavery in 1860, but out of this[Pg 242] number some ten thousand families, including such familiar names as Hampton, Rutledge, Brooks, Hayne, Lee, Mason, Tyler, Wise, Polk, Breckenridge and Claibourne, really determined the policies of the South[317]. Beneath the slave aristocracy were ranged the other elements of society. First among these came the small farmers, often owning a few slaves. Though having occupied the land first, they were gradually crowded out by the competition of the large slaveholders, who bought up their lands and forced them to occupy the foothills to the north of the "black belt" in Georgia, Alabama and Mississippi which were ill adapted to the plantation slave system. Next came the thriftless and impecunious whites, variously known as the "pine-landers" and "crackers" in Georgia, the "sand-hillers" of South Carolina, or the "red-necks" of Mississippi. The lowest stratum was composed of slaves with a slight intermixture of free Negroes.

Bagehot remarks that slavery "creates a set of persons born to work that others may not work, and not to think in order that others may think. Therefore, slave-owning nations, having time to think, are likely to be more shrewd in policy, and more crafty in strategy[318]." This is amply illustrated in the case of southern leaders. The sons of the slaveholders received the best education the land could afford; the plantation life gave a training in administration and leadership and with leisure and natural political talent they looked to public life for advancement. Those who showed ability in local or State governments were advanced to the House or Senate so that by a process of natural selection the slave-power at the South was able to develop leaders, who not only moulded the public sentiment of the South itself but shaped the policies of the nation for the better part of half a century[319].

Thus, by a slow process of evolution, was built up in the[Pg 243] "black belt" of the South an industrial empire, based upon slavery, nominally democratic, but in reality an oligarchy composed of a group of talented men, united in their traditions, social standards and political ideals by virtue of their common loyalty to the "peculiar institution" of their section. It was democratic within its own limits, chivalrous, cultured although it cherished ideals essentially at variance with democratic institutions and bound in time to give birth to a social consciousness that was incompatible with that entertained by the rest of the nation. When the slave-power was defeated at the polls in the election of 1860, secession was the logical result.

The status of the Negro, both slave and free, was intimately associated with this economic development of the far South. There is much to indicate that the entire South gradually underwent a profound change of attitude towards slavery in the three decades from 1800 to 1830. Slavery was generally looked upon as an evil by the southern leaders of the time of the constitutional convention and for two decades afterwards, perhaps. Mason of Virginia in the debates of 1787 stated that slavery discouraged the arts and manufactures, prevented immigration of whites, exercised a most pernicious effect upon manners, made every master a petty tyrant and would bring the judgment of heaven down upon the country. Baldwin, speaking for Georgia, said that "If left to herself, she may probably put an end to the evil[320]." Jefferson's expressions against slavery were many and pronounced[321], and there is reason for thinking that these ideas were shared by many even in the far South. An editorial in the Milledgeville Journal of Georgia, January 1, 1817, has this remarkable language: "With such a hint from a distinguished philosopher (i. e., Jefferson), shall we not merit execration, if we fail to provide in time an adequate remedy for this great and growing evil, an evil which is[Pg 244] always staring us in the face—which obtrudes so frequently upon us in spite of ourselves, the most gloomy and awful apprehension[322]." As late as 1826, when Edward Everett, of Massachusetts, asserted before the House that slavery was sanctioned by religion, John Randolph, of Virginia, himself a slaveholder, replied: "Sir, I envy neither the head nor the heart of that man from the North who rises here to defend slavery from principle[323]."

Apparently the first assertion of the usefulness and beneficence of the institution from a southern man of political repute came from the governor of South Carolina in 1830[324]. How then are we to explain the profound change of sentiment indicated by the leading papers of the South just before the war? The Richmond Enquirer, September 6, 1855, asserts: "Every moment's additional reflection but convinces us of the absolute impregnability of the Southern position on this subject. Facts, which can not be questioned, come thronging in support of the true doctrine—that slavery is the best condition of the black race in this country, and that the true philanthropists should rather desire that race to remain in the state of servitude, than to become free with the privilege of becoming worthless." The Richmond Examiner, 1854, advises all southern men to act "as if the canopy of heaven were inscribed with a covenant in letters of fire that the negro is here, and here forever; is our property and ours forever; is never to be emancipated; is to be kept hard at work, and in rigid subjection all his days[325]." The Daily Intelligencer, of Atlanta, January 9, 1860, states editorially: "Whenever we see a negro, we presuppose a master and if we see him in what is commonly called a 'free state' we consider him out of his place. This matter of manumission, or emancipation, now thank heaven less practiced than formerly, is a species of false philanthropy, which we look upon as a cousin german to Abolitionism—bad[Pg 245] for the master, worse for the slave." Calhoun pronounced slavery "the most solid and durable foundation on which to rear free and stable political institutions[326]." Hammond claimed, in a eulogy of slavery in the Senate, March 4, 1858, that its "frame of society is the best in the world." Jefferson Davis defended it as "a form of civil government for those who by nature are not fit to govern themselves";[327] Mason, a descendant of the great Mason of revolutionary days, described it as "ennobling to both races."[328]

It is useless to try to explain these statements by attributing to their authors moral perverseness; the explanation must be sought in the conditions that surrounded them. We have already alluded to the fact that our moral conceptions are absorbed from the social milieu in which we are reared. The prevailing ideals of family, business, the social, political or national group of which we happen to be members we absorb as part of our "social copy" and build into the fabric of our social selves. The larger the group and the more vital any given ideal is considered by the group as a whole the greater will be its hold upon the loyalty of the individual member. Everything conspired to give to the social sanction of the slave-aristocracy an authoritativeness and binding force without a parallel in the history of the nation. Upon the basis of the slave as the industrial unit was reared in the course of years a mass of mores which conditioned the entire world-view of the slave-owner. Economic methods, social differentiations, political institutions, religious ideals, moral values, local patriotism and pride, all took their color from the "peculiar institution" of the section. To question its validity or to deny its divine authority was to threaten the entire social order with an Umwerthung aller Werthe that to the southern mind was unthinkable. The increase of the slave population and the ever widening gap between white and black made it all the harder for the white to consider schemes for emancipation or manumission[Pg 246] which meant economic and social chaos. The weight of accumulated traditions, the hardening of social habits and even the constantly increasing economic handicaps of the ruinous slave-labor made any change more difficult and dangerous. Many, who would gladly be rid of slavery, found themselves in the predicament described by Jefferson, "We have the wolf by the ears, and we can neither hold him, nor safely let him go."[329]

The status of the slave was determined directly by the rise of the slave-power and on the whole shows, as was to be expected, a tendency to treat the slave more and more as a chattel or, as Aristotle would say, a "living tool." The general drift of the slave codes of the various southern States was to negate the personality of the slave and to fix his status as a part of an industrial system. The earliest of the slave laws to be passed were of the nature of police regulations, restricting the personal liberties of the blacks.[330] Of peculiar interest are the laws with regard to emancipation and the status of the free Negro, for the latter was a standing rebuke to slavery and a fruitful source of discontent among the slaves. In 1822 a Charleston writer says, "We look upon the existence of the Free Blacks among us as the greatest and most deplorable evil with which we are unhappily afflicted.... Our slaves when they look around them and see persons of their own color enjoying a comparative degree of freedom and assuming privileges beyond their own condition, naturally become dissatisfied with their lot, until the feverish restlessness of this disposition foments itself into insurrection and the 'black flood of long retained spleen' breaks down every principle of duty and obedience."[331]

As early as 1800 South Carolina prohibited free Negroes and mulattoes from entering the State. In 1822 they were required to have a guardian and in 1825 were forbidden the[Pg 247] use of firearms. By an act of 1841 emancipation of slaves was made unlawful and in 1860 free Negroes were required to wear badges with their name and occupation.[332] In many States emancipation was made unlawful and in Arkansas by an act of 1858 all free Negroes and mulattoes were required to leave the State or be sold as slaves.[333] About 1830, and probably as a result of abolition activity, acts were passed in practically all the southern States prohibiting even the elementary forms of education to the slave and placing heavy penalties upon whites who violated it. Thus the status of the free Negro tended always to approximate that of the slave. Moreover, a study of the evolution of the slave codes of each State shows a gradual narrowing of the sphere of the slave and a general drift towards the principle expressed in South Carolina law that "Slaves shall be deemed, sold, taken, reputed and adjudged in law to be chattels personal in the hands of their owners and possessors and their executors, administrators and assigns, to all intents, constructions and purposes whatsoever."[334]

So far then as the relations of master and slave went, the law gave the former complete control over the slave's time and labor, his food and clothing, punishment, together with the right to turn him over to an agent or sell his labor. The slave had no property rights in law, could be sold, mortgaged, leased or disposed of in payment of debt; the slave could not be party in a legal action against his master, could not redeem himself, change his master or make a contract. His status was hereditary and perpetual both for himself and his children. In his civil status no slave could be a witness against a white or be a party to a suit; he was deprived of the benefits of education and in some States of religious instruction also.[335] The actual status of the slave was, of course, subject to the varying conditions of the different sections[Pg 248] of a wide area of country, the status of the slave on a Virginia or North Carolina farm being very different from that of the field hand on a sugar or cotton plantation of the far South. The slaveholders also were to a very large extent a law unto themselves. "On our estates," says DeBow, "we dispense with the whole machinery of public police and public courts of justice. Thus we try, decide, and execute the sentences in thousands of cases, which in other countries would go into the courts."[336] Fanny Kemble describes how she made use of this autonomous position of the slaveholder on her own plantation to teach her slave Aleck to read in violation of the law.[337] This explains the great extremes in southern slavery and the mistakes of writers who judge the institution as a whole by extreme cases.[338]

Our conclusion as to the effect upon the Negro himself of slavery will depend largely upon whether we stress his previous savage estate and the gain made through contact with a superior civilization or the inherent evils of slavery itself and their effect upon his character. That the transition from African savagery to slavery was a gain for the Negro in many respects will hardly be denied.[339] The field hand of the plantation of the far South doubtless retained many of his most primitive savage traits. Olmsted, an unprejudiced observer, describes him as on the average a very poor and a very bad creature, "clumsy, awkward, gross and elephantine in movement ... sly, sensual and shameless in expression and demeanor." "He seems to be but an imperfect man, incapable of taking care of himself in a civilized manner, and his presence in large numbers must be considered a dangerous circumstance to a civilized people."[340] And yet he testifies that slavery improved the African Negro.[Pg 249][341]

The most beneficial effects were noticeable where the slave came in constant contact with the whites. For this reason the household slaves manifested a degree of intelligence and initiative far above that of the untutored field hand; this contact with the white was in effect an involuntary education. This appeared even in dress. "For though their own native taste," says Kemble, "is decidedly both barbarous and ludicrous, it is astonishing how very soon they mitigate it in imitation of their white models." The mulattoes in Charleston were often as well dressed as the whites.[342] The best witness to the benefits derived from slavery was the fact that for a generation after emancipation the older Negroes who received their training under the old regime made the most faithful and consistent laborers when set free.[343]

There were, however, other effects of slavery which offset its advantages. The slave had no true home life and without this it is impossible to train personality and character. The father felt no responsibility for children that were not really his but his master's. The mother merely discharged the animal functions of bearing and rearing the child, all the finer instincts of motherhood being prostituted to a selfish commercial end. The slave-mother, of course, did not feel the pathos of the situation when pointing to her children she said: "Look missis! little niggers for you and massa; plenty little niggers for you and little missis." The slave lived perpetually in an atmosphere of fawning and flattery by no means conducive to the development of independent manhood either in himself or his master. Being outside those social sanctions which keep the free man honest and trustworthy he was often guilty of petty theft and deceit and the law recognized the logical results of his status upon his character by refusing to take the word of a slave against a freeman. The slave had no social standing and no respect for himself or his fellow slaves and hence[Pg 250] exercised unbounded insolence and tyranny towards his fellows. This gave to the social intercourse between slaves a flavor of vulgarity and insincerity utterly incompatible with the development of the finer instincts of personality.[344]

The essential injustice of slavery lies in withholding the legitimate use of those means for self-development which are the inalienable right of every creature born with potentialities for personality. It becomes a national crime when the public conscience in any age recognizes in a group or an individual potentialities for the exercise of rights or the discharge of social functions with a rational regard for the well-being of society as a whole, and yet through powerful class interests refuses to give legal recognition to those rights. The paradox of the slaveholder's position and the fundamental injustice of it appear even in the slave codes and the arguments used in defense of the "peculiar institution." The slave codes treated the slave in one clause as a chattel, an irrational thing, and yet proceed to embody in the same code regulations against learning to read and write, theft, and murder, thus acknowledging that the slave is both rational and moral. Laws against teaching slaves were passed in South Carolina in 1834, in Georgia, 1829, Louisiana, 1829, Alabama, 1830 and Virginia, 1849.

As a result of this negation of his personality the slave thought and acted solely in terms of the social mind of the white. Hence the prevailing idea of the slave, "massa can do no wrong."[345] The slave had no social consciousness, no ethical code apart from that of the white master; his self-determining powers of personality had no scope for expression or development. He looked down with infinite scorn upon the "poor white trash" which had no entrée into his master's circle and he pitied the free Negro because his lack of a master gave him no social standing. To have a Negro overseer was a disgrace. Olmsted overheard the following conversation between two Negroes: "Workin' in a tobacco factory all de year roun', an' come Christmas, only twenty[Pg 251] dollars! Workin' mighty hard too—up to twelve o'clock o'night very often—an' den to hab a nigger oberseah!" "A nigger!" "Yes dat's it yer see. Wouldn't care ef it warn't for dat. Nothin' but a dirty nigger! orderin' 'round, jes' as ef he was a wite man."[346] To be sure, on the basis of this submerged status of the slave, ties of the greatest intimacy and affection often grew up between master and slave. But the slave's personality was absorbed by that of his master. Petty thefts, deceits and delinquencies of the slave were excused because it was all in the family. The master even felt his slave's acts to be morally his own and condoned them as he would his own foibles. It should never be forgotten that when the Negro made the transition from the artificial and quasi-social status of the slave to a free democratic order, where individual worth and social efficiency determine one's place in society, he was like a child taught to swim with bladders and suddenly deprived of them.

"Jove fixed it certain, that whatever day
Makes man a slave, takes half his worth away."

John M. Mecklin.

Footnotes:

[291] Turner, op. cit., p. 14 ff.

[292] Moore, op. cit., p. 10; Johnson, op. cit., p. 18.

[293] "Economic and Social History of New England," 1620-1789, II, pp. 450, 451.

[294] Dabney, "Defence of Virginia," p. 58.

[295] Locke, op. cit., Ch. V.

[296] Turner, op. cit., p. 87.

[297] "Notes on the History of Slavery in Massachusetts," pp. 241, 242.

[298] Moore, op. cit., pp. 228 ff.

[299] "Diary," p. 149.

[300] No exaggeration! See Turner, "The Negro in Pennsylvania," pp. 146, 147.

[301] "Democracy in America," I, pp. 361 ff.

[302] See Steiner, "History of Slavery in Connecticut," pp. 45 ff. for the famous instance of the Quakeress, Miss Prudence Crandall, and her school.

[303] "Society in America," 1, pp. 193-196.

[304] "Journal of a Residence on a Georgian Plantation," p. 11.

[305] Hart, "Slavery and Abolition," pp. 256 ff.

[306] Journal, p. 86.

[307] See Turner's excellent account, "The Negro in Pennsylvania," Chs. IX-XIII.

[308] Turner, pp. 242, 245.

[309] Ibid., pp. 160 ff. for details.

[310] "Democracy in America," I, pp. 379 ff.

[311] 19 Howard's R., p. 624, quoted by Hurd, "Law of Freedom and Bondage," I, p. 358, see also pp. 321 ff. of Hurd.

[312] Hurd, I, pp. 217 ff., for the colonial legislation and II, Chs. XVII, XVIII, XIX, for subsequent legislation in the different states and territories.

[313] "Documentary History of American Industrial Society," I, p. 75.

[314] "Documentary History of American Industrial Society," I, p. 91. See also Cairnes, "The Slave Power," pp. 52 ff.; Nieboer, "Slavery as an Industrial System," pp. 417 ff.

[315] For an account of the growth of the cotton industry see Baines, "History of the Cotton Manufacture," pp. 116 ff. See also DuBois, "Suppression of the Slave Trade," pp. 151 ff.

[316] Phillips, "Origin and Growth of the Southern 'black belts,'" pp. 798 ff., Vol. XI of The American Historical Review.

[317] Hart, "Slavery and Abolition," pp. 67 ff.

[318] "Physics and Politics," p. 73, ed. of 1896; Ingram, "History of Slavery," p. 5.

[319] Rhodes, I, pp. 347 ff.

[320] Livermore, "An Historical Research Respecting the Opinions of the Founders of the Republic on Negroes as Slaves, as Citizens, and as Soldiers," pp. 56 ff.

[321] Foley, "The Jeffersonian Cyclopedia," secs. 7926 ff.

[322] "Documentary History of American Industrial Society," II, p. 158.

[323] Greeley, "The American Conflict," I, p. 109.

[324] Stroud, "A Sketch of the Laws relating to Slavery," p. vi.

[325] Quoted by Olmsted, "Seaboard Slave States," I, pp. 334, 335.

[326] "Wks.," II, 632.

[327] Speech in Senate, Feb. 29, 1860.

[328] Cong. Globe, 39 Cong., 1st Session, pp. 557, 596.

[329] Foley, "Jeffersonian Cyclopedia," sec. 7933.

[330] Hurd, op. cit., II, pp. 5, 83, 105, 150, etc.

[331] E. C. Holland, "A Refutation of the Calumnies Circulated against the Southern and Western States Respecting the Institution and Existence of Slavery among Them," p. 83, Charleston, 1822.

[332] Hurd, op. cit., II, 95 ff.

[333] Ibid., II, 174.

[334] Stroud, op. cit., p. 11; see also Olmsted, "The Cotton Kingdom," II, 92, and Rhodes, I, p. 369, for similar statements to the effect that the slave was personal property.

[335] Stroud, op. cit., pp. 12, 44.

[336] "Industrial Resources," II, 249, quoted by Hart, "Slavery and Abolition," p. 112.

[337] Journal, pp. 230 ff.

[338] This varying attitude of the master class has been extensively treated by C. G. Woodson in his "Education of the Negro Prior to 1861."

[339] Tillinghast's "The Negro in Africa and America," pp. 106 ff.

[340] Op. cit., II, pp. 12, 13.

[341] II, pp. 108, 118.

[342] Journal, pp. 25, 44, 180; Olmsted, "Seaboard Slave States," I, p. 390.

[343] B. T. Washington, "Future of American Negro," pp. 54 ff. for a negro's witness to industrial training acquired in slavery.

[344] Kemble, op. cit., pp. 60 ff., 29, 134, 153, 239, 263.

[345] Lewis, "Journal of a West India Proprietor," 404.

[346] Op. cit., I, p. 114.


[Pg 252]

History of the High School for Negroes in Washington

If one is making a collection of striking contrasts between what once was, but now is, he should certainly include in this list the Preparatory High School established for Negro youth in the National Capital, November, 1870, and the beautiful new Dunbar High School which was dedicated January 15, 1917. It is indeed a far cry from the basement of the Presbyterian Church in which this first Preparatory High School was located and the magnificent brick, stone-trimmed building of Elizabethan architecture with a frontage of 401 feet which was recently christened the Dunbar High School in honor of the poet, Paul Laurence Dunbar. This new school represents an outlay of more than a half a million dollars. The ground cost the government $60,000, the building and equipment $550,000, and it is considered one of the most complete and beautiful institutions for Negro youth in the country.[347] There is a faculty of 48 teachers,[Pg 253] many of them being graduates from the leading colleges and universities of the country, and 1,252 pupils are enrolled, 545 boys and 707 girls.

It would have required a vivid and fertile imagination indeed for a pupil who attended that first high school to have dreamed of an institution so comprehensive and efficient as the high school of to-day. In fact, the first high school for Negro youth was not a high school at all. It was, as its name indicated, a Preparatory High School established in 1870. It was mainly composed of pupils completing the last two years of the grammar grades, although, according to the school report of that year, a small number of students were pursuing the high school course.[348] The new institution labored under several decided disadvantages. In the first place, the teaching force was inadequate, as there was only one instructor for 45 pupils. Sufficient time for advanced studies was not given and the school suffered also from the loss of pupils employed to meet the growing demand for teachers in the lower grades.[349]

The first class would have graduated in 1875, but the demand for teachers being so much greater than the supply, the first two classes were drawn into the teaching corps, before they had completed the prescribed course.[350] It was not[Pg 254] until 1877, therefore, that the first high school commencement was held, eleven pupils being awarded diplomas. These were Dora F. Baker, Mary L. Beason, Fannie M. Costin, Julia C. Grant, Fannie E. McCoy, Cornelia A. Pinckney, Carrie E. Taylor, Mary E.M. Thomas, James C. Craig, John A. Parker, and James B. Wright. Three members of this class are now teaching in the Washington public schools. Of the capabilities of the pupils and conditions of the school, Superintendent Newton in his annual report said: "The progress which has been made in the organization and the perfecting of an efficient school system in a brief period has probably few parallels in any part of the country. The capabilities of the pupils in general for acquiring knowledge have been demonstrated to be not inferior to those of any children in the country."[351]

The first principal of the Preparatory High School was Miss Emma J. Hutchins, a native of New Hampshire. Like many white men and women who came from the North at that time, Miss Hutchins was fired with zeal to do everything in her power to educate and uplift the youth of the newly emancipated race. She served as principal of the O Street, now the John F. Cook, School and was then placed in charge of the Preparatory High School in 1870. After teaching here one year, Miss Hutchins resigned to accept a position in Oswego County, New York. There was no dissatisfaction on the part of either Miss Hutchins or of the people whom she served, but she resigned, because, as she said, there were among the Negroes themselves teachers thoroughly equipped to take up the work and carry it on and she could find employment elsewhere. From one who knew her personally comes the statement, "Miss Hutchins' term of service in the Washington public schools was brief, but the impress she made upon those with whom she came into contact has remained indelibly fixed through the years that have followed. High ideals, conscientious performance of duty under adverse conditions and loyalty to the[Pg 255] interest of her pupils—hers was indeed the spirit of the true teacher."

In the third report of the Board of Trustees the Public Schools Superintendent, George F. T. Cook, tells us: "The pupils first transferred to this Preparatory High School, as well as those for two or three subsequent years, had completed only the sixth year of the seven required for the completion of the school course at that time—hence the name Preparatory High School." But the superintendent recommended that the transfer of small classes of pupils in the first grade of the grammar course from the several school districts be discontinued, and that in lieu thereof there be two central grammar schools for the accommodation of all pupils in the last year of the grammar course—one to be located in the Summer or Stevens building and the other in the Lincoln building. This was intended to bring into the high school only those pupils pursuing advanced studies. The object of this Preparatory High School, according to Mr. Cook, was twofold: "to economize teaching force by concentrating under one teacher several small classes of the same grade of attainment, located in different parts of the city, and to present to the pupils of the schools incentives to higher aim in education. In both respects," says he, "it has been eminently successful, perhaps more so in the latter, since it has furnished to the teacherships of these schools and those of the surrounding country many teachers."[352]

In the fall of 1871 Miss Mary J. Patterson succeeded Miss Hutchins as principal of the high school, which was then located in the Stevens building on 21st Street during that year. Miss Patterson was graduated from Oberlin College with the degree of A.B. in 1862. So far as the records show, she has the distinction of being the first woman, of African blood, to receive a college education. When Miss Patterson attended Oberlin College, she took what was called the gentleman's course, which required a study[Pg 256] of not only Latin and Greek, but the higher mathematics as well. It doubtless received the name gentleman's course, because at that time women did not as a rule pursue such studies. It is easy to imagine what an impetus and an inspiration such a woman would be at the head of a new school established for the youth of a race for which high standards and lofty ideals had to be set. She was a woman with a strong, forceful personality, and showed tremendous power for good in establishing high intellectual standards in the public schools. Thoroughness was one of Miss Patterson's most striking characteristics as a teacher. She was a quick, alert, vivacious and indefatigable worker. During Miss Patterson's administration, which lasted altogether twelve years, three important events occurred: the name "Preparatory High School" was dropped; in 1877, the first high school commencement was held; and the normal department was added with the principal of the high school as its head.

After Miss Patterson had served one year as principal, Mr. Richard T. Greener was appointed in 1872 to take her place. As Miss Patterson was the first woman of color to be graduated from Oberlin College, so Mr. Greener has the distinction of being the first man of African descent to be thus honored by Harvard College. He received his preparatory education in Boston, Oberlin and Cambridge, and was graduated from Harvard in 1870. A scholar and lawyer by profession, Mr. Greener has attracted attention by his essays and orations. He has held a number of important positions, having served as Professor in the University of South Carolina in the Reconstruction period, Dean of the Law School of Howard University, Chief Civil Service Examiner for New York City, and United States Consul at Vladivostock, Russia. After serving as principal of the high school nearly one year, Mr. Greener left it for fields of broader opportunity. Miss Patterson was then reappointed principal of the Preparatory High School and held the position till 1884, when Mr. F. L. Cadozo, Sr., succeeded her.[Pg 257]

When Mr. F.L. Cardozo, Sr., was appointed to the principalship of the high school, the standard of scholarship required of the principals was certainly maintained. For he had the rare distinction of being educated at Glasgow University, Glasgow, Scotland. There he won two scholarships of $1,000 each in Greek and Latin. He also took a course in the London School of Theology, London, England, where he completed the three-year course in two years. He was once pastor of the Tremont Street Congregational Church, New Haven, Connecticut. Later he went to Charleston, South Carolina, where he engaged in missionary work in the employ of the American Board of Missions. Mr. Cardozo founded the Avery Institute in Charleston, and served as its principal until he became Treasurer of the State of South Carolina, in 1870. Under Governor Chamberlain he was Secretary of State for two terms.[353]

At that time there were 172 pupils in the school, but by 1886 the enrollment was 247, which was more than five times what it was when the school was established. In 1887-88, when the enrollment was 361, there were nine teachers, exclusive of the instructors in music and drawing. There was an increase of two teachers in 1888-89. From 1877 to 1894 the high school course consisted of three years' work. But in 1894 the course was enriched and enlarged by the addition of several electives and since then it has been lengthened to four years. The commercial department was established in 1884-85 and in 1887 a business course requiring two years of study was added. This with a technical course also requiring two years of study laid the foundation of the Armstrong Manual Training School. Girls were given an opportunity of taking up domestic science and boys military drill.[354] Referring to the school in 1889-90 Superintendent Cook said: "This school is growing, not only in number but in a condition to perform better and more useful work. In the practical importance of subjects[Pg 258] taught and in their better and increasing provision for preparing pupils for business life there is recognition of the fact that practical usefulness is the great end of intellectual discipline."[355]

It was during Mr. Cardozo's administration that the high school was moved from the Miner building to a new structure in 1891. So far back as 1874 Mr. Cook urged the construction of a suitable building for the high school. But it was not until 1889-90 that an appropriation therefor was made.[356] This building, known as the M Street High School, was erected on M Street, near the intersection of New York and New Jersey Avenues, where the institution remained until it moved into the Dunbar.

In 1896 Dr. W. S. Montgomery was appointed principal of the M Street High School and held that position for three years. Dr. Montgomery was graduated at Dartmouth College, receiving the degree of A.B. in 1879 and the degree of A.M. in 1906. He completed the Howard University medical course in 1884. From the time Dr. Montgomery was appointed principal of the Hillsdale School in 1875 till the present, with the exception of two years spent in study at Dartmouth, he has served the public school system of the District of Columbia continuously.[357] In referring to his principalship of the M Street High School, one of his co-laborers states that it "was marked by a period of constructive work. He stood for high scholarship with a leaning toward the classical high school."[Pg 259]

Judge Robert H. Terrell succeeded Dr. Montgomery in 1899. He was the second principal of the high school to hold a degree from Harvard College. When a boy, he was a pupil in the public schools of the District of Columbia and was a member of one of the early classes in the old Preparatory High School. Mr. Terrell finished his preparation for college at Lawrence Academy, Groton, Massachusetts and was graduated from Harvard University in the class of 1884. In the fall of that year he was appointed a teacher in the high school and held that position for five years. In the fall of 1889 he was appointed chief of a division in the United States Treasury Department, where he served four years. In the meantime Mr. Terrell had studied law. He practiced that profession till 1889, when he was again appointed teacher in the high school. He was afterward promoted to the principalship. In 1902 President Roosevelt nominated him for a judgeship of one of the City Courts of Washington and Mr. Terrell resigned the principalship to accept this position. While serving as principal of the high school Mr. Terrell devoted much of his time out of school to preparing his boys for college. It is largely due to his influence that a goodly number of its graduates have completed their education at Harvard.

Mrs. Anna J. Cooper was appointed Judge Terrell's successor and served from 1901 till 1906. Mrs. Cooper prepared for college at the St. Augustine Normal School. Like Miss Patterson, Mrs. Cooper was graduated at Oberlin College, receiving the degrees A.B. in 1884 and A.M. in 1888. With the exception of a few years Mrs. Cooper has taught in the public schools from 1887 to the present time. She is the author of "A Voice from the South," which received most complimentary notices in representative newspapers and magazines. During her administration in 1904 the course of study for the M Street High School like that of the other academic high schools was considerably changed and greatly enlarged.

Mr. William Tecumseh Sherman Jackson succeeded Mrs.[Pg 260] Cooper in 1906. He was educated at Amherst College which conferred upon him the degrees of A.B. in 1892 and A.M. in 1897. He thereafter pursued postgraduate studies at the Catholic University of America. Mr. Jackson's twenty-five years of service have all been in the high school. He was teacher of mathematics from 1892 to 1904, principal of M Street High School from 1906 to 1909 and has been head teacher in the Department of Business Practice from 1912 to the present time. In commenting upon Mr. Jackson's work, one of his superior officers declared that he "introduced the individual promotion system, stimulated interest in athletics and fostered the school spirit."

Mr. Edward Christopher Williams succeeded Mr. Jackson as principal of the M Street High School in 1909. He was graduated from the Central High School in Cleveland, Ohio, holds the degree of B.L. from the Western Reserve University, and an honor certificate from the New York State Library School. He was Librarian of the Western Reserve University from 1894 to 1909, and was instructor in bibliographical subjects in the Western Reserve University Library School from 1904 to 1909. After serving seven years as principal of the M Street High School, he resigned June, 1916, to accept a position in Howard University as Librarian and Director of the Library School. Mr. Williams achieved success as an administrative officer while principal of the M Street High School.

Mr. G. C. Wilkinson, the present principal of this school, was educated in the public schools of the District of Columbia, finishing the course at the M Street High School in June, 1898. He was graduated from Oberlin, with the degree of A.B. in 1902, and from the Law Department of Howard University in 1909. In 1902 he was appointed teacher in the M Street High School and discharged his duties in the new field of action with enthusiasm and zeal. During these years Mr. Wilkinson devoted much of his time after school hours to the training and instructing of athletic teams, particularly football and baseball, at a time when physical[Pg 261] training for high school boys was not an established part of the regular curriculum. This interest was not confined to M Street High School only but extended to all secondary schools of the vicinity and resulted in the formation of the Inter-Scholastic Athletic Association of the Middle Atlantic States under whose auspices track meets and basket ball were first introduced into the capital of the nation. Thus athletic interest was extended, until they were registered in the Amateur Athletic Union of America as the first and at present the only football officials of color in America. Mr. Wilkinson was equally active in assisting the military organization of the high school. In November, 1912, Mr. Wilkinson was promoted to the principalship of the Armstrong Manual Training School and transferred to the principalship of the Dunbar High School, July 15, 1916.

It is safe to assert that at the head of no school in the United States have there been teachers who have availed themselves of better educational advantages than have the principals of the high school for the education of Negroes in the District of Columbia. In looking over the list one observes that of the ten principals, who have guided and molded the school, two held degrees from Harvard University, three from Oberlin College, one from Dartmouth, one from Amherst, one from Western Reserve University, and one was educated in the University of Glasgow in Scotland.

But, however well-trained and strong the principal of a school may be, it is impossible for him to accomplish as much as he might, if his teachers also are not efficient and conscientious in the discharge of their duties. In this respect this high school has been greatly blessed, for the teachers have, as a rule, not only enjoyed superior educational advantages, but have faithfully discharged their duties. Although it is impossible in this article to mention by name all the teachers who have done so much to raise the standard of the high school to the enviable position it occupies to-day, no sketch, however short, could do the subject justice without reference to a few of the instructors who have been in the school almost from its establishment to the present time.[Pg 262] Among these none have rendered more valuable service than the late Miss Laura Barney, for many years a teacher of history and an assistant principal, Miss Carolina E. Parke, teacher of algebra, Miss Harriet Riggs, head of the English Department, Mr. Hugh M. Browne, instructor in physics, and Mr. T. W. Hunster, the organizer and director of the Drawing Department.

It would be difficult to name a high school, the graduates or former pupils of which have achieved success in such numbers and of such brilliancy as have those trained in the high school for Negroes in the District of Columbia. If one investigates the antecedents of some of the young Negroes who have made the most brilliant records at the best universities in the country, he will discover that a large number of them were trained in this high school. Miss Cora Jackson by competitive examination won a scholarship at the University of Chicago. Phi Beta Kappa keys have been won by R. C. Bruce at Harvard, Ellis Rivers at Yale, Clyde McDuffie and Rayford Logan at Williams, Charles Houston and John R. Pinkett at Amherst, Adelaide Cooke at Cornell, and Herman Drear at Bowdoin.

In scanning the list of the men and women whose foundation of education and usefulness was laid in this institution, one is surprised to see the wide range of positions they so creditably fill. In almost every trade and profession open to the colored American, from a janitorship to a judgeship, it is possible to find a man or a woman who has either completed or only partially completed the course of this high school. Mr. R. C. Bruce, a graduate of Harvard College, now assistant superintendent of colored public schools; Miss Nannie Burroughs, the founder and president of the National Training School for Women; Mr. Frederick Morton, principal of the Manassas Industrial School; Miss Marian Shadd, Mr. John C. Nalle, Major James E. Walker, supervising principals in the District of Columbia; Dr. John Smith, the statistician of the Board of Education; Miss Emma G. Merritt, director of primary instruction; Mr. Charles M. Thomas, a successful instructor in the Miner[Pg 263] Normal School; 36 out of the 47 principals of buildings and a large corps of efficient teachers of Washington, have all either been graduated from or pursued courses in this high school.

The first Negro who ever won the distinction of being commencement orator at Harvard College was Robert H. Terrell, who studied in the Preparatory High School shortly after it was established and who is now one of five justices in the Municipal Court of the District of Columbia, having been first appointed by President Roosevelt and then reappointed by Presidents Taft and Wilson. The first Negro who was ever elected class orator at Harvard University was Clement G. Morgan, another graduate of this high school. He was formerly a member of the Board of Aldermen in Cambridge, Massachusetts, and is at present a lawyer of good repute.

The young man who won the Pasteur prize at Harvard University, who was twice chosen one of the three to represent Harvard in her debate, first with Princeton and then with Yale, the young man, who, in addition to all this honor, was finally elected class orator, was Roscoe Conklin Bruce, a former student of the same high school. A distinguished representative in the legal profession is Hugh C. Francis, who completed the four-year course in Harvard University in three years, then was graduated from the Harvard Law School with honor and is now practicing his profession in Porto Rico. Other representatives of the law are Albertus Brown, who served as a judge in Toledo, Ohio, for two days by appointment of the mayor, and Ferdinand Morton, Assistant District Attorney of New York City.

The record made by some of the high school graduates in the Army and Navy of this country has been very creditable indeed. When Dewey electrified the world on an eventful day in May some years ago, one of the seamen who aimed a gun straight and made it bark loud was a certain colored youth named John Jordan, who had studied in this same high school. It is even said by those in a position to know that he opened the battle of Manila. It is certain, however,[Pg 264] that he was placed in charge of a crew of gunners in a forward turret, and that he was afterward promoted to the position of chief gunner's mate. For a time he was in Annapolis instructing classes in ordnance, the members of which were, of course, practically all white. Just a short time ago he was retired. Frank Stewart, another graduate of this school, served with distinction as a captain of the volunteer army during the Philippine campaign and was later made presidente of a town where he rendered further services with credit to himself and his country.

A few years ago Joseph Cook, another representative of this high school, taught classes in electricity in the training station at Newport. Cook ran a dynamo, an extremely complicated affair, on Admiral Sampson's ship during the Spanish-American war. For some reason he was assigned to other duty on the ship, was taken from the dynamo and a white man was put in his place. But the latter was unable to master the intricacies of the machine and was soon given other work to do.

Oliver Davis is another alumnus of this school. He is now a captain in the United States Army, being the first colored man from the ranks who passed an examination for a commission in the army. Three of the finest lieutenants in the Spanish-American War, Thomas Clarke, Harry Burgess and William Cardozo, were all trained at this institution. Under command of Major James E. Walker, another product of this school, the First Separate Battalion was the first organization to leave the District of Columbia for the Mexican border last summer, because this, the only colored unit in the District National Guard, was the first to be ready for such military service. Eleven of its officers are graduates of this high school. This battalion had the distinction of being generally lauded for the valuable services it rendered the country during the late unpleasantness with Mexico.[358]

Among others who have distinguished themselves in military[Pg 265] affairs are Eldridge Hawkins, Ex-Secretary of the American Legation at Liberia and for several years captain of the Liberian Constabulary. Joseph Martin also served as a lieutenant in Liberia.[359]

Graduates of this school have succeeded in all the walks of life. In music Captain Walter H. Loving is a distinguished representative indeed. He is the founder and director of the far-famed Philippine band, conceded by foremost musicians of the day to be one of the finest organizations of its kind in the whole world. This band has made extensive tours and has scored phenomenal success everywhere it has played. The credit due Captain Loving, who has now retired, is all the greater, when one considers, that when he commenced this work, a large proportion of the men not only knew little or nothing about music but nothing at all about the instruments they now play with such artistic skill. James Reese Europe is a composer of distinction and the leader of an orchestra which is constantly in demand among the most cultured and the wealthiest people of New York. Among these high school graduates there is at least one theatrical manager, in the person of Andrew Thomas, who has directed the affairs of the Howard Theatre with much success. Miss Mary P. Burrill and Mr. Nathaniel Guy, dramatic readers and trainers, deserve special mention for the service they have rendered the Washington schools and the community in their particular field.

Dr. Charles I. West, formerly assistant surgeon-in-chief of Freedman's Hospital, distinguished himself in a competitive medical examination held a few years ago, and is to-day one of the foremost physicians in Washington. Some of the wealthiest and most skillful physicians in the national capital, among whom may be mentioned Dr. John R. Francis, lately deceased, and Dr. Thomas Martin, received their scholastic training in this high school. There are other products of this school achieving success, both here and elsewhere, in the professions of medicine and dentistry.[Pg 266]

It is very clear that this high school has given a wonderful intellectual impetus to the youth of Washington, many of whom would have been unable to get even a sip at the fountain of knowledge, if they could not have quenched their thirst without money and without price. Without the knowledge acquired in the high school it would have been impossible for many teachers to occupy the positions of usefulness, honor and emolument which they now hold. This high school too has been a great blessing, not only to those representatives of the race who live under the shadow of the capitol, but to many elsewhere. There is no doubt that a majority of the pupils trained in this school have reflected great credit upon their alma mater by doing their work in the world conscientiously and well. And here in Washington, if you meet a skillful physician, an excellent teacher, an expert typewriter or stenographer, a faithful, efficient letter carrier, a distinguished officer in the national guard, or a good citizen on general principles, you are likely to find a graduate of this high school or somebody who has studied there.

Mary Church Terrell

Footnotes:

[347] The auditorium has a large stage, seating capacity for 1,500, with provisions made for presenting motion pictures. The pipe organ in the auditorium offers musical advantages which the pupils have never before enjoyed. The lunch room having a modern kitchen for the preparation of hot foods contributes greatly to the health and comfort of both teachers and pupils. The efficiency of the music department has been greatly enhanced by the five pianos which have been installed. Standing on the balconies provided for visitors one may see the large gymnasiums for both boys and girls in which are dressing rooms provided with shower baths and the most up-to-date equipment. The printing plant is valued at $4,000. The classes in bookkeeping and accounting will have the great advantage of receiving instruction in a real bank, for a banking department has been provided with a safe and windows and all the other modern facilities found in such an institution.

In the dining room and the living room, each having modern furniture, the girls in the domestic science course may learn by actual experience how to lay a table, arrange furniture and keep house. Botany, zoology, chemistry and physics are taught in laboratories and lecture rooms which occupy practically the whole basement floor. In the department of physics there is a particularly fine apparatus, which represents the careful collection and selection of many years. The wireless outfit which is soon to be installed will greatly increase the advantages enjoyed by the pupils. Nothing is more gratifying to the visitor than the spacious library on the second floor of the building, which is complete in its appointments, with a capacity for 4,337 volumes and facilities for the accommodation of 185 students. On the first floor are the administration offices and a study hall with a seating capacity for 106 students. In their armory under the Auditorium the Cadets have space enough for several companies and there is also a rifle range for target practice. In this new building there are 35 class rooms, 5 retiring rooms, an emergency room, 7 locker rooms and locker accommodations for 1,500 pupils. A greenhouse and a roof garden are being constructed and it is hoped that Congress may make an appropriation for building a stadium in the rear of the school.

The course of study in the Dunbar High School includes all the academic and business subjects taught in similar schools of accredited standing, as well as domestic science, printing, physical training and military science.

[348] Annual Report of the Colored Schools of Washington and Georgetown, 1872-73, p. 31.

[349] Ibid., pp. 31, 62, and 95.

[350] First Report of the Board of Trustees of the Public Schools of the D. C., 1875-76, pp. 174, 181.

[351] Ibid., 1874-75, p. 252.

[352] Third Annual Report of the Board of Trustees of the Colored Public Schools of Washington and Georgetown, The Preparatory High School.

[353] Simmons, "Men of Mark," p. 428.

[354] This is based on the Reports of the Board of Education of the District of Columbia.

[355] Annual Report of the Board of Trustees of the Public Schools, 1889-90, p. 175.

[356] The site of the building cost $24,592.50, the building itself cost $74,454.88, the fixtures $9,862.44, making a total expenditure of $109,909.82. (See Report of the Board of Education of D. C., 1904-1905.)

[357] From 1875 to 1882 he was principal of a Grammar School. In 1882 he was appointed supervising principal and served in that capacity for fourteen years. In 1896 he was placed at the head of the M Street High School and served three years. In 1899 he was again appointed supervising principal and served two years. In 1900 he was made assistant superintendent for the colored schools and remained in that position for seven years. In 1907 he was appointed for the fourth time to a supervising principalship and holds this position at the present time.

[358] Among the officers are Captains C. C. H. Davis, S. H. Epps, L. H. Patterson, Lieutenants A. C. Newman, Principal of the Armstrong Manual Training School, B. D. Boyd, T. J. Abrams, C. King and R. A. Jackson, all products of this high school.

[359] He served in Liberia with Colonel Young, who organized the Liberian Constabulary.


[Pg 267]

Our New Possessions—The Danish West Indies

By the recent purchase treaty agreed upon between this country and Denmark the United States government has for the sum of $25,000,000 obtained the three Virgin Islands known as the Danish West Indies. As more than ninety per cent. of their 27,000 inhabitants are Negroes, the American people, upon whom devolves the duty of shaping the destiny of these new subjects, will doubtless be interested in learning more about them. Searching for these islands on the map they appear as three tiny spots lying to the east and southeast of Porto Rico and at the extreme east of the Greater Antilles. The islands are St. Thomas, St. John and St. Croix which lies about 40 miles southeast of St. Thomas. The area of St. Thomas is about 33 square miles; that of St. John 21, while St. Croix is much larger, covering about 84 square miles. These islands are no less remarkable for their fertility than for the intelligence and industry of their inhabitants. The climate is delightful, but this is counterbalanced by the earthquakes and hurricanes which occur at uncertain intervals.[Pg 268][360]

Although the discovery and settlement of the Danish West Indies by Europeans are not of ancient date, their early history is fragmentary and conjectural. Tribes of Caribs[361] were found on these islands by Christopher Columbus when he discovered the group on his second voyage to America in 1493. Judging from carvings upon the rocks and numerous[Pg 269] relics these people had occupied the islands from time immemorial. The natives were decreed enemies of the state by Charles V in 1550 and thereafter were soon exterminated. When the Earl of Cumberland touched at the islands on his way to Porto Rico in 1596 he described them as a knot of little islands, uninhabited, sandy, barren and craggy[362].

The Dutch and English preceded the Danes in the occupation of St. Thomas, but as far as is known, they were at no time present in large numbers. Nine families of them with their slaves were found there in 1666. That year a company of Danes under Erik Smidt landed at St. Thomas and made the first Danish settlement in the Virgin Islands. They claimed to represent the Danish Chartered Company of Guinea and the West Indies with headquarters at Copenhagen. Before these settlers could permanently settle here, however, their expedition was broken up by certain Dutchmen led by one Huntman after the death of Smidt and before the Danes had finished their fort. But this was only temporary success for the Dutch. This company had previously acquired territory on the Gold Coast and had built forts between Christiansburg and the eastern side of the Volta River. Their purpose in the West Indies was the cultivation of sugar, tobacco and other products; and because of the scarcity of labor the work was to be done by slaves[363] from their African possessions. Under the encouragement of Christian V the first cargo of slaves was brought over in 1680[364].

It is conceded that the real progress of the colony began with the rule of Gov. Jörgen Iwersen, who succeeded Smidt, landing on the island May 23, 1672. He was a man of stern and forceful personality who exacted absolute observance of the regulations he imposed, with severe penalties for[Pg 270] their violation. He required the strict keeping of the Sabbath, dealt severely with bond servants guilty of misdemeanors, and treated the Negro slaves still more cruelly.[365]

It is said that while the Danes in Africa were not particularly unkind to the slaves the West Indian Danes were very cruel, especially in St. John and later in St. Croix. "Besides the usual floggings, cutting off of ears, hands, and legs and final hangings (when there was nothing more to torture) the Danes—till the influence of the Moravian missionaries bettered things—were in the habit of 'pinching' recreant slaves with red-hot iron pinchers, or for heinous offences pinching pieces of flesh out of them. The Moravian missionaries came to the islands and brought to the inhabitants the practice and precept of a simple Christianity. Their work among the slaves being especially helpful, the lot of the latter was lightened and masters were no longer allowed to exercise the power of life and death over them."[366]

In those days pirates and buccaneers held sway over the seas and for the better defence of the colony "Christians'-fort" was erected. In 1674 Gov. Iwersen bought a slave to serve for seven years as master mason in the building of this fort. Within the fort was the governor's residence, and the services of the Lutheran Church (the State Church of Denmark) were also held therein, usually in the armory. "Christians'-fort," modernized, is still standing and is supposed to be the oldest building on the island.[367]

About 1682 Frederick William, Elector of Brandenburg, entered into partnership with the Danish Company. The purpose of this agreement was to encourage immigration from Europe and to promote trade with the islands. The Brandenburghers established themselves in St. Thomas, built a factory there and maintained a line of ships trading between Stettin, the Gold Coast and St. Thomas.[368] This arrangement[Pg 271] seemingly worked satisfactorily for a while, but finally caused such discontent that it was discontinued.

In 1684 the Danes took possession of St. John, the smallest but the most fertile of these islands. It was colonized about two generations later by some inhabitants who had the courage to leave St. Thomas. At this period the colonists were fearful not only of depredations of pirates or of the settlers of neighboring islands but they dreaded the attacks of the maroons and uprisings among the slaves. When in February, 1697, after a severe hurricane the force of the garrison was reduced to one lieutenant, one ensign, one drummer, and five privates, a number of maroons gathered in the western part of the island were considered a menace but no outbreak occurred. For a period of about sixty years afterward prosperity reigned in the islands.[369] Sugar, molasses, rum, tobacco and spices were the principal exports and wealth brought to the master class leisure, luxury, and refinement.

In 1733 the island of St. Croix, after continuously passing from the control of one proprietor[370] to another, was purchased by certain merchants of Copenhagen and later was bought from them by King Christian VI of Denmark. The land was then divided into estates and sold to various planters, some of whom came from St. Eustatius, Virgin[Pg 272] Gorda, and Tortola. Being thereafter under more stable control, the island made progress, becoming, like the other Danish West Indies, a sugar colony. The seat of government was then transferred from St. Thomas to St. Croix.

The outstanding fact in the history of this group in the eighteenth century is the insurrection of 1733, which took place on the island of St. John. Because a large number of slaves had just been brought in from Africa there had been urged by the masters and later enacted by decree of the Royal Council certain additional tyrannical regulations which doubtless caused this trouble. Instead of increasing the number of armed men necessary to keep order the planters resorted to legislation.[371] At that time at the west[Pg 273] end of St. John stood the only fort which was garrisoned by eight soldiers under a lieutenant and a sergeant. These men had to be depended upon to handle thousands of discontented slaves.[372] The insurrection, on the other hand, was well planned. Governor Philip Gardelin, of St. Thomas, who was at that time on a visit to the island was to be murdered along with all other white inhabitants so as to bring the island entirely under the control of the Negroes. An unexpected change in his arrangements, however, caused the Governor and a part of his family to leave St. John on the day preceding the uprising. On the following Sunday, however, the insurrection began.

Early that morning certain slaves, as was usual, took into the fort bundles of wood for the use of the soldiers. Within these bundles they had concealed their knives and cutlasses, and at a given signal they brought them forth and murdered all the garrison save one who succeeded in concealing himself. When in possession, the insurgents fired the signal previously agreed upon and at once upon every plantation the slaves began to massacre the masters and their families. Most of the surviving planters fled with their families to the Durlo estate, situated on an eminence and protected by two cannon and, under the direction of an old Englishman, repulsed the slaves, killing and wounding many. While the slaves were in retreat the planters hastily removed their families to vessels which conveyed them to Tortola and St. Thomas.

Thinking that this insurrection might spread to St. Thomas, precaution was immediately taken. Ninety men[Pg 274] were armed, sixty sailors from vessels in the harbor were impressed into service, and the large vessel on which the Governor had come from St. John was brought nearer the town. A detachment of thirty soldiers, some young burghers, and the Jaeger Corps, fully armed and equipped, then proceeded to St. John and drove the slaves from the fort. The Durlo estate was then relieved with much difficulty, so determined were the slaves to continue their work. In spite of these successes, however, the whites decided that it was impossible to suppress the insurrection with such a small body of troops and withdrew to St. Thomas. It was discovered that save those who had sought refuge on the Durlo estate only Dr. Cornelius F. Bodger had survived. He had been spared on the condition that he would give wounded Negroes medical aid. The whites learned too that the Creole Negroes had not taken a part in the uprising. In obtaining information the whites were assisted by a servant of Dr. Bodger, called Christian Sout,[373] who, having the confidence of both the whites and the blacks, became a useful spy for the former, who rewarded him with freedom for these services.

Upon returning to St. Thomas the Royal Council secured the assistance of Captain Meaux and his sixty men of the Nevis, a vessel lying in harbor, but he failed to subdue the Negroes, losing two of his sons in the conflict. The government then sent to Martinique for help. The governor of that colony promptly despatched a force of 400 men who, joined by all the available troops from St. Thomas, drove the Negroes from the fort and, sending out detachments in various directions, finally forced the insurgents to concentrate on the northeast side of the island, where they were surrounded. After holding the island six months, the blacks, finding all chances of escape cut off, resolved upon self-destruction. "Three hundred," says an historian, "were, after a few days from the time they were surrounded,[Pg 275] found lying dead at Brim's Bay, now Anna Burg. In a ravine, a short distance off, were discovered seven others, who appeared to have been leaders in the insurrection, who had shot each other. Seven guns broken to pieces, save one, were found lying by their sides. Tradition reports that three hundred had cast themselves from a high precipice on the rocks below. The historian Höst says they were shot and were found lying in a circle. A few had been taken prisoners. Two of these had been summarily executed in St. John and twenty-six in St. Thomas, some of the latter having been made to undergo the severest torture."[374]

The disproportion of the white and black elements of the population was then brought before the planters as a perplexing problem. In this unstable state of affairs the islands could not prosper. Many planters for fear of servile insurrection moved to other islands, as the situation did not soon become inviting. Captain Peter Tamaryn, of the Jaeger Corps (the night guard of the town), was ordered by Governor Jens Kragh to take a census in 1772 of free colored people living in St. Thomas. It was discovered that there were one hundred and six men capable of bearing arms; forty-one Catholics, twenty-one Reformed Dutch, and the rest Moravians and heathen. Among these were eleven masons, twelve carpenters, ten captains of boats, twenty-nine sailors, thirteen fishermen, eleven tailors, five shoemakers, one cigar-maker, one washer, one goldsmith, one musician, two planters and the rest without occupation. Belonging to the free group were 285 women and children. In 1773, however, on account of the European wars, during which Denmark remained neutral, prosperity returned and the population greatly increased. Once more the harbor of St. Thomas was crowded with the vessels of all nations. The town limits were extended, business establishments were multiplied and thousands of refugees, adventurers and capitalists sought its shores for commercial purposes.

For some decades thereafter the history of these islands was largely commercial. At one time, however, the Dutch[Pg 276] took from the Danes practically all of the trade of the islands. The Danes, therefore, secretly fitted out vessels and sent them from Amsterdam under the Dutch flag and regained their trade, driving the Dutch from the field.[375] But this was not without some evil consequences. Having a monopoly of the trade, the Danes set prices rather high and discontent followed. To put an end to the oppressive restrictions then prevailing, King Frederik V purchased the privileges of the Danish West India Company in 1755.[376] The port of St. Thomas brought then under royal control was no longer free. This sweeping change caused ruin and starvation to follow. The prosperity of the colony ceased, money became scarce, and some inhabitants moved away, adding another problem by leaving slaves in the majority. Endeavoring to check the injudicious importation of slaves and actuated by the same motives which led him to liberate the serfs of Denmark, King Frederik VI prohibited the slave trade in 1792.[377] Prosperity did not again return until 1764 when St. Thomas was declared a free port for all nations. For some time thereafter things went well despite the European wars as Denmark still remained neutral.

This state of affairs continued until 1800 when Denmark became involved in a war with Great Britain and the islands were blockaded. They endured for a while and surrendered in 1801. After holding them ten months, the British restored them in 1802. The short occupation, however, materially affected the commerce of the island and as a result of further complication in the Napoleonic wars they were conquered again by the English and held from 1807 to 1815. Then came another revival of commerce in these islands, the port of St. Thomas becoming the principal rendezvous for the Royal Mail Steam Packet Company's vessels.[378] Yet to a student of economic conditions it was evident that the prosperity of the colony could not become permanent after[Pg 277] the rise of the beet sugar industry at the expense of the cane sugar of the West Indies.[379]

During these years slavery was becoming onerous and undesirable in certain parts of the West Indies and humanitarian forces were operating, at least, to ameliorate the condition of the slaves as a preparation for gradual emancipation. Steps were, therefore, taken to do the same in the Danish West Indies but seemingly without permanent results. There still remained evidences of oppression and cruelty and as an observer saw the situation the low physical, intellectual, and moral condition of the slaves, as compared with that of the liberated Negroes of the British islands, was obvious and unquestionable.[380] Some time in the forties, however, a commission was appointed at Copenhagen to inquire into the state of the islands with a view to emancipation. Moreover, there were constructed "seven large buildings in different parts of the island to serve as chapels and schools for the religious and literary instruction of the Negro population." Some of the planters too were making "laudable exertions for the education of their slaves in reading and in a knowledge of the Holy Scriptures."[381] At the head of this system of schools was one McFarlane, an intelligent and efficient man of color, who was successfully disseminating information from plantation to plantation.[382] The condition of the Negroes was thereby improved, but this increasing knowledge instead of making them grateful to their benefactors led them to appreciate freedom and to realize their power.

In 1848, therefore, came an upheaval long to be remembered. This happened in St. Croix during the administration of Major General P. von Scholten, a friend of the Negroes. King Christian VIII was induced in the year 1847 to enact laws to emancipate the slaves in the Danish West Indies. It was ordered that from the 28th of July, 1847, all[Pg 278] children born of slaves should be free and that at the end of twelve years slavery should cease altogether. These decrees caused little joy among the slaves. Discontent was generally shown. They were thereby made more anxious to have freedom and to have it immediately. They, therefore, plotted an insurrection which broke out in Frederiksted and extended to the eastern part of the island.[383] It seemed that the country Negroes were coming to town to plunder and destroy.

The details of this insurrection are interesting. On the evening of Sunday, July 2, 1848, the Negroes began rioting and the ringing of bells and blowing of horns aroused the island. At first they had confined themselves to noisy demonstration, but the planters, remembering the insurrection in St. John's more than 100 years before, were in a state of great alarm. There was in St. Croix one efficient company of fire-fighters called the Brand Corps which was composed entirely of free colored men. The Stadthauptmand was advised to call them out to put down the disorder, but he hesitated to place so much authority in their hands. One of the Brand officers, however, took a few of his men and assisted in maintaining peace. The white major of the Brand Corps nearly lost his life at the hands of a colored woman who attacked him with an ax. The blow, aimed at his neck, glanced off and his brave bearing saved him from a second attack. The rioting, looting of homes and stores, burning of bonfires and the like continued through several nights. The slaves were led by a young Negro whom they called Bourdeaux, and in whom they had great confidence. In the west end of the islands Martin King, another Negro, was in command or as the slaves styled it, "chief of the fleet." The free people of color had little or nothing to do with the outbreak. "It is but fair to say," says Chamberlain Von Scholten, "that it was owing to the activity and[Pg 279] representations of the free colored people that more violence was not committed."[384]

"A considerable number of Negroes had assembled together in the Fort yard," continues he. "They cried and shouted, demanded their freedom, and called on the soldiers to fire upon them. This the commander of the fort had some difficulty in preventing. Many who were present begged him also not to do so, as the town would surely be burnt to ashes. Of this there could not be any doubt, as near by, behind a corner house which could not be commanded by the guns of the fort there were several Negro women gathered together with trash and dry cane leaves which, at the first shot from the fort, it was arranged they should light and throw into the doors and windows. The fire would thus have quickly spread through the town, as the houses were mostly deserted, and there was no one to check it."[385]

Governor-General von Scholten, the friend of the Negroes, arrived at the fort in Frederiksted on the morning of July 3 and upon his own authority proclaimed freedom to all slaves in the Danish West Indies Islands. As it took some time for this news to spread throughout the island the rioting continued. Finally the authorities called to their assistance General Bourdeaux and Martin King, who partly restored order. The rioters in the eastern part who refused to disperse were fired upon. A few were killed and many wounded. General von Scholten did not at first let the military commander fire on the rioters. The planters appealed to him for permission to take the field against the Negroes but he refused. Upon renewal of the request, however, the militant element was allowed to proceed on the condition that they should not fire on the rioters, unless the latter fired on them. Accordingly the cavalry ran over the estates and forced and overawed many Negroes into respecting the law on the north side of the island. On the south side in the meantime disorder was unusual, but energetic[Pg 280] troops under Major V. Geillerup and Captain V. Castonier scoured the country, captured leaders of the riot and imprisoned them. In the meantime Governor Prim of Porto Rico had in response to an appeal for assistance despatched 600 Spanish troops and two mountain howitzers that assured peace and order.

The subsequent humiliation of General Bourdeaux is a blot on the character of the Danish government. After using his influence to save the lives of many of the planters who assured him of their good will, he was forcibly abducted from his station and made a prisoner. Major Gyllich, whose life General Bourdeaux saved, stood by him, sharing even his imprisonment a few days. He was finally sent aboard a vessel in the garb of a gentleman, provided with all the necessaries and comforts and then stripped of them as soon as the vessel was out of port and forced to toil as a member of the crew. He was taken to the Port of Spain, Trinidad, where he was told that if he returned to the Danish West Indies, he would be executed.[386] He was said to have been seen in Curaçao afterwards, whence he proceeded to the United States of America. Martin King escaped arrest until after the reign of martial law. He was imprisoned, however, for two years and in 1855 could do no better than serve his community as rat-catcher.

Peter Hansen the next governor undertook to settle these difficulties. He passed what is known as the "Labor Act," intended to meet the exigencies of the situation. This was a little better than slavery but it actually gave the Negroes a status ranging between serfdom and indentured service. They were still under rigid restrictions.[387] Thereafter an effort was made to prevent Negroes from assembling, especially at Christmas dances, which were considered dangerous to the peace of the colony. On one occasion in[Pg 281] 1852 to put a stop to such a function a squad of militiamen were ordered out and it fired upon the participants in private dances in their homes, killing many innocent persons. This caused great alarm. The militia was ordered back to the barracks, an investigation was made but no one could tell exactly who gave the order for this cowardly act.

Things went on prosperously for years thereafter. It seemed ideal even under the Labor Act, which the Negroes learned to endure without complaint. In this ideal state of things it was thought advisable to reduce the militia. This was finally done, leaving the whole island outside of Christiansted defenseless. Forced labor, however, under the disguise of apprenticeship could not but be odious, especially so when the differences of blood and color tended to render irritating the very semblance of restraint, and exaggerate every difficulty of class and position. Hence, these injudicious artificial regulations, however seemingly well-intentioned, only gave rise to ill-feeling, mistrust and eventually resistance. The trouble was that the Negroes had grown in intelligence and had begun to appreciate the blessings of actual freedom and free labor. Seeing the trouble in the embryo, the government procrastinatingly made some amendments to the Labor Act. The Negroes, however, eventually defied the act, abandoned agriculture, and came to town to assert themselves.

In 1878 a large number of the country laborers got from some source the impression that the Labor Act was to cease to be operative on the first of October of that year.[388] This was the usual time for the shifting of laborers from one estate to another upon the expiration of their annual contracts and they usually assembled in towns to find new fields, many of them seeking, however, to secure employment in the town. Some planters having foresight, saw the need of larger military force to deal with these people, should they become discontented. The establishment of a rural constabulary was urged, but it was not provided. There were only 60 soldiers to maintain order. On the first[Pg 282] of October there started an uproar in the street of Frederiksted near the home of Rev. J.C. DuBois, the British Vice-Consul, who upon inquiring of the mob the cause of the uproar, was informed that they had been ill-treated by the police, who had severely beaten one of their number, for which they had chased them into the fort. Rev. Mr. DuBois sought to appease the rioters, persuading them to leave town. They eventually consented, but upon being authoritatively and roughly ordered by the Policemaster and his assistants, brandishing their swords, the crowd became furious and attacked these officers with stones, driving them to the fort. Seeing that they intended to attack the fort, Rev. Mr. DuBois followed them, earnestly entreating them not to resort to such harsh measures to redress their grievances. The mob finally agreed to accept his advice, the Vice-Consul agreeing to hear from a representative delegation the following day exactly what their complaints were, and promising to assist them in righting their wrongs. Before leaving them, however, a few of their most intelligent men set forth what these grievances were. They were in short: low rate of estate wages in comparison with the larger amounts given those who labored in the Central Factory—10 cents against 30 cents; the annual contract which was so managed as to be virtually slavery; the frequent abuse of the power given the manager by law to impose fines for certain offences; and the difficulties thrown in the way of laborers leaving the island by the police in requiring them to exhibit what money they had when they wanted a passport. They then gave three cheers for the Vice-Consul and were about to depart when there suddenly appeared a woman running towards them to convey the information that the one of their number who had been arrested had died at the hospital. The mob then hastened to the hospital, threatened to kill the doctor, rushed in, knocked down the sick nurse and one of the patients and demanded to see the dead man. It was said that he was not seriously hurt. They then started for the fort and attacked it with stones[Pg 283] and all sorts of missiles. The fire of the fort being too hot the mob had to withdraw, as several were wounded. The defenders, too, managed to send word to the President at Christiansted, asking for help. The mob, however, ceased to disturb those armed and sought to harass those who were defenseless, destroying homes, stores or whatever they found in their way. The rioters did not, however, destroy the property of such persons, for example, as Rev. Mr. DuBois who was known to be their friend. Goods were thrown into the street and burned. Men dared not utter a word when they saw their accumulations of a life time destroyed. The rioters later made another attack on the fort but could not carry it. When they contemplated making a third attack the much desired assistance had come in time to drive the mob away in all directions.

There had been much difficulty in reaching Christiansted and especially in informing the Governor. This official arrived the following afternoon and declared the town in a state of siege. New troops were put in the field, but it was not until the 3d of October that they succeeded in overtaking the first band of rioters, after several soldiers and other whites had been killed and one third of Frederiksted had been reduced to ashes. Some were captured and some shot. Others were later hunted down and bayoneted, the innocent suffering with the guilty. The militia was reenforced by other soldiers and French and British men-of-war arriving opportunely in port offered their assistance to the struggling government. Later the United States Plymouth appeared and assisted. Three hundred prisoners were finally captured, and twelve were condemned by a court martial and shot. On the 28th of October the court martial was discontinued and a commission of investigation charged with adjudging all cases arising from the riot was appointed. No other severe punishments, however, ensued. The fact is that the riot had destroyed the Labor Act and made the Negro actually free.

Despite these undesirable conditions, the United States had for years desired to purchase the Danish West Indies.[Pg 284] The Civil War demonstrated very clearly our need for a naval and coaling station in the West Indies. The ports of the Southern States were declared blockaded, but it was difficult to maintain that decree, when at several ports in the West Indies, especially at Nassau, blockade runners were hospitably received and helped where our vessels were not wanted.[389] A writer has said: "If it had not been for the friendship of Denmark our vessels would have had a hard time in the Caribbean during the Civil War so President Lincoln was disposed to be generous in his offer for the islands out of gratitude to the Danes. The purchase of Alaska was in part payment of a war debt of the same sort."[390] It doubtless appears strange, however, that one of these plans was carried out immediately after the war, while the other could not be effected before 1917. That this was not done earlier is a sad reflection on American diplomacy.

The negotiation for the purchase of these islands began January, 1865, when Secretary of State Seward and General Raasloff, the Danish Minister to the United States, met at a dinner party.[391] Seward wanted them for a naval station. The minister was not in favor of it and did not think the King of Denmark would sell, and so Denmark replied. When the unfavorable report came, Seward was confined to his bed and the minister was advised to drop it and leave it to the United States to take it up again. Then came the assassination of Lincoln and the attack on Seward. In the meantime there came to power in Denmark a new ministry favorable to the project. The instructions then were to say that the government had no desire to sell but would not be[Pg 285] unwilling to entertain Seward's proposition. Not long thereafter Seward went to Cuba for his health and on the way saw St. Thomas. He then became resolved to buy and asked Denmark to name a price, but she refused. The plan, however, was laid before the Danish Cabinet in 1866. The Danes were reluctant to alienate these islands because they loved the colony. They believed, too, that the sale would offend England, France, and Spain. Mr. Seward and Mr. Yeamen, our minister at Copenhagen, however, pushed it and the Danish government finally offered the United States the three islands for $15,000,000. Denmark was finally persuaded to sell St. Thomas and St. John for $7,500,000. A vote of the natives was taken and they agreed to the transfer of their country to the United States. The treaty was laid before the United States Senate but delayed on account of the serious trouble then existing between Charles Sumner, the chairman of the Foreign Relations Committee, and the administration. The Danish government regarded this an indignity of the worst kind. The time for ratification was extended but the treaty finally fell a victim to the storm of political hatred then raging, and it was dropped in 1868. After an adverse report of the Foreign Relations Committee of the Senate it was finally rejected in 1870.[392]

After this the situation of Denmark became such that the transfer of the islands would have been almost impossible even if the two countries had come to another agreement. By a secret alliance between Germany and Russia, Denmark was rendered helpless. Germany was hostile to American expansion in that quarter.[393] The Republican[Pg 286] Party incorporated into its platform in 1896 a plank requiring the purchase of the Danish West Indies and in 1898 Senator Henry Cabot Lodge introduced in the Senate a bill to purchase the group for $5,000,000.[394] No steps were then taken, doubtless for the reason that we had just come into the possession of Porto Rico and the Philippines, which were regarded as burdens to the nation. Many thought still, however, of the commercial advantages of the islands; the protection they would be to the proposed Panama Canal, and the difficulty we would encounter, should a foreign nation in violation of the Monroe Doctrine undertake to get possession of them.

But the purchase could not then have been effected on account of the dominating influence of Germany although, because of the Monroe Doctrine, she dared not acquire the islands herself. Germany decided upon a policy of commercial expansion in the Danish West Indies, a scheme to which the United States could make no objection, although the country was much alarmed by rumors as to German annexation. In 1902, therefore, President Roosevelt and Secretary John Hay offered the Danish government $5,000,000 for the islands.[395] It was accepted and the required treaty was drawn up and sent to the United States Senate, where it was held up too long. German influence being at work in Denmark, however, it was rejected there also. Prominent among those opposing the transfer were persons claiming to be friends of the islands and promising to see to it that several millions be spent for their improvement. This was accordingly done, bringing some prosperity to the islands. The present war, however, brought this to an end. For fear then on this side that the complications of this war might result in the transfer of the islands to some other power and for fear in Denmark that she might have to alienate them without receiving just compensation the two countries reached an agreement that they should be transferred to this country for $25,000,000.[Pg 287]

We have thereby come into possession of three islands inhabited by about 27,000 inhabitants, ninety per cent. of whom are Negroes. They have come under all European influences which have reached the West Indies, as some of them have lived in other islands. It may seem strange too that although England held the islands only a few years their language is not Danish but English.[396] Danish was confined largely to the officials formerly sent out from Denmark and even these quickly learned English. This was doubtless due to the influence of England and the United States, with which these islands have had close commercial relations and to the fact that Denmark never forced the natives to learn the official language. The Lutheran has been the state church, but many of the people have Roman Catholic, Moravian, Israelite, Episcopalian, Dutch Reformed and Methodist connections. The islands have had no system of actual public education and for that reason the country is in this respect backward. The Danish government has been content to subventionize schools maintained by other agencies, especially those of the churches.

These islands, however, despite their handicaps have produced some useful Negroes. In addition to Bourdeaux, King and McFarlane they can point to at least one truly great man. This was Edward W. Blyden, a man whose sterling character and scholarly attainments gained for him international recognition. Dr. Blyden was born in St. Thomas in 1832, of purest Negro parentage. He early felt an ardent love for Africa, the fatherland, and came to the United States hoping to prepare himself for work in Africa. Failing in this, he went to Liberia and was among the first pupils enrolled in the State College. He served after graduation as professor in the college and was appointed Secretary of State in 1864. In 1877, Dr. Blyden was made minister plenipotentiary of the Republic of Liberia at the Court of St. James and was received by Her Majesty July 30,[Pg 288] 1878. He numbered among his personal friends Lord Brougham, Mr. Gladstone, Dean Stanley, Charles Dickens, Charles Sumner and many other notables. He was sent on a diplomatic mission to powerful chiefs in the interior by the Governor of Sierra Leone, in which mission he was entirely successful. As a teacher, an author and a statesman Dr. Blyden was a shining example of what the pure-blooded Negro may accomplish under unhampered conditions. He died in Sierra Leone in 1912 loved by his countrymen and respected throughout the civilized world.

Leila Amos Pendleton.

Footnotes:

[360] For a general description and account of the Danish West Indies see: H. W. Bates, "Central America and the West Indies," 176-178; Susan De Forest Day, "The Cruise of the Scythian in the West Indies," pp. 52-57; Otto Delitsch, "Westindien und die Südpolar-Länder," Bd. I, Abth. 4, Dänische Besitzungen, pp. 2106-2115; A. Von Dewitz, "In Dänisch-Westindien," passim; H. M. W. Fischer, "Om Dansk Vestindien," passim; A. Granier de Cassagnac, "Voyage aux Antiles," II, 161-184; Robert T. Hill, "Cuba and Porto Rico with other Islands of the West Indies," pp. 25, 26, 306, 309-316; George Höst, "Efterretninger on den Sanct Thomas og dens Gouverneurer, optegnede der poa Landet fra 1769 indtil 1776," passim; John P. Knox, "An Historical Account of St. Thomas, West Indies," passim; J. P. Labat, "Nouveau Voyage aux îles de l'Ameríque," I, 73, 74, 78 and II, 12, 196, 197, 285-292; A. P. Ledru, "Voyage aux îles de Ténériffe, la Trinité, Saint-Thomas, Sainte-Croix et Porto Rico," pp. 160-188; G. Van Lennep Coster, "Aanterkeningen, gehonden gedurende mijn Verblijf in de West-Indiën in de jaren 1837-1840"; W. C. Morris, "The History of Colonization," II, 284-286; C. G. A. Oldendorp, "Geschichte der Mission der Evangelischen Brüder auf den Caribischen Inseln St. Thomas, St. Croix, und St. Jan," passim; P. L. Oxholm, "De Danske Vestindiske Öers Tilsand i Henseende til Population, Cultur og Finance-Forfotning i Anledning af nogle Breve fra St. Croix," passim; "The Present State of the West Indies," pp. 72-74 and 93-94; J. J. Élisée, "Virgin Islands and Santa Cruz" (in The Earth and its Inhabitants by the same author), Vol. XVII, pp. 430-436; J. Reinhardt and C. F. Lülken, "Bidrag til det Vestindiske Öriges og namligen til de Dansk-Vestindiske Öers Herpetologie," pp. 153-291; J. P. B. Von Rohr, "Anmerkungen über den Cattunbau," Part I; Karl von Scherzer, "Die Westindischen Inseln St. Thomas, Haiti, Porto Rico und Cuba," II, 467-495; Damian Schütz-Holzhausen und R. Springer, "Cuba und die übrigen Inseln Westindiens"; Sir Hans Sloane, "A Voyage to the Islands Madera, Barbados, Nieves, St. Christophers and Jamaica"; James Smith, "The Winter of 1840 in St. Croix, with an Excursion to Tortola and St. Thomas"; Stenzel, "Die Insel St. Thomas," passim; C. A. Stoddard, "Cruising among the Caribbees," pp. 23-50; C. E. Taylor, "Leaflets from the Danish West Indies," passim; Frederik Thaarup, "Verledning til det Danske Monarkies Statistik," passim; C. W. Tooke, "The Danish Colonial Fiscal System in the West Indies," passim; A. Trollope, "The West Indies and the Spanish Main," pp. 8 and 235-241; H. West, "Bidrag til Beskrivelse over Sta. Croix med kort Udsigt over St. Thomas, St. Jean, Tortola, Spanishtown og Crabeneiland" and "Beyträge zur Beschreibung von St. Croix," passim; F. Wharton, "A Digest of the International Law of the United States"; "A Winter in the West Indies and Florida," by an invalid, pp. 35-62.

[361] The Caribs who were kind to each other and hospitable to strangers were made vindictive and cruel by the treatment received from the Spaniards. With their cruel weapons they fought without ceasing for the possession of their native land, but they, of course, were no match for the invaders.

When missionaries from Europe attempted to convert them they haughtily replied "You have stolen our lands and those of our neighbors; you have massacred our people, desolated our homes, and committed unheard-of cruelties for the sake of gold. How then can you expect from what we have seen of the bad life of you Christians that we should wish to be like you?" So fearful had been the barbarities practiced upon them that the very name of Christian inspired them with horror and to call them Christians never failed to excite them and to make them grind their teeth with rage. A defenceless, subject people who were so intelligent as to understand thoroughly the hypocrisy of their conquerors and who were possessed of the courage to express their contempt boldly were, in those times, inviting greater cruelties, even possible extermination. Taylor, "Leaflets from the West Indies," 108.

[362] Taylor, "Leaflets from the West Indies," 108.

[363] It is said that a relic of the Danish slave trade, the long Danish gun, played an important part in the Ashanti War with England and that up to the present these long-barrelled muskets are prized in remote parts of West Africa.

[364] Knox, "St. Thomas, West Indies," 45, and Taylor, "Leaflets from the Danish West Indies," 2 et seq.

[365] Taylor, "Leaflets from the Danish West Indies," 3.

[366] Sir Harry H. Johnson, "The Negro in the New World," p. 345.

[367] Knox, "St. Thomas, West Indies," 60 et seq.

[368] Labat, "Voyage dans l'Amerique," II, 285; Annals of the American Academy of Political and Social Science, XXII, 101.

[369] Knox, "St. Thomas, West Indies," 35.

[370] We hear nothing of importance of St. Croix after its discovery until 1625. We learn from Bryan Edwards that the Dutch then came to St. Croix. Du Tertre says that for many years prior to 1645 it was in the possession of the Dutch and English. A conflict between the two ensued and by a series of attacks the English forced the Dutch to leave. The Spaniards in Porto Rico, alarmed at this rising English colony so near, exterminated the English in 1650. Soon afterwards the French at St. Christopher took the island with an expedition. Then in 1653 Louis XIV transferred St. Croix with St. Christopher, St. Bartholomew and St. Martin to the Knights of Malta. In 1665 a newly formed West Indian Company purchased the island from the Order of Malta, but the company being dissolved by royal edict, the island again became annexed to the Crown. On account of destructive droughts the island was practically abandoned and the forts were demolished in 1720. The French again took possession of the island in 1727 and held it until 1733 when it was purchased by the Guinea Company and later from that firm by the King of Denmark. See Taylor, "A Few Words about St. Croix," 5-7; and Rochfort, "Histoire naturelle et morale des îles Antilles," 45.

[371] These regulations were:

1. The leader of runaway slaves shall be pinched three times with red-hot iron, and then hung.

2. Each other runaway slave shall lose one leg, or if the owner pardon him, shall lose one ear, and receive one hundred and fifty stripes.

3. Any slave being aware of the intention of others to run away, and not giving information, shall be burned in the forehead and receive one hundred stripes.

4. Those who inform of plots to run away shall receive $10 for each slave engaged therein.

5. A slave who runs away for eight days, shall have one hundred and fifty stripes, twelve weeks shall lose a leg, and six months shall forfeit life, unless the owner pardon him with the loss of one leg.

6. Slaves who steal to the value of four rix-dollars, shall be pinched and hung; less than four rix-dollars, to be branded and receive one hundred and fifty stripes.

7. Slaves who shall receive stolen goods, as such, or protect runaways, shall be branded, and receive one hundred and fifty stripes.

8. A slave who lifts his hand to strike a white person or threaten him with violence, shall be pinched and hung, should the white person demand it, if not to lose his right hand.

9. One white person shall be sufficient witness against a slave, and if a slave be suspected of a crime, he can be tried by torture.

10. A slave meeting a white person, shall step aside, and wait until he passes; if not, he may be flogged.

11. No slave shall be permitted to come to town with clubs or knives, nor fight with each other, under penalty of fifty stripes.

12. Witchcraft shall be punished with flogging.

13. A slave who shall attempt to poison his master, shall be pinched three times with red-hot iron, and then broken on a wheel.

14. A free Negro who shall harbor a slave or thief shall lose his liberty, or be banished.

15. All dances, feasts, and plays, are forbidden unless permission be obtained from the master or overseer.

16. Slaves shall not sell provisions of any kind, without permission from their overseers.

17. No estate slave shall be in town after drum-beat, otherwise he shall be put in the fort and flogged.

18. The king's advocate is ordered to see these regulations strictly carried out.—See Knox, "St. Thomas, West Indies," 69-71.

[372] For an interesting sketch of the insurrection see Knox, "St. Thomas, West Indies," 58 et seq. See also The Annals of the Am. Academy of Political and Social Science, XXII, 101.

[373] The whites referred to Sout as an intelligent man and considered him "skilful and successful as a botanist in the use of medicinal plants found in the island." See Taylor, "Leaflets from the Danish West Indies," 104.

[374] Taylor, "Leaflets from the Danish West Indies," 105.

[375] Knox, "St. Thomas," 84.

[376] Ibid., 84-85.

[377] Ibid., "St. Thomas, West Indies," 111.

[378] Taylor, "Leaflets from the Danish West Indies," 35.

[379] Arena, XXVIII, 242-247.

[380] Guerney, "A Winter in the West Indies," 21.

[381] Ibid., 22.

[382] Ibid., 23.

[383] This insurrection is well set forth in Knox's "St. Thomas" on page 110 et seq. and in Taylor's "Leaflets from the Danish West Indies," page 125 et seq.

[384] Taylor, "Leaflets from the West Indies," pp. 127-128.

[385] Ibid., 129.

[386] Before things returned to the former state Oberst V. Oxholm arrived to displace General v. Scholten as governor. The latter was tried by a Commission and condemned for dereliction of duty by the influence of the slave-holding class whom he had angered because of his favorable attitude towards the Negroes. Upon appealing to the Supreme Court, however, he was acquitted.

[387] See "Labour Act" in Documents of this number.

[388] See Taylor, "Leaflets from the Danish West Indies," 151 et seq.

[389] Rhodes, "History of the United States," V, 397.

[390] The Independent, LXXXIV, 515.

[391] For a detailed account of the efforts to purchase these islands see W.E. Curtis, "The United States and Foreign Powers," pp. 28-51; Wm. H. Seward, "The Diplomatic History of the War for the Union," V, 28-29; Francis Wharton, "A Digest of the International Law of the United States," I, 416-417; James Parton, "The Danish Islands," passim; United States, Twenty-first Congress, second session, House of Representatives, Report No. 117. Executive Document 21, Thirty-seventh Congress, second session, House of Representatives. Miscellaneous Document No. 80; and Dixon, "The History of the St. Thomas Treaty," passim.

[392] According to Schuyler, "Charles Sumner, then chairman of the Committee on Foreign Relations of the Senate, who was engaged in a personal quarrel with the Administration, simply refused to report back the treaty to the Senate, and he was supported by a sufficient number of his Committee and of Senators to enable the matter to be left in this position. It required new negotiations to prolong the term of ratification and it was with great difficulty that in a subsequent session the treaty was finally brought before the Senate and rejected. As may be imagined, our friendly relations with Denmark were considerably impaired by this method of doing business." See Schuyler, "The St. Thomas Treaty."

[393] The Independent, LXXXIV, 515.

[394] North American Review, CLXXV, 501; and 55th Congress, 2d session, Senate Report No. 816.

[395] 57th Session. First session. Doc. No. 284.

[396] We have here relied to some extent on information obtained from the United States Consul C.H. Payne and Vice-Consul A.P. Zabriskie stationed at St. Thomas for a number of years.


[Pg 289]

Documents

Relating to the Danish West Indies

It is possible to multiply here the documents bearing on the Danish West Indies but these are considered adequate to give the student of history an idea as to the colonial policy of the Danes, their treatment of the bondmen and the subsequent self-assertion which culminated in open resistance to established authority. We are concerned then with what the Danish were endeavoring to do, what they actually accomplished, and what the observer from afar thought of these achievements. To bring out more strikingly these phases of the situation these documents have been added.

A short Description of the Islands of St. Thomas and St. Croix, in the Possession of the Danes, in 1769

The only remaining islands in this part of the world, that we shall now mention, are those of St. Thomas and St. Croix, which belong to the Danes; the former is situated in 18°. north latitude, and is one of that cluster of islands called the Virgins. Though it is not above seven leagues in circumference, it is in a commodious situation, and has an excellent port of an oval form, in a manner surrounded by two promontories, which defend the ships that lie within from almost all winds. In the bottom of this port is a small fortress which stands in a plain, and is a regular square with four small bastions, but it has neither outworks nor a ditch, it being only surrounded with a pallisade. On the right and left of the fort are two small eminences which in our plantations would be called bluffs; but though they seem designed for batteries that would command the whole harbour, no such use is made of them. The King of Denmark has here a Governor and a garrison; notwithstanding which, there is a large factory on the island belonging to the Brandenburghers, the subjects of the King of Prussia.

The neighbourhood of the Spanish island of Porto Rico is only at 17 leagues distance, and secures the inhabitants from the danger[Pg 290] of wanting provisions, to which they would otherwise be exposed; for though the soil is tolerably good and every foot of it cultivated, yet it would not produce sufficient for the maintenance of the inhabitants, who are very numerous.

The town of St. Thomas consists of one long street, at the end of which is the Danish magazine, a large magnificent and convenient building. The Brandenburgh factory is also very considerable, and the persons belonging to it are chiefly French refugees, who fled thither when the protestants were expelled from the French islands. The chief produce of their plantations is sugar, which is very fine grained, but made in small quantities; yet the Danish Governor, who is usually a man of some rank, lives in a manner suitable to his character, and generally acquires a good fortune in that station. The director of the Danish trade also becomes rich in a few years, and the inhabitants in general are in very easy circumstances.

To this island the Spaniards are continually sending large vessels to purchase slaves. This is the chief support of the Danish and Brandenburgh commerce, as these slaves are drawn from their settlements upon the coast of Africa, which, if they had not this trade, would have long ago become useless, and consequently deserted. The Spaniards also buy here, as well as at Curacao, all sorts of European goods, of which there is always a vast stock in the magazine, belonging chiefly to the Dutch. There is likewise a great resort of English, Dutch, and French, vessels to this port, where they can always depend upon the sale of superfluous, and the purchase of necessary commodities. But though a prodigious deal of business is transacted in time of peace, in time of war it is vastly increased, for being a neutral port, the privateers of all nations resort thither to sell their prizes.

St. Croix is seated about five leagues east of St. Thomas's, and about 30 west of St. Christopher's, in 18°. north lat. and in 65°. west longitude. It is about ten or twelve leagues in length, but not above three broad. The air is very unhealthy but the soil is easily cultivated; very fertile, and produces sugar canes, citrons, oranges, lemons, pomegranates, and other excellent fruits, and has several fine trees, whose wood is very beautiful, and proper for inlaying.

This island has had several masters; but the French abandoning it in 1696, it was purchased by his late Danish Majesty. It was[Pg 291] then a perfect desert, but was settled with great expedition, many persons from the English islands, and among them some of great wealth, having removed thither.—"The World displayed or a Curious Collection of Voyages and Travels," 1769, pp. 127-129.

II
Danish Colonization in the West Indies in 1798

The Danes had no sooner submitted to one single chief, than they fell into a kind of lethargic state. To those great convulsions, which are occasioned by the clashing of important rights, succeeded the delusive tranquillity of servitude. A nation, which had filled the scene for several ages, appeared no more on the theatre of the world. In 1671, it just recovered so far from the trance, into which the accession of despotism had thrown it, as to look abroad, and take possession of a little American island, known by the name of St. Thomas.

This island, the farthest of the Caribbees towards the west, was totally uninhabited, when the Danes undertook to form a settlement upon it. They were at first opposed by the English, under pretence that some emigrants of that nation had formerly begun to clear it. The British ministry stopped the progress of this interference; and the colony were left to form plantations of sugar, such as a sandy soil, of no greater extent than five leagues in length, and two and a half in breadth, would admit of. These improvements, which were at that time very rare in the American Archipelago, were brought on by particular causes.

The Elector of Brandenburgh had formed, in 1681, a company for the western part of Africa. The object of this association was to purchase slaves; but they were to be sold again; and that could be done in no other place than in the New World. It was proposed to the court of Versailles to receive them in their possessions, or to cede Santa-Cruz. These two proposals being equally rejected, Frederic William turned his views towards St. Thomas. Denmark consented in 1685, that the subjects of this enterprising prince should establish a factory in the island, and that they should carry on a free trade there, upon condition of paying the taxes established, and of agreeing to give an annual stipend.

They were then in hopes of furnishing the Spanish colonies, which were dissatisfied with England and Holland, with the Negroes which those provinces were continually in want of. The[Pg 292] treaty not having taken place, and the vexations being incessantly multiplied, even at St. Thomas's, the transactions of the inhabitants of Brandenburg were always more or less unfortunate. Their contract, however, which had been only made at first for thirty years, was renewed. Some few of them still belonged to it, even in 1731; but without any shares or any charter.

Nevertheless, it was neither to the productions, nor to the undertakings of the inhabitants of Brandenburg, that the island of St. Thomas was indebted for its importance.

The sea has hollowed out from its coast an excellent harbour, in which fifty ships may ride with security. This advantage attracted both the English and French Buccaneers, who were desirous of exempting their booty from the duties they were subject to pay in the settlements belonging to their own nations. Whenever they had taken their prizes in the lower latitudes, from which they could not make the Windward Islands, they put into that of St. Thomas to dispose of them. It was also the asylum of all merchant-ships which frequented it as a neutral port in time of war. It was the mart, where the neighbouring colonies bartered their respective commodities which they could not do elsewhere with so much ease and safety. It was the port from which were continually dispatched vessels richly laden to carry on a clandestine trade with the Spanish coasts; in return for which, they brought back considerable quantities of metal and merchandise of great value. In a word, St. Thomas was a market of very great consequence.

Denmark, however, reaped no advantage from the rapid circulation. The persons who enriched themselves were foreigners, who carried their wealth to other situations. The mother-country had no other communication with its colony than by a single ship, sent out annually to Africa to purchase slaves, which being sold in America, the ship returned home laden with the productions of that country. In 1719 their traffic increased by the clearing of the island of St. John, which is adjacent to St. Thomas, but not half so large. These slender beginnings would have required the addition of Crab Island, or Bourriquen, where it had been attempted to form a settlement two years before.

This island, which is from eight to ten leagues in circumference, has a considerable number of hills; but they are neither barren, steep, nor very high. The soil of the plains and valleys, which run between them, seems to be very fruitful; and is watered[Pg 293] by a number of springs, the water of which is said to be excellent. Nature, at the same time that she has denied it a harbour, has made it amends by a multitude of the finest bays that can be conceived. At every step some remains of plantations, rows of orange and lemon trees, are still found; which make it evident, that the Spaniards of Porto-Rico, who are not further distant than five or six leagues, had formerly settled there.

The English, observing that so promising an island was without inhabitants, began to raise some plantations there towards the end of the last century; but they had not time to reap the fruit of their labour. They were surprised by the Spaniards, who murdered all the men, and carried off the women and children to Porto-Rico. This accident did not deter the Danes from making some attempts to settle there in 1717. But the subjects of Great Britain, reclaiming their ancient rights, sent thither some adventurers, who were at first plundered, and soon after driven off, by the Spaniards. The jealousy of these American tyrants extends even to the prohibiting of fishing-boats to approach any shore where they have a right of possession, though they do not exercise it. Too idle to prosecute cultivation, too suspicious to admit industrious neighbours, they condemn the Crab Island to eternal solitude; they will neither inhabit it themselves, nor suffer any other nation to inhabit it. Such an exertion of exclusive sovereignty has obliged Denmark to give up this island for that of Santa Cruz.

Santa Cruz had a better title to become an object of national ambition. It is eighteen leagues in length, and from three to four in breadth. In 1643 it was inhabited by Dutch and English. Their rivalship in trade soon made them enemies to each other. In 1646, after an obstinate and bloody engagement, the Dutch were beat, and obliged to quit a spot from which they had formed great expectations. The conquerors were employed in securing the consequences of their victory, when, in 1650, they were attacked and driven out in their turn by twelve hundred Spaniards, who arrived there in five ships. The triumph of these lasted but a few months. The remains of that numerous body, which were left for the defence of the island, surrendered without resistance to a hundred and sixty French, who had embarked in 1651, from St. Christopher's, to make themselves masters of the island.

These new inhabitants lost no time in making themselves acquainted with a country so much disputed. On a soil, in other respects excellent, they found only one river of a moderate size,[Pg 294] which, gliding gently almost on a level with the sea through a flat country, furnished only a brackish water. Two or three springs, which they found in the innermost parts of the island, made but feeble amends for this defect. The wells were for the most part dry. The construction of reservoirs required time. Nor was the climate more inviting to the new inhabitants. The island being flat, and covered with old trees, scarce afforded an opportunity for the winds to carry off the poisonous vapours, with which its morasses clogged the atmosphere. There was but one remedy for this inconvenience; which was to burn the woods. The French set fire to them without delay; and, getting on board their ships, became spectators from the sea, for several months, of the conflagration they had raised in the island. As soon as the flames were extinguished, they went on shore again.

They found the soil fertile beyond belief. Tobacco, cotton, arnotto, indigo, and sugar, flourished equally in it. So rapid was the progress of this colony, that, in eleven years from its commencement, there were upon it eight hundred and twenty-two white persons, with a proportionable number of slaves. It was rapidly advancing to prosperity, when such obstacles were thrown in the way of its activity as made it decline again. This decay was as sudden as its rise. In 1696 there were no more than one hundred and forty-seven men, with their wives and children, and six hundred and twenty-three blacks remaining; and these were transported from hence to St. Domingo.

Some obscure individuals, some writers unacquainted with the views of government, with their secret negotiations, with the character of their ministers, with the interests of the protectors and the protected, who flatter themselves that they can discern the reason of events, amongst a multitude of important or frivolous causes, which may have equally occasioned them; who do not conceive, that among all these causes, the most natural may possibly be the farthest from the truth; who after having read the news, of journal of the day, with profound attention, decide as peremptorily as if they had been placed all their life-time at the helm of the state, and had assisted at the council of kings; who are never more deceived than in those circumstances, in which they display some share of penetration; writers as absurd in the praise as in the blame which they bestow upon nations, in the favourable or unfavourable opinion they form of ministerial operations; these idle dreamers, in a word, who think they are persons of importance, because[Pg 295] their attention is always engaged on matters of consequence, being convinced that courts are always governed in their decisions by the most comprehensive views of profound policy, have supposed, that the court of Versailles had neglected Santa Cruz, merely because they wished to abandon the small islands, in order to unite all their strength, industry, and population, in the large ones; but this is a mistaken notion: this determination, on the contrary, arose from the farmers of the revenue, who found, that the contraband trade of Santa Cruz with St. Thomas was detrimental to their interests. The spirit of finance hath in all times been injurious to commerce; it hath destroyed the source from whence it sprang. Santa Cruz continued without inhabitants, and without cultivation, till 1733, when it was sold by France to Denmark for 738,000 livres (30,750l.). Soon after the Danes built there the fortress of Christianstadt.

Then it was, that this northern power seemed likely to take deep root in America. Unfortunately, she laid her plantations under the yoke of exclusive privileges. Industrious people of all sects, particularly Moravians, strove in vain to overcome this great difficulty. Many attempts were made to reconcile the interests of the colonists and their oppressors, but without success. The two parties kept up a continual struggle of animosity, not of industry. At length the government, with a moderation not to be expected from its constitution, purchased, in 1754, the privileges and effects of the Company. The price was fixed at 9,900,000 livres (412,500l.) part of which was paid in ready money, and the remainder in bills upon the treasury, bearing interest. From this time the navigation to the islands was opened to all the subjects of the Danish dominions.

On the first January 1773, there was reckoned in St. John sixty-nine plantations, twenty-seven of which were devoted to the culture of sugar, and forty-two to other productions of less importance. There were exactly the same number at St. Thomas, and they had the same destination, but were much more considerable. Of three hundred and forty-five plantations, which were seen at Santa Cruz, one hundred and fifty were covered with sugarcanes. In the two former islands, the plantations acquire what degree of extent it is in the power of the planter to give them, but in the last, every habitation is limited to three thousand Danish feet in length, and two thousand in breadth.

St. John is inhabited by one hundred and ten white men, and[Pg 296] by two thousand three hundred and twenty-four slaves: St. Thomas, by three hundred and thirty-six white men, and by four thousand two hundred and ninety-six slaves: Santa Cruz, by two thousand one hundred and thirty-six white men, and by twenty-two thousand two hundred and forty-four slaves. There are no freed men at St. John's, and only fifty-two at St. Thomas, and one hundred and fifty-five at Santa Cruz; and yet the formalities required for granting liberty are nothing more than a simple enrolment in a court of justice. If so great a facility hath not multiplied these acts of benevolence, it is because they have been forbidden to those who had contracted debts. It hath been apprehended, that the debtors might be tempted to be generous at the expence of their creditors.

This law appears to me a very prudent one; with some mitigation it might be of service, even in our countries. I should very much approve, that all citizens invested with honourable functions, either at court, in the army, in the church, or in the magistracy, should be suspended whenever they should be legally sued by a creditor, and that they should be unremittingly deprived of their rank whenever they should be declared insolvent by the tribunals. It appears to me that money would then be lent with more confidence, and borrowed with greater circumspection. Another advantage which would accrue from such a regulation, would be, that the subaltern orders of men, who imitate the customs and the prejudices of the higher class of citizens, would soon be apprehensive of incurring the same disgrace; and that fidelity in engagements would become one of the characteristic of the national manners.

The annual productions of the Danish islands are reduced to a small quantity of coffee, to a great deal of cotton, to seventeen or eighteen millions weight of raw sugar, and to a proportionate quantity of rum. Part of these commodities are delivered to the English, who are proprietors of the best plantations, and in possession of the slave trade. We have before us at present, very authentic accounts, which prove that from 1756 to 1773, that nation hath sold in the Danish settlements of the New World, to the amount of 2,307,686 livres 11 sols (96,153l. 125.1-1/2d.). and carried off to the value of 3,197,047 livres 5 sols 6 deniers (133,210l. 6s. 0-3/4d.). North America receives likewise some of these productions in exchange for its cattle, for its wood, and for its flour. The remainder is conveyed to the mother-country upon[Pg 297] forty ships of one hundred, and from that to four hundred tons burden. The greatest part is consumed in Denmark, and there is scarcely sold in Germany, or in the Baltic, for more than the value of one million of livres (41,661l. 13s. 4d.).

The lands susceptible of cultivation in the Danish islands are not all tilled, and those which are, might be improved. According to the opinion of the best-in-formed men, the produce of these possessions might easily be increased by one third, or perhaps by one half.

One great obstacle to this increase of riches, is the extremely narrow circumstances of the colonists. They owe 4,500,000 livres (187,500l.) to the government, 1,200,000 livres (50,000l.) to the trade of the mother-country, and 26,630,170 livres (1,109,590l. 8s. 4d.) to the Dutch, who, from the immensity of their capitals, and the impossibility of employing them all themselves, necessarily become the creditors of all nations.

The avidity of the treasury puts fresh restraints upon industry. The provisions and merchandise which are not peculiar to the country, or which have not been brought upon Danish vessels, are obliged to pay four per cent. upon their departure from Europe. The national and foreign commodities equally pay six per cent. on their arrival in the islands; 18 livres (15s) are required for every fresh Negro brought in, and a poll-tax of 4 livres 10 sols (3s. 9d.). Some heavy duties are laid upon stamp paper; an impost of 9 livres (7s. 6d.) for each thousand foot square of ground, and the tenth of the price of every habitation that is sold. The productions are all subjected to five per cent. duty on their leaving the colonies, and to three per cent. on their arrival in any of the ports of the mother-country, exclusive of the duties which are paid for rum when consumed in retail. These tributes collectively bring in to the crown an income of eight or nine hundred thousand livres, (from 33,333 pounds. 6s. 8d. to 37,500l.).

It is time that the court of Copenhagen should give up these numerous and oppressive taxes. Well-grounded motives of interest ought certainly to suggest the same kind of conduct to all the powers that have possessions in the New World. But Denmark is more particularly compelled to this act of generosity. The planters are loaded with such enormous debts, that they will never be able to repay the capitals, and cannot even make good the arrears, unless the treasury should entirely drop every kind of claim upon them.[Pg 298]

But can such a prudent measure be expected, either in Denmark or elsewhere, as long as the public expences shall exceed the public revenues; as long as the fatal events, which, in the present order, or rather disorder, of things, are perpetually renewed, shall compel the administration to double or to treble the burden of their unfortunate, and already overloaded subjects; as long as the councils of the sovereigns shall act without any certain views, and without any settled plan; as long as ministers shall conduct themselves, as if the empire, or their functions, were to end the next day; as long as the national treasures shall be exhausted by unparalleled depredations, and that its indigence shall only be removed by extravagant speculations, the ruinous consequences of which will not be perceived, or will be neglected, for the trifling advantages of the moment? and to make use of an energetic, but true metaphor, one that is terrifying, but symbolical of what is practised in all countries; as long as the folly, the avarice, the dissipation, the degradation, or the tyranny of the rulers, shall have rendered the treasury so much exhausted or rapacious, as to induce them to burn the harvest, in order the more speedily to collect the price of the ashes!

If the treasury were by chance to become wiser and more generous in Denmark than they have been, or than they are in any other part of the globe, the islands of St. Thomas, of St. John, and of Santa Cruz, might possibly prosper, and their productions might, in some measure, compensate for the trifling value of those of the mother-country.—Abbé Raynal, A Philosophical and Political History of the Settlements and Trade of the Europeans in the East and West Indies, 1798, pp. 256-265.

III
Santa Cruz in General in 1838

St. Croix is an island, about eighteen miles long, situated in latitude 17° 45' north, longitude—west of Greenwich. It is almost exclusively devoted to the cultivation of sugar-cane, and the manufacture of sugar molasses, and rum. In a good season it produces from fifty to sixty thousand hogsheads of muscovado sugar of the best quality. It is generally calculated that the molasses and rum will pay all the contingent expenses of the estates; leaving the sugar for clear income, which at seventy-five dollars the hogshead, for which it is generally sold there, in a good season, amounts to[Pg 299] three millions seven hundred and fifty thousand dollars. This great revenue is produced by the careful cultivation of almost every inch of the soil, the estates generally consisting of but one hundred and fifty to three hundred acres each; and nearly one hundred negroes being employed upon each one hundred and fifty acres. The soil is dry and sweet, producing the best cane, and consequently the best sugar known. I had heard much of filthiness in the manufacture of sugar and molasses, but the first view of a St. Croix sugar works contradicted it. The kettles, the vats in which the sugar is cooled, the hogsheads in which it is drained, and even the molasses vats under them, are so perfectly neat and clean, that no one who has seen them can feel any squeamishness in eating St. Croix sugar, or molasses either. To look at a vat-full, a foot deep, just chrystalizing over the surface, and perfectly transparent to the bottom, would satisfy the most scrupulous upon this point. There is about twenty-five thousand black, and three thousand white population. Of course, it is seldom a white man is seen in riding through the island.

Many of the blacks are free, and the slaves, by the protection afforded them by the Danish laws, are about as well satisfied with slavery as they would be with freedom. No slave can be taken from the island without security for his or her return; masters cannot inflict punishment without the intervention of public authority; no slave can be sold against his or her consent, except with the estate; and cheap and easy provisions are made for emancipation. Such is the expectation of a general abolition, that the prices of slaves are only about one fourth as high as in the United States. In the village of Christianstadt, a large proportion of the retail trade, and nearly all the mechanical labour, is in the hands of the free blacks and mulattoes; and the politeness, intelligence, and ability of some of these, would surprise those who think their race by Nature unfit for freedom. Many of them have good countenances, are well behaved, and appear to evince as much discretion and judgment as whites under similar circumstances. Some of them hold commissions in the militia service; one has been promoted to the distinguished situation of Governor's aid-de-camp; and instead of considering the race as on a level with brutes, many of the white inhabitants deem them nearly, if not quite, on a level with themselves. I listened for a whole evening to a very warm discussion of the question, whether a lady would be justified in refusing[Pg 300] to dance with a negro or mulatto at a ball; and the negative was not wanting in supporters.

It is almost surprising, that so small a number of proprietors should have had the public spirit and perseverance to make such costly fine roads, not only as public highways whenever needed, but should also have made a good private road around almost every estate; beautifully ornamenting both with palm and cocoa-nut trees, which cut the whole into squares, and add much to the beauty of the scenery. On each estate there are generally a fine mansion, a sugar-house, windmill, and plenty of negro-houses, all situate upon an eminence and interspersed with fruit and ornamental trees. Little attention is given, however, to the cultivation of fruits, and, in many places, not an orange will be seen for miles. Sugar-cane seems to have engrossed the whole attention of the inhabitants, and crowded out almost every thing else.—A Winter in the West Indies and Florida by an Invalid, 1839, pp. 62-65.

IV
A Letter from an American Visiting Santa Cruz in 1840

My dear Friend,


I understand that the slaves form about four-fifths of the population, and are in number about 19,000. Time was, when the treatment to which they were exposed, was harsh and severe; and then their numbers were constantly declining. Of late years, however, the Danish government has instituted various restrictions which have ameliorated the condition of the slaves. They are not allowed, as I understand, to be worked longer in the day, than from 6 o'clock in the morning, to the same hour in the evening, with intervals, (not always long enough) for breakfast and dinner. Legal provisions are made respecting food and clothing. The driver in the field is not permitted to carry any more terrible instrument than a tamarind switch of moderate size; and twelve lashes with the rope, and a short period of solitary confinement, (mostly I believe in a light room) are the extent of punishment which even the manager or master is permitted to inflict. This rope however, is a dangerous instrument of torture; and I am told that the reduction of the allowed number of lashes, from thirty to twelve, is no matter of law, but the simple result of the imperative benevolence[Pg 301] of the governor-general Von Scholten. Any negro has a right to buy his own freedom; and, in case of need, the price is settled by a public appraiser. The consequence of these benevolent provisions is, that the condition of the slaves is improved, and their number is now kept up, with a very small increase.

I cannot, however, refrain from observing, that legal provisions for the amelioration of slavery, are in general of little use. In the British Colonies, the measures of this kind which were enacted by the Parliament at home, were constantly frustrated by local influence; and in spite of law or reason, man will often be found, in the hour of temptation, to abuse arbitrary power over his fellow man. I consider it therefore highly probable, that even in Santa Cruz, where the ameliorating laws are enforced by a local government, at once vigilant and despotic, acts of oppression and cruelty may at times take place, which are wholly unknown to the government; much more, to an occasional visitor of the island.

In the mean time the degradation occasioned by slavery in the Danish islands—the low physical, intellectual, and moral condition of the slaves, as compared with that of the liberated negroes of the British islands—is obvious and unquestionable. The worst feature of the system is the "Sunday market," as it is called. The slaves are allowed no one of the working days of the week for their own business. The consequence is, that multitudes of them throng from the country (often from a great distance) into the towns of Bassin and West End, on the First day of the week, with their provisions and fruits for sale. The rum shops are hard by the market places. The buyers, of course, misuse the day as well as the sellers; and the scene is one, not only of busy traffic, but of noisy merriment, idleness, and dissipation. Before we left Santa Cruz, we called on General Söbötker, the present Governor, of the island, to take our leave; and we ventured to press this subject on his consideration, not without some remarks on slavery in general. He listened to us in a very obliging manner, and seemed to look forward to better days; but his last words to us, as we went down the steps from his door, were, "PATIENCE, PATIENCE, PATIENCE."

It was very satisfactory to us, to learn from our friend Captain Von Scholten, the brother of the Governor General (then in Denmark) that a commission had been appointed at Copenhagen, to enquire into the state of these colonies, with a view to emancipation. In the meantime, seven large buildings have been erected in[Pg 302] different parts of the island, to serve as chapels and schools, for the religious and literary instruction of the Negro population. They are not yet in use: but several of the planters are making laudable exertions for the education of their slaves in reading and in a knowledge of the Holy Scriptures. A colored person of the name of Macfarlane, in every way adapted for the office, is employed for the purpose; this school circulates, with excellent effect, from one estate to another. Having been taught their moral and religious obligations, the negroes, on these estates, are greatly improved, and are much more useful to their masters, than in the days of their ignorance.

The schools held on the First day of the week under the care of the members of the Episcopal church, at Bassin and West End, are attended by several hundreds of black, mulatto, and white children. Some of the planters and their wives are united with colored persons and others, as instructors in these schools; and the blessed work is carried on, both among the teachers and the taught, without prejudice of caste, or distinction of color.—Joseph John Guerney, A Winter in the West Indies described in familiar Letters to Henry Clay, of Kentucky, 1840, pp. 20-23.

V
Stadthauptmand Chamberlain Von Scholten's Narrative of the Insurrection of 1848

In the week that preceded the 3rd July, 1848, I was confined to my bed with a rheumatic swelling in my right hand. On Sunday the 2nd July I felt a little better, and could more or less use the hand. On the afternoon of that day I received a visit from one of our most respectable planters. In the course of our conversation, he told me that there were strange reports in circulation concerning the negroes, who, it was said, were to refuse to go to work on the next day, and to demand their freedom. He could not assign any further grounds for these reports than hearsay. Being accustomed to hear of war and revolution in Europe, as well as disturbances and riot in the French islands, from the fact of the majority in this little place, Frederiksted, seeking to make up for the monotony of their existence by spreading and listening to all sorts of idle rumours and scandals, this information made no further impression upon me. I bade him, in the meantime, to acquaint the commander of the fort, and the policemaster with[Pg 303] what he had heard, and promised myself to inform my brother, the Governor-General, as soon as he arrived here in the "Ornen," a brig-of-war, which was momentarily expected.

At about eight o'clock in the evening my physician came to attend to me, and he spoke of the alarming reports that were in circulation. As he appeared to be somewhat concerned about the matter, I remonstrated with him and spoke of the evil of spreading such reports, which, if unfounded, might awaken ideas among the slaves which it was to the interest of every one to prevent. Not that I feared that they would be disposed to violence or riot. They had been generally well treated and were apparently satisfied.

About nine o'clock, I received a message that the Governor-General had arrived in Christiansted, and that his carriage which stood in my yard was to go up there, but as it was late, I gave orders to the coachman to wait until next day. In the meantime I went to bed. A short time after my servant told me that there must be fire in the country as the bells were being rung and shells blown. As this is the customary manner of giving notice of such, the thought of anything unusual did not occur to me. And as I could see no sign of any fire from my house, which is built on an elevation, I concluded that it was upon a distant estate, and again sought refuge in sleep. This lasted but a short time, when I was once again aroused by a loud knocking at my gate. Opening the window, I immediately recognized the voice of the Brandmajor commanding in Frederiksted, he told me that the negroes in the country were rioting and desired their freedom, and that was the reason why the bell-ringing and blowing of shells were to be heard. We then spoke about the plan of action we should adopt, and whether the alarm gun should be fired or the Brand corps and Militia should be called out. The Major having stated that the negroes were committing no excesses and only making a disturbance, I looked upon this as a good sign, for when one has evil designs he rarely makes a noise, but generally proceeds to action at once. Nevertheless, it was a doubtful point with me whether I, as Stadthauptmand, would be justified in firing the alarm, the militia law not stating anything definite or to the point as to who should give such an order. On the other hand, my authority only extended over the militia. Over the Fort from which the alarm gun should be fired I had no command whatsoever.[Pg 304]

There were many considerations which induced me to proceed with caution in the matter.

To have fired the alarm would have been equivalent to placing the island in a state of siege. The power to do this rested only with the Governor. Moreover, such an act would have summoned the whole of the white population into town, away from their estates, leaving their wives, children and old women in the power of the negroes. With no one to check them, had excesses been committed, how blameable it would have been to have acted so precipitately. I was confirmed in this opinion by a planter and military officer, who shared my views on the subject. The officer remarking that: "Should the negroes be intent on evil, they could easily prevent isolated members of the militia from coming in, and should the opposite be the case, he saw no reason for calling them from their estates, where they might by their presence be able to check violence and plunder." The policemaster—Andersen—coincided with these views, observing: "Let us not by hasty proceedings provoke the negroes. The bell-ringing and noise do not indicate that they are intent upon violence. We must proceed with caution if we do not desire to see things worse." These words from one who had a large experience of the character of the negro, carried weight with most of us.

The opinion has since been expressed on more than one occasion, that the Brand corps, which was composed of free coloured people, should have been called out, but from prudential motives it was deemed advisable to limit their action until absolutely necessary. I shall now attempt to picture the events which followed.

About two o'clock a.m., eight or ten mounted militiamen came in from the country and informed me that the condition was such as the earlier reports had stated. That there were noisy demonstrations and disorder, but nowhere had actual violence been committed. These gentlemen had left behind them their wives, mothers and children, so to speak, in the power of the negroes, without the least fear that they would be exposed to any kind of danger. They came to inquire if the alarm gun had been fired, and if such were the case, to meet as accustomed. I explained to them that the gun had not been fired, as it was not considered prudent to call them away at such a moment from their property, where they could best work to preserve order. They therefore returned to their homes. At four o'clock a.m., I sent off my brother's carriage to Christiansted, and by same opportunity a letter in which I[Pg 305] described to him the condition of things in Frederiksted. At the same time expressing the hope that order and quiet might be restored by representations and negotiations.

At seven o'clock in the morning, the negroes streamed into the town in large numbers. Shortly afterwards it was reported to me that the police office was being plundered and demolished. The second Brand officer, who was with me, after expressing the opinion that it was in no way advisable to call out the corps, undertook with some of the best disposed of his men to assist in the keeping of order. And it is but fair to say, that it was owing to the activity and representations of the free coloured men that more violence was not committed, only three houses being plundered and wrecked. At about this time a negro came crying to me and begged me to write a letter to the Governor-General asking that he would come down to Frederiksted as soon as possible, so that by his presence he might save the town from further molestation. With this I joyfully complied, beseeching my brother not to delay, as only he would be able to quiet the negroes. In the meantime the Brand major had narrowly escaped with his life. Riding into town from his estate he was attacked by the negroes, a negro woman striking at his neck with an axe, which fortunately glanced off without injuring him. To show that he intended them no harm, he threw away his sword, exclaiming: "Take my life, if that can satisfy you, I come not as an enemy, but as a friend!" With these words they seemed impressed, and allowed him to pass on his way.

A crowd of negroes came shouting and yelling up the street, and stood in front of my residence, demanding that I should proclaim their immediate freedom. Representing to them how wrongly they had acted by destroying and plundering, I advised them to keep quiet until the Governor-General arrived, as he alone could satisfy their demands. Seeing that they were now more peaceable, I went to the Fort, where several of the inhabitants of the town had assembled. These were most restless, not to say unreasonable. Some thought that to save the town from further disturbance, I should, in the Governor-General's name, have declared the negroes free, but, as, in my opinion, I had no such power, I could not, nor would not, take it upon myself to do so. Nevertheless, it was the opinion of every one that only the prompt emancipation of the slaves would save the island from further destruction. And now a considerable number of negroes had[Pg 306] assembled together in the Fort yard. They cried and shouted, demanded their freedom, and called on the soldiers to fire upon them. This the commander of the Fort had some difficulty in preventing. Many who were present begged him also not to do so, as the town would surely be burnt to ashes. Of this there could not be any doubt, as near by, behind a corner house, which could not be commanded by the guns of the Fort there were several negro women gathered together with "trash" or dry cane leaves, which, at the first shot from the Fort, it was arranged they should light and throw into the doors and windows. The fire would thus have spread quickly through the town, as the houses were mostly deserted, and there was no one to check it. With a view of quieting the threatening multitude, I went among them, accompanied by the Catholic priest[397] and a few of the bravest of the inhabitants. The priest, whose influence was very great, spoke to them, admonishing and exhorting them to be quiet. On the other hand, on my addressing myself to one who appeared to be a leader of them, I received the following reply: "Massa, we poor negroes cannot fight with the soldiers, as we have no guns, but we can burn and destroy if we do not get our freedom, and that is what we intend to do."

It was rumoured in the Fort that the negroes intended to storm it, and for that reason had procured an English flag, which they regarded as the symbol of freedom. I myself saw the flag in the crowd, and nearing the flag-bearer after some difficulty, I asked the young negro why he did not carry the Danish instead of the English flag, to which he answered: "Any flag is good on such an occasion." But on my speaking further he seemed visibly embarrassed, and moved away among the crowd. About ten o'clock a.m. a great noise was heard in the upper part of the town. Some said it was the Governor-General, but it turned out to be the Stadthauptmand of Christiansted, Oberst de Nully, and the Governor-General's adjutant. The Oberst stepped out of the carriage and spoke to the crowd, which was so dissatisfied that the Governor-General had not come himself that they would not listen to him. Suddenly there was a great movement among them, and with repeated cries of "Moore!" "Moore!" they rushed down the Strand-street. Here the infuriated mob commenced immediately to plunder and destroy Merchant Moore's store and residence. Mr. Moore himself sought refuge on board one of the vessels in the[Pg 307] harbour. The cause of this unexpected outbreak is said to have been brought about by Mr. Moore's carelessly speaking to the negroes, who understood that he would request the garrison of the Fort to shoot them down. This would have been an easy matter, for it was quite possible to sweep the street with a couple of field guns from the water battery and the Fort gate; but the commander of the Fort was besought not to fire for fear that in their desire for revenge the negroes would burn down the town and destroy every white person who might fall into their hands. Besides, as the actually guilty ones were in Mr. Moore's house, plundering, only innocent people who were in the street would have been killed. Several sailors from the English vessels in the harbour were now to be seen among the excited people, encouraging them by words and actions. And particularly conspicuous upon the wharf were several water casks belonging to these vessels, on which was written in large letters—"Liberty." It is worthy of remark, in contrast to these proceedings, that the free coloured population did their utmost to prevent the negroes from breaking into the houses and warehouses in the vicinity.

Most of the whites were now either on board the vessels or in hiding. About this time a negro appeared upon the scene, who seemed to be in command of the immense concourse of people which filled the street. This was Buddhoe, or as he was called later on, General Bourdeaux.

About three o'clock p.m., the Governor-General arrived, accompanied by Kammerjunker Upper Court Assessor Rothe. The General stepped out near the Fort, went in among the crowd and declared the negroes to be free. He then requested Kammerjunker Rothe, and as far as I can remember, Major Gyllich, the Brand major, to see that the negroes left the town, which these gentlemen soon accomplished.

Later on a detachment of troops arrived from Christiansted, and at five o'clock p.m. the Governor-General returned to Christiansted, after having ordered the cavalry, which had recently arrived, to go back again. First Lieutenant v Holstein, with two pieces of cannon and forth men, remained over night in the Fort.

The brig-of-war "Ornen," Captain Irminger, arrived in the harbour shortly before sunset. The night passed quietly enough, though fires illuminated the hills of the north side. On Tuesday, the 4th of July, a number of negroes were seen on the road leading to the North side, and it was feared that, should they enter the[Pg 308] town, it would doubtless result in bloodshed or incendiarism. In order to prevent this, Major Gyllich rode out among them, and, by repeated assurances that they were now free and would not be brought back to slavery again, succeeded in inducing them to return to their homes. At the same time he persuaded the negro Buddhoe to accompany him to town, a wise move, for it was through this negro's influence over them that order and quiet were restored to this part of the island. In the meantime, Kammerjunker Rothe arrived from Christiansted, whence he had started in the morning with a number of printed copies of the proclamation of freedom. Shortly after his arrival, three expeditions were organised to make their contents known among the negroes. Kammerjunker Rothe, the Vice-Brand major and a prominent planter, went to Annally and Spring Garden, while Major Gyllich, Buddhoe, or General Bourdeaux[398] and two of the most respectable free coloured burghers went to the South side.

The company in which I found myself arrived first at estate "La Grange." We had little difficulty in getting the negroes together, who stood around our carriage as Kammerjunker Rothe read out and explained the proclamation to them. Continuing our road, we came to estate "Northside," where we met the owner and his family who had remained there during the whole tumult. They told us that during the forenoon of the same day, they had been attacked by the negroes from the neighbouring estate of "Ham's Bay," who under the pretext of wanting to take the overseer's weapons from him, attempted to force the dwelling house. The negroes of the estate defended them and prevented the intended violence. From that place we went to "Ham's Bay," where we found it difficult to collect the negroes, who had forced the owner and his family to take flight in a fishing boat shortly before. After having restored something like order among them, we returned to Frederiksted.

The expedition in charge of Major Gyllich, after visiting twenty odd estates reached as far as "La Reine." Mr. Beech read the proclamation on each of them. On the road they learned that there was a large gathering at estate "Slob," which had been doing a great deal of plundering and destruction. Though Buddhoe declared that he did not know the negroes on that part of the island, and it was remarked that estate "Slob" was outside of[Pg 309] West End jurisdiction, Major Gyllich decided to go there, being under the impression that he might prevent further troubles.

Going up the hill towards "Slob," they met a man named "Martin King," chief of the "fleet," as they called this meeting. This negro who was half drunk and riding a white horse, and who seemed to be a leader among the crowd which they encountered, upon understanding the object of the expedition, after a great deal of outrageous and foolish talk yielded to the representations of the Major, and by the influence he seemed to wield over the rest of his comrades, was of great assistance in restoring order among them. After visiting estates "La Reine" and "Mount Pleasant," the major and his party returned to Frederiksted.

On Tuesday and Wednesday several planters with their families came into town, and sought refuge on board the ships in the harbour. The owner of the estate "Negro Bay," with twenty or thirty other managers and overseers also came in, an error which resulted in his estate being plundered. By this time prisoners were being continually brought in. The negroes bringing them in themselves. To this Buddhoe mainly contributed. On Thursday morning at four o'clock a considerable force consisting of two cannon, infantry and cavalry under the command of Captain v Castonier left the town. In the meantime the Fort was garrisoned from the brig-of-war. Though this expedition met with no opposition, it served a good purpose, as from that time perfect quiet and order were brought about.—Taylor, Leaflets from the Danish West Indies, pp. 126-132.

VI
Chamberlain Irminger's Account of the Insurrection of 1848

After a stay of several days in the island of St. Thomas, Governor-General v Scholten sailed in the forenoon of the 2nd July, 1848, for St. Croix, in the brig-of-war "Ornen," which I commanded.

About four o'clock in the afternoon we anchored in Bassin (Christiansted), suspecting nothing of the row which the negroes intended to make. The General dined with me. At sunset he landed in order to proceed to Bülowsminde, and as he heard that I intended to have the ship painted, he invited me to pass the time at his beautiful country seat.

About 10 o'clock, p.m. we retired to rest. The 3rd July, at[Pg 310] about two o'clock in the morning, I was awakened by the General's servant with a request that I would come to the General as quickly as possible. I immediately repaired to his presence and found him already dressed. He then showed me a report from the Chief Commander of the Fort in West End (Frederiksted), Capt. v Castonier, which stated that the negroes were restless at that part of the island—that bells were being rung on the estates—and they were sounding the alarm on their shells (conchshells).

When I had read the report, the Governor-General said: "What is now to be done?" To this I answered that I thought the best thing to do was to seek as quickly as possible to smother the disturbance at its birth, because every minute now lost would lend additional strength to the disturbers of the peace. It was my impression that twenty to thirty armed men should immediately be sent on horseback to West End in order to scatter the negroes apart.

The Governor remarking that he could not dispose of such a force, I replied that I did not think it would be so difficult to get such a number of mounted militia collected from the nearest estates.

In the meantime, the General's horses were saddled and we now both rode, accompanied by a mounted servant, down to the Government house in Bassin. The night was a starry one and the weather exceedingly fine. We stopped now and then on the tops of the different hills which we rode over to listen if we could not hear the blowing of shells or any shouting. But all was hushed, and we heard only the rustling of the cocoa-nut palm leaves moved by the trade wind. As soon as we arrived in town, messages were sent to Major v Falbe, who was Chief of the Fort in Bassin, Major v Geillerup, who lived in the barracks, Oberst de Nully, Major Keutsch and others. We now spoke of what was to be done. I still maintained that action should be taken immediately and that if the cavalry force which I had asked for could not be got, which I could by no means admit, other military must immediately be sent to West End. I furthermore said to the General that I would go on board to let the men that could be dispensed with get ready to land, and, at the same time, get the brig ready for sea so as to be able to leave for West End by daybreak, if ordered. The General requested me to remain a little longer in the Government House so as to avoid making any disturbance in town where all was still and quiet. The conference ended, I believe, in Major[Pg 311] Keutsch's coachman being sent towards West End for more information as to how it stood with the island. It was now nearly five o'clock in the morning. The time passed and nothing was done. I believed I knew the negro character, and that the riot could have been smothered at the beginning by decisive action. Seeing that my presence at Government House was of no further use, I told the General that I would now go on board, so that I could get the brig ready for sea, and to send armed men on shore, if required. This I did, and awaited the General's order.

To my surprise I received none whatsoever, and about eight o'clock a.m. I again went on shore. There I was informed that Oberst de Nully and Lieutenant v Meincke had been sent to West End. I also found some soldiers drawn up and ready to set out, though I afterwards learned, with orders not to go further than King's Hill (an estate in the middle of the island.) Interrogating the General as to whether the brig should not sail to West End, I received the answer that she might be possibly required in Bassin, and I would receive further orders.

In Bassin, everything was quiet, and I began to believe that the whole affair did not mean much. Indeed, scarcely any one seemed to have any knowledge of it. I then informed the General that everything was ready as well for sea, as to send men ashore, and should the General have anything to order, I could be found in the Athenaeum; a reading room nearly opposite the Government House. About one o'clock p.m., Lieutenant v Meincke arrived from West End and reported the state of affairs. He brought at the same time information that the negroes wanted to speak to the Governor-General himself. General v Scholten had the horses immediately put to, taking Kammerjunker Rothe with him into the carriage to drive to Frederiksted. This man, from what I had heard, had been always an advocate for the emancipation of the negroes. Before the General drove off, I requested a decided order from him as to whether I should remain lying in Bassin or depart for West End. After some reflection, he gave me the order. With this I left for that place.

On my arrival, and immediately after having anchored, the "Ornen's" boats were armed, and I went ashore. The King's Wharf was full of negroes, and everything was in disorder. Accompanied by some of my armed men, I went to the Fort. By the entrance to same, I met General v Scholten in his carriage; he was just ready to drive back to Bassin. I reported my arrival,[Pg 312] and asked for orders. The General's answer was: "I have given Emancipation. Remain here with the 'Ornen'."

This was the last order I received from him, and I did not see him again before my arrival in Denmark in the following year.

In the Fort I spoke with Captain v Castonier, and shortly after, I sent, according to agreement with him, an officer with about fifty men as a reinforcement as well as for patroling. This detachment remained ashore some time.

"By this time nearly all the estate negroes had left the town. Still everything was in the greatest confusion. Town-Bailiff Andresen's house and Police-Assistant Didrichsen's were entirely wrecked by the negroes. A Mr. Moore's house and store had suffered to the extent of 20,000 dollars. Several lesser excesses had been committed, and armed negroes were seen off and on riding through the streets at a gallop. Most of the whites had fled to vessels lying in the harbour, of which the 'Johann Marie' had over two hundred fugitives on board. On the night of our arrival, fires illumined different parts of the island."[399]

As every thing was yet in the greatest confusion, and deeming it of the utmost importance to bring about order, Vice-Stadthauptmand F. v Scholten, the commander of the Fort, Captain Castonier, Police-master Ogaard and myself, assembled, and after due deliberation, issued the following order:—

"It is hereby made known, for the information of everyone concerned, that in case the country people should come to town in a riotous way and threaten to attack the Fort, or otherwise to disturb the inhabitants, then, and in such case, where more than ten people are collected together, the Fort is ordered to fire upon them, as also his Majesty's brig-of-war 'Ornen.' All peaceable inhabitants are therefore desired not to interfere with the country people, but keep out of their way.

"Frederiksted, 4th July, 1848.
"F. Scholten, C. Irminger, Castonier, Ogaard."

At the same time, the Proclamation of Emancipation that had been sent to West End from Bassin was read out. It is as follows:—

1. All unfree in the Danish West India Islands are from today free.[Pg 313]

2. The estate negroes retain for three months from date the use of the houses and provision grounds of which they have hitherto been possessed.

3. Labour is in future to be paid for by agreement, but allowance of food to cease.

4. The maintenance of the old and infirm, who are not able to work, is, until further determined, to be furnished by the late owners.

The General Government of the Danish West India Islands,
       St. Croix, the 3rd July, 1848.

P. v Scholten.
(L. S.)

Still the greatest disorder reigned in the country, and there was much plundering and destruction on the estates. In the meantime many negroes showed that they themselves wished for peace and order. So much so, that several of the originators of the disturbances were caught and brought into the Fort by the friendly-inclined negroes.

On the 5th July, the condition of the country being about the same, and as several buildings, together with a large garden planted with cocoa-nut trees near to the Fort, obscured the view and prevented firing from the Fort in that direction, it was found expedient to demolish them. This was soon effected by the brig's indefatigable crew, so that we could now cover the North side road from the Fort.

There were now forty or fifty men from the brig almost continually in the Fort as a reinforcement. As it was then found necessary to undertake military excursions inland to overawe the negroes, and at the same time to secure the authors of the riot, I took over on the 6th before daybreak the command of the Fort and garrisoned it with the crew from the brig. At four a.m. all the Royal infantry and artillery, together with the planters, overseers, and managers of estates, marched off under the command of Captain v Castonier. The latter force alone amounted to forty horsemen, and from sixty to seventy foot.

At noon Art. Lieutenant Frank arrived from Bassin with a detachment of militia cavalry. Immediately after, a report was circulated that the Governor-General was dying, and on that account a Provisional Government had been organized in Bassin. I asked Lieutenant Frank if he knew anything about it, to which[Pg 314] he answered that shortly before he had left Bassin, he had seen the General on the wharf.

Some time after Kammerjunker Rothe arrived in a boat from Bassin and read aloud the following:—

"On account of the illness of the Governor-General, and with his concurrence, have we, the undersigned, Govt. Councillor Kunzen, Govt. Councillor Petersen, Kammerjunker Landsoverrets Assessor Rothe, Justitsraad Lands-overrets Assessor Foester, Justitsraad Police-master Frederiksen, Kammar Assessor Arnesen, and Lawyer Bahneberg, assembled as a Governing Commission, with full power to take all steps necessary in the present disturbed condition to bring about peace and order in the country.

"The command of the military will be taken over by Oberst P. de Nully and Major A. v Falbe, who will confer with the above-named commission if necessary.

"St. Croix Christensted,
6th July, 1848.

"Kunzen, C. B. Petersen, Foester, Rothe, Frederiksen, II. L. Arnesen, Bahneberg.

"Carl Reimers."

As the two Royal Government Councillors, Kunzen and Petersen, according to my ideas, could just as well have been in charge of the Government with full powers, notwithstanding that the Governor-General was sick, and there were even contradictory reports as to the correctness of that. I, for my part, protested against acknowledging this new Government until I was certain as to how it had originated. At half past four o'clock p.m. the men that had marched out in the morning returned with several of the leaders of the rising, upon which I again handed over the Fort to its commander.

Although the military which had returned had not met with any opposition on their march, and the negroes on many estates had shown that they wished for peace and order, there were yet many of them who sought to excite the better part of the population. For this reason, and in view of the necessity for action, Vice-Stadthauptmand F. v Scholten, Major Gyllich, Capt, v Castonier, Policemaster Ogaard, Lawyer Sarauw, and I were unanimous in publishing the following:—

"As the Authorities here have received no answer from His Excellency the Governor-General to the Reports forwarded to him,[Pg 315] nor any of the instructions requested, and having this day learned that on account of illness he is not in a condition to occupy himself with instructions, and as it is moreover necessary during the present negro rebellion in this jurisdiction to act immediately, we, the undersigned, as the highest authority in the place, have assembled to act until further.

"Frederiksted, 6th July, 1848.

"F. Scholten, C. Irminger, Castonier, Gyllich, Ogaard, Sarauw."

We then made known:—

"It is with the utmost satisfaction that the inhabitants of this jurisdiction have learned that order and obedience to the laws has commenced to be re-established, and as from most evidence the hope can be entertained that regularity and order will go hand and hand, it is hereby promulgated that any person or persons opposing the authorities, or in any other manner combining for illegal or violent purposes, will be dealt with as rioters, and instantly shot. All peaceable and well-disposed inhabitants are called upon to assist the authorities in quelling disorder and apprehending the rioters.

"Frederiksted, 6th July, 1848.

"F. Scholten, C. Irminger, Castonier, Gyllich, Ogaard, Sarauw."

As many of the refugees on board the vessels were still in dread of the rioting negroes, and as there was some reason to suppose that in their fear they would remove from the island, in order to prevent them doing so, I forbade all ferrying with boats, from nine o'clock in the evening till four o'clock in the morning, which times were made known by a cannon shot from the brig.

On the 7th the military again marched out in different directions. This had a good effect upon the negroes, and the roads became once more safe for traffic. In the Fort there were about one hundred rioters, of which the greater part had been brought in by the friendly negroes from the estates. A portion of the prisoners were taken on board the brig, and some distributed among the merchant vessels. In the meantime an order was issued to all parties concerned that they should within three days deliver up all stolen goods and arms, as every one, who after that time was found in possession of such, would be punished to the utmost extent of the law.[Pg 316]

On the 8th several carriages passed between Bassin and West End. Everything was quiet and safe on the road. Refugees from the vessels returned on shore to take up their residence to town. Sugar was brought in from several estates for shipment, and as everything now promised to go on smoothly, we who had assembled as the highest authority in the place, handed over the charge of affairs to the commander of the Fort and the policemaster.

At noon 220 men, auxiliary troops, arrived in Frederiksted; 360 were already in Christiansted. The Governor-General had asked for the assistance from Porto Rico. As an instance of General Prim's[400] customary activity it should be mentioned that this fine body of men 580 all told, with cannon, and 30,000 cartridges were got ready and put to sea five hours after he had received the letter of the Governor-General. This prompt action and the fact that the insurrection had been repressed in the eastern and western parts of the island, contributed much to allay the fears of the inhabitants, and to inspire confidence. On the 9th Chamberlain Oxholm came to West End and took over the Governor-General's affairs. In the meantime the country was quiet, and the negroes had returned to work on a few of the estates. By this time several of the rioters had been tried by court-martial and shot.


From the reports it will be seen that Kammerjunker Rothe was sent as a sort of commissioner to Frederiksted, in order to proclaim the new Government established in Bassin. As I had already agreed with Captain v Castonier, to take over the command of the Fort with my men, while he undertook a march into the country with the military, I protested against subjecting myself to this Government, because—

1. I assumed after the account that Lieutenant Frank had given me, that General v Scholten was not so sick but that he could have signed an order to me.

2. There were in the new Government several names almost unknown to me.

3. Kammerjunker Rothe did not produce anything in writing, either from General v Scholten, the existing Government, or the other two Government Councillors, Kunzen and Petersen, concerning this newly appointed Government Commission. I, therefore, considered it my duty not to submit myself blindly to the command[Pg 317] of this Commission, especially as the report said that the Governor-General had been deposed. When Captain Castonier returned in the afternoon, I informed him of my protest. He fully concurred in my views. The other authorities in Frederiksted followed our example, and although Vice-Stadthauptmand, Chamberlain F. v Scholten, hesitated, he still signed the measures we took to restore order and quiet.

On the 12th July I despatched my report from West End to St. Thomas to leave by the Packet for Europe. It bears that day's date. Written during the actual occurrence of the riots, it contains my views respecting the events as they then appeared to me. I have seen no reason to change them. I never imagined that General v Scholten would leave the island, which, as is known, happened immediately after; consequently, my report arrived home with the same Packet on which he took passage.

On the 24th July I left West End to be on hand to assist in St. Thomas. The 6th September I received orders to come with the "Ornen" to Bassin as quickly as possible, as riots had occurred, and it was not desirable, except absolutely necessary, to use the Spaniards. The Fort in Bassin was now reinforced by men from the "Ornen," because, as is known, the Government had given way to the Brand corps and discharged the energetic Police master Frederiksen.—Taylor, Leaflets from the Danish West Indies, pp. 133-140.

VII
St. Thomas as Seen by an Observer in 1858

I have said in a previous chapter that the people one meets there may be described as an Hispano-Dano-Niggery-Yankee-doodle population. In this I referred not only to the settlers, but to those also who are constantly passing through it. In the shops and stores, and at the hotels, one meets the same mixture. The Spanish element is of course strong, for Venezuela, New Granada, Central America, and Mexico are all Spanish, and hereabouts are called Spaniards. To the Danes the island belongs. The soldiers, officials, and custom-house people are Danes. They do not, however, mix much with their customers. They affect, I believe, to say that the island is overrun and destroyed by these strange comers, and that they would as lief be without such visitors. If they are altogether indifferent to money making, such may be the case. The labouring people are all black—if these blacks can be called a[Pg 318] labouring people. They do coal the vessels at about a dollar a day each—that is when they are so circumstanced as to require a dollar. As to the American element, that is by no means the slightest or most retiring. Dollars are going there, and therefore it is of course natural that Americans should be going also. I saw the other day a map, "The United States as they now are, and in prospective;" and it included all these places—Mexico, Central America, Cuba, St. Domingo, and even poor Jamaica. It may be that the man who made the map understood the destiny of his country; at any rate he understood the tastes of his countrymen.—Anthony Trollope, The West Indies and the Spanish Main pp. 224-225.

VIII
The Labor Act

Provisional Act to Regulate the Relations between the Proprietors of Landed Estates and the Rural Population of Free Laborers

I, Peter Hansen, Knight Commander of the Order Dannebrog, the King's Commissioner for, and officiating Governor-General of the Danish West India Islands, Make known: That, whereas the ordinance dated 29th July, 1848, by which yearly contracts for labor on landed estates were introduced, has not been duly acted upon: whereas the interest of the proprietors of estates, as well as of the laborers, requires that their mutual obligations should be defined: and whereas on inquiry into the practice of the Island, and into the printed contracts and agreements hitherto made, it appears expedient to establish uniform rules throughout the Island, for the guidance of all parties concerned, it is enacted and ordained:

1st. All engagements of laborers now domiciled on landed estates and receiving wages in money, or in kind, for cultivating and working such estates, are to be continued as directed by the ordinance of 29th July, 1848, until the first day of October of the present year: and all similar engagements shall, in future, be made, or shall be considered as having been made, for a term of twelve months, viz: from the first of October till the first of October, year after year. Engagements made by heads of families are to include their children between five and fifteen years of age, and other relatives depending on them and staying with them.

2nd. No laborer engaged as aforesaid, in the cultivation of soil, shall be discharged or dismissed from, or shall be permitted to dissolve,[Pg 319] his or her engagement before the expiration of the same on the first of October of the present, or of any following year, except in the instances hereafter enumerated.

A. By mutual agreement of master and laborer, before a magistrate.

B. By order of a magistrate on just and equitable cause being shown by the parties interested.

Legal marriage, and the natural tie between mothers and their children, shall be deemed by the magistrate just and legal cause of removal from one estate to another. The husband shall have a right to be removed to his wife, the wife to her husband, and children under fifteen years of age to their mother, provided no objection to employing such individuals shall be made by the owner of the estate to which the removal is to take place.

3rd. No engagement of a laborer shall be lawful in future, unless made in the presence of witnesses, and entered in the day-book of the estate.

4th. Notice to quit service shall be given by the employer, as well as by the laborer, at no other period but once a year, in the month of August, not before the first, nor after the last day of the said month; an entry thereof shall be made in the day-book, and an acknowledgement in writing shall be given to the laborer.

The laborer shall have given, or received, legal notice of removal from the estate where he serves, before any one can engage his services; otherwise the new contract to be void, and the party engaging in tampering with a laborer employed by others, will be dealt with according to law.

In case any owner or manager of an estate should dismiss a laborer during the year without sufficient cause, or should refuse to receive him at the time stipulated, or refuse to grant him a passport when due notice of removal has been given, the owner or manager is to pay full damages to the laborer, and to be sentenced to a fine not exceeding $20.

5th. Laborers employed or rated as first, second, or third class laborers, shall perform all the work in the field, or about the works, or otherwise concerning the estate, which it hitherto has been customary for such laborers to perform, according to the season. They shall attend faithfully to their work, and willingly obey the directions given by the employer, or the person appointed by him. No laborer shall presume to dictate what work he or she is to do, or refuse the work he may be ordered to perform, unless expressly[Pg 320] engaged for some particular work only. If a laborer thinks himself aggrieved, he shall not therefore leave the work, but in due time apply for redress to the owner of the estate, or to the magistrate. It is the duty of all laborers on all occasions, and at all times, to protect the property of his employer, to prevent mischief to the estate, to apprehend evil-doers, and not to give countenance to, or conceal, unlawful practices.

6th. The working days to be as usual only five days in the week, and the same days as hitherto. The ordinary work of estates is to commence at sunrise, and to be finished at sunset, every day, leaving one hour for breakfast, and two hours at noon from twelve to two o'clock.

Planters who prefer to begin the work at seven o'clock in the morning, making no separate breakfast time, are at liberty to adopt this plan, either during the year, or when out of crop.

The laborers shall be present in due time at the place where they are to work. The list to be called and answered regularly. Whoever does not answer the list when called, is too late.

7th. No throwing of grass, or of wood, shall be exacted during extra hours, all former agreements to the contrary notwithstanding; but during crop the laborers are expected to bring home a bundle of long tops from the field where they are at work.

Cartmen and crook-people, when breaking off, shall attend properly to their stock as hitherto usual.

8th. During crop, the mill gang, crook gang, boilermen, firemen, still men, and any other person employed about the mill and the boiling house, shall continue their work during breakfast and noon hours, as hitherto usual; and the boilermen, firemen, megass carriers, etc., also, during evening hours after sunset, when required, but all workmen employed as aforesaid, shall be paid an extra remuneration for the work done by them in extra hours.

The boiling house is to be cleared, the mill to be washed down, and the megass to be swept up, before the laborers leave the work as hitherto usual.

The mill is not to turn after six o'clock in the evening, and the boiling not to be continued after ten o'clock, except by special permission of the Governor-General, who then will determine, if any, what extra remuneration shall be paid to the laborers.

9th. The laborers are to receive, until otherwise ordered, the following remuneration:

A. The use of a house, or dwelling-rooms for themselves and[Pg 321] their children, to be built and repaired by the estate, but to be kept in proper order by the laborers.

B. The use of a piece of provision ground, thirty feet square, as usual, for every first and second class laborer, or if it be standing ground, up to fifty feet in square. Third class laborers are not entitled to, but may be allowed, some provision ground.

C. Weekly wages at the rate of fifteen cents to every first class laborer, of ten cents to every second class laborer, and of five cents to every third class laborer, for every working day. When the usual allowance of meal and herrings has been agreed on in part of wages, full weekly allowance shall be taken for five cents a day, or twenty-five cents a week.

Nurses losing two hours every working day, shall be paid at the rate of four full working days in the week. The wages of minors to be paid as usual to their parents, or to the person in charge of them.

Laborers not calling at pay time personally, or by another authorized, to wait till next pay day, unless they were prevented by working for the estate.

No attachment of wages for private debts to be allowed, nor more than two thirds to be deducted for debts to the estate, unless otherwise ordered by the magistrate.

Extra provisions occasionally given during the ordinary working hours are not to be claimed as a right, nor to be bargained for.

10th. Work in extra hours during crop, is to be paid as follows: To the mill gang, and to the crook gang, for working through the breakfast hour, one stiver, and for working through noon, two stivers per day. Extra provision is not to be given, except at the option of the laborers in place of the money, or in part of it.

The boilermen, firemen, the megass carriers, are to receive for all days when the boiling is carried on until late hours, a maximum pay of twenty (20) cents per day. No bargaining for extra pay by the hour, is permitted.

Laborers working such extra hours only by turns, are not to have additional payment.

11th. Tradesmen on estates are considered as engaged to perform the same work as hitherto usual, assisting in the field, carting, potting sugar, &c. They shall be rated as first, second, and third class laborers, according to their proficiency; where no definite terms have been agreed on previously, the wages of first class tradesmen, having full work in their trade, are to be twenty (20)[Pg 322] cents per day. Any existing contract with tradesmen is to continue until October next.

No tradesman is allowed to keep apprentices without the consent of the owner of the estate, such apprentices to be bound for no less a period than three years, and not to be removed without the permission of the magistrate.

12th. No laborer is obliged to work for others on Saturday; but if they choose to work for hire, it is proper that they should give their own estate the preference. For a full day's work on Saturday, there shall not be asked for nor given more than twenty (20) cents to a first class laborer, thirteen (13) cents to a second class laborer, seven (7) cents to a third class laborer.

Work on Saturday may, however, be ordered by the magistrate as a punishment to the laborer, for having absented himself from work during the week for one whole day or more, and for having been idle during the week, and then the laborer shall not receive more than his usual pay for a common day's work.

13th. All the male laborers, tradesmen included, above eighteen years of age, working on an estate, are bound to take the usual night watch by turns, but only once in ten days, notice to be given before noon to break off from work in the afternoon with the nurses, and to come to work next day at eight o'clock. The watch to be delivered in the usual manner by nightfall and by sunrise.

The above rule shall not be compulsory, except where voluntary watchmen cannot be obtained at a hire the planters may be willing to give, to save the time lost by employing their ordinary laborers as watchmen.

Likewise the male laborers are bound once a month, on Sundays and holydays, to take the day watch about the yard, and to act as pasturemen, on receiving their usual pay for a week day's work; this rule applies also to the crook-boys.

All orders about the watches to be duly entered in the day book of the estate.

Should a laborer, having been duly warned to take the watch, not attend, another laborer is to be hired in the place of the absentee, and at his expense, not, however, to exceed fifteen cents. The person who wilfully leaves the watch, or neglects it, is to be reported to the magistrate and punished as the case merits.

14th. Laborers wilfully abstaining from work on a working day, are to forfeit their wages for the day, and will have to pay over and above the forfeit, a fine which can be lawfully deducted in their wages, of seven (7) cents for a first class laborer, five (5)[Pg 323] cents for a second class laborer, and two (2) cents for a third class laborer. In crop or grinding days, when employed about the works, in cutting canes, or in crook, an additional punishment will be awarded for wilful absence and neglect by the magistrate, on complaint being made. Laborers abstaining from work for half a day, or breaking off from work before being dismissed, to forfeit their wages for one day.

Laborers not coming to work in due time to forfeit half a day's wages.

Parents keeping their children from work, shall be fined instead of the children.

No charge of house rent is to be made in future, on account of absence from work, or for the Saturday.

15th. Laborers wilfully abstaining from work for two or more days during the week, or habitually absenting themselves, or working badly and lazily shall be punished as the case merits, on complaint to the magistrate.

16th. Laborers assaulting any person in authority on the estate, or planning and conspiring to retard, or to stop the work of the estate, or uniting to abstain from work, or to break their engagements, shall be punished according to law, on investigation before a magistrate.

17th. Until measures can be adopted for securing medical attendance to the laborers, and for regulating the treatment of the sick and the infirm, it is ordered:

That infirm persons unfit for any work, shall, as hitherto, be maintained on the estates where they are domiciled, and to be attended to by their next relations.

That parents or children of such infirm persons shall not remove from the estate, leaving them behind, without making provision for them to the satisfaction of the owner, or of the magistrate.

That laborers unable to attend to work on account of illness, or on account of having sick children, shall make a report to the manager, or any other person in authority on the estate, who, if the case appears dangerous, and the sick person destitute, shall cause medical assistance to be given.

That all sick laborers willing to remain in the hospital during their illness, shall there be attended to, at the cost of the estate.

18th. If a laborer reported sick, shall be at any time found absent from the estate without leave, or is trespassing about the estate, or found occupied with work requiring health, he shall be considered skulking and wilfully absent from work.[Pg 324]

When a laborer pretends illness, and is not apparently sick, it shall be his duty to prove his illness by medical certificate.

19th. Pregnant women shall be at liberty to work with the small gang as customary, and when confined, not to be called on to work for seven weeks after their confinement.

Young children shall be fed and attended to during the hours of work at some proper place, at the cost of the estate.

Nobody is allowed to stay from work on pretence of attending a sick person, except the wife and the mother in dangerous cases of illness.

20th. It is the duty of the managers to report to the police any contagious or suspicious cases of illness and death; especially when gross neglect is believed to have taken place, as when children have been neglected by their mothers, in order that the guilty person may be punished according to law.

21st. The driver or foreman on the estate, is to receive in wages four and a half dollars monthly, if no other terms have been agreed upon. The driver may be dismissed at any time during the year with the consent of the magistrate. It is the duty of the driver to see the work duly performed, to maintain order and peace on the estate during the work, and at other times, and to prevent and report all offences committed. Should any laborer insult, or use insulting language towards him during, or on account of the performance of his duties, such person is to be punished according to law.

22nd. No laborer is allowed, without the especial permission of the owner or manager, to appropriate wood, grass, vegetables, fruits, and the like, belonging to the estate, nor to appropriate such produce from other estates, nor to cut canes, or to burn charcoal. Persons making themselves guilty of such offences, shall be punished according to law, with fines or imprisonment with hard labor; and the possession of such articles not satisfactorily accounted for, shall be sufficient evidence of unlawful acquisition.

23d. All agreements contrary to the above rules, are to be null and void, and owners and managers of estates convicted of any practice tending wilfully to counteract or avoid these rules by direct or indirect means, shall be subject to a fine not exceeding $200.

(Signed,)    P. Hansen.

Government House, St. Croix, 26th January, 1849.
Knox, An Historical Account of St. Thomas, West Indies, pp. 248-255.

Footnotes:

[397] Father O'Ryan.

[398] He had obtained this brilliant military title on account of his fantastic attire.

[399] Extract from Captain Irminger's Report to the Minister of Marine. Despatched 12th July, 1848.

[400] Then Captain-General of Porto Rico.


[Pg 325]

Reviews of Books

A History of the United States, Vol. IV. By Edward Channing, Professor in Harvard University. New York, MacMillan Company, 1917. Pp. 575. Price $2.75.

This is the fourth volume of what promises to be the most interesting and possibly the most valuable single work hitherto produced in this field. It begins with the discovery of the New World and when completed will come down to 1910. The volume herein referred to covers the period of "Federalists and Republicans from 1789 to 1815." The work, therefore, goes over ground which has been extensively treated by such writers as Richard Hildreth, James Schouler, Herman von Holst, and James B. McMaster. Professor Channing, however, has given this period an original treatment and incorporated into his narrative so much material of human interest that his history makes a more readable and at the same time a more informing work than any of the general histories of the United States.

Professor Channing does not fall a victim to the mistakes of his predecessors. Hildreth is prejudiced, Schouler is dry and ex parte, von Holst is lost in the debates over slavery, and McMaster, at times, sinks beneath the load of his undigested material. Realizing that the problems of peace are greater than those of war and that the mere proceedings of legislative bodies cannot altogether be depended upon to reflect the political development of a country, Professor Channing is making his history economic as well as political. It is just as important to him to know the prices of commodities in 1800 as to know the terms of Jay's treaty. In other words, Professor Channing has a new point of view. He aims not to set forth an interesting narrative but to marshall his facts so as to make interesting his well-balanced account of the various forces which have operated to make this country what it is to-day. The smooth style, common sense, and thoroughness with which he is now doing this task will doubtless make this the standard history of the United States.

In reading this valuable work, however, one cannot but express regret that Professor Channing did not see fit to spell the word[Pg 326] "Negro" with a capital letter and to say more about the people of color. In the volumes to follow the treatment of this element of our population will probably be more extensive in keeping with the increasing importance of the Negro as a factor in history of the later period. Professor Channing will hardly be so unfortunate as most writers of American history, who in their voluminous works give space for honorable mention of every race but the black, considering it sufficient to mention it, merely as the cause of the great agitation which finally rent the nation and the present cause of the race problem in the United States. The bearing of worthy achievements of the Negroes on the development of this country should be mentioned along with the deeds of others who have helped to make the nation.


The Early History of Cuba, 1492 to 1586. By I. A. Wright. The MacMillan Company, New York, 1916. Pp. 390.

This book begins with the discovery of Cuba by Columbus and ends with the raid of Sir Francis Drake in the West Indies in 1586, by which it was demonstrated that Great Britain ruled the sea and that the retention of the Spanish possessions in the New World required that they be provided with means of local defence rather than be left in the position of dependence on protection from Spain. With this change is connected the subsequent economic development of Cuba and the success of the Spanish colonial policy.

In writing this book the author had an advantage over most historians in this field. It was compiled from documents now available at Seville, Spain. Miss Wright, however, did not use the documents found in other archives. What documents she had access to, however, are considered sufficient as they contain "letters and reports of the island's governors, of royal officials and lesser clergy, of municipal and ecclesiastical councils, of distinguished and humble citizens." This large collection, too, contains some of the documents copied by Munoz in his collection preserved at Madrid and some printed in the unsatisfactory series of Documentos Ineditos. The author, therefore, gives this book to the public as the only exhaustive treatment of Cuban history of this period, which has hitherto been published, despite the estimate we have placed on such works as those of De las Casas, Oviedo, Gomara, Solis, Bernal Diaz del Costillo, and Herrera.

The introduction of slavery and the treatment of the bondmen, although not objective points in this treatise, are given considerable[Pg 327] space. The slave trade was authorized in Cuba in 1513 and we hear of Bishop Ubite in the possession of as many as 200 slaves in 1523 and later of Bishop Maestro Miguel Ramirez with a license from the crown to take half a dozen slaves and two white slave women. The writer shows how the failure of the native captives to meet the demand for labor eventually led to declaration making them the free vassals of the crown and authorizing the enslavement of Negroes in sufficiently large numbers to make up the deficiency. It was necessary to issue another order rescinding the license of the slave-traders because of the fear of servile insurrection, should the slave population too far exceed that of the whites. This restricted importation of Negroes, however, did not prevent their uprising in 1533, which, however, was easily quelled, the four Negroes defending themselves to death.

The author explains too how slavery in Cuba or in the Spanish possession differed from that of other nations in that although the Spaniard regarded the black as socially and politically inferior, he did not look down upon him as a "soul-less son of Cain condemned to servitude by divine wrath" but recognized the black's equality with him before the altar of the church. When he became free and even before he became free the slave had rights before the law. "This attitude of mind of the Spaniard—so very different indeed from that of the slave-holding North American,—partly explains the facility with which he mingled his 'pure, clean' white blood with black, so begetting a mulatto population to be reckoned with later." Free blacks, therefore, soon appeared. By 1568 forty in Havana had bought their freedom. Others, though still slaves, lived independently, the men doing such as working at trades and the women running eating houses, but all reporting their earnings to their masters at intervals.

C. B. Walter.


Sierra Leone: Its Peoples, Products and Secret Societies. By H. Osman Newland, F. R. Hist. S., F.I.D. John Bale, Sons and Danielsson, London, 1916. Pp. 247.

This work consists of the observations on a journey by canoe, rail and hammock through Sierra Leone. To this is appended fifty-three pages of matter on "Practical Planting Notes for Sierra Leone and West Africa," by H. Hamel Smith. Subject to sufficient demand, however, it is proposed to issue this book, annually or biennially, with amendments and additions to date, as a Sierra[Pg 328] Leone Year Book and with a Who's Who section. Accordingly, it treats of the geographic and economic conditions of that land and the rule of 1,500,000 Africans, largely by less than 900 Europeans. Taking up the elements of population the author devotes much space to the Creole and Aborigine elements, giving the characteristics of these classes. He then considers the river system, the railroads, life in the interior, the rubber industry, the native chiefs, the amusements of the people, native law, peculiar customs of the people, their secret societies, the important products and the management of estates.

The author undertakes to answer the questions as to whether this is a country for a black or white man to live in, which of the two should rule, whether the people are becoming Europeanized in their habits and religion and whether it is a place for commerce and capital. Answering the last question first the author asserts that there are in Sierra Leone many possibilities for smaller capitalists and companies. As for the climate, Sierra Leone is much maligned, especially so since science has reclaimed its swamps and decreased the death rate. The writer too is satisfied with the progress with which the natives are taking over European civilization, although he is not anxious to see the African adopt this culture in toto because of the difference in climate. Unlike some other travelers, he found the natives industrious, honest, and truthful. Moreover, he does not share the prejudices foreigners have against the Creoles and blacks. He believes that the white man should rule not so long as he is white but so long as he can prove his superiority. "The black man," says he, "will only respect the rule of the white man as long as the latter can prove his superiority, and consequently, reasonableness." The natives have such a keen sense of justice that they are not blinded by hypocrisy. The writer believes that neither the white man nor his religion must rule because they are white and not black. The administrators, too, must not rule for themselves but as representatives only. "It is Britain that must rule—Britain which has one law for all, and administers it not for white or black, but for all who own her sway whatever their colour, race, or religion." While the portraiture of the sense of justice of Great Britain does not square with her colonial policy, the caution to those administering the affairs of Sierra Leone is well put.

After all that he says, however, the writer does not seem to be so sanguine as to future of West Africa. "Probably West[Pg 329] Africa," says he, "will always remain a land of romance, mystery and imagination," Science may reclaim the swamp. The iron railroad may open up tracks for the engineer and planter to exploit its vast resources. But Nature, unchecked by man, has been allowed too long to run riot there among its impenetrable forests. Never, perhaps, will it be entirely subdued. As with the primeval forest, so with the people. Mohammedanism, Christianity, modern education, have all tried their civilizing influences upon the West African, and nowhere, perhaps, with more success than in Sierra Leone. But the old Adam dies slowly. Civilization is too tame, too quiet for those who love noise and mystery. And this feeling is infectious.

J. O. Burke.


Trade Politics and Christianity in Africa and the East. By A. J. MacDonald, M.A. With an introduction by Sir Harry Johnston. Longmans, Green and Co., London, 1916. Pp. 296.

This is a dissertation awarded the Maitland Prize at Cambridge in 1915 for an essay on the thesis, Problems raised by the contact of the West with Africa and the East and the part that Christianity can play in their solution. The work shows scientific treatment. The facts used were obtained largely from the Government Blue Books, the Minutes of Evidence attached to Reports of the Committee of Inquiry into the Liquor Trade in Southern Nigeria together with the reports of the United Races Committee, the Journal of the Anglo-Indian Temperance Association, the British Quarterlies, the publications of the Society for the Suppression of the Opium Trade, and the reports of the Proceedings of the First Universal Race Congress.

The writer traces the development of contact with the natives by means of trade which, supplying them with what they want rather than with what they need, often demoralizes them. Then along with the problem of trade comes that of labor, giving rise to labor contracts or forced labor, and this with another problem of preventing the native population from too far exceeding that of the whites. Then comes the consideration of the liquor question, the opium trade, education and self-government, and inter-racial marriage, with the merits and demerits of the methods of those who have attacked these problems. Caution is given in the assertion that Christianity must be the life-principle. "Imperialism," says the author, "is a matter of religion." The extension of the[Pg 330] empire, therefore, is an extension of religion. The success of an imperial policy then depends upon the degree of attention paid religion, which lies deeper than statesmanship, deeper than civilization, which is, indeed, the inspiration of both. Administrators, therefore, must not neglect Christianity, as they are only imperialists so long as they remember that they are in spite of themselves religious men. "Translated into practical terms," says he, "the theory means that if the black and white races are unequal in intelligence and social capacity they are equal on the basis of common Christianity. The old doctrine of the 'solidarity of humanity' needs to be revived and to be applied over a wider area. The Empire can only be extended securely by the extension of its religion, but that means that settler, trader and administrator must realize in the black man a capacity to receive Christianity." The Church, too, must cease to regard the propagation of the gospel as its own task and missionaries must no longer retard the extension of the empire by carrying on their work as members of an independent organization.

Taking up inter-racial marriage, the author raises many questions. He does not seem to fear race fusion, as there is evidence "to prove that the crossing of the different races does produce definite physical and mental results in succeeding generations." He contends that the white man's objection to connection with women of colored races and to the children who spring from those unions has no scientific justification. The exclusive attitude of the white man is accounted for by the difference in degree of civilization, the so-called superiority of the white race. Although he does not show how science has uprooted the idea of racial superiority, the author does raise the question as to whether the integrity of the dominant races has been maintained. As evidence of this he cites the facts that the Pelasgii of Greece were, according to Professor Sturgis, of African origin, that Sir Harry Johnston traced Negro blood across India and the Malay States to Polynesia, that a negroid race penetrated Italy and France, according to recent discoveries, leaving traces at the present day in the physiognomy of the people of Southern Italy, Sicily, Sardinia, and Western France, and even in parts of the United Kingdom of Great Britain and Ireland, and that even to-day there are some examples of Keltiberian peoples of western Scotland and western Wales and southern and western Ireland of distinctly negroid type.

W. R. Ward.


[Pg 331]

Notes

The following letter was addressed to the New Orleans Daily States by Mr. W. O. Hart:

Louisiana Governors.

New Orleans, La., April 19, 1917.

Editor Daily States

Dear Sir:—Recently your paper published a very interesting account of many governors of Louisiana at one time being in the Cosmopolitan Hotel, but in giving the names of the ex-governors you omitted three, William P. Kellogg, P. B. S. Pinchback and General Joseph R. Brooke.

Kellogg while never elected was inaugurated in January, 1873, and served a full term of four years, having been upheld in office by President Grant.

Pinchback, who was elected President of the Senate when Oscar J. Dunn, elected lieutenant governor, died, in 1868, became acting governor on December 10, 1872, when Governor H. C. Warmoth was impeached and served until the inauguration of Kellogg, January 13, 1873.

There are now on the statute books ten laws passed at this extra session and which bear the approval of Pinchback; they will be found bound with the Acts of 1873, pages 37 to 50.

Pinchback's title as acting governor was upheld by the Supreme Court of Louisiana, in the case of Morgan vs. Kennard, decided in March, 1873, and reported in the 25th An. Reports, page 238, which was a contest over the office of Justice of the Supreme Court between John Kennard, appointed by Warmoth, and P. H. Morgan, appointed by Pinchback, and the judgment was affirmed by the Supreme Court of the United States in the case of Kennard vs. Morgan, reported in 92d U. S. 480. The opinion was rendered by Chief Justice Ludeling and concurred in by Justices Taliaferro and Howell, and Justice Wyly dissented. The case was tried in the Superior District Court before Judge Jacob Hawkins who decided in favor of Morgan and this judgment was affirmed by the Supreme Court.[Pg 332]

Judge Kennard was appointed to the Court on December 3, 1872, vice W. W. Howe resigned; Morgan was appointed on January 4, 1873, and at the end of the litigation took his seat as a member of the Court on February 1st, serving until the Manning Court went into office on January 9, 1877.

After the eventful fourteenth of September, 1874, when General Emory took charge, he appointed Colonel (now Brigadier General retired) Joseph R. Brooke, military governor of Louisiana, but he only served one day, because President Grant disapproved of the appointment and ordered General Emory to reinstate Governor Kellogg.

W. O. Hart.


In the January number of the South Atlantic Quarterly Gilbert T. Stephenson, Judge of the Municipal Court of Winston-Salem, North Carolina, writes on the subject, "Education and Crime among Negroes." Although he accepts as facts certain unreliable statistics concerning the criminality of Negroes, he nevertheless presents the subject in a liberal manner. His following conclusion is interesting.

"All the available statistics and the unanimous opinion of men in a position to know the facts would seem to be proof that education—elementary or advanced, industrial or literary—diminishes crime among Negroes. The alarming high rate of Negro criminality is as much a condemnation of the community in which it exists as of the offending Negroes themselves. Having discovered that the Negro school is, at least, one institution which successfully combats crime, the community cannot afford to withhold its active interest in and generous support of its Negro school. The more money spent in making such schools responsive to the special needs of the race, the less will have to be spent on crime, and if it comes to a question of cost, it is cheaper in the long run to maintain and equip schools—Negro schools, even—than police departments, courts, jails, penitentiaries, and reformatories; for the school, properly conducted, makes the Negro a greater asset, while the court finds him a liability, and nearly always leaves him a greater liability to the community."


Some interesting articles in various publications are: "Problems of Race Assimilation," by Arthur C. Parker, in the January number of The American Indian Magazine; The Cavalry Fight at Carrizal, by Louis S. Morey, in The Journal of the United States Cavalry[Pg 333] Association; The Present Labor Situation, in the January number of The Annals of the American Academy of Political and Social Sciences; Physic Factors in the New American Race Situation, in The Journal of Race Development, by George W. Ellis; and La Independencia de Tejas y la Esclavitud, by Senor V. Salado Alvarez, in the Cuban journal La Reforma Social.

Other such articles in this field are: Germany's Ambition in Central Africa, by Emile Cammaerts, in the October number of The National Review; The Present System of Education in Uganda, in the July number of Uganda Notes; The Gold Coast: Some Consideration of its Structures, People, and Natural History, by A. E. Kitson, in the July number of the Geographic Journal.


The arrangements for the biennial meeting of the Association for the Study of Negro Life and History have been almost completed. A majority of the members of the Executive Council desire that it be held on Wednesday, the twenty-ninth of August, and have so ordered it. The program has not yet been made up, but several persons of prominence have promised to attend and speak. Among these are Mrs. Mary Church Terrell, Dean Kelly Miller, Professor George E. Haynes, Dr. R. R. Wright, Jr., Mr. Monroe N. Work, and Dr. Thomas J. Jones. Two of the important topics will be Some Values of Negro History and The Negro in the World War.


[Pg 334]

The African Origin of the Grecian Civilization[401]

I imagine, ladies and gentlemen, that when you first read the subject of the address to be delivered before this society to-day, you were a bit surprised, and, I trust, a bit interested. To claim an African origin for the Grecian civilization is hardly in keeping with the historical traditions inherited from our school days. It savors of a sort of heresy and passes far beyond the limits of popular opinion. There is a peculiar unanimity among all historians to state without reservation that the greatest civilization the world has ever known was pre-eminently Aryan, but historians are not always to be relied upon. They write for their own race and times and are careful to give as little credit as possible to races and events which fall within the pale of their prejudices. I question, however, if there is to be gained any ultimate good by subverting truth and popularizing error. Indeed, I believe that if to-day our historians, authors, press and pulpit would give the public the truth as far as it is possible to attain it, to-morrow would find us filled with a new vigor and a fresh determination to conquer the wrongs and inconsistencies of human life.

The old idea of the Grecian civilization was that it sprung, like Minerva, full armed from the brow of Zeus. It seemed to have no tangible beginning. The fabled kings and heroes of the Homeric Age, with their palaces and strongholds, were said to have been humanized sun-myths; their deeds but songs woven by wandering minstrels to win their meed of bread. Yet there has always been a suspicion among scholars that this view was wrong. The more we study the moral aspects of humanity the more we become convinced that the flower and fruit of civilization are evolved according to laws as immutable as those laws governing the manifestations of physical life. Historians have written that Greece was invaded by Aryans about 1400 B.C., and that henceforth arose the wonderful civilization; but the student knows that such was an impossibility and that some vital factor has been left out of the equation. When the Aryans invaded Greece they were savages[Pg 335] from Neolithic Europe and could not possibly have possessed the high artistic capacities and rich culture necessary for the unfolding of Ægean civilization. "Of thorns men do not gather figs, nor of a bramble bush gather they grapes."

Speaking of the two foremost Grecian states, Herodotus writes as follows: "These are the Lacedæmonians and Athenians, the former of Doric, the latter of Ionic blood. And, indeed, these two nations had held from very early times the most distinguished place in Greece, the one being Pelasgic, the other a Hellenic people, and the one having never quitted its original seas, while the other had been excessively migratory." "The Hellenes," wrote Professor Boughton in the Arena some years ago, "were the Aryans first to be brought into contact with these sunburnt Hamites, who, let it be remembered, though classed as whites, were probably as strongly Nigritic as are the Afro-Americans." "Greek art is not αυτοχθονυς," said Thiersch some fifty years ago, "but we derived from the Pelasgians, who, being blood relations of the Egyptians, undoubtedly brought the knowledge from Egypt." "The aptitude for art among all nations of antiquity," remarked Count de Gobineau a few years later, "was derived from an amalgamation with black races. The Egyptians, Assyrians and Etruscans were nothing but half-breeds, mulattoes." In the year 1884 Alexander Winchell, the famous American geologist, upset Americans with an article appearing in the North American Review. From it I quote the following: "The Pelasgic empire was at its meridian as early as 2500 B.C. This people came from the islands of the Ægean, and more remotely from Asia Minor. They were originally a branch of the sunburnt Hamitic stock that laid the basis of civilization in Canaan and Mesopotamia, destined later to be Semitized. Danaus and his daughters—that is, the fugitive 'shepherds' from Egypt—sought refuge among their Hamitic kindred in the Peloponnesus about 1700 B.C. Three hundred years before this these Pelasgians had learned the art of weaving from Aryan immigrants. In time they occupied the whole of Greece and Thessaly. Before 200 B.C. they established themselves in Italy. Thus do we get a conception of a vast Hamitic empire existing in prehistoric times, whose several nationalities were centered in Mesopotamia, Canaan, Egypt, Northwestern Africa, Iberia, Greece, Italy, Sicily, Sardinia and Central Europe—an intellectual ethnic family, the first of the Adamites to emerge into historic light, but with the records of its achievements buried in gloom[Pg 336] almost as dense as that which covers the ruder populations that the Hamites everywhere displaced. To this family, chiefly, are to be traced the dark complexions of the nations and tribes still dwelling around the shores of the Mediterranean."

It was to be expected that such statements as the foregoing would throw the scholastic world into a ferment. There was a scramble to bolster up the cause of Aryanism and to preserve this one civilization, at least, to the credit of the Caucasian race. Homer was scanned with a patience unknown to college students and the classic myths were refined in the alembics of master minds. Yet there were some who cared for truth more than for racial glory and among them was Dr. Schlieman. Armed with a spade he went to the classic lands and brought to light a real Troy; at Tiryns and Mycenæ he laid to view the palaces and tombs and treasures of Homeric kings. His message back to scholars who waited tensely for his verdict was, "It looks to me like the civilization of an African people." A new world opened to archeologists and the Ægean became the Mecca of the world. Traces of this prehistoric civilization began to make their appearance far beyond the limits of Greece itself. From Cyprus and Palestine to Sicily and Southern Italy, and even to the coasts of Spain, the colonial and industrial enterprise of the Myceneans has left its mark throughout the Mediterranean basin. The heretics were vindicated. "Whether they like it or not," declared Sir Arthur Evans before the London Hellenic Society a short time ago, "classical students must consider origins. The Grecians whom we discern in the new dawn were not the pale-skinned northerners, but essentially the dark-haired, brown-complexioned race." Perhaps Sir Arthur's words will carry weight with you when I remark that his wonderful discoveries in classical lands have brought him the honor of election last year as president of the British Association, the most notable assemblage of scholars in the world. I might further mention that Professor Sergi, of the University of Rome, has founded a new study of the origin of European civilization upon the remarkable archeological finds, entitled "The Mediterranean Race." From this masterly work I choose the following: "Until recent years the Greeks and Romans were regarded as Aryans, and then as Aryanized peoples; the great discoveries in the Mediterranean have overturned all these views. To-day, although a few belated supporters of Aryanism still remain, it is becoming clear that the most ancient civilization of the Mediterranean[Pg 337] is not of Aryan origin. The Aryans were savages when they invaded Europe; they destroyed in part the superior civilization of the Neolithic populations, and could not have created the Græco-Latin civilization. The primitive populations of Europe originated in Africa and the basin of the Mediterranean was the chief center of movement when the African migrations reached the center and north of Europe."

What, then, are some of those discoveries which have so completely destroyed the ethnic fetish of the Caucasian race? The greatest and most conclusive of them all was the discovery of the palace of Minos by Sir Arthur Evans. In 1894 this scientist undertook a series of exploration campaigns in central and eastern Crete; it has so happened that some years previous he had been hunting out ancient engraved stones at Athens and came upon some three or four-sided seals showing on each of their faces groups of hieroglyphics and linear signs distinct from the Egyptian and Hittite, but evidently representing some form of script. Upon inquiry Sir Arthur learned that these seals had been found in Crete, and to Crete he went. The legends of the famous labyrinth and palace of Minos came back to him and were refreshed by the gossipy peasants, who repeated the tales that had come down as ancestral memories. In wandering around the site of his proposed labors Sir Arthur noticed some ruined walls, the great gypsum blocks of which were engraved with curious symbolic characters, crowning the southern slope of a hill known as Kephala, overlooking the ancient site of Knossos, the city of Minos. It was the prelude to the discovery of the ruins of a palace, the most wonderful archeological find of modern times.

Who was Minos? In the myths that have come down to us he was a sort of an Abraham, a friend of God, and often appears as almost identical with his native Zeus. He was the founder and ruler of the royal city of Knossos, the Cretan Moses, who every nine years repaired to the famous cave of Zeus whether on the Cretan Ida or on Dicta, and received from the god of the mountain the laws for his people. He was powerful and great and extended his dominions far and wide over the Ægean Isles and coast lands, and even Athens paid to him its tribute of men and maidens. To him is attributed the founding of the great Minoan civilization.

I will not have time today to review the mass of archeological data which the discoveries of this civilization have produced.[Pg 338] They consist of cyclopean ruins of cities and strongholds, tombs, vases, statues, votive bronzes, and exquisitely engraved gems and intaglios. That which is most valuable in establishing the claim of the African origin of the Grecian civilization is the discovery of the frescoes on the palace walls. These opened up a new epoch in painting and are of the utmost interest to the world. The colors are almost as brilliant as when laid down more than three thousand years ago. Among these frescoes are numerous representations of the race whose civilization they represent. It was a race neither Aryan nor Semitic, but African. The portraitures follow the Egyptian precedent and for the first time the mysterious Minoan and Mycenean people rise before us. The tint of the flesh is of a deep reddish brown and the limbs finely moulded. The profile of the face is pure and almost classically Greek. The hair is black and curling and the lips somewhat full, giving the entire physiognomy a distinct African cast. In the women's quarters the frescoes show them to be much fairer, the difference in complexion being due, probably, to the seclusion of harem life. But in their countenances, too, remain those distinguishable features which link with the African race.

You will pardon me, I trust, if occasion is taken here to impress upon you the value of genuine archeological evidence. Historians may write anything to reflect their vanity or their prejudices, but when the remains of ancient civilizations rise out of the dust and sands and give the lie to their assertions there is nothing more to be said. Egypt, Mesopotamia, Phoenecia, Greece, and Rome, have all been claimed for the Aryan, but the spade has unearthed stone that bears sentient witness to the fact that Africa has been the pioneer in the field of civilization. We wonder, then, why the historians continue to ignore these remains and persist in continuing falsehood. There can be but one answer and that is racial vanity prefers falsehood to truth and prejudice demands suppression rather than expression.

Yet these frescoes of Crete need not be such a surprise to scholars and public after all. The very classics themselves have more than hinted of the great part played by Africa in the development of Grecian civilization. Let us revert to the myths and trace the descent of Minos and his progeny. You will recollect that the ancient heroes of Greece were divided into the older and younger branches, the former belonging to the house of Inachus, distinctly[Pg 339] Hamitic, while the latter belonged to the race of Japotus, distinctly a mixture.

The Pelasgic races of the south traced their descent from Inachus, the river god and son of Oceanus. The son of Inachus, Phoroneus, lived in the Peloponnesus and founded the town of Argos. He was succeeded by his son, Pelasgus, from whom the aforementioned races of the south derived their name. Io, the divine sister of Phoroneus, had the good fortune, or perhaps misfortune, to attract the attention of the all-loving Zeus and as a consequence incurred the enmity of Hera. She is transformed into a beautiful heifer by Zeus, but a gadfly sent by Hera torments her until she is driven mad and starts upon those famous wanderings which became the subject of many of the most celebrated stories of antiquity. Æschylus reviews her roamings in his great tragedy, "Prometheus Bound," and makes Io to arrive at Mount Caucasus to which the fire-bringer is chained. It is here that Prometheus delivers to her the oracle given him by his mother, Themis, Titan-born. He directs her to Canobos, a city on the Nile, and tells her that there Zeus will restore her mind.

"and thou shalt bear a child
Of Zeus begotten, Epaphos, 'Touchborn,'
Swarthy of hue."

Aryan parents do not usually bear black children and to show that Æschylus was thoroughly cognizant of the ethnical relationship here implied, permit me to quote from "The Suppliants," another of his tragedies. The Suppliants were the fifty daughters of Danaus, the Shepherds of Egypt, and they described themselves as, "We, of swart sunburnt race," "our race that sprang from Epaphos," and when they appear before the Argive king, claiming his country as their ancestral home, their color causes him to question their claims in the following words:

"Nay, stranger, what ye tell is past belief
For me to hear, that ye from Argos spring;
For ye to Libyan women are most like,
And nowise to our native maidens here.
Such race might Neilos breed, and Kyprian mould,
Like yours, is stamped by skilled artificers
On women's features; and I hear that those
Of India travel upon camels borne,
Swift as the horse, yet trained as sumpter-mules,
E'en those who as the Æthiops' neighbors dwell.
And had ye borne the bow, I should have guessed,
Undoubting, ye were of the Amazon tribe."
[Pg 340]

No, Æschylus made no mistake. He meant just what he wrote and the discoveries of the wonderful Minoan civilization have proven that the swarthy touch-born son of Zeus and Io was the incarnation of the African element that raised Greece to the very pinnacle of civilization. Minos is in direct descent from Epaphos and from the latter's prolific progeny we note such names as Agenor, Cadmus, Europa, Ægyptus, Danaus, Perseus, Menelaus, husband of the famous Helen, Hercules, and Agamemnon, chosen by the Greeks to lead them against Troy.

If I should conclude at this point my thesis would be complete and conclusive, but there are other subjects which demand some attention. I cannot pass in silence the supposed testimony to the presence of the fair type in Greece, and to its superiority over the darker population, furnished by the Homeric poems. This supposed testimony has precipitated wordy wars as terrible, though perhaps less sanguinary, as those which were engaged in by the gods and heroes themselves. The fault, however, lies with the translators rather than with the epics. From the work of these industrious authors we get the idea that golden hair and blue eyes were so common that there was little chance of any other sort of people lingering around. The truth of the matter is that these translators, like historians, have permitted their prejudices to warp their accuracy. There is not in the entire writings of Homer an adjective or description applying to any of the principals that even suggests a single one of them having blue eyes and golden hair. Indeed, it is quite the reverse. Athena is γλαυκωπις; γλαυκος means blue like the sea and the unclouded sky; the olive is γλαυκος also, and Athena is guardian of the olive. Γλαυκωπις means that her eyes are brilliant and terrible. Apollo in Homer is χρυσαορος, that is to say, bearing a golden sword; while ξανθος, which has been mistranslated to mean fair, means reddish brown and brown, Artemis is χρυσεη, golden, that is to say, brilliant, but never fair. Neptune is κυανοχαιτης, that is to say, bluish, blackish, like the dark and deep waves of the ocean. Eos, the dawn, is χρυσοθρονος, ροδοδακτυλος, κροκοπεπλος, because the color of the dawn is golden, rosy and red. Neither Hera nor Kalypsos is fair from the descriptive adjectives. Achilles is ξανθος which, as was said before, means reddish brown and brown. Agamemnon is also ξανθος and remember, if you please, that he is in direct descent from Epaphos, the swarthy ancestor of the Pelasgic houses.

So you see that even our translators are not to be trusted.[Pg 341] Professor Sergi made an extensive investigation of the supposed testimony to the presence of the fair type in Greece and his conclusions are as follows: "In Homer none of the individuals are fair in the ethnographic sense of the word. I could bring forth a wealth of facts to show that what I have just stated regarding the anthropological characters of the Homeric gods and heroes may also be said, and with more reason, of the types of Greek and Roman statuary which, though in the case of the divinities they may be conventionalized, do not in the slightest degree recall the features of a northern race." Hence the blue-eyed and golden-haired gods and goddesses who grace the canvases of our art galleries and theater curtains are but pigmentary creations from the minds of artists who visualize the peculiarities of their own race just as the Jewish Madonna is depicted as a Spanish, Dutch, German, English, Italian, Russian, Scandinavian, and even as an African mother by the different nationalities in turn.

Another idea which seems to be rapidly taking hold upon the scholastic mind is that the Iliad and Odyssey are in reality Minoan epics made over, if you please, to fit the later Grecian epochs. While the Homer we know professedly commemorates the deeds of Achaean heroes, everything about them is non-Hellenic. The whole picture of the civilization, including home life, dress, religious worship, and architecture, is Minoan and Mycenean. Warriors' weapons are of bronze when the age to which we attribute Homer was an iron age. The combatants use huge body shields when, as a matter of fact, such shields had been obsolete long previous to 1200 B.C. The form of worship, hymns and invocations to deities, and the use of certain sacrificial forms were all adaptations from the Mycenean ritual. The arrangements of the palaces and courts as narrated in the epics were counterparts of the Minoan and Mycenean palaces and had long since passed out of existence. Among the discoveries in Crete have been found pictorial scenes exactly as described in Homer, and the artistic representations upon the shield of Achilles and upon the shield of Hercules, as described by Hesiod, have been duplicated among the ruins of Crete. Upon intaglios recovered we find combatants striking at each other's throats and you will recollect that Achilles does just this thing in his fight with Hector. I might continue these coincidences indefinitely, but I believe that the point I desire to make is sufficiently clear to merit your attention. The great Grecian epics are[Pg 342] epics of an African people and Helen, the cause of the Trojan war, must henceforth be conceived as a beautiful brown skin girl.

In the press and periodicals of our country we read that the classics are doomed and about to pass out of our lives, but the classics can never die. I sometimes dream of a magical time when the sun and moon will be larger than now and the sky more blue and nearer to the world. The days will be longer than these days and when labor is over and there falls the great flood of light before moonrise, minds now dulled with harsh labor and commercialism will listen to those who love them as they tell stories of ages past, stories that will make them tingle with pleasure and joy. Nor will these story tellers forget the classics. They will hear the surge of the ocean in Homer and march with his heroes to the plains of Troy; they will wander with Ulysses and help him slay the suitors who betrayed the hospitality of the faithful Penelope; they will escape from Priam's burning city with Æneas, weep over Dido's love, and help him to found a nation beside the Tiber. And the translators who shall again bring into life the dead tongues will not let prejudice cloud their brains or truth make bitter their tongues. The heroes of Homer shall, like the Prince of Morocco, wear the livery of the burnished sun and be knit by binding ties to the blood of Afric's clime from whence civilization took its primal rise.

Permit me now, ladies and gentlemen, to show definitely the debt which Greece owes to the Minoan and Mycenean civilizations. Crete, as I have said before, appears to be the center from which the Mediterranean culture radiated. It is the "Mid-Sea Land," a kind of half-way house between three continents, and its geographical position makes it the logical cradle of European civilization. It is near the mainland of Greece, opposite the mouths of the Nile and in easy communication with Asia Minor, with which it was actually connected in late geological times. As I mentioned before, the civilization expanded in every direction and at the time of the conquest it had firm hold upon Greece, appearing at Mycenæ, Tiryns, Thebes, Orochomenos, and other places. That some vanguard of Aryan immigrants came into contact with this culture at its climax is plain from the evidence furnished by Homer. That they mingled with the inhabitants is certain. The later onrush about 1200 B.C. destroyed in part the civilization found there, but fortunately there was not utter destruction. These rude people[Pg 343] realized the difference between their savagery and their enemies' culture. They, too, merged with the inhabitants and formed the Grecian people of historic times. This amalgamation is clearly apparent in the Greeks to-day and because of it Count de Gobineau has called their ancestors half-breeds and mulattoes. Note, also, if you will, that Greek genius burned brightest in those parts of Greece where the Minoan elements were most thoroughly planted.

If you should inquire the source of the Minoan civilization I would first call your attention to the fact that Herodotus attributed much of the Grecian civilization to Egypt, and secondly to the opinion expressed by Sir Arthur Evans in his presidential address before the British Association last fall. "My own recent investigations," said he, "have more and more brought home to me the all pervading community between Minoan Crete and the land of Pharaohs. When we realize the great indebtedness of the succeeding classical culture of Greece to its Minoan predecessor the full significance of this conclusion will be understood. Ancient Egypt itself can no longer be regarded as something apart from general human history. Its influences are seen to lie about the very cradle of our civilization. The first quickening impulse came to Crete from the Egyptian and not from the Oriental side." Herodotus has been called the father of lies, but at this late date we again see him vindicated in a conclusion reached by the greatest living authority upon classical archeology.

Before closing I wish again to enforce the fact that the ferment creating the wonderful Grecian civilization was preeminently the ferment of African blood. Take all the archeological facts of the last fifty years and read them up or down, across or diagonally, inside and out, and this fact rises into your mind like a Banquo that will not down. Historians may distort truth and rob the African race of its historical position, but facts are everywhere throwing open the secret closets of nations and exposing ethnic skeletons that laugh and jest at our racial vanities. The Aryan savages of Europe came down upon Greece, found there a great civilization, merged with the inhabitants and builded a greater. The all but savage European of the Dark Ages knew nothing of culture save what had been taught him by the Roman legions, the heirs of the Mediterranean civilization. This little was almost forgotten until religious fanaticism started the Crusades and brought them into contact with the civilized refinement of the Arabians,[Pg 344] Moors and Saracens, likewise peoples in whose veins flowed the fiery ferment of African blood. If, as Sir Arthur Evans declares, classical students must consider origins and admit the ancient Grecians of African descent, so must they go a bit further and admit the Renaissance to have sprung because of contact between feudal Europe and African Mohammedanism. Again we must admit, no matter how bitter the taste, that the mixed race has always been the great race—the pure race always the stagnant race. One potent reason for the possible downfall of European civilization to-day is the fact that the Aryan element has proven incapable of the mighty trust. It has forgotten the everlasting lesson of history that mergence of distinct types means the perpetuation of nationalism. The sole tenet of Europe has been the domination of the world by the Caucasian and suddenly it discovers that the term Caucasian is too narrow to include both Saxon and Teuton. Hence a war for the extermination of both.

The end of the world is not near and the dream of a millennium is equidistant. The sum of all that is past is but a prelude of that which is to come. It has taken the brute a myriad of years for his gaze to reach beyond them. Civilization is a mixture of dictions and contradictions and none of us to-day is sure that we know just what it means. Through all there yet remain:

"Those first affections,
Those shadowy recollections,
Which, be they what they may,
Are yet the fountain light of all our day,—
Are yet the master-light of all our seeing,—
Upholds us, cherish and have powers to make
Our noisy years seem moments in the being
Of Eternal Silence."

I close with the hope of a time when earthly values will be measured with a justice now deemed divine. It is then that Africa and her sun-browned children will be saluted. In that day men will gladly listen with open minds when she tells how in the deep and dark pre-historic night she made a stairway of the stars so that she might climb and light her torch from the altar fires of heaven, and how she has held its blaze aloft in the hall of ages to brighten the wavering footsteps of earthly nations.

Footnotes:

[401] This address was delivered before the Omaha Philosophical Society, April 1, 1917.


[Pg 345]

The Journal
of
Negro History

Vol. II—October, 1917—No. 4

Some Historical Errors of James Ford Rhodes

While on a visit to Cleveland, Ohio, some time ago, the guest of my good friend George A. Myers, my attention was called to Rhodes' History of the United States. This was due, no doubt, to the fact that Mr. Myers had been in correspondence with Mr. Rhodes relative to certain points in the career of the late M. A. Hanna, brought out by Mr. Rhodes, which, in the opinion of Mr. Myers, were not accurate. In glancing over one of the volumes, I came across the chapters giving information about what took place in the State of Mississippi during the period of Reconstruction. I detected so many statements and representations which to my own knowledge were absolutely groundless that I decided to read carefully the entire work. I regret to say that, so far as the Reconstruction period is concerned, it is not only inaccurate and unreliable but it is the most biased, partisan and prejudiced historical work I have ever read. In his preface to volume six, the author was frank enough to use the following language: "Nineteen years' almost exclusive devotion to the study of one period of American history has had the tendency to narrow my field of vision." Without doing the slightest violence to the truth, he could have appropriately added these words: "And since the sources of my information touching the Reconstruction[Pg 346] period were partial, partisan and prejudiced, my field of vision has not only been narrowed, but my mind has been poisoned, my judgment has been warped, my decisions and deductions have been biased and my opinions have been so influenced that my alleged facts have not only been exaggerated, but my comments, arguments, inferences and deductions based upon them, can have very little if any value for historical purposes."

Many of his alleged facts were so magnified and others so minimized as to make them harmonize with what the author thought the facts should be rather than what they actually were. In the first place, the very name of his work is a misnomer: "History of the United States from the Compromise of 1850 to the Final Restoration of Home Rule at the South in 1877." I have emphasized the words "to the final restoration of home rule at the South in 1877" because those are the words that constitute the misnomer. If home rule were finally restored to the South in 1877, the natural and necessary inference to be drawn is that prior to that time those States were subjected to some other kind of rule, presumably that of foreigners and strangers, an inference which is wholly at variance with the truth. Another inference to be drawn is that those States had enjoyed home rule until the same was revolutionized or set aside by the Reconstruction Acts of Congress and that it was finally restored in 1877. If this is the inference which the writer meant to have the reader make, it is conclusive evidence of the fact that he was unpardonably and inexcusably ignorant of the subject matter about which he wrote. As that term is usually and generally understood, there never was a time when those States did not have home rule, unless we except the brief period when they were under military control, and even then the military commanders utilized home material in making appointments to office. Since the officers, however, were not elected by the people, it may be plausibly claimed that they did not have home rule. But the State governments that were organized and brought into existence under the Reconstruction Acts of Congress were the first and only[Pg 347] governments that were genuinely republican in form. The form of government which existed in ante-bellum days was that of an aristocracy. That which has existed since what Mr. Rhodes is pleased to term the restoration of home rule is simply that of a local despotic oligarchy. The former was not, and the present is not, based upon the will and choice of the masses; but the former was by far the better of the two, for whatever may be truthfully said in condemnation and in derogation of the southern aristocracy of ante-bellum days, it can not be denied that they represented the wealth, the intelligence, the decency and the respectability of their respective States. While the State governments that were dominated by the aristocrats were not based upon the will of the people, as a whole, yet from an administrative point of view they were not necessarily bad. Such can not be said of those who are now the representatives of what Mr. Rhodes is pleased to term home rule.

On page 171 of his seventh volume, Mr. Rhodes says: "Some Southern men at first acted with the Republican party, but they gradually slipped away from it as the color line was drawn and reckless and corrupt financial legislation inaugurated." That thousands of white men in the South, who identified themselves with the Republican party between 1868 and 1876, subsequently left it, will not be denied, but the reasons for their action are not those given by Mr. Rhodes. In fact, there is no truth in the allegation about the drawing of the color line and very little in the one about corrupt or questionable financial legislation. The true reason why so many white men at the South left the Republican party may be stated under three heads: first, the Democratic victories of 1874 which were accepted by southern Democrats as a national repudiation of the congressional plan of Reconstruction; second, the closeness of the Presidential election of 1876 together with the supposed bargain entered into between the Hayes managers and southern Democratic members of Congress, by which the South was to be turned over to the Democrats of that section in consideration of which the said southern Democrats gave their consent[Pg 348] to the peaceable inauguration of Hayes; third, the decisions of the Supreme Court of the United States by which the doctrine of States' Rights was given new life and strength.

It is true there are some men whose party affiliations are based upon principle and convictions regardless of consequences personal to themselves. Occasionally there are found some who are even willing to be martyrs, but they are exceptions to the general rule. The average man is politically ambitious. He desires political distinction and official recognition. In determining his party affiliations, therefore, he is more than apt to cast his lot with the party through which he believes that ambition may be gratified. After the consummation of the events above referred to, the conviction became settled in the minds of white men at the South that the Democratic party in that section would be, for a generation, at least, the only channel through which it would be possible for any one to have his political ambition realized. Hence, thousands of those who had previously joined the Republican party returned to the Democratic since that party presented the only hope of their future political salvation.

Mr. Rhodes would lead one to infer that the southern white men who came into the Republican party in the South between 1868 and 1876 were not among the most intelligent, cultivated, refined and representative men of that section. As a rule, they were men who belonged to, and were identified with, what was known as the "Southern aristocracy." Such men, for instance, as Ex-Governors Orr of South Carolina, Parsons of Alabama, Reynolds of Texas, and Brown of Georgia. Also such men as Mosby, Wickham, and subsequently Mahone, Massey, Paul, Fulkerson and Riddleberger, of Virginia. General R. E. Lee was known to have leanings in the same direction, but since he was not politically ambitious, his views were not made a matter of public discussion. In addition to Ex-Governor Brown of Georgia, they included such men as General Longstreet, Joshua Hill, Bullock and many others of like caliber. Even Ben Hill was suspected by some and accused by others of[Pg 349] leaning in the same direction. In Louisiana, not less than 25 per cent. of the best and most substantial white men of that State became identified with the Republican party under the leadership of such men as Ex-Governor Hahn and the Honorable Mr. Hunt (who was appointed Secretary of the Navy by President Garfield), Wells, Anderson and many others. General Beauregard was known, or at any rate believed, to be in sympathy with these men and the cause they represented, although he took no active part in politics. But it was in my own State of Mississippi, where I had an intimate knowledge of, and acquaintance with, the solid and substantial white men who identified themselves with the Republican party and whose leadership the newly enfranchised blacks faithfully followed. They included such men as James L. Alcorn, who was elected Governor of the State by the Republicans in 1869 and to the United States Senate by the legislature that was elected at the same time. Alcorn was one of the aristocrats of the past. He served with Mr. Lamar in the secession convention of 1861 and was a general in the Confederate Army.

Mr. Rhodes failed to inform his readers of the fact that the Democratic candidate for Governor against Alcorn, Judge Louis Dent, belonged to that much abused class called "carpet baggers," but who, like thousands of others of that class, both Democrats and Republicans, was a man of honor and integrity. The same was true of Tarbell, Powers, Pierce, McKee, Jeffords, Speed and others of the same type in both parties. In addition to Alcorn, there was Col. R. W. Flournoy, who also served with Mr. Lamar as a member of the secession convention and who was the Republican candidate for Congress against Mr. Lamar in 1872, also Judge Jason Niles, who served as a member of the State legislature, Judge of the Circuit Court and member of Congress. His able and brilliant son, Judge Henry Clay Niles, is now the United States District Judge for that State, having been appointed by President Harrison. He has the reputation of being one of the best and finest Judges[Pg 350] on the Federal Bench. The State never had before and has not had since, a finer judiciary than it had under the administrations of Alcorn, Powers and Ames, the three Republican Governors. In referring to the three justices of the State Supreme Court, Mr. Rhodes made the statement that eligible material in the Republican party was so scarce that, in order to get three competent judges the Governor was obliged to select a Democrat. This is not true. Chief Justice E. G. Peyton and Associate Justice H. F. Simrall were both southern Republicans. Justice Tarbell, though a so-called "carpet bagger," was also a Republican and an able judge, who enjoyed the confidence and respect of the bench and bar. When he retired from the bench he was made Second Comptroller of the United States Treasury.

In addition to these able and brilliant men, I feel justified in naming a few others, such as R. W. Millsaps, in whose honor one of the educational institutions at Jackson was named; W. M. Compton; T. W. Hunt; J. B. Deason; W. H. Vasser; Luke Lea, who was at one time United States District Attorney; his son, A. M. Lea, who subsequently held the same office; J. L. Morphis, who was one of the first Republicans elected to Congress; Judge Hiram Cassidy, who was the recognized leader of the bar in the southern part of the State; his able and brilliant son, Hiram Cassidy, Jr.; and his law partner, Hon. J. F. Sessions. Among the circuit and chancery court judges there were such jurists as Messrs. Chandler, Davis, Hancock, Walton, Smyley, Henderson, Hill, Osgood, Walker, Millsaps, McMillan, and Drane. Moreover, there were thousands of others, such as J. N. Carpenter and James Surget, men of character, wealth and intelligence, who had no ambition for official recognition or political distinction, but who were actuated by what they honestly believed to be conducive to the best interests of their country, their State and their section. In fact, the southern white men that came into the Republican party were typical representatives of the best blood and the finest manhood of the South, than whom no better men ever lived. And yet to read what Mr. Rhodes has written, one would naturally[Pg 351] assume that the opposite of this was true, that the Republican party in that section was under the domination of northern "carpet baggers," a few worthless southern whites and a number of dishonest and incompetent colored men. This, no doubt, is the false, deceptive and misleading picture which had been painted from the vividness of his partial, mistaken, prejudiced and diseased imagination.

That many mistakes were made during the progress of Reconstruction cannot and will not be denied. No friend and supporter of the congressional plan of Reconstruction will maintain that every thing was perfect. On the contrary, it is frankly admitted that quite a number of grave blunders were made; but they were not confined to any one party. Neither Republicans nor Democrats can justly lay claim to all that was good or truthfully charge the other with all that was bad. Of those who were selected as representatives of the two parties, the Democrats had, in point of experience and intelligence, a slight advantage over the Republicans; but in point of honesty and integrity the impartial historian will record the fact that the advantage was with the Republicans. How could either escape error? The Civil War had just come to a close; sectional animosity was bitter and intense. The Republican party was looked upon as the party of the North and, therefore, the bitter enemy of the South. The southern white men who joined the Republican party were accused of being traitors to their section and false to their own race and blood; they were called Scalawags. Through a process of intimidation, chiefly by means of social ostracism, independent thought and action on the part of southern whites, during the early period of Reconstruction, were pretty effectually prevented. Through such methods, they were quite successfully held under the subjection and control of those whose leadership they had been accustomed to follow.

Under such circumstances, the reader may ask the question, why was it and how was it that so many of the best white men of that section joined the Republican party? The answer is that, prior to the election of General Grant to the[Pg 352] presidency in 1868, very few of them did so. It was never a question of men. It was always a question of party. Under such circumstances, thousands of white men were obliged to vote for certain Democratic candidates who were otherwise objectionable as against certain Republicans who were otherwise acceptable. In like manner, thousands of colored men were obliged to vote for certain Republican candidates who were otherwise objectionable as against certain Democrats who were otherwise acceptable. The wonder, therefore, is, not that so many, but that so few mistakes were made; not that so many, but that so few objectionable persons were elected to important and responsible positions.

After the election of Grant, however, in 1868 the feeling of intolerance somewhat subsided, resulting in a large number of accessions to the Republican party from the ranks of the best and most substantial white men of that section. But it was not until the reelection of Grant in 1872 that the feeling of political proscription, social ostracism and intolerance among the whites seemingly disappeared. It was then that white men came into, took charge of and assumed the leadership of the Republican party, in large numbers. They then had nothing to fear and nothing to lose by being identified with the Republican party when social distinctions growing out of politics ceased to be effective. The South then entered upon a new era which was destined to bring to that section wealth and prosperity with happiness and contentment among its people of both races, all living under local governments successfully controlled by the better element of native whites with the cooperation and participation to some extent of the newly enfranchised blacks.

The writer of this article has always believed it to be a misfortune to his race and to the country, if conditions be such as to make it necessary for any race or group, of which our citizenship is composed, to act in a solid body with any one political party. The writer timely called attention to this in a speech which he delivered on the floor of the House of Representatives over thirty years ago. He then made an[Pg 353] appeal to the Democrats to change the attitude of their party towards the colored Americans. While the colored people, he said, were grateful to the Republican party for their physical emancipation, they would be equally grateful to the Democratic party for their political emancipation. While he was a Republican from choice, he personally knew of many members of his race who were Republicans, not from choice but from necessity, and that the Democratic party was responsible for the existence of that necessity. Upon economic questions there are differences of opinion among colored as well as white persons. It is an injustice to the colored race and a misfortune to the country, if they can not vote in accordance with their convictions upon such questions. No race or group can be true and independent American citizens, as all should be, when they are made to feel that the exercise and enjoyment by them of their civil and political rights are contingent upon the result of an election. It must be said to the credit of the late Grover Cleveland that he did all in his power both as Governor of New York and as President of the United States to bring about this necessary change and reform in his party. That his efforts were not crowned with success, was through no fault of his.

The newly enfranchised blacks at the South, as I have endeavored to show, had no other alternative than to act with the Republican party. That some objectionable persons should have been elected by them under such conditions, could not very well have been prevented. But the reader of Mr. Rhodes's history cannot fail to see that he believed it was a grave mistake to have given the colored men at the South the right to vote, and in order to make the alleged historical facts harmonize with his own views upon this point, he took particular pains to magnify the virtues and minimize the faults of the Democrats and to magnify the faults and minimize the virtues of the Republicans, the colored men especially. On page 97 of his fifth volume, for instance, Mr. Rhodes says: "But few Negroes were competent to perform the duties; for instance, it was said that the colored[Pg 354] man, who for four years was Sheriff of DeSoto County, could neither read nor write. The Negro incumbent generally farmed out his office to a white deputy for a share of the revenue."

The foregoing is one of the most barefaced and glaring misrepresentations that can possibly be made. The reader will notice that the allegation is based upon "it has been said." But if Mr. Rhodes had been anxious to record only what was accurate and true, he should have, as he easily could have done, found out just what the facts were, as I have done. The facts were these. When Tate County was created the greater part of the territory composing the new county had been taken from the county of DeSoto. The then sheriff of DeSoto County lived in that section which was made a part of the new county of Tate. It thus became necessary for a new sheriff to be appointed by the Governor for DeSoto County to hold office until the election of a sheriff at the next regular election. Rev. J. J. Evans, a colored Baptist minister and a Union soldier, was thereupon appointed. Since this took place in 1873, the appointment must have been made by Governor R. C. Powers, who had been elected Lieutenant Governor on the ticket with Alcorn in 1869 and had become Governor when Alcorn went to the United States Senate in 1871. Although he was one of those who belonged to that class called "carpet baggers," Governor Powers was known to be an honest and an upright man and one who exercised great care in all of his appointments. Governor Powers never could have been induced to appoint as sheriff of any county a man who could neither read nor write.

Mr. Evans discharged the duties of his position with such entire satisfaction that he was nominated by the Republicans and elected to succeed himself at the regular election in November, 1873, for the full term of two years. In 1875 he was renominated by his party to succeed himself. Mr. Evans's administration had been so satisfactory that when the Democratic county convention met to nominate a local ticket, no nomination was made for the office of[Pg 355] sheriff. But between the nomination and election the Democratic organization in the State saw a new light. It was decided that the State must be "redeemed," and that nearly all of the counties must be included in that redemption. The Democratic executive committee of DeSoto County was, therefore, directed to meet and complete the local ticket by nominating a candidate for sheriff. This was done, and the ticket as thus completed was, of course, declared elected and DeSoto County "redeemed."

It is a fact of which Mr. Rhodes may not be aware, that the county sheriff in Mississippi is also the county tax collector, and as such he is required to give a heavy bond. These bonds are usually given by property owners of the county, nearly all of whom are white men and Democrats. Had Mr. Evans been the man described by Mr. Rhodes, he never could have qualified for the office. It is also a fact of which Mr. Rhodes may not be aware, that the county sheriff in Mississippi as the chief executive and administrative officer of his county, is necessarily obliged, regardless of his own qualifications and fitness, to employ a number of assistants and deputies to aid him in running the office. The number of persons, with the salary or compensation of each, is fixed by law or the court and they are paid according to law out of money appropriated for that purpose. In making these appointments, it is both reasonable and natural that the appointing power would favorably consider a suggestion or recommendation from any one of the sureties. At any rate, Mr. Evans had the good sense to surround himself with honest, efficient and capable assistants. He is still living at Hernando, DeSoto County, Mississippi. As I write these lines, an autograph letter from him is before me. While it is clear that he is not a college graduate, his letter effectually disproves the allegation that he can neither read nor write. Moreover, even if his education is limited, this cannot be considered exceptional, for the sheriffs of many counties in the South today are illiterate and mentally undeveloped. I judge from the contents of Mr. Evans's letter that there is no truth in the allegation that he divided any[Pg 356] part of his own compensation with any one or more of his assistants. He left the office with a spotless record, every dollar of the public funds that passed through his hands, and for which he was liable, having been honestly and faithfully accounted for.

But even if Mr. Evans had been the man described by Mr. Rhodes, it would have been manifestly unfair and unjust to the colored voters of Mississippi to select him as a typical representative of those who were elected to important and responsible positions by the votes of colored men. Out of seventy-two counties of which the State was then composed, not more than twelve ever had colored sheriffs at any time, and they did not all hold office at the same time. Of those who were thus honored, the writer of these lines was personally acquainted with not less than ten. Mr. Evans was one of the few whom he did not then know personally. If Mr. Rhodes had desired to be fair and impartial, he would have taken all of them into consideration and would have drawn an average. But this would not have answered his purpose. It would have shown that in point of intelligence, capacity, and honesty the colored sheriffs would have favorably compared with the whites.

Take, for instance, the county of Adams-Natchez, my own home, where two colored men at different times held the office of sheriff. The first of the two was Wm. McCary, who was elected in 1873. He belonged to that small class known as free persons of color during the days of slavery. His father was the leading barber of Natchez for white business men and a private school teacher. He taught the children of those who were identified with his own class, of which there were quite a number, having privileges and advantages which were denied to the children of slaves. His own children, of course, were not neglected. Wm. McCary, therefore, had a good English education. He was also a property owner and a taxpayer. He was one of the two colored men who qualified as a surety on the bond of the writer of these lines when he was appointed a Justice of the Peace in 1869. Mr. McCary was held in high esteem by the[Pg 357] people of the city of Natchez and the county of Adams, both white and colored. Prior to his election to the office of sheriff he had served as a member of the board of aldermen for the city of Natchez and also as treasurer of the county of Adams, and subsequently as postmaster of Natchez, the duties of all of which he discharged with credit to himself and satisfaction to the public. In 1875 he was succeeded as sheriff by another colored man, Robert H. Wood, who in all important particulars was about on a par with McCary. Wood had previously served as mayor of Natchez, to which position he was elected by popular vote in December, 1870. He was serving the people of Natchez as their postmaster when he was elected to the office of sheriff.

These men not only gave satisfaction to the people whom they served, but they reflected credit upon themselves, their race, their party and the community that was so fortunate as to have the benefit of their services. What was true of these two men was also true in a large measure of Harney of Hinds, Scott of Issaquena, Sumner of Holmes, and several others. But, if Mr. Rhodes had desired to be impartial and preferred to select but one man as a typical representative of those who were elected to such positions by the votes of colored men, he would have selected B. K. Bruce, who was sheriff of Bolivar County when he was elected to the United States Senate. Mr. Bruce needs no introduction to intelligent and reading Americans. He developed into a national character. He reflected credit not only upon himself, his race and his party but his country as well. And yet he typified in a most remarkable degree the colored men who were elected to important and responsible positions chiefly by the votes of members of that race. But the reader of Rhodes's history will look in vain for anything that will give him accurate information along these lines. His history, therefore, is remarkable, not only for what it says, but for what it leaves unsaid. In fact, it is plain to the intelligent reader that he started out with preconceived notions as to what the facts were or should have been, and that he took particular pains to select such data and so[Pg 358] to color the same as to make them harmonize with his opinions. He thus passed over in silence all facts which could not be so distorted as to make them thus harmonize. He could find nothing that was creditable or meritorious in the career of any colored member of either house of Congress, notwithstanding the favorable impression made and the important and dignified service rendered by Revels and Bruce in the Senate and by Rainey, Rapier, Elliott, Smalls, Cain, Langston, Miller, Ohara, Cheatham, White and others in the House.[403]

But, to return to Mississippi, let us take up another error of Mr. Rhodes. Referring to the political and sanguinary revolution which took place in Mississippi in 1875, Mr. Rhodes makes use of these words: "Whilst regretting some of the means employed, all lovers of good government must rejoice at the redemption of Mississippi.... Since 1876 Mississippi has increased in population and in wealth; her bonded indebtedness and taxation are low."[404] It is difficult to conceive how an intelligent man, claiming to be an impartial recorder of historical events, could be induced to make such glaring statements as the above, when he ought to have known that just the opposite of what he affirms is true, except as to increase in population and in wealth. "All lovers of good government must rejoice at the redemption of Mississippi." Redemption from what? The reader is led to believe that the "redemption" is from bad to good government, from high to low taxes, from increased to decreased bonded indebtedness, from incompetent, inefficient and dishonest administration to one that was competent, efficient and honest.

Now let us see just what the facts were and are. In 1875 there was just one State officer to be elected, that of[Pg 359] State treasurer, to fill the vacancy caused by the death of George H. Holland, who was elected on the ticket with Ames in 1873. The Democrats nominated Hon. Wm. L. Hemingway, of Carroll County, whose nomination was favorably received. He had the reputation of being a capable, an honest and upright man. In addition to this, he was identified with that wing of his party which was known to be progressive, liberal and fair. In the early days of Reconstruction, the Democratic party in the State was sharply divided into two factions. One, the major faction, adopted what they termed a policy of "masterly inactivity," which meant that the white Democrats should take no part in the organization of a State government under the Reconstruction Acts of Congress, with a view of making the work of Reconstruction as odious, as objectionable and as unpopular as possible. The other faction believed it to be the duty of the white Democrats to take an active part in the formation of a State government, elect as many Democrats to the State Constitutional Convention of 1868 as possible with a view of framing a new constitution that would have very few if any objectionable clauses. Wm. L. Hemingway was one of that number, and as such he was elected to the convention from Carroll County. The nomination of Hemingway for State treasurer by the Democratic State Convention in 1875 was looked upon as a concession to that element of the party.

The Republicans did not fail to see that in order to carry the State they must nominate their strongest and best man, even if the election should be fair and honest, which they hoped would be the case, but which hope they had good reasons to apprehend would not be fully realized. Capt. George M. Buchanan, of Marshal County, was nominated. Buchanan had been a brave and gallant Confederate soldier. He had served as sheriff of Marshal County for a number of years. He was strong, able and popular. He was known to be the best fitted and best qualified man for the office of State treasurer. With a half-way decent election his triumph, even over so popular a man as Wm. L. Hemingway,[Pg 360] was an assured fact. The Democrats, however, had decided that the time had come for the State to be "redeemed," peaceably and fairly if possible, violently and unfairly if necessary. With George M. Buchanan as the Republican candidate, it was necessary to employ means which Mr. Rhodes so much regretted, but which he justifies because, as he understands it, they were employed in the interest of good government.

Was that true? Let us see. Buchanan, of course, was declared defeated and Hemingway declared elected. Mississippi was thus "redeemed, for which all lovers of good government must rejoice," but Mr. Rhodes failed to record the fact that this man who was the representative of the redemption of the State had been in office a comparatively brief period when the discovery was made that he was a defaulter to the amount of $315,612.19.[405] It would be a reflection upon Mr. Rhodes's intelligence to assume that he was ignorant of this important fact. Oh, no! he must have known about it, but to make any allusion to it would be out of harmony with the purposes he evidently had in view. It is safe to assume that, if the will of a majority of the legal voters of the State had not been violently suppressed in the interest of good and honest government, which would have resulted in the election of honest George M. Buchanan, while the State would not have been redeemed, it would have been saved from the loss of $315,612.19. The writer of these lines has never believed that Hemingway was the personal beneficiary of this money or any part thereof, but that he was the instrument in the hands of others. Still he was the official representative of the redemption of the State for which "all lovers of good government must rejoice."

That there was a material increase in the population and in the wealth of the State will not be denied. These results would have followed, even if the State had never been redeemed. They were not due to redemption but in spite of it. In fact, there was a marked increase in population and in wealth before as well as subsequent to the redemption.[Pg 361] But when the author states that the bonded indebtedness and taxation are low, the impression necessarily made, and intended to be made upon the mind of the reader, is that after the redemption took place and as a result thereof, the rate of taxation was reduced, the volume of money paid into the State treasury annually for the support of the government was less than it had been before, and that there had been a material reduction in the bonded debt of the State, neither of which is true.[406] If Mr. Rhodes had been disposed to record the truth and nothing but the truth, which is presumed to be the aim of an impartial historian, he could have easily obtained the facts, because they are matters of record. To give the reader an idea of what the facts were and are, I will take, for purposes of comparison, one year prior and one subsequent to the redemption of the State. In 1875, the year that the redemption took place, the assessed value of taxable property was $119,313,834. The receipts from all sources that year amounted to $1,801,129.12. Disbursements for the same year, $1,430,192.83. In 1907 the assessed value of taxable property was reported to be $373,584,960. Receipts from all sources, same year, $3,391,127.15. Disbursements, same year, $3,730,343.29. The above figures speak for themselves. They are from the official records, the accuracy of which cannot be questioned.[407] The records show too that during the administration of Governor Ames, which was about half over when the redemption took place, the rate of taxation had been reduced from seven mills to four mills and that a material reduction had been made in the bonded debt of the State and that after the redemption took place the tax rate was increased from four mills to six mills and that by 1907 $732,890.74 had been added to the bonded debt of the State. And yet in the opinion of Mr. Rhodes, these are conditions for the deliverance from which the employment of regrettable means was necessary, at which, however, "all lovers of good government should rejoice," since their employment resulted in the redemption of the State.[Pg 362]

But another evidence of Mr. Rhodes's careless and reckless manner of stating alleged historical facts will be found in a paragraph on page 132 of his seventh volume. In speaking of Governor Ames's unsuccessful efforts to have troops sent to the State to assist in maintaining order and insuring a fair and peaceable election, he says: "A number of the white Republicans of Mississippi who had quarrelled or differed with Ames, among whom were both the United States senators, used their influence against the sending of federal troops to Mississippi and none were sent." The two United States Senators at that time were J.L. Alcorn and B.K. Bruce. Bruce was a strong friend and loyal supporter of Ames and did all in his power to have Ames's request granted. This statement is based upon my own knowledge. Senator Alcorn was one of the few white Republicans who had quarrelled with Ames. In fact, he ran as an Independent for governor against Ames in 1873. But he was a Republican United States Senator and as such he had no sympathy with the Democratic party. My relations with both senators were cordial. If Alcorn had used his influence to prevent having federal troops sent to the State, I am sure I would have known it. If he raised his voice or used his pen for such purpose, that fact was never brought to my notice and I am satisfied it was never done. My own opinion is that he remained reticent and refused to take sides. The true reason why troops were not sent in compliance with the request of Governor Ames was that, although the President once directed that the requisition be complied with, he later rescinded the order when informed by Republicans from Ohio that such interference would cause the loss of Ohio to the Republicans at the October election and would not save Mississippi.[408]

Referring to the Reconstruction policy, Mr. Rhodes says: "Stevens' Reconstruction Acts, ostensibly in the interest of freedom, were an attack on civilization.[409] In my judgment Sumner did not show wise constructive statesmanship[Pg 363] in forcing unqualified Negro Suffrage on the South."[410] The truth is that Stevens and Sumner were wiser than their day and generation. They were not favorable to an immediate restoration of the States lately in rebellion upon any conditions. They knew that after the cessation of hostilities, the flower of the Confederate Army, an army which it took the entire North with all of its numbers, immense wealth and almost limitless resources four years to conquer, would be at the South and that upon the completion of Reconstruction and the withdrawal of the federal troops, that army could be utilized to bring about practically the same conditions that existed before the war. They, therefore, opposed immediate restoration. This is what Mr. Rhodes characterizes as an attack on civilization. To what civilization does he refer? He surely could not have had in mind the civilization which believed in the divine right of slavery and which recognized and sanctioned the right of one man to hold another as his property; and yet this was the only civilization upon which the rebuilding of the rebellious governments was an attack. But for the adoption of the Congressional plan of Reconstruction and the subsequent legislation of the nation along the same line, the abolition of slavery through the ratification of the 13th Amendment would have been in name only, a legal and constitutional myth. This is the civilization, however, an attack upon which Mr. Rhodes so deeply deplores. It is fortunate for the country that a majority of Mr. Rhodes's fellow citizens did not and do not agree with him along these lines.

Since Stevens and Sumner could not secure the adoption of the plan advocated by them, they proceeded to secure the adoption of the best one that it was possible to obtain under conditions as they then existed. Hence they insisted, successfully, as was then believed, that the legislation, including the 14th Amendment, should be so framed as not only to create national citizenship, as distinguished from State citizenship, but that it should be made the duty of the Federal Government to protect its own citizens, when necessary,[Pg 364] against domestic violence, to protect its citizens at home as well as when they are abroad. The closing clause of the 14th Amendment, therefore, declares that Congress shall have power to enforce the provisions of the amendment by appropriate legislation.

But Mr. Rhodes says the Congressional plan of Reconstruction was a failure. The defeat of the Republican party at the North, especially in 1874, he believes "was due to the failure of the Southern policy of the Republican party." In speaking of the action of President Hayes, he says: "Indeed it was the final admission of the Republican party that their policy of forcing Negro suffrage upon the South was a failure." Is it true that Reconstruction was a failure? That depends upon the view one takes of it. Admitting that some of the things expected of it by many of its friends and supporters were not fully realized, its failure even to that extent was, in a large measure, one of the results but not one of the contributory causes of the Democratic national victory of 1874. On the contrary, that policy was a grand and brilliant success.

In the first place, when the split between Congress and President Johnson took place, there was soon developed the fact that the enfranchisement of the blacks was the only plan which could be adopted and by which the one advocated by the President could be defeated. It had been seen and frankly admitted that the war for the preservation of the Union could not have been brought to a successful conclusion without putting the musket in the hands of the loyal blacks. The fact was now made plain that the fruits of the victory that had been won on the battlefield could not be preserved without putting the ballot in their hands. Hence, it was done.

Was this a mistake? Mr. Rhodes says it was; but the results prove that it was not. But for the enfranchisement of the blacks at the South at the time and in the way it was done the 14th and subsequently the 15th Amendment to the Federal Constitution never could have been ratified. The ratification of these two measures alone vindicated the[Pg 365] wisdom of that legislation. The 14th Amendment, among other things, made the colored people American citizens. It was, in effect, a recall of the famous Dred Scott decision. The 15th Amendment gave the colored American access to the ballot box, in every State in the Union. The fundamental principles that were carried into effect through the Reconstruction acts of Congress were embodied in these two amendments. After the ratification of these measures, what had previously been local to the South became national. No State north, south, east or west can now legally and constitutionally make or enforce any law making race or color the basis of discrimination in the exercise and enjoyment of civil and public rights and privileges, nor can it make race or color the basis of discrimination in prescribing the qualification of electors. By the ratification of those amendments the right of an American citizen to the exercise and enjoyment of civil and political rights and the right to vote ceased to be local and became national. But it is claimed by some that because the 15th Amendment has been successfully evaded in certain States, it is, for that reason, a failure. I will state here in passing, however, that there has never been made nor can be made any law or constitution that can not at certain times and in some places be successfully evaded. But this does not necessarily prove that the law or constitution in question was a mistake and should, for that reason, be repealed. To this extent and for the reasons and purposes above stated, the wisdom of the Reconstruction Acts of Congress has been more than vindicated.

The failure of the Reconstruction legislation was not due so much to the change of sentiment in the North as to an unwise interpretation of these laws. This started with two unfortunate decisions rendered by the United States Supreme Court, the result of two unwise appointments to seats on the bench made by President Grant. The Judges referred to are Waite of Ohio, and Bradley of New Jersey. Both were supposed to be Republicans and believed to be in[Pg 366] accord with the other leaders and constitutional lawyers in the Republican party in their construction of the War Amendments to the Federal Constitution. But they proved to be strong States' Rights men and, therefore, strict constructionists. Those two, with the other States' Rights men already on the bench, constituted a majority of that tribunal. The result was that the court declared unconstitutional and void, not only the national civil rights act, but also the principal sections of the different enforcement acts which provided for the protection of individual citizens by the Federal Government against domestic violence. National citizenship had been created by the 14th Amendment and the Federal Government had been clothed with power to enforce the provisions of that amendment. Legislation for that purpose had been placed upon the statute books and they were being enforced whenever and wherever necessary, as in the case of the lawless and criminal organization called the Ku Klux Klan. But the Supreme Court, very much to the surprise of every one, stepped in and tied the hands of the national administration and prevented any further prosecutions for violence upon the person of a citizen of the United States, if committed within the limits of any one of the States of the Union. In other words, if the State in which a citizen of the United States may reside can not, does not or will not protect him in the exercise and enjoyment of his personal, civil and political rights, he is without a remedy. The result is that the Federal Government is placed in the awkward and anomalous position of exacting support and allegiance from its citizens, to whom it can not in return afford protection, unless they should be outside the boundaries of their own country. By those unfortunate and fatal decisions the vicious and mischievous doctrine of States' Rights, called by some State sovereignty, by others local self government, which was believed to have perished upon the battlefields of the country, was given new life, strength and audacity, and fostered by the preaching of the fear of "Negro domination." The decision declaring[Pg 367] the Civil Rights Law unconstitutional was rendered by Mr. Justice Bradley, and nearly all of those by which the principal sections of the different enforcement laws were nullified, were rendered by Chief Justice Waite.

If in every southern State today no attempt were made to violate or evade the 15th Amendment and colored men were allowed free and unrestricted access to the ballot boxes and their votes were fairly and honestly counted, there would be no more danger of "Negro domination" in any one of these States than there is of female domination in States where women have the right to vote. All that colored men have ever insisted upon, was not to dominate but to participate, not to rule but to have a voice in the selection of those who are to rule. In view of their numerical strength the probabilities are that more of them would be officially recognized than in other sections of the country, but never out of proportion to their fitness and capacity, unless there should be a repetition of conditions that existed in the early days of Reconstruction, which is improbable. The dominant element in the Democratic party in that section at that time adopted, as stated above, the policy of "masterly inactivity" which was intended to prevent white men, through intimidation, from taking any part in the organization and reconstruction of the State governments, with a view of making the governments thus organized as odious and as objectionable as possible, in other words, to make them as far as possible "Negro governments." This policy proved to be somewhat effective in many localities. The result was the colored men found much difficulty in finding desirable white men outside of the Democratic party for the different local positions to be filled. This made it necessary in some instances for colored men to be selected to fill certain positions for which white men would have been chosen. But under the present order of things, a repetition of any thing of this sort would be wholly out of the question.

I can not close this article without giving expression to the hope that a fair, just and impartial historian will, some[Pg 368] day, write a history covering the Reconstruction period, in which an accurate account based upon actual facts of what took place at that time will be given, instead of a compilation and condensation of untrue, unreliable and grossly exaggerated statements taken from political campaign literature.

John R. Lynch,

Author of "The Facts of Reconstruction."

4352 Forrestville Avenue,
Chicago, Illinois

Footnotes:

[402]Lynch, "The Facts of Reconstruction," Chapter XI.

[403] The speech of R. B. Elliott in reply to A. H. Stephens in the debate on the Civil Rights Bill was admitted to be one of the most eloquent and scholarly speeches ever delivered in Congress. But Mr. Rhodes's preconceived opinions and prejudices were so firmly fixed that he was incapable of detecting anything in the acts or utterances of any colored member of either branch of Congress that deserved to be commended or favorably noticed.

[404] Rhodes, "History of United States," VII, 141.

[405] See Chapter 16 of Lynch, "The Facts of Reconstruction."

[406] See Chapter 8 of Lynch, "The Facts of Reconstruction."

[407] Ibid.

[408] Lynch, "Facts of Reconstruction," pp. 150-151.

[409] Rhodes, "History of the United States," VI, 35.

[410] Rhodes, "History of the United States," VI, 40.


[Pg 369]

The Struggle for the Recognition of Haiti and Liberia as Independent Republics

The doctrine of recognition as a principle of International law appeared in definite form at the close of the American Revolution. New states had arisen and successful revolutions had given birth to new governments.[411] In Washington's Neutrality Proclamation of 1793, the French Republic was recognized and the neutral position of America was announced.[412] These principles, developed later by Adams and Jefferson through application to the South American colonies which had declared their independence of Spain, marked the beginning of the well-defined international principle of recognition.[413]

Between 1810 and 1825, the Spanish colonies of Mexico, New Granada (Columbia), Venezuela, Peru, Buenos Ayres, Chile, Ecuador and Upper Peru (Bolivia) had revolted and rejected Spanish dominion.[414] In 1824, England recognized the independence of Buenos Ayres, Mexico and Columbia, and gave no heed to the assertion that this "tended to encourage the revolutionary spirit which it had been found so difficult to restrain in Europe."[415]

But before the Spanish colonies had gained their independence, and the spirit of democracy had begun to diffuse its light, movements were on foot to secure the recognition of Haiti. After its discovery by Columbus in 1492, Haitian soil was drenched with the blood of the Spaniard and the native. Civil wars were begun and bloody scenes were enacted.[416] In 1533, peace came between the natives and the[Pg 370] Spaniards. Soon thereafter, other Europeans began to arrive. The French and the English were attracted by the stories of riches and their chances for gain. The bloody struggles between these nations and the natives fill many pages of Haitian history.[417] The inhabitants took now the one side, now the other.

Led by Toussaint L'Ouverture, the cause of the French was championed. Finding the French yoke as heavy as the Spanish yoke, Toussaint struck for absolute liberty.[418] He was not, in a real sense, the liberator of the Haitians, as commonly supposed, but he was the precursor of their liberty.[419] His deportation aroused them to struggle with new vigor. Under Dessalines, one of the generals in the army of Toussaint L'Ouverture, the rebellion grew more successful, and on January 1, 1804, the army swore to abjure their allegiance to France forever, and thereupon declared the independence of Haiti.[420] Dessalines was chosen Governor-General and upon abolishing the name "Santo Domingo," the aboriginal name "Haiti" was reestablished.

The history of Haiti after 1804 is concerned with internal dissensions, and contentions with foreign powers. Haiti was not immediately recognized nor was she welcomed into the family of nations. Retaliatory measures were taken by her government to compel the powers to see the advantage in this recognition. Christophe, a contender for power with Pétion, one of the founders of the republic, issued in 1816 the proclamation that no negotiation would be entered upon with France unless the independence of the kingdom of Haiti,[421] political as well as commercial, be previously recognized.[Pg 371][422]

In 1823, the independence of Mexico, Columbia, and others was recognized by Great Britain, but Haiti after nineteen years of independence was not given this consideration.[423] As a result the British trade privileges were abolished and the import tax of 12 per cent. was levied on the products of all nations.[424]

Early indications of American commercial relations with Haiti and of an unsatisfactory condition may be discerned in the following resolutions, the first of which was submitted in the Senate, January 11, 1819:

"Resolved: that the President of the United States be requested to communicate to the Senate any information in his possession and which, in his opinion, the public interest may permit to disclose, relating to the seizure and detention of the property of American citizens by the government of Haiti, and the state of any negotiations to procure restitution."[425]

On December 31, 1822, the following resolution was submitted in the House:

"Resolved: that the committee on commerce be instructed to inquire into the present state of the trade and intercourse between the United States and the Island of Haiti, and report what measures would be necessary to improve the commerce between the two countries."[426]

[Pg 372]

As a matter of fact, the trade with Haiti was very important during this period. By the report of the Register's Office, 1825, Haiti ranked twenty-ninth in the list of countries trading with the United States.[427]

The actual presentation of the question to the country as a whole grew out of an invitation to attend the Panama Congress. In 1825, General Bolivar, leader of the South American revolutionists, invited the states north and south of the Isthmus to send delegates to a congress which would assemble at Panama. Formal invitations to attend the congress were received from Mexico, Guatemala and Columbia and others. The following suggestions were made as to questions to be considered: the interference of European powers in America, the recognition of Haiti, the slave trade and the formation of an American league.[428] That the recognition of Haiti was one of the objects of consideration is so stated among the lists of subjects in the Official Gazette of Columbia. The congress was to determine on what footing should be placed the political and commercial relations of those portions of our hemisphere, which had obtained their independence, but whose independence had not been recognized by any American or European power, as was for many years the case with Haiti.[429] Other evidence is found in a letter of the Columbian minister, Salazar: "On what basis the relations of Haiti, and of other parts of our Hemisphere that shall hereafter be in like circumstances, are to be placed," said he, "is a question simple at first view, but attended with serious difficulties when closely examined. These arise from the different manner of regarding Africans, and from their different rights in Haiti, the United States and in other American states. This question will be determined at the Isthmus, and if possible, an uniform rule[Pg 373] of conduct adopted in regard to it, or those modifications that may be demanded by circumstances."[430]

A special message was sent to Congress by President Adams on December 26, naming the delegates to this congress, and asking for an appropriation for expenses. Both Clay, then Secretary of State, and President Adams wished to extend the commercial power of the United States over the Americas, and they welcomed this opportunity. They disclaimed any desire to enter any league, but left poorly defined the objects which would be considered.[431]

The southern point of view, as expressed in the debates on this question, was that disaster awaited the Southern States, if the United States should send delegates to a congress in which Haitian representatives would sit, and which would consider the separation of Cuba and Porto Rico from Spain and the cessation of slavery. This viewpoint was expressed by Benton of Missouri, saying: "We buy coffee from her, and pay for it; but we interchange no consuls or ministers. We receive no mulatto consuls or black ambassadors. And why? Because the peace of eleven states in this Union will not permit the fruits of a successful Negro insurrection to be exhibited among them.... Who are to advise and sit in judgment upon it? Five nations who have already put the black man upon an equality with the white, not only in their constitutions but in real life; five nations who have at this moment (at least some of them) black generals in their armies and mulatto Senators in their Congresses."[432]

The same attitude was expressed by Hayne of South Carolina. "With nothing connected with slavery," said he,[Pg 374] "can we consent to treat with other nations, and least of all, ought we to touch the question of the independence of Haiti, in conjunction with revolutionary governments.... You find men of color at the head of their armies, in their legislative halls, and in their executive departments. They are looking to Hayti, even now, with feelings of the strongest fraternity and show, by the very documents before us, that they acknowledge her to be independent."[433] So far as the mission itself was concerned, these arguments were farfetched and served rather to delay the time of departure than to hinder it. The Senate confirmed the nomination and the House voted the expenses. The delegates arrived after the close of the sessions of the congress. Another session was to be held at Tacubaya, but because of dissensions this congress did not assemble. Therefore, the Panama Congress served only to excite debate on the slavery issue and the recognition question, and this last became a rallying cry for the opponents of the administration.

During the intervening years between 1825 and 1860, many memorials, petitions and recommendations were made to Congress respecting the recognition of Haiti. In June, 1838, a petition was received by the Senate from "certain citizens of the United States praying that a diplomatic representative be sent and commercial regulations be entered into with the Republic."[434] This, as others, was laid on the table. While this session continued, petitions were repeatedly presented. John Quincy Adams was the champion of this cause, as of that against the Gag Resolutions, and, again and again, it was through him that the memorials were presented.

Objections were frequently made to the presentation of these memorials. On December 19, Legaré of South Carolina said: "As sure as you live, Sir, if this course is permitted to go on, the sun of this Union will go down—it will go down in blood and go down to rise no more. I will vote[Pg 375] unhesitatingly against nefarious designs like these. They are treason."[435] In 1839, while the House was considering an outfit for a chargé d'affaires to Holland, Slade of Vermont began a speech in favor of appointing a diplomatic agent to Haiti. He spoke until the House refused to hear the continuation of his remarks.[436] A resolution was offered later to appoint a commercial agent to Haiti, but it was ruled out of order.[437] In the same year, the Committee on Foreign Affairs asked to be discharged from the "further consideration of sundry memorials asking for the opening of international relations with Haiti."[438] In spite of this request, the next year, 1840, petitions urging the recognition were continued.[439] That Garrison was active in this agitation of the abolition period is shown by the statement of Wise, of Virginia: "it is but part and parcel of the English scheme set on foot by Garrison, and to bring abolition as near as possible...."[440]

In 1844, the Committee on Foreign Affairs made a report on the subject of commercial intercourse with the republic of Haiti. Ten thousand copies were ordered to be printed.[441] As a result of this report, and the agitation of years back, a commission was appointed to Haiti in 1844 and again in 1851.[442] In the latter year, an invitation was made to the United States Government to join France and England in an offensive interference in Haiti.[443] The correspondence and the reports of one of the American Commissioners, Robert[Pg 376] Walsh, was made public in 1852, and they were widely discussed.[444] The reports were unjust and unfair estimations even of the Haitian commercial situation. A reliable estimate of the trade of Haiti with the United States, at this time, places the trade as equal to the total trade of Venezuela, Bolivia, Argentina, the Cisalpine Republics and Peru with the United States. Mexico, with more than sixteen times as large a population as Haiti, exported from the United States in 1851, $330,000 less than Haiti and used for the purpose 26,000 tons less of shipping.[445] And yet these countries were recognized as independent republics, while Haiti was denied that right.

European countries were not as slow as the United States in granting recognition to Haiti. England formally acknowledged the Republic in 1825, and sent a Consul-General.[446] An imperfect recognition was granted by Charles X of France, by sending Baron Mackau as his representative.[447] Its independence was recognized fully in 1838, after thirty-four years of independence. Two treaties were negotiated, one of them political, by which the independence of the republic was recognized; the other financial, by which the claims of the French colonists were reduced to sixty million francs.[448] This debt made Haiti almost a dependency of France for over sixty years.[38] Before 1860, all important countries had representatives in Haiti. Great Britain, Spain, Denmark, Holland, Belgium, Portugal, Sweden, Hanover and Austria were all duly chronicled in the Almanach de Gotha.[449] In the language of Frederick Douglass: "After Haiti had shaken off the fetters of bondage, and long after her freedom and independence had been recognized by all[Pg 377] other civilized nations, we continued to refuse to acknowledge the fact and treated her as outside the sisterhood of nations."

By act of Congress in 1819, the colony of Liberia was established. During the years following, groups of colonists left America for this shore.[450] The decade after 1832 was marked by the action of the independent State colonization societies. In 1847, the people of Liberia undertook self-government, which was adopted by popular vote. A later convention drew up a declaration of independence, and a new constitution modeled on that of the United States was adopted, July 26, 1847. In September, it was ratified by the people, and President Roberts took office, January 3, 1848.[451]

President Roberts set out on a voyage to the foreign countries with the intention of seeking favor for his country. In many countries, he was welcomed and his efforts were successful. In England, for example, not only was recognition secured, but also an armed vessel of small tonnage and a few guns were given him.[452] In the United States, not even the formal recognition of Liberia was obtained. This was due, in some measure, to the slavery question and the contention which was always aroused when any subject even remotely related thereto was presented.[453]

When Liberia declared its independence in 1848, the second Negro republic entered its demand for the recognition of its sovereignty by the United States. Henry Clay, one of the early officers of the American Colonization Society, wrote in a letter dated Ashland, October 18, 1851: "I have thought for years that the independence of Liberia ought to be recognized by our government, and I have frequently[Pg 378] urged it upon persons connected with the administration and I shall continue to do so if I have suitable opportunity."

England recognized the independence of Liberia in 1848 and France in 1852.[454] In 1855 treaties were formed with the Hanseatic Republics, Lubeck, Bremen and Hamburg, with Belgium in 1858, with Denmark in 1861, with Italy and the Netherlands in 1862, with Holland, Sweden, Norway and Haiti in 1864, with Portugal and Denmark in 1865 and Austria in 1867.[455] For a period of years the United States had maintained a commercial agent at Monrovia and at Gaboon.[456] It was evident to those acquainted with the commercial situation that recognition was desirable, for both of these Republics.[457]

In 1859, the leading northern newspapers carried advertisements from the Haitian government, offering homes with land and free passage to those unable to provide the same.[Pg 379] A reply was published in the Tribune addressed especially to the free people of color of Missouri and the North. A significant clause in this reply said: "Remember that when you pass beyond the limits of the United States, the government and laws of this country cease to protect you."[458] A circular was sent out in 1860, addressed to the "Blacks, Men of color, and Indians in the United States and British North American Provinces," and after calling attention to the prosperous condition of the country, added "that our relations with the powers represented in Haiti are on a footing of perfect harmony."[459]

The triumph of the Republican party in 1860 foreshadowed the exclusion of slavery from the territories, and the ultimate ruin of the institution. Six weeks after Lincoln's election, South Carolina had adopted the Ordinance of Secession, and the Gulf States soon followed. There were only four slave-holding States with representatives in Congress, Delaware, Maryland, Kentucky and Missouri. At the opening of the 37th Congress, 1861, the President's message contained the following: "If any good reason exists why we should persevere longer in withholding our recognition of the independence and sovereignty of Haiti and Liberia, I am unable to discern it. Unwilling, however, to inaugurate a novel policy in regard to them without the approbation of Congress, I submit to your consideration the expediency of an appropriation for maintaining a Chargé d'Affaires near each of these states. It does not admit of doubt that important commercial advantages might be secured by favorable treaties with them."[460] Commenting on Lincoln's message, Garrison terms it "feeble and rambling" and he "could find nothing in it to praise except the recommendation that Congress should recognize the independence and sovereignty of Haiti and Liberia."[Pg 380][461]

The 45th annual report, January 21, 1862, of the American Colonization Society contained a section calling attention to the message.[462] The board of managers of the Pennsylvania Colonization Society took note of the same, May, 1862.[463] Newspapers and magazines took up the agitation. The Philadelphia North American said: "It is high time that Congress should recognize Liberia as an independent, self-sustaining government. Such a measure would be perfectly comformable to the principles, policy and direct interests of our country."[464]

On February 4, 1862, Charles Sumner from the Committee on Foreign Relations, introduced a bill "authorizing the President to appoint Diplomatic Representatives to the Republics of Haiti and Liberia respectively. Each Representative so appointed is to be accredited as Commissioner and Consul-General and is to receive, out of any money in the Treasury not otherwise appropriated, the compensation of commissioners provided for by Act of Congress, approved August 18, 1856; but the compensation of the Representative at Liberia is not to exceed $4,000."[465] With the introduction of the bill, Sumner spoke at some length, favoring the passage of the bill.[466] Following the speech of Sumner, the opposition arose. Davis, of Kentucky, said: "If after such a measure should take effect, the Republic of Haiti and the Republic of Liberia were to send their Ministers Plenipotentiary or their Chargé d'Affaires to our government, they would have to be received by the President and by all the functionaries of the government upon the same terms of equality with similar representatives from other powers. If a full-blooded Negro were sent in that capacity from[Pg 381] either of the two countries, by the laws of nations he could demand that he be received precisely on the same terms of equality with the white representative from the powers on the earth composed of white people."[467] This sentiment of the opposition, however, was expressed in harsher terms in some instances. Through Saulsbury, of Maryland, this sentiment again was: "How fine it will look, after emancipating the slaves in this District, to welcome here at the White House an African, full-blooded, all gilded and belaced, dressed in court style, with wig and sword and tights and shoe-buckles and ribbons and spangles and many other adornments which African vanity will suggest;" and "If this bill should pass the Houses of Congress and become a law, I predict that in twelve months, some Negro will walk upon the floor of the Senate and carry his family into that which is apart for foreign Ministers. If that is agreeable to the tastes and feelings of the people of this country, it is not to mine...."[468]

To these attacks, Sumner replied: "I content myself with a single remark. I have more than once had the opportunity of meeting citizens of those republics and I say nothing more than truth when I add that I have found them so refined, and so full of self-respect that I am led to believe no one of them charged with a mission from his government will seek any society where he will not be entirely welcome."[469] A letter from the Commercial Agent at Port au Prince was read, urging immediate recognition in order to counteract "the schemes of foreign powers"; adding further that "the Haitians believed that when the present administration came into power in the United States, our former coldness and neglect would cease; and they feel and do not hesitate to express a bitter disappointment that nothing has yet been done."[470] The bill was passed by the Senate, by a vote of 32 yeas to 7 nays. In the House, it was championed[Pg 382] by Gooch of Massachusetts and passed by a vote of 86 yeas to 37 nays, and with the President's signature became a law. In November, 1864, a treaty of friendship, commerce and navigation was signed between the United States and Haiti.[471] A similar treaty was signed with Liberia.[472]

Both of the Republics have felt deeply indebted to Charles Sumner for the passage of this bill. The Liberian Commissioners, Alexander Crummell, Edward Blyden, and J. D. Johnson, expressed thanks for his discretion in securing its passage.[473] The republic of Haiti as late as 1871 manifested its gratitude for his continued interest in its welfare by presenting him with a medal and by an order that his portrait be placed in its capitol.[474] The A. M. E. Church, representing thousands of Negroes in the United States, expressed the sentiment of this people in a resolution adopted in August, 1862, to the effect "that, in the noble act of the United States Senate in passing a law recognizing the independence of Haiti and Liberia, we see the hand of God in a movement which we regard as ominous of good for the race."[475]

Thus after Haiti had been an independent power for sixty years and Liberia for fifteen years, the government of the United States granted recognition to them as independent republics, on the eve of the death of the slave system. Under the average circumstances, prompt recognition may have come as the result of the efforts of the nations[Pg 383] themselves, as in the case of the republic of Texas.[476] But because of the unusual circumstance which the adoption of recognition for Negro republics would produce—holding some as slaves and recognizing others as equals—these republics were forced to ally themselves with the opponents of slavery and to encourage the presentation of their case through the champions of anti-slavery in the legislative halls. Without regard to their more recent internal politics and modern difficulties, the recognition of these republics as independent powers forms one of the great landmarks in the Negro's progress toward democracy, and justice.

Charles H. Wesley

Footnotes:

[411] Paxson, "Independence of South American Republics," pp. 17-18.

[412] Foster, "A Century of American Diplomacy," p. 154.

[413] Reddaway, "The Monroe Doctrine," p. 15.

[414] Robinson and Beard, "The Development of Modern Europe," Vol. 2, p. 22.

[415] Ibid., p. 27.

[416] Leger, "Haiti, Her History and Distractors," p. 22.

[417] Madiou (fils) describes the mutual cruelties of the French and natives. "l'Histoire d'Haiti."

[418] Leger, "Haiti," p. 125.

[419] In this struggle 50,000 Frenchmen were lost. Gastonnet des Fosses. "La Perte d'une Colonie," p. 34.

[420] Bird, "The Black Man or Haytian Independence (1869)," p. 60.

[421] Christophe assumed the title of king of Haiti in 1811.

[422] Leger, "Haiti," p. 168.

[423] During the presidency of Boyer (1818-1848) several invitations were sent to the free colored people of the United States to migrate to Haiti. Agents were sent and plans to cooperate with colonization groups in America were encouraged. The constitution of 1843 abolished the presidency for life, which was held by Boyer, and instituted a service for four years. The Republic is still governed by the stipulations of this constitution. Leger, p. 179.

[424] Seger, Haiti, p. 179.

America was subjected to these taxes as shown by: "While the citizens of France are scarcely affected in their importations to Haiti, the Americans here import and our merchants at home export scarcely any article that is free."—"Commercial Relations," Vol. 1, p. 560.

[425] Annals of Congress, 15th Congress, 2d Session, p. 113. This resolution was agreed to and the Committee was appointed.

[426] Annals of Congress, 17th Congress, 2d Session, p. 477. Agreed to without debate.

[427] Report of Register, Treasury Department, Gale and Seaton's Register of Debates, appendix, 18th Congress, 2d Session.

[428] Bassett, "History of United States," p. 383.

[429] Official Gazette of Columbia, February, 1826. Quoted by Hayne, 19th Cong., 1st Session, Gale and Seaton's Register, p. 156.

[430] Gale and Seaton's Register, 19th Cong., 1st Session, p. 329. General Bolivar, himself, was kindly disposed to Haiti, as disclosed by the correspondence which passed between President Pétion and the General, just previous to the revolution in Venezuela. 4,000 rifles, provisions and ammunition were given by Haiti to the expedition.—"Expedition de Bolivar par le Senateur Marion aine," pp. 41-43, 1849.

[431] Cf. "Messages and Papers of the Presidents," Richardson, 1789-1897, Vol. 2, p. 320.

[432] Gale and Seaton's Register, 1825-1826, p. 330.

[433] Gale and Seaton's Register, 1825-1826, p. 166.

[434] Congressional Globe, 25th Congress, 2d Session, p. 457.

[435] National Intelligencer, December 19, 21, 1838.

[436] Congressional Globe, 25th Congress, 3d Session, p. 219.

[437] Ibid., p. 220.

[438] Ibid., p. 241, March 4, 1839.

[439] Ibid., 26th Congress, 1st Session, p. 164.

[440] Garrison and Garrison, "Life of Garrison," Vol. 2, p. 248. Liberator, 9:3.

[441] Congressional Globe, 28th Congress, 1st Session, p. 504.

[442] Clark, "United States Intervention in Hayti (1852)," p. 4.

[443] Ibid., p. 21. In 1844, San Domingo seceded and became the Dominican Republic. Frequent quarrels ensued between the two parts of the Island. Therefore the reason for this suggestion for interference. Cf. "San Domingo and the United States," John Bassett Moore, Review of Reviews, March, 1905, p. 298.

[444] Clark, p. 30. Congress. Globe, 32d Cong., 1st Session, p. 1769.

[445] Clark, p. 28.

[446] Sir Spencer St. John, "Hayti or The Black Republic," p. 86.

[447] Ibid., p. 380.

[448] Leger, "Recueil des traités et Conventions de la Republique d'Haiti," 23.

[449] Congress. Globe, 37th Congress, 2d Session, p. 1775. Speeches of Chas. Sumner, published variously, Washington, April 23, 1862, p. 6. Cf. "Contre la Reconnoissance de la Republique Haitienne (1825)" par M. Coustelin. La Norman père Librairie, Paris.

[450] Cf. Kennedy's "Colonization Report."

[451] McPherson, "History of Liberia," Johns Hopkins University Studies, 9th Series, X, p. 34.

[452] Ibid., p. 39.

[453] Ibid., p. 38. "But the delicacy with which the dissension on the slavery question made it necessary to handle every subject remotely bearing on that bone of contention, prevented him (Roberts) from obtaining even the formal recognition of Liberia."

[454] Congress. Globe, 37th Cong., 2d Session, p. 2500.

[455] "Treaties and Conventions concluded between the Republic of Liberia and Foreign Powers, 1848-1892," pp. 9, 17, 23, 30, published by the Department of State, Monrovia, Liberia.

[456] Congress. Globe, 37th Cong., 2d Session, p. 2501.

[457] This is quite evident from the fact that in 1860, out of 60 countries trading with the United States, Haiti stood 27th and Liberia 29th. (Statistical View of Commerce of United States, exhibiting the value of exports to and imports from foreign countries, and the number and tonnage of American and foreign vessels arriving from and departing to each foreign country during the fiscal year ending June 30, 1860, Treasury Department, Register's Office, April 21, 1862.)

John L. Wilson, commercial agent at Cape Haytien, wrote, June 5, 1854: "By a recognition of the Independence of Hayti, our commerce would be likely to advance still more. Our citizens trading there would enjoy more privileges, besides standing on a better footing. Many decided advantages might be obtained through treaty and our own government would exercise a wholesome influence over theirs, of which it stands much in need."—"Commercial Relations," Vol. 4, p. 509.

Seth Webb, commercial agent at Port au Prince, wrote, December 12, 1861: "I must say with frankness to the Department, that I find my position much embarrassed by the failure of our government to take any steps toward acknowledging the nationality of Haiti, or entering into the usual relations of country, which exist between neighboring peoples."—To Hon. Wm. H. Seward, Sec. of State, U. S. Commercial Agency, Port au Prince.

[458] April 18, 1850. Quoted in N.Y. Tribune, November 9, 1860.

[459] Ibid., November 9, 1860.

[460] "Messages and Papers of the Presidents," Vol. 4, p. 47.

[461] Garrison and Garrison-Garrison, Vol. 4, p. 33. Liberator, 31: 194.

[462] African Repository, February, 1862, p. 41.

"The Executive Committee of the American Colonization Society observe with deep interest that the President of the United States has in his late message recommended that the Republic of Liberia should be acknowledged as independent. They also notice his recommendation of some plan of colonization for free people of color in some clime congenial to them."

[463] Ibid., May, 1862, p. 157.

[464] Ibid., April, 1862, p. 111.

[465] Congress. Globe, 37th Cong., 2d Session, February 4, 1862.

[466] Congress. Globe, 37th Cong., 2d Session, February 4, 1862.

[467] Globe, 37th Congress, 2d Session, p. 1806.

[468] Ibid., pp. 2501-2506.

[469] Ibid., p. 1807.

[470] Seth Webb to Seward, Sec. of State, December 12, 1861.

[471] La Republique d'Haiti et les Etats-Unis de l'Amérique, désirant rendre durables et solides l'amitié et la bonne entente, qui règnent heureusement entre les deux nations liberales, ont resolu de fixer d'une manière claire, nette et positive les règles qui devront être, à l'avenir, religieusement suivies entre l'une et l'autre, au moyen d'un traité d'amitié, de commerce et de navigation, ainsi que d'extradition de criminels fugitifs.—Leger, "Recueil des Traites," etc., p. 84.

[472] "Treaties and Conventions concluded between the Republic of Liberia and Foreign Powers, 1848-1892."

[473] Grimké, "Chas. Sumner," p. 343.

[474] Chas. Sumner's Works, Vol. XIV, pp. 306-309, XV, pp. 270-272. Memoirs and Letters of Chas. Sumner, E. L. Pierce, pp. 68-69.

[475] The African Repository, August, 1862, p. 255. This was passed after thanking the Liberian Commissioners, who had addressed them.

[476] Resolution of the Senate: Resolved, that the independence of Texas ought to be acknowledged by the United States whenever satisfactory information shall be received that it has in successful operation a civil government capable of performing the duties and fulfilling the obligations of an independent power.—Journal of the Senate, July 1, 1836.


[Pg 384]

Three Negro Poets: Horton, Mrs. Harper, and Whitman[477]

With the exception of a few noteworthy individuals, conscious literary effort on the part of the Negro in America is, of course, a matter of comparatively recent years. Decades before Emancipation, however, there were those who yearned toward poetry as a means of artistic expression, and sought in this form to give vent to their groping, their striving, and their sorrow. Handicapped as they were, scores of these black bards must forever remain unknown. Even after the Civil War those who had gifts were frequently held back by insufficient education or the lack of other advantages of culture. At least three persons, however, in the long period between Phillis Wheatley and Paul Dunbar, deserve not wholly to pass unnoticed. These were George Moses Horton, Mrs. Frances Ellen Watkins Harper, and Albery A. Whitman. Each one of these poets had faults and even severe limitations as an artist. Each one had also, however, a spark of the divine fire that occasionally even kindled a flame.

George M. Horton was born a slave in Chatham County, North Carolina, in 1797. Later he became the property of one Hall Horton, son of James, who, from all accounts, was a very hard master. George, however, was permitted to hire his time out at Chapel Hill, the seat of the University of North Carolina, where by some accounts he received twenty-five cents a day for his labor, by others fifty cents. He was very ambitious. He was fond of the melodies and hymns sung at campmeetings, and learned to read largely by matching the words he knew in the hymnal to those in a spelling-book. Many people of distinction became interested in his abilities; several legends exist as to[Pg 385] his instructors; and Dr. Caldwell, president of the University, was for some years a special patron. George's earliest poetical compositions, however, had to be written down for him by other people. His work was infused with his desire for freedom, and much of it was suggested by the common evangelical hymns, as were the following lines:

Alas! and am I born for this,
To wear this slavish chain?
Deprived of all created bliss,
Through hardship, toil, and pain?
How long have I in bondage lain,
And languished to be free!
Alas! and must I still complain,
Deprived of liberty?
. . . . . . . . . . . . . . . . . . . . . . . . .
Come, Liberty, thou cheerful sound,
Roll through my ravished ears;
Come, let my grief in joys be drowned,
And drive away my fears.

Some of Horton's friends undertook to help him publish a volume of his poems so that from the sale of these he might purchase his freedom and go to the new colony of Liberia. The young man now became fired with ambition and inspiration. Thrilled by the new hope he wrote

'Twas like the salutation of the dove,
Borne on the zephyr through some lonesome grove,
When spring returns, and winter's chill is past,
And vegetation smiles above the blast.

Horton's master, however, demanded for him an exorbitant price, and when the booklet, The Hope of Liberty, appeared in 1829 it had nothing of the sale that was hoped for. He lived for years as a janitor at the University, executed small commissions for verse from the students, who treated him kindly, and in later years even went to Philadelphia; but his old dreams had faded. Several reprintings of his poems were made, however, and one of these was bound with the 1838 edition of Phillis Wheatley's poems. He died in 1880 (by other accounts 1883). A scholarly article about[Pg 386] him was written for the Southern Workman of October, 1914, by Mr. Stephen B. Weeks, who in turn owed much to the researches of Prof. George S. Wills.

Horton's work showed readily the influence of his models. He used especially the meter of the common evangelical hymns, and cultivated the vague personification of the poets of the eighteenth century. He himself, however, was essentially a romantic poet, as was evinced by his fondness for Byron and Marlowe. His common style is represented by the following lines from his poem entitled On the Evening and Morning:

When Evening bids the Sun to rest retire,
Unwearied Ether sets her lamps on fire;
Lit by one torch, each is supplied in turn,
Till all the candles in the concave burn.
. . . . . . . . . . . . . . . . . . . . . . . . . . . . .
At length the silver queen begins to rise,
And spread her glowing mantle in the skies,
And from the smiling chambers of the east,
Invites the eye to her resplendent feast.

The passion in the heart of this man, his undoubted gifts as a poet, and the bitter disappointment of his yearnings have all but added one more to the long list of those who died with their ambitions blasted and their most ardent hopes defeated.

In 1854 appeared the first edition of Poems on Miscellaneous Subjects, by Frances Ellen Watkins, commonly known as Mrs. Frances E. W. Harper, who was for many years before the public and who is even now remembered by many friends. Mrs. Harper was a woman of strong personality and could read her poems to advantage. Her verse was very popular, not less than ten thousand copies of her booklets being sold. It was decidedly lacking in technique, however, and much in the style of Mrs. Hemans. The Death of the Old Sea King, for instance, is in the ballad style cultivated by this poet and Longfellow; but it is not a well-sustained effort. Mrs. Harper was best when most simple, as when in writing of children she said:[Pg 387]

I almost think the angels
Who tend life's garden fair,
Drop down the sweet white blossoms
That bloom around us here.

The secret of her popularity is to be seen in such lines as the following from Bury me in a Free Land:

Make me a grave where'er you will,
In a lowly plain or a lofty hill;
Make it among earth's humblest graves,
But not in a land where men are slaves.
I could not rest if around my grave
I heard the steps of a trembling slave:
His shadow above my silent tomb
Would make it a place of fearful gloom.
. . . . . . . . . . . . . . . . . . . . . . . . .
I ask no monument, proud and high,
To arrest the gaze of the passers-by;
All that my yearning spirit craves
Is bury me not in a land of slaves.

Of the Emancipation Proclamation she wrote:

It shall flash through coming ages,
It shall light the distant years;
And eyes now dim with sorrow
Shall be brighter through their tears.

While Mrs. Harper was still prominently before the public appeared Albery A. Whitman, a Methodist minister, whose important collection, Not a Man and Yet a Man, appeared in 1877, and whose long and ambitious poem, Twasinta's Seminoles, or The Rape of Florida (the latter title being the one most used), was issued in 1884. This writer had great love for his work. In the preface to his second volume he wrote of poetry as follows: "I do not believe poetry is on the decline. I do not believe that human advancement extinguishes the torch of sentiment. I can not think that money-getting is the whole business of man. Rather am I convinced that the world is approaching a poetical revolution. The subtle evolution of thought must yet be expressed in song. Poetry is the language of[Pg 388] universal sentiment. Torch of the unresting mind, she kindles in advance of all progress. Her waitings are on the threshold of the infinite, where, beckoning man to listen, she interprets the leaves of immortality. Her voice is the voice of Eternity dwelling in all great souls. Her aims are the inducements of heaven, and her triumphs the survival of the Beautiful, the True, and the Good. In her language there is no mistaking of that liberal thought which is the health of mind. A secret interpreter, she waits not for data, phenomena, and manifestations, but anticipates and spells the wishes of Heaven."

The work of Whitman himself is exceedingly baffling. It is to his credit that something about his work at once commands judgment by the highest standards. If we consider it on this basis, we find that it is diffuse, exhibits many lapses in taste, is faulty metrically, as if done in haste, and shows imitation on every hand. It imitates Whittier, Longfellow and Tennyson; Scott, Byron and Moore. The Old Sac Village and Nanawawa's Suitors are very evidently Hiawatha over again, and Custer's Last Ride is simply another version of The Charge of the Light Brigade. And yet, whenever one has about decided that Whitman is not worthy of consideration, the poet insists on a revision of judgment; and he certainly could not have imitated so many writers so readily, if he had not had some solid basis in appreciation. The fact is that he shows a decided faculty for brisk, though not sustained, narration. This may be seen in The House of the Aylors. He has, moreover, a romantic lavishness of description that in spite of all technical faults still has some degree of merit. The following quotations, taken respectively from The Mowers and The Flight of Leeona, with all their extravagance, will exemplify both his weakness and his strength in description:

The tall forests swim in a crimson sea,
Out of whose bright depths rising silently,
Great golden spires shoot into the skies,
Among the isles of cloudland high, that rise,
Float, scatter, burst, drift off, and slowly fade,[Pg 389]
Deep in the twilight, shade succeeding shade.
. . . . . . . . . . . . . . . . . . . . . . . . . . . . . . .
And now she turns upon a mossy seat,
Where sings a fern-bound stream beneath her feet,
And breathes the orange in the swooning air;
Where in her queenly pride the rose blooms fair,
And sweet geranium waves her scented hair;
There, gazing in the bright face of the stream,
Her thoughts swim onward in a gentle dream.

In A Dream of Glory occur the lines,

The fairest blooms are born of humble weeds,
That faint and perish in the pathless wood;
And out of bitter life grow noble deeds
To pass unnoticed in the multitude.

The Bards of England discusses many poets. The following is the passage on Byron:

To Missolonghi's chief of singers too,
Unhappy Byron, is a tribute due—
A wounded spirit, mournful and yet mad,
A genius proud, defiant, gentle, sad;
'Twas he whose Harold won his Nation's heart,
And whose Reviewers made her fair cheeks smart;
Whose uncurbed Juan hung her head for shame,
And whose Mazeppa won unrivaled fame.
Earth had no bound for him. Where'er he strode
His restless genius found no fit abode.

Whitman's shortcomings become readily apparent when he attempts sustained work. The Rape of Florida is the longest poem yet written by a Negro in America, and also the only attempt by a member of the race to use the elaborate Spenserian stanza throughout a long piece of work. The story is concerned with the capture of the Seminoles in Florida through perfidy and the taking of them away to their new home in the West. It centers around three characters, Palmecho, an old chief, Ewald, his daughter, and Atlassa, a young Seminole who is Ewald's lover. The poem is decidedly diffuse; there is too much subjective description, too little strong characterization. Palmecho, instead of being a stout warrior, is a "chief of peace and[Pg 390] kindly deeds." Stanzas of merit, however, occasionally strike the eye. The boat-song forces recognition as genuine poetry:

"Come now, my love, the moon is on the lake;
Upon the waters is my light canoe;
Come with me, love, and gladsome oars shall make
A music on the parting wave for you,—
Come o'er the waters deep and dark and blue:
Come where the lilies in the marge have sprung,
Come with me, love, for Oh, my love is true!"
This is the song that on the lake was sung,
The boatman sang it over when his heart was young.

It is important to note in a consideration of Whitman's method that while he is writing a story about Indians he frequently leaves this to tell how he feels as a Negro. The following stanzas, however, are pertinent to present-day discussion:

'Tis hard to judge if hatred of one's race,
By those who deem themselves superior-born,
Be worse than that quiescence in disgrace,
Which only merits—and should only—scorn!
Oh! let me see the Negro, night and morn,
Pressing and fighting in, for place and power!
If he a proud escutcheon would adorn,
All earth is place—all time th' auspicious hour,
While heaven leans forth to see, oh! can he quail or cower?
Ah! I abhor his protest and complaint!
His pious looks and patience I despise!
He can't evade the test, disguised as saint,
The manly voice of freedom bids him rise,
And shake himself before Philistine eyes!
And, like a lion roused, no sooner than
A foe dare come, play all his energies,
And court the fray with fury if he can!
For hell itself respects a fearless manly man.

In 1890 Whitman brought out an edition of Not a Man and Yet a Man and The Rape of Florida, adding to these a collection of miscellaneous poems, Drifted Leaves, and in 1901 he published An Idyl of the South, an epic poem in[Pg 391] two parts. It is to be regretted that he did not have the training that comes from the best university education. He had the taste and the talent to benefit from such culture in the greatest degree.

This brief review of the work of three earnest members of the race prompts a few reflections on the whole art of poetry as this is cultivated by the Negro in America. If we may make any reasonable deduction from the work of the poets studied, if we may arrive at any conclusion from the work of Paul Laurence Dunbar and the younger writers of the day, we should say that the genius of the race is subjective and romantic rather than objective and classic. In poetry, least of all arts, does the Negro conceal his individuality. This is his great gift, but also in another way the spur to further achievement. The race should in course of time produce many brilliant lyric poets. Dunbar was a lyric poet; so was Pushkin. The drama and the epic obviously call for more extended information, a more objective point of view, and a broader basis in general culture than many members of the race have so far had the time or the talent or the inclination to give to them.

Again, has one ever asked himself why it is that so much of the poetry of the Negro fails to reach the ultimate standards of art? It certainly is not because of lack of imagination, for God has been generous in the imagery with which he has endowed the race. First of all, last of all, is it not the matter of technique? Many booklets of verse that have been issued show that the writers had not mastered even the ordinary fundamentals of English grammar. For one to think of rivalling Tennyson with his classical tradition when he can not make a clearcut English sentence is out of the question. Further, and this is the most important point, the work of those in question almost never exhibits imagination expressed in intense, condensed, vivid, and suggestive phrase—such phrasing, for instance, as one will find in "The Eve of St. Agnes," which I am not alone in considering the most lavishly brilliant and successful brief effort in poetry in the language. To all of this might be added a[Pg 392] refining of taste, something all too frequently lacking and something that can come only from the most arduous and diligent culture. When we further secure such things as these the race may indeed possess not only a Horton, a Harper, or a Whitman, but a Tennyson, a Keats, and even a Shakespeare.

Benjamin Brawley

Footnotes:

[477] This paper was read at the biennial meeting of the Association held in Washington, D. C., on August 29, 1917.


[Pg 393]

Catholics and the Negro

In order to understand and to gain an adequate idea of what Catholics and their ancient Church have done for the American Negro, it is necessary to take into account the facts and testimony of impartial history in regard to human slavery among the nations, and the influence which the Roman Catholic Church brought to bear on that institution. We must study and remember the conditions and customs in pre-Christian times in regard to slaves, and we should also note the gradual transition from the state of things existing in the heathen world to that prevailing in our modern Christian civilization.

The student of history observes that ideas and principles take their rise and, growing, permeate society, bringing about a change in the morals and manners of a nation. These changes, which may be for good or evil, do not come of a sudden. Even during the Christian ages the principles of the gospel do not always prevail in their fulness and beauty. At times, through the passions of men, non-Christian and pagan ideas gain ground and for a time predominate. It is only by dealing tactfully with human nature and by persistent efforts that the Church has been enabled to make Christian ideals prevail.

At the dawn of Christianity, slavery was an established institution in all countries.[478] Some pagan philosophers, like Seneca, maintained that all men are by nature free and equal, still by the law of nations slavery was upheld in all lands; and it was an axiom among the ruling classes, that "the human race exists for the sake of the few." Aristotle held that no perfect household could exist without slaves and freemen and that the natural law, as well as the law of nations, makes a distinction between bond and free.[479] Plato[Pg 394] avowed that every slave's soul was fundamentally corrupt and should not be trusted.[480] The proportion of slaves to freemen varied in different countries, though usually the former were largely in excess of the free population. In Rome for a long time, according to the testimony of Blair, the slaves were three to one. At one time they became so formidable there that the Senate, fearing that if conscious of their own numbers the public safety might be endangered, forbade them a distinctive dress. Atrocious laws regulated the relations of master and slaves. The head of the family was absolute master of his slaves, having over them the power of life and death. Moral and social degradation was the common lot of slaves. Their wretched condition in pagan times was often rendered more intolerable by aggravating circumstances. Many of them had once enjoyed the blessings of freedom, but had been reduced to bondage by the calamities of war. Unlike the Negro slaves of America, they were usually of the same color as their masters; and in some instances, better educated, more refined, and of more delicate frame, than those whom they served. Epictetus, one of the ablest of the Stoic philosophers, was a slave. Horace and Juvenal were the sons of freedmen.[481]

There is something of the ruthlessness of the ancient pagans in the atrocities practiced in later times, and even in our day, by the Mohammedans in Africa. Livingstone, Cameron, and still more recently Cardinal Lavigerie, Archbishop of Carthage, who was furnished with information by his missionaries, declare that at least 400,000 Negroes are annually carried into bondage in Africa by Mussulman traders, and that fully five times that number perish either by being massacred in the slave hunt, or from hunger and hardship on the journey. Thus the lives or liberty of an immense number of the human race are each year sacrificed on the altars of lust and mammon. No pagan government of antiquity ever framed any law aiming at the immediate[Pg 395] or gradual extinction of slavery. The same is true of modern nations outside the pale of Christianity.[482]

With the life and teaching of Christ and the preaching of his gospel by his Apostles, began a new era in the history of slavery. The Apostles and their successors pursued a policy that without injustice, violence or revolution, led to the gradual emancipation of the slaves. The labors and influence of the Roman Catholic Church, which have been that of organized Christianity, make a long story, reaching through all the Christian ages. The early Church mitigated the condition of the slave, by teaching him the consoling doctrines of Christ. She taught the slave and master reciprocal duties, prescribing laws that exercised a salutary restraint on the authority of the one, and sanctified the obedience of the other; she contributed to the moral elevation of the slave by leveling all distinctions between bond and free in her temples and religious assemblies.[483] Masters were encouraged to emancipate their slaves by a public ceremony of manumission celebrated in the church on festival days. The dignity and duty of labor for all is inculcated by St. Paul and the early Christian teachers in opposition to the pagan practice, which scorned labor as being only fit for slaves. The absolute religious equality proclaimed in the Church was the negation of slavery as practiced by pagan society. The Church made no account of the social condition of the faithful. Bond and free received the same sacraments. Clerics of servile origin were numerous. The very Chair of St. Peter was occupied by men who had been slaves—Pius in the second century and Callistus in the third.[484] The names of slaves are numbered among the martyrs of the Christian faith and they are inscribed on the calendar of saints honored by the Church.

In giving them a place in religious society, the Church restored to slaves the family and marriage. In Roman law, neither legitimate marriage nor regular paternity, nor even[Pg 396] any impediment to the most unnatural unions had existed for the slave. In upholding the moral dignity and prerogatives of the slave, the Church was striking a blow for his civil freedom. Though she was not charged with the framing of the civil laws, she moved the hearts of the slaveowners by moral suasion, and she moulded the conscience of legislators by an appeal to the innate rights of men. In the early Fathers of the Church, like St. Gregory of Nyssa and St. John Chrysostom, the most energetic reprobation of slavery may be found.

The redemption of captives was another work which engaged the pious solicitude of the Church. From the fourth to the fourteenth century Europe was periodically a prey to northern invaders. The usual fate of the vanquished was death or slavery. They who escaped were carried into bondage. A more wretched fate awaited the female sex, for they were reserved to gratify the caprices of their conquerors. Religious orders were founded to succor and redeem them.[485] "Closely connected with the influence of the Church," says Mr. Lecky, "in destroying hereditary slavery, was its influence in redeeming captives from servitude. In no other form of charity was its beneficial character more continually and more splendidly displayed."[486]

Among the forces enlisted in the cause of freedom the most potent came from the Papacy. In every age the voice of the Popes resounded clearly throughout the world in the interests of human freedom. They either commended the slaves to the humanity of their masters, or advocated their manumission, and also condemned the slave trade with all its abuses. Pope Gregory the Great, who occupied the chair of Peter from 590 to 604, wrote: "Since our Blessed Redeemer, the Author of all life, in His goodness assumed our human flesh, in order that by breaking the bond of servitude in which we were held, the grace of His divinity might restore us to our original liberty, it is a wholesome deed by the benefits of emancipation to restore the freedom in which[Pg 397] they were born, to men whom nature, in the beginning brought forth free, and whom the law of nations has subjected to the yoke of slavery."[487]

On October 7, 1462, Pope Pius II issued a letter in which he reproved and condemned the slave trade then carried on. Again, a short time later Leo X denounced slavery in 1537. Paul III forbade the enslavement of the Indians. In the later centuries on the revival of slavery by some of the nations, especially among those coming under the power of Mohammedanism in Persia, Arabia, Turkey and Africa, as also on account of the enslavement of Negroes and Indians in the Americas, other Popes proclaimed the Christian law in regard to the cruelties of the slave trade. Again Urban VIII, in 1639, and Benedict XIV, in 1741, were defenders of the liberty of the Indians and blacks even though they were not as yet instructed in the Christian faith.[488] In 1815, Pius VII demanded of the Congress of Vienna the suppression of the slave trade. In the Bull of Canonization of St. Peter Claver, one of the most illustrious adversaries of slavery, Pius IX speaks of the "supreme villainy" of the slave-traders. Gregory XVI, in 1839, published a memorable[Pg 398] encyclical in which the following strong language occurs:

"By virtue of our Apostolic office, we warn and admonish in the Lord all Christians of whatever conditions they may be, and enjoin upon them that for the future, no one shall venture unjustly to oppress the Indians, Negroes or other men whoever they may be, to strip them of their property, or reduce them into servitude, or give aid or support to those who commit such excesses or carry on that infamous traffic by which the blacks, as if they were not men, but mere impure animals reduced like them into servitude, contrary to the laws of justice and humanity, are bought, sold and devoted to endure the hardest labor. Wherefore, by virtue of our Apostolic authority, we condemn all these things as absolutely unworthy of the Christian name."[489]

Probably the most memorable statement of the history and Catholic position on slavery is the beautiful letter which Pope Leo XIII, in 1888, addressed to the Brazilian Bishops, exhorting them to banish from their country the remnants of slavery—a letter to which the Bishops responded with their most energetic efforts. Some generous slave-owners freed their slaves in a body, as in the first ages of the Church. Catholic Brazil emancipated its slaves without war or bloodshed. The following are some extracts from the Pope's letter:

"The condition of slavery, in which a considerable part of the human family has been sunk in squalor and affliction now for many centuries, is deeply to be deplored; for the system is one wholly opposed to that which was originally ordained by God and by nature. The Supreme Author of all things so decreed that man should exercise a sort of royal dominion over beasts and cattle and fish and fowl, but never that man should exercise a like dominion over his fellow-man. * * * * * * * * * Monuments, laws, institutions, through a continuous series of ages, teach and splendidly demonstrate the great love of the Church towards slaves, whom in their miserable condition, she never left destitute of protection, and always to the best of her power alleviated. Therefore, praise and thanks are due to the Catholic Church, since she has merited it[Pg 399] in the prosperity of nations, by the very great beneficence of Christ, our Redeemer and banisher of slavery, and cause of true liberty, fraternity and equality among men. Toward the end of the fifteenth century, when the base stain of slavery was almost blotted out from among Christian nations, the Catholic Church took the greatest care that the evil germs of such depravity should nowhere revive. Therefore, she directed her provident vigilance to the newly-discovered regions of Africa, Asia and America, for a report had reached her that the leaders of the expeditions, Christians though they were, were wickedly making use of their arms and ingenuity to establish and impose slavery on those innocent nations. Indeed, since the crude nature of the soil which they had to overcome, nor less the wealth of metals which had to be extracted by mining, required very hard work, unjust and inhuman plans were entered into; for a new traffic was begun, slaves being transported for that purpose from Ethiopia, which at that time, under the name of the slave trade, too much occupied those colonies."[490]

The fact that the Catholic Church has been a leader of mankind to light and Christian liberty is attested by leading non-Catholic scholars and historians. The historian Lecky, who holds no brief for Catholicism, says: "The Catholic Church was the very heart of Christendom and the spirit that radiated from her penetrated into all the relations of life. Catholicism laid the very foundations of modern civilization. Herself the most admirable of all organizations, there was formed beneath her influence, a vast network of organizations—political, municipal and social—which supplied a large proportion of the materials of almost every modern structure. In the transition from slavery to serfdom, and in the transition from serfdom to liberty, she was the most zealous, the most unwearied and the most efficient agent."[491] The French Protestant Guizot says: "There can be no doubt that the Catholic Church struggled resolutely against the great vices of the social state—against slavery,[Pg 400] for instance. These facts are so well known that it is needless for me to enter into details."[492]

Speaking of the development of the colored race under Catholic influence, Dr. Blyden, a noted Negro scholar, wrote in Frazer's Magazine for May, 1870, the following words, which he afterwards incorporated into his Christianity, Islam, and the Negro Race:

"The thoughtful and cultivated Protestant Negro, though he may, ex animo, subscribe to the tenets of the particular denomination to which he belongs, as approaching nearest to the teaching of God's word, yet he cannot read history without feeling a deep debt of gratitude to the Roman Catholic Church. The only Christian Negroes who have had the power to successfully throw off oppression and maintain their position as freemen were Roman Catholic Negroes—the Haitiens; and the greatest Negro the Christian world has yet produced was a Roman Catholic—Toussaint L'Ouverture. In the ecclesiastical system of modern, as was the case in the military system of ancient Rome, there seems to be a place for all races and colors. At Rome the names of Negroes, males as well as females, who have been distinguished for piety and good works, are found in the calendar under the designation of saints."[493]

Coming to America, we find that from the beginning of our history, the Christian forces, which in the past strove to civilize and Christianize the old world, have exerted themselves in behalf of the oppressed in the New World. Catholic missionaries have always felt constrained to carry out the injunction of the Divine Savior to his apostles, "Go ye into the whole world and preach the Gospel to every creature."[494] Their object was not to gain gold or worldly fortune,[Pg 401] but to bring the light of Christian truth to the minds of savage aborigines; to win souls to Christ. To those missionaries, as the Church teaches, the souls of the children of all races are equally precious in the sight of God, whatever may be their individual or racial character. It is for this that they left in young manhood, their relatives and comfortable homes, with a probability of never returning. In early ages, they brought Christianity and civilization to peoples and nations of the lands of the Eastern Hemisphere. After the discovery of the New World by Columbus, they were with the explorers of North and South America. From about 1615 we find them laboring among the Indian tribes from Quebec in Canada to California in the West. Intrepid apostles like Marquette, Breheuf, Menard, Millet, Lallemant, Jogues, Le Moyne, Dablon, Garnier, and a host of others like them blazed the way through the wilderness to labor and suffer and die for the salvation of the Indians. They made records in the service of Christ among the Hurons, Algonquins, Iroquois and Mohawks. To the South, in Florida, Spanish Franciscans fell victims to the treachery of Creeks and Seminoles. In the middle of the last century, before the coming of the settlers, Father De Smet spent nearly forty years among the tribes of the great Western plains and in the Rocky Mountain region. Other missionaries in Western Canada penetrated the North as far as the Arctic Circle. In the seventies and eighties of the nineteenth century, a frail and slender man, in the person of the learned and saintly Archbishop Charles J. Seghers, journeyed thousands of miles, to bring the message of the Master to the red men in the vast territory of distant Alaska. In California, Arizona and Texas, the traveler meets with many evidences and monuments of the work of early Spanish Catholic missionaries among the Indians. The records show that in some instances, the missionaries were accompanied by Negroes. Probably the first Negro whose name is recorded in North American history is that of Estevan, or Stephen, who accompanied Father Marcos de Niza, in 1536, on a missionary[Pg 402] expedition into the territory of the present States of Arizona and New Mexico.[495]

It is at a later period, however, than that of these early missionaries, that the coming of the Negro as a notable part of the population of the American Colonies begins. This growth takes its rise with the revival of the slave trade in America after the first importation of slaves brought to Jamestown, Virginia, in 1619. There was long a demand for laborers, and thus an increasing number of slaves were brought from Africa to the various colonies on the Atlantic seaboard, from Massachusetts to Louisiana. British ships at that time supplied not only English colonies with slave labor, but also those of France and Spain.[496] Catholic colonists were confined to Maryland and Louisiana. They also had slaves in their homes and on their plantations, but it is known that they provided for their religious needs and were obliged by their religion to regard their slaves as human beings and not as mere chattels. Under Lord Baltimore's government in the English Colony of Maryland, the Catholic Proprietary himself tells us in his answer to the Lords in 1676, concerning the law that had been enacted "to encourage the baptizing and the instructing of those kinds of servants in the faith of Christ."[497] There had been remissness towards the slaves in this respect among other sections of the population, but such denominations were spurred to action by the example of Catholics. The work of Spanish and French missionaries, as Dr. Woodson points out, influenced the education of the Negro throughout America.[498] The freedom and welfare of the unhappy slaves were especially promoted in the famous "Code Noir," the most humane legislation in their behalf which had been devised before the repeal of slavery. In 1724, M. de Bienville drew up the "Code Noir," containing all the legislation applicable to slaves in Louisiana, which remained in force until[Pg 403] 1803. This code, signed in the name of the King, and inspired by Catholic teaching and practice, was probably based on a similar code, which was promulgated in 1685, in Santo Domingo, by Louis XIV, King of France. The Edict ordained that all slaves be instructed and that they be admitted to the sacraments and rites of the Roman Catholic Church. It allowed the slave time for instruction, worship and rest, not only every Sunday, but every festival usually observed by the Church. It prohibited under severe penalties all masters and managers from corrupting their female slaves, and provided for the Christian marriage of the slave. It did not allow the Negro, husband, wife or infant children, to be sold separately. It forbade the use of torture or immoderate and inhuman punishments. It obliged the owners to maintain their old and decrepit slaves. If the Negroes were not fed or clothed as the law prescribed, or if they were in any way cruelly treated, they might apply to the procurer, who was obliged by his office to protect them. A somewhat similar edict, known as the Spanish Code, was promulgated in the Spanish West Indies in 1789.

At the time of the Revolutionary War such Catholic patriots as Charles Carroll, of Carrollton, the Polish General Kosciuszko, and General Lafayette, of France, gave evidence of their interest in the improvement of the Negro. Kosciuszko provided in his will that the property which he acquired in America should be used for the purchase of slaves to be educated for higher service and citizenship.[499] Lafayette persistently urged that the blacks be educated and emancipated.[500]

The impression seems to prevail in some quarters that the Catholic Church in the United States has been indifferent to the welfare of the Negro. Sir Harry H. Johnston in his work, The Negro in the New World, rather unjustly asserts that the Church maintains "nothing in the way of Negro education and has never at any time shown particular sympathy or desire to help the Negro slave." At the[Pg 404] same time he acknowledges that the Roman Catholic Church in the West Indies and South America has been the great opponent of slavery. Johnston states "that the infractions of the Code Noir," and the increased mal-treatment of slaves and free mulattoes did not take place until the Catholic order of Jesuits had been expelled from Saint Dominique about 1766. Here, as in Brazil, and Paraguay, they had exasperated the white colonists by standing up for the natives or the Negro slaves; and in Hispaniola they had endeavored to exact from the local government a full application of the various slave-protecting edicts. Whatever faults and mistakes they may have been guilty of in the nineteenth century, the Jesuits played, for two hundred years, a noble part in acting as a buffer between the Caucasian on the one hand, and the backward peoples on the other.[501]

Before the emancipation of the slaves in the United States, great difficulties prevented the Catholic Church from benefiting the slaves, especially in those parts where the Church had no adherents and no freedom to act. The Church had but a limited number of clergy and small means. The most of the South was predominantly Protestant and in some sections, penal laws were in force against Catholics. In many States laws were enacted against the instruction of slaves in any manner whatever.

Notwithstanding these obstacles, we find Catholic schools in Washington and Baltimore educating Negro children as early as 1829.[502] The Rt. Rev. John England, the first Catholic Bishop of Charleston, South Carolina, who held his office from 1820 until his death in 1842, cared much for the poor friendless slaves. He began to teach them, founding a school for males under the care of a priest, and a school for girls under the care of the Sisters of Mercy. He was compelled to suspend the slave schools by the passage of a law making it criminal to teach a slave to read and write, but he[Pg 405] continued the schools for emancipated blacks.[503] After the Civil War, the authorities of the Church were better enabled to take an active part in meeting the religious needs of the Negro. The Plenary Councils of Baltimore invite the colored people of our country to enter the Catholic Church. To her pastors the Negro is a man with an immortal soul to save. Rome, writing to the Bishops of the United States, on January 31, 1866, in preparation for the Second Plenary Council of Baltimore, declares: "It is the mind of the Church that the Bishops of the United States, because of the duty weighing upon them of feeding the Lord's flock, should take council together, in order to bring about in a steady way the salvation and the Christian education of the lately emancipated negroes." When assembled in Council the Bishops of the United States cordially seconded the wishes of Rome by quoting the very words in an entire chapter devoted to the question of the salvation of the colored race. The Council declares: "This is true charity, if not only temporal prosperity of men be increased, but if they are sharers in the highest and inestimable benefits, namely, of that true liberty by which we are called and are sons of God, which Christ, dying on a cross and smiting the enemy of the human race, obtains for all men without any exceptions whatsoever."[504] Eighteen years later, in 1884, the Third Plenary Council, in the same city, renewed the exhortations of the preceding council. Among other things it states: "Out of six millions of colored people there is a very large multitude who stand sorely in need of Christian instruction and missionary labor; and it is evident that in the poor dioceses, in which they are mostly found, it is most difficult to bestow on them the care they need without the generous cooperation of our Catholic people in more prosperous localities.... Since the greatest part of the Negroes are as yet outside the fold of Christ, it is a matter of[Pg 406] necessity to seek workmen inflamed with zeal for souls, who will be sent into this part of the Lord's harvest."[505]

With the encouragement of the higher authorities of the Church, who sought the spiritual welfare and progress of the race, religious orders and missionary associations took up the work for the Negro. The first of these was the Fathers of the Society of St. Joseph, founded by Cardinal Vaughan, of England. They are known as the Josephites and now have priests and missionaries in nearly all Southern States and dioceses. There are also laboring in this field Fathers of the Holy Ghost, as also members of the Society of the African Missions, and the Society of the Divine Word. Furthermore, there are a number of colored and white Sisterhoods conducting orphanages, academies and Christian Schools for colored children.

In the Second and Third Plenary Councils, the Bishops of the Catholic Church in the United States as a body took up the cause of the Negro race. The Bishops have when occasion offered, by word and deed, shown their friendship and zeal in behalf of the Negro. They have individually raised their voices for humanity and the black man. Cardinal Gibbons, who has long been the leading prelate among the American Bishops, has not only often spoken a good word for the Negro, when the occasion called for it, but has proved by actions his Christian spirit and heroic charity. Among the many instances of his zeal and self-sacrifice, it is related that when he was a young priest in charge of the parish of Elk Ridge, near Baltimore, smallpox broke out in the village, and a general exodus at once followed. One old Negro man, lying at the point of death, had been abandoned by his family and was left alone in his cabin, without food or medicine. Father Gibbons, hearing of the case, hastened to the old man's relief; he procured everything necessary for him, and stood by and tended him until he died. He then procured a coffin and having placed the corpse in it, carried it to the graveyard and buried it with[Pg 407] his own hands.[506] A similar incident is told of Rev. J. A. Cunnane, of Upper Marlboro, Maryland, now a pastor in Baltimore. When stationed in Charles County he attended an old colored man during an epidemic of smallpox, "took the body to the grave on a wheelbarrow, and with his own hands buried it."[507]

Cardinal Gibbons, some years ago, wrote a letter in which occur the following sentiments:

"What then is the first need of the colored people? A sound religious education; an education that will bring them to a practical knowledge of God, that will teach them their origin and the sublime destiny that awaits them in a better world; an education that will develop their superior being, that will inspire them with the love of wisdom and hatred for sin, that will make them honest, moral and God-fearing men. Such an education will elevate and ennoble them and place them on a religious footing with the white man.

"And secondly, it is a matter of observation that few colored people are mechanics. Now, to be a factor in their country's prosperity, to make their presence felt and to give any influence whatever to their attempts to better their status, it is absolutely necessary that, besides a sound religious training they should be taught to be useful citizens; they should be brought up from childhood to habits of industry. They should be taught that to labor is honorable, and that the idler is a menace to the commonwealth. Institutions should be founded wherein the young men may learn the trades best suited to their inclinations. Thus equipped—on the one hand well-instructed Christians, on the other skilled workmen—our colored people may look forward hopefully to the future. I am happy to bear testimony from personal observation to the many virtues exhibited among so many of the colored people of Maryland, especially their deep sense of religion, their gratitude for favors shown, and their affectionate disposition."[508]

The Cardinal used his great influence against the lynching[Pg 408] evil and in an article in the North American Review for October, 1905, pronounced lynching "a blot on our American civilization."[509] It should be stated too that in Catholic countries of Central and South America we rarely ever hear of lynching nor of unnatural crimes which provoke it. In an address announcing "Colorphobia" as a "malignantly unchristian disease," Mr. John C. Minkins, a journalist, not long ago told a Baptist Ministers' Conference of Providence, Rhode Island, that the lynchings in the United States are nearly all in States where there are scarcely any Catholics. He based his statements on figures from the Research Bureau of the Negro Industrial Institute at Tuskegee, Alabama.[510]

In March, 1904, Cardinal Gibbons wrote the following letter to the Rev. George F. Bragg, of Baltimore:

"In reply to your letter of yesterday, I hasten to say that the introduction of the 'Jim Crow' bill into the Maryland Legislature is very distressing to me. Such a measure must of necessity engender very bitter feelings in the colored people against the whites. Peace and harmony can never exist where there is unjust discrimination, and where the members of every community must constantly strive for its peace, especially now in the hour of our affliction. While calamity and disaster are frowning upon our city, mutual helpfulness should be the common endeavor and no action should be lightly taken which would precipitate enmities, strife and acrimonious feelings. The duty of every man is to lighten the burdens that weigh heavily upon his neighbor to the full extent of his power. It is equally the duty of every member of a community to avoid any action which is calculated to make hard and bitter the lot of a less fortunate race. Furthermore, it would be most injudicious to make the whole race suffer for the delinquencies of a few individuals, to visit upon thousands who are innocent that punishment and chastisement which should be meted out to the guilty alone."

Hostile legislation to the colored people was opposed by a noted Catholic layman of Maryland, the Hon. Charles J. Bonaparte, Attorney General of the United States, under[Pg 409] President Roosevelt. Mr. Bonaparte rendered service and wrote sympathetic words to Mr. Bragg, in 1904, concerning the proposed restriction of the elective franchise. He said: "Whatever the restrictions imposed, they should be the same for all citizens; there should not be one law for white men and another law for black men, one law for Americans of two generations and another for Americans of three."[511]

The distinguished Archbishop of St. Paul, Minnesota, John Ireland, a man of wide influence, on May 5, 1890, spoke on the race problem in a sermon delivered at St. Augustine's Church, Washington, D. C. Secretary Windom, Recorder Bruce, the whole Minnesota delegation to Congress and many Senators and others prominent in public life were among the congregation. The bold and outspoken stand of the Archbishop on this occasion created somewhat of a sensation throughout America. Among other things he said:

"It make me ashamed as a man, as a citizen, as a Christian, to see the prejudice that is acted against the colored citizens of America because of his color. As to the substance, the colored man is equal to the white man; he has a like intellect, the same blood courses in their veins; they are both equally the children of a common Father, who is in heaven. A man shows a narrowness of mind and becomes unworthy of his humanity by refusing any privilege to his fellowman because he is colored. Every prejudice entertained, every breach of justice and charity against a fellow-citizen because of color is a stain flung upon the banner of our liberty that floats over us. No church is a fit temple of God where a man, because of his color, is excluded or made to occupy a corner. Religion teaches that we cannot be pleasing to God unless we look upon all mankind as children of our Father in heaven. And they who order and compel a man because he is colored to betake himself to a corner marked off for his race, practically contradict the principles of justice and of equal rights established by the God of Mercy, who lives on the altar. Let Christians act out their religion, and there is no more race problem. Equality for the colored man is coming. The colored people are showing themselves worthy of it. Let the colored be industrious, purchase homes, respect law and[Pg 410] order, educate themselves and their children, and keep insisting on their rights. The color line must go; the line will be drawn at personal merit."[512]

There may be cited other instances of the friendly interest of leading prelates and Bishops of the Church in the welfare of the Negro and of care for their spiritual interests. They have ever been anxious that justice be done to the race. The late Pope Pius X, sometime before his death, wrote a letter through his secretary to the Rt. Rev. Thomas S. Byrne, Bishop of Nashville, Tennessee, saying that he "most earnestly wishes that the work of the Apostolate to the colored people, worthy of being encouraged and applauded beyond any other undertaking of Christian civilization, may find numerous and generous contributors."

Joseph Butsch

St. Joseph's Seminary,
Baltimore, Md.

Footnotes:

[478] Dollinger, "The Gentile and the Jew," II, p. 265.

[479] Aristotle, "Politics," I, 3-4.

[480] Plato, "The Laws," VI, p. 233.

[481] Cardinal Gibbons, "Our Christian Heritage," pp. 416-420.

[482] Cardinal Gibbons, "Our Christian Heritage," p. 432.

[483] Cardinal Gibbons, "Our Christian Heritage," pp. 429-430.

[484] P. Allard, "Les Esclaves Chretiens," p. 215.

[485] Cardinal Gibbons, op. cit., p. 436.

[486] Lecky, "History of European Morals," Vol. II, p. 76.

[487] St. Gregory I, "Letter VI."

[488] In treating of an early period of Spanish American history, undue importance seems to be given by some writers and historians, such as Bancroft, Robertson and Blyden, to the fact that Bartholomew de Las Casas, Bishop of Chiapa, when before the Court of Charles V of Spain, in 1517, counseled that Negro slaves take the place of Indians, as he considered the Negroes a hardier race. Other reliable authorities, such as Fiske and MacNutt, claim that Las Casas merely tolerated for a time, what already existed and what he could not prevent. All agree that Las Casas in later life bitterly regretted having approved of slavery under any form or condition whatever. John Fiske, in his "The Discovery of America," Vol. II, p. 458, says, "that the life work of Las Casas did much to diminish the volume of Negro slavery and the spiritual corruption attendant upon it." This non-Catholic writer furthermore declares that "when the work of Las Casas is deeply considered, we cannot make him anything else but an antagonist of human slavery in all its forms, and the mightiest and most effective antagonist, withal, that has ever lived." F. A. MacNutt in his work "Bartholomew De Las Casas," page 98, speaks of him in like manner. In connection with Negro slavery in the West Indies it should be said that the famous Cardinal Ximenes, of Spain, had protested already in 1516 against the recruiting of Negro slaves in Africa as then carried on for the West Indies.

[489] Cardinal Gibbons, op. cit., p. 434.

[490] Leo XIII to the Bishops of Brazil in a Letter dated Rome, May 5, 1888. Among the strong opponents of slavery before and during the Civil War in America was the noted Catholic philosopher and publicist, Orestes A. Brownson. His views on slavery and allied questions are found in his "Works," Vol. XVII, edited by his son, Henry F. Brownson.

[491] Lecky, "History of Rationalism," Vol. II, pp. 31-32.

[492] Guizot, "History of Civilization," Lect. VI.

[493] Blyden, "Christianity, Islam and the Negro Race," p. 46. A recent work entitled "Slavery in Germanic Society During the Middle Ages," by Dr. Agnes Wergeland, late professor of history in the University of Wyoming, throws light on the work of the Church in behalf of the oppressed and enslaved. In the preface of this book Prof. J. F. Jameson, of the Carnegie Institution of Washington, declares that "we cannot hope to attain a true understanding of American slavery in some of its essential aspects unless we are somehow made mindful of the history of slavery as a whole."

[494] Mark, 16-15.

[495] Details of this expedition are found in "The Franciscans in Arizona," by Fr. Zephyrim Englehardt, O.F.M.

[496] French "Historical Collections of Louisiana," Vol. III, p. 89.

[497] Russell, "Maryland, The Land of Sanctuary," p. 268.

[498] Woodson, "The Education of the Negro Prior to 1861," pp. 23-42.

[499] African Repository, XI, 294-295.

[500] Woodson, "The Education of the Negro Prior to 1861," pp. 99, 121.

[501] Johnston, "The Negro in the New World," pp. 142-401.

[502] Woodson, "The Education of the Negro Prior to 1861," p. 139, quoting Special Report of U. S. Com. of Ed., 1871, pp. 205-206.

[503] McElrone, Memoir to "Bishop England's Works," Vol. I, XIV.

[504] Acts and Decrees of the Second Plenary Council of Baltimore, p. xxviii; also No. 484, p. 244.

[505] Acts and Decrees of the Third Plenary Council of Baltimore, No. 239, p. 134.

[506] This brings to mind the fact that, in one burial lot in Calvary Cemetery, Memphis, Tennessee, lie the bodies of twenty-one priests and some fifty Catholic Sisters who fell victims of yellow fever, while nursing the sick during the great epidemics which raged in that city during 1873 and 1878.

[507] Reilly, "Life and Times of Cardinal Gibbons," Vol. II, p. 47.

[508] Riley, "Passing Events in the Life of Cardinal Gibbons," App. X.

[509] Will, "Life of Cardinal Gibbons," p. 361.

[510] Judge Thomas Lee, in "America," p. 495, New York, March, 1917.

[511] Bragg, "Men of Maryland," p. 131.

[512] Riley, "Passing Events in the Life of Cardinal Gibbons," p. 365.


[Pg 411]

Documents

Letters of George Washington Bearing on the Negro

In bringing together here the important expressions of George Washington reflecting his attitude toward the Negro, no claim to the discovery of something new is made. Our aim is rather to publish these extracts in succinct form for the convenience of those who may be interested in this field. While it is to be regretted that we have not here a large collection of such materials, these are adequate to give one a better conception of what Washington thought about the Negro than can be usually obtained from secondary works.

Complying with the custom of transporting troublesome blacks to the West Indies,[513] Washington addressed Captain John Thompson the following July 2, 1766:

"Sir:

"With this letter comes a Negro (Tom), which I beg the favour of you to sell, in any of the Islands you may go to, for whatever he will fetch and bring me in return for him.

"One hhd of best molasses
One ditto of best rum
One barrell of lymes if good and cheap
One pot of tamarinds containing about 10 Ibs.
Two small ditto of mixed sweetmeats about 5 lbs. each.

"And the residue, much or little, in good old spirits. That this fellow is both a rogue and a runaway (tho' he was by no means remarkable for the former, and never practiced the latter till of late) I shall not pretend to deny—But he is exceeding healthy, strong, and good at the hoe the whole neighbourhood can testifie and particularly M. Johnson and his son, who have both had him under them as foreman of the gang; which gives me reason to hope[Pg 412] he may, with your good management, sell well, if kept clean and trim'd up a little when offered for sale.

"I shall cherfully allow you the customary commissions on this affair, and must beg the favour of you (least he shoud attempt his escape) to keep him handcuffd till you get to sea—or in the bay—after which I doubt not but you may make him very useful to you.

"I wish you a pleasant and prosperous passage, and a safe and speedy return, being Sir

"Yr Yery Hble. Servt.

"Go. WASHINGTON."[514]

The question as to whether Washington wanted Negroes in the army has often been raised. Addressing a Committee of Congress January 28, 1778, Washington said in part:

"Gentlemen,

"The difficulty of getting waggoners and the enormous wages given them would tempt one to try any expedient to answer the end of easier and cheaper terms. Among others it has occurred to me whether it would not be eligible to hire negroes in Carolina, Virginia and Maryland for the purpose. They ought however to be freemen, for slaves could not be sufficiently depended on. It is to be apprehended they would too frequently desert to the enemy to obtain their liberty, and for the profit of it, or to conciliate a more favorable reception would carry off their wagon horses with them."[515]

The student finds it difficult to determine exactly what was Washington's attitude toward the enlistment of Negro soldiers. When that question was extensively agitated Laurens wrote Washington:

"Had we arms for three thousand such black men as I could select in Carolina, I should have no doubt of success in driving the British out of Georgia, and subduing East Florida before the end of July."

To this Washington replied:

[Pg 413]

"The policy of our arming slaves is in my opinion a moot point, unless the enemy set the example. For, should we begin to form Battalions of them, I have not the smallest doubt, if the war is to be prosecuted, of their following us in it, and justifying the measure upon our own ground. The contest then must be who can arm fastest, and where are our arms? Besides I am not clear that a discrimination will not render slavery more irksome to those who remain in it. Most of the good and evil things in this life are judged by comparison; and I fear a comparison in this case will be productive of much discontent in those, who are held in servitude. But, as this is a subject that has never employed much of my thoughts, these are no more than the first crude Ideas that have struck me upon ye occasion."[516]

Writing to Lieutenant Colonel John Laurens, July 10, 1782, concerning his plan to arm Negroes to defend the South, he said:

"My Dear Sir:

"The last post brought me your letter of the 19th of May. I must confess that I am not at all astonished at the failure of your plan. That spirit of freedom, which at the commencement of this contest would have gladly sacrificed every thing to the attainment of its object, has long since subsided, and every selfish passion has taken its place. It is not the public but private interest, which influences the generality of mankind, nor can the Americans any longer boast an exception. Under these circumstances, it would rather have been surprising if you had succeeded nor will you I fear succeed better in Georgia."[517]

From his headquarters October 24, 1781, Washington wrote David Ross the following concerning Negroes who had been recaptured during the Revolutionary War:

"Sir:

"In answer to your Queries of Yesterday, the Negroes that have been retaken, from whatever State, whose owners do not appear, should all be treated in the same manner, and sent into the Country to work for their Victuals and Cloathes, and advertised in the States they came from. Those from N. York, are most probably the property of Inhabitants of that State and N. Jersey, and should[Pg 414] be there Advertised. If any officers, knowing who the owners are, will undertake to send them home, they may be delivered to them. The other steps taken by you, are proper and Expedient. The Negroes may be furnished with two days' Provisions to carry them to Williamsburg, where there is a State Commissary.

"I am etc.,"[518]

In a letter to Colonel Bland in 1783 Washington took up one of the important questions arising at the close of the Revolution. This was the return of the slaves carried off by the British:

"Sir,

"Head Quarters 31st March, 1783.

"The Article in the provisional Treaty respecting Negroes, which you mention to Sir Guy Carleton, had escaped my Notice, but upon a recurrence to the Treaty, I find it as you have stated. I have therefore tho't it may not be amiss to send in your Letter to Sir Guy, and have accordingly done it.

"Altho I have Servants in like predicament with yours, I have not yet made any attempt for their recovery.

"Sir Guy Carleton's reply to you will decide upon the propriety or expediency of any pursuit to obtain them. If that reply should not be transmitted thro my Hands, I will thank you for a Communication of it.

"With much Regard, I am &c."[519]

Writing to Sir Guy Carleton about the same question on May 6, 1783, Washington said:

"Respecting the other point of discussion, in addition to what I mentioned in my communication of the 21st ultimo, I took occasion in our conference to inform your Excellency, that, in consequence of your letter of the 14th of April to Robert R. Livingston, Esquire, Congress had been pleased to make a further reference to me of that letter, and had directed me to take such measures as should be found necessary for carrying into effect the several matters mentioned by you therein.[520] In the course of our conversation[Pg 415] on this point, I was surprised to hear you mention, that an embarkation had already taken place, in which a large number of negroes had been carried away. Whether this conduct is, consonant to, or how far it may be deemed an infraction of the treaty, is not for me to decide. I cannot, however, conceal from you, that my private opinion is, that the measure is totally different from the letter and spirit of the treaty. But, waving the discussion of the point, and leaving its decision to our respective sovereigns, I find it my duty to signify my readiness, in conjunction with your Excellency, to enter into any agreement, or to take any measures, which may be deemed expedient, to prevent the future carrying away of any negroes, or other property of the American inhabitants. I beg the favor of your Excellency's reply, and have the honor to be, &c."[521]

In the substance of the conference between Gen. Washington and Sir Guy Carleton, at an interview at Orangetown, 6th May, 1783, one gets a still better idea of the attitude of Washington on this question:

"General Washington opened the Conference by observing that he heretofore had transmitted to Sir Guy Carleton the resolutions of Congress of the 15th ulto, that he conceived a personal Conference would be the most speedy & satisfactory mode of discussing and settling the Business; and that therefore he had requested[Pg 416] the Interview—That the resolutions of Congress related to three distinct matters, namely, the setting at Liberty the prisoners, the receiving possession of the posts occupied by the British Troops, and the obtaing. the Delivery of all Negroes & other property of the Inhabitants of these States in the possession of the Forces or subjects of, or adherents to his Britannic Majesty.—That with respect to the Liberation of the prisoners, he had, as far as the Business rested with him, put it in Train, by meetg. & conferring with the Secretary of War, & concertg. with him the proper measures for collecting prisoners & forwarding them to N. York, and that it was to be optional with Sir Guy, whether the prisoners should march by land, or whether he would send Transports to convey them by Water—and that the Secty. of War was to communicate with Sir Guy Carleton on the subject & obtain his Determination.

"With respect to the other two Matters which were the Objects of the Resolutions, General Washington requested the Sentiments of General Carleton.

"Sir: Guy then observed that his Expectations of a peace had been such that he had anticipated the Event by very early commencing his preparations to withdraw the British Troops from this Country—and that every preparation which his situation & circumstances would permit was still continued—That an additional Number of Transports, and which were expected, were necessary to remove the Troops & Stores—and as it was impossible to ascertain the Time when the Transports would arrive, their passage depending on the casualties of the Seas, he was there unable to fix a determinate period within which the British forces would be withdrawn from the City of New York—But that it was his desire to exceed even our own Wishes in this Respect, & That he was using every means in his power to effect with all possible despatch an Evacuation of that & every other post within the United States, occupied by the British Troops, under his Direction—That he considered as included in the preparations for the final Departure of the B. Troops, the previously sending away those persons, who supposed that, from the part they had taken in the present War, it would be most eligible for them to leave the Country—and that upwards of 6,000 persons of this Character had embarked & sailed—and that in this Embarkation a Number of Negroes were comprised—General Washington therefore express his Surprize, that after what appeared to him an express Stipulation to the contrary[Pg 417] in the Treaty, Negroes the property of the Inhabitants of these States should be sent off.

"To which Sir: Guy Carleton replied, that he wished to be considered as giving no construction of the Treaty—That by Property in the Treaty might only be intended Property at the Time, the Negroes were sent off—That there was a difference in the Mode of Expression in the Treaty; Archives, Papers, &c., &c., were to be restored—Negroes & other property were only not to be destroyed or carried away. But he principally insisted that he conceived it could not have been the Intention of the B. Government by the Treaty of Peace, to reduce themselves to the necessity of violating their faith to the Negroes who came into the British Lines under the proclamation of his Predecessors in Command—That he forebore to express his sentiments on the propriety of those proclamations, but that delivering up the Negroes to their former Masters would be delivering then up some possible to Execution, and others to severe punishments, which in his Opinion would be a dishonorable violation of the public Faith, pledged to the Negroes in the proclamations—That if the sending off the Negroes should hereafter be declared in Infraction of the Treaty, Compensation must be made by the Crown of G. Britain to the Owners—that he had taken measures to provide for this, by directing a Register to be kept of all the Negroes who were sent off, specifying the Name, Age & Occupation of the person, and the Name, & Place of Residence of his former Master. Genl. Washington again observed that he conceived this Conduct on the part of Genl. Carleton, a Departure from both the Letter and Spirit of the Articles of Peace;—and particularly mentioned a difficulty that would arise in compensating the proprietors of Negroes, admitting this infraction of the Treaty can be satisfied by such a compensation as Sir Guy had alluded to, as it was impossible to ascertain the Value of the Slaves from any Fact or Circumstance which may appear in the Register,—the Value of a Slave consisting chiefly in his Industry and Sobriety—& Genl. Washington mentioned a further Difficulty which would attend Identifying the Slave, supposing him to have changed his own and to have given a wrong Name of his Master—In answer to which Sir Guy Carleton said, that as the Negroe was free & secured against his Master, he could have no inducement to conceal his own true Name or that of His Master—Sir Guy Carleton then observed that by the Treaty he was not held to deliver up any property but was only restricted[Pg 418] from carrying it way—and therefore admitting the interpretation of the Treaty as given by Genl. Washington to be just, he was notwithstanding pursuing a Measure which would operate most for the security of the proprietors. For if the Negroes were left to themselves without Care of Controul from him, numbers of them would very probably go off, and not return to the parts of the Country from whence they came, or clandestinely get on Board the Transports in such a manner as would not be in his Power to prevent—in either of which Cases an inevitable Loss would ensue to the proprietors—But as the Business was now conducted they had at least a Chance for Compensation—Sir Guy concluded the Conversation on this subject by saying that he Imagined that the mode of Compensating as well as the Amount and other points with respect to which there was no provision made in the Treaty, must be adjusted by the Commissioners to be hereafter appointed by the two Nations."[522]

Washington admitted that slavery was wrong but he never did much to curb its growing power, contenting himself with a deprecation much like this expressed in the letter to Lafayette, April 5, 1783.

"The scheme, my dear Marqs., which you propose as a precedent to encourage the emancipation of the black people of this Country from that state of Bondage in wch. they are held, is a striking evidence of the benevolence of your Heart. I shall be happy to join in so laudable a work; but will defer going into a detail of the business, till I have had the pleasure of seeing you."[523]

In 1786 Washington wrote the Marquis:

"The benevolence of your heart, my dear Marquis, is so conspicuous on all occasions, that I never wonder at any fresh proofs of it; but your late purchase of an estate in the colony of Cayenne, with a view of emancipating the slaves on it, is a generous and noble proof of your humanity. Would to God a like spirit might diffuse itself generally, into the minds of the people of this country. But I despair of seeing it. Some petitions were presented to the Assembly at its last session, for the abolition of slavery, but they could scarcely obtain a reading. To set the slave afloat at once would, I really believe, be productive of much inconvenience and[Pg 419] mischief, but by degrees it certainly might and assuredly ought to be effected; and that too by legislative authority."[524]

Addressing Robert Morris in 1786, Washington said:

"I hope that it will not be conceived, from these observations, that it is my wish to hold the unhappy people who are the subject of this letter, in slavery. I can only say that there is not a man living who wishes more sincerely than I do, to see a plan adopted for the abolition of it; but there is only one proper and effectual mode by which it can be accomplished, and that is by legislative authority; and this, as far as my suffrage will go, shall never be wanting."[525]

Although not an active abolitionist Washington did not believe in the slave traffic, as this part of his letter to John Mercer in 1786 will show:

"I never mean, unless some particular circumstance should compel me to it, to possess another slave by purchase, it being among my first wishes to see some plan adopted, by which slavery in the country may be abolished by law."[526]

In 1799 he wrote Robert Lewis:

"It is demonstratively clear, that on this Estate (Mount Vernon) I have more working negroes by a full moiety, than can be employed to any adventage in the farming system, and I shall never turn Planter thereon.

"To sell the overplus I cannot, because I am principled against this kind of traffic in the human species. To hire them out, is almost as bad, because they could not be disposed of in families to any advantage, and to disperse the families I have an aversion. What then is to be done? Something must or I shall be ruined; for all the money (in addition to what I raise by crops, and rents) that have been received for Lands, sold within the last four years, to the amount of Fifty thousand dollars, has scarcely been able to keep me afloat.

"Under these circumstances and a thorough conviction that half the workers I keep on this Estate would render me a greater nett profit than I now derive from the whole, has made me resolve if it can be accomplished, to settle Plantations on some of my other[Pg 420] Lands. But where? without going to the Western Country, I am unable, as yet to decide; as the best, if not all the Land I have on the East side of the Aleghanies are under Leases, or some kind of incumbrance or another. But as you can give me the correct information relative to this matter, I now early apply for it."[527]

The best evidence as to what Washington thought of the Negro may be obtained from his treatment of his slaves, as brought out by the following clauses from his will.

"Item—Upon the decease of my wife it is my will and desire, that all the slaves which I hold in my own right shall receive their freedom—To emancipate them during her life, would tho earnestly wished by me, be attended with such insuperable difficulties, on account of their intermixture by marriages with the Dower negroes as to excite the most painful sensations—if not disagreeable consequences from the latter while both descriptions are in the occupancy of the same proprietor, it not being in my power under tenure by which the dower Negroes are held to manumit them—And whereas among those who will receive freedom according to this devise there may be some who from old age, or bodily infirmities & others who on account of their infancy, that will be unable to support themselves, it is my will and desire that all who come under the first and second description shall be comfortably clothed and fed by my heirs while they live and (3) that such of the latter description as have no parents living, or if living are unable, or unwilling to provide for them, shall be bound by the Court until they shall arrive at the age of twenty five years, and in cases where no record can be produced whereby their ages can be ascertained, the Judgment of the Court upon it's own view of the subject shall be adequate and final—The negroes thus bound are (by their masters and mistresses) to be taught to read and write and to be brought up to some useful occupation, agreeable to the laws of the commonwealth of Virginia, providing for the support of orphans and other poor children—and I do hereby expressly forbid the sale or transportation out of the said Commonwealth of any Slave I may die possessed of, under any pretence, whatsoever—and I do moreover most positively, and solemnly enjoin it upon my Executors hereafter named, or the survivors of them to see that this clause respecting slaves and every part thereof be religiously fulfilled at the Epoch at which it is directed to take place without evasion[Pg 421] neglect or delay after the crops which may then be on the ground are harvested, particularly as it respects (4) the aged and infirm, seeing that a regular and permanent fund be established for their support so long as there are subjects requiring it, not trusting to the uncertain provisions to be made by individuals.—And to my mulatto man, William (calling himself William Lee) I give immediate freedom or if he should prefer it (on account of the accidents which have befallen him and which have rendered him incapable of walking or of any active employment)[528] to remain in the situation he now is, it shall be optional in him to do so—In either case however I allow him an annuity of thirty dollars during his natural life which shall be independent of the victuals and cloaths he has been accustomed to receive; if he chuses the last alternative, but in full with his freedom, if he prefers the first, and this I give him as a testimony of my sense of his attachment to me and for his services during the Revolutionary War.[Pg 422][529]

"Item—The balance due to me from the Estate of Bartholomew Dandridge deceased, (my wife's brother) and which amounted on the first day of October, 1795, to Four hundred and twenty-five pounds (as will appear by an account rendered by his deceased son John Dandridge, who was the Executor of his father's will) I release and acquit from the payment thereof,—And the negros (then thirty three in number) formerly belonging to the said Estate who were taken in Execution,—sold—and purchased in, on my account in the year (1795?) and ever since have remained in the possession and to the use of Mary, widow of the said Bartholomew Dandridge with their increase, it is my will and desire shall continue and be in her possession, without paying hire or making (13) compensation for the same for the time past or to come during her natural life, at the expiration of which, I direct that all of them who are forty years old and upwards shall receive their freedom, all under that age and above sixteen shall serve seven years and no longer, and all under sixteen years shall serve until they are twenty-five years of age and then be free.—And to avoid disputes respecting the ages of any of these negros they are to be taken to the Court of the County in which they reside and the judgment thereof in this relation shall be final and a record thereof made, which may be adduced as evidence at any time thereafter if disputes should arise concerning the same.—And I further direct that the heirs of the said Bartholomew Dandridge shall equally share the benefits arising from the services of the said negros according to the tenor of this devise upon the decease of their mother."

[Pg 423]

Petition for Compensation for the Loss of Slaves by Emancipation in the Danish West Indies[530]

We, the undersigned, inhabitants of the West India Islands St. Thomas and St. John, beg leave most respectfully to present to the Rigsdag of Denmark, this Petition, praying that just and equitable compensation may be granted us for the loss we have sustained in our property, in consequence of the ordinance of the Governor General, bearing date 3d July, 1848, by which he took upon himself to abolish Negro Slavery in the Danish Colonies, and which act received the Royal sanction on the 22d September of the same year.

If, notwithstanding the heavy loss thus sustained, we have hitherto been silent, it should be attributed to the hope we had entertained, that the government, without being called upon to do so, would have taken steps to obtain compensation for us; and to the sentiments of sympathy with which we beheld the struggle of the mother country in the trying situation in which the revolt of the Duchies, and war with many powerful enemies had placed her, a struggle which required all her resources, both intellectual and material, of which she could dispose; and thus it would have been inopportune had we at that time obtruded ourselves on the notice of the government. But now, that the clouds which obscured the political horizon have been dissipated, now, that a glorious war is concluded, and peace sheds its blessings over Denmark, we can no longer defer our just demand for compensation, lest our silence should be construed into acquiescence with the act, by which we have been despoiled of our property, or interpreted as an abandonment of our claims. We had as good a title of property to our negroes, as to our land, houses, or any other property we possess; this right was established not only by law, but the government had moreover ever encouraged the subjects to acquire such property as being advantageous to the state. For this purpose the government granted loans to the colonists upon reduced interest from the so dominated "negro loan." The government bought and sold such property, took it in mortgage, levied[Pg 424] duties upon their importation, and imposed a yearly capitation tax, consequently not a shadow of doubt could exist of the legality of such property; and if it was a fault to become possessors of such property, it must be laid to the charge of the government which had fostered and encouraged it. The highest tribunal of the land, the King's High Court, acknowledged this right in its fullest sense, so that a negro slave, even on the free soil of Denmark, continued to be the property of his master so thoroughly, that the latter in direct opposition to the slave's will, could oblige him to return to the West Indies. That the negro's ability to work, and personal qualities, enhanced his value, is a fact too palpable to stand in need of proof; the numberless legal appraisements upon oath, the sales which took place daily between man and man, as well as the normal value, which according to the Ordinance of the first of May, 1840, was determined every year by the government, after a previous hearing of the Burgher Council, and the respective authorities, render this matter incontestable.

This ordinance admits the owner's right to full compensation, for only on condition of paying the full value of the services which the master could have from the slave, had the slave the right to demand his freedom; but without such remuneration, his master could not be deprived of him.

The forementioned ordinance, the common law, and in particular the eighty-seventh section of the constitution, lay down as an invariable rule, that no subject can be compelled to cede his property, unless the general good of the commonwealth requires it, and then only on receiving full compensation.

Those civilized nations in whose colonies slavery has been abolished, have neither raised any question nor doubt as to the legality of the principle of compensation. Thus England, France and Sweden have granted compensation. The first £ 25 12 2 sterling at an average per head; the second 490 francs per head, which is, however, considered but part of the whole sum; and the third in the following manner: first class, under fifteen years, $80 per head, second class, from fifteen to sixty years, $240 per head; third class, over sixty years, $40 per head.

With regard to emancipation without compensation, the following language was held to the King of Sweden: "Your most gracious Majesty, in your high wisdom, will never allow such violation of justice as emancipation without compensation would be; such a thing has never anywhere occurred."[Pg 425]

The Dutch government has declared that it will not abolish slavery without indemnifying the owners, and for this reason it has not given any formal sanction to the liberty which the Dutch governor of St. Martin's (with the consent of the planters) found himself compelled to concede to the negroes, when emancipation was proclaimed in the French part of the same island, but left matters in statu quo. Once, however, there existed an instance of emancipation without compensation. The National Convention of France, in the year 1793, did, disregarding the sacred rights of property, proclaim the abolition of slavery; but ten years afterwards, on the 28th of May, 1802, that act was declared by the corps legislatif, to be an act of spoliation, and as such illegal; consequently slavery was re-established by decree of the First Consul, and continued for half a century, and would in all probability be still in full vigor, at least for some time, had it not been for the revolution of February. For us, we have the most implicit reliance on the honor of the Danish Government, and the Danish people, and we feel persuaded that they will not follow the example of the National Convention. In Denmark, love of justice and respect for the sacredness of the rights of property are too deeply implanted in the soil to be easily rooted out. The proverbial honesty of Denmark is as firm as the courage, loyalty, and gallantry of which her sons have so lately given such signal proof.

The Rigsdag of Denmark will not on account of the burden, shrink from the demands of justice; it will not allow it to be said that it refused to satisfy a claim, the justness of which has never been doubted by any civilized nation, nor will it suffer a number of its fellow citizens to be illegally bereft of their property without compensation. The Rigsdag of Denmark will not leave it in the power of the world to say, that it was liberal at the expense of others, or that it denied compensation to the weak, because they had only the right, but not the power to enforce it. In reviewing the means that present themselves, the burden will not be so considerable or so heavy, when we take into consideration that the state possesses many plantations, in respect of which to their former complement of slaves, there will of course be no question of compensation, and that it also holds mortgages on many properties, where the compensation can be written off, without any real loss in many cases; on the other hand, the realm, by fulfilling its duty in settling a lawful claim, will gain by the disbursement of the compensation, which will as may reasonably be expected, not alone[Pg 426] increase the prosperity of the colonies, but their inhabitants will attach themselves more closely to Denmark.

We do not entertain any doubt but that the Rigsdag will grant us the compensation to which we have the most incontestable right, and which cannot be controverted by such futile arguments, as, that the owners have lost nothing by the government depriving them of their property, as the stock of labor is the same, and to be had for an equitable hire. If it even in reality were the case, that the expenses were not greater, and the work not less than before the emancipation, while, alas! the contrary is the case, it would, nevertheless, be a species of argument in itself contrary to common sense, in a degree, that it would scarcely require any refutation at the bar of the enlightened Rigsdag, as it might with just as much reason be said, that all the rest of the property of people could be taken away whenever the government managed matters in such a way, that the properties could be rented at so moderate a rate, that the expenses did not exceed, what those of the keeping of the property yearly had amounted to. It will be clearly evident that the owner notwithstanding, loses his essential rights, for the property would no longer be at his disposal, or under his control, he would be dependent upon others not only as to renting of that kind of property of which he had formerly been possessed, but he would not be able to sell, mortgage, or dispose of it in any manner whatever, either in favor of himself, his children, or other heirs; in short, property would to him, entirely lose its money value, and the capital vested in it would be sunk as is now the case with us. Many a slave owner derived his living from the yearly income which the hire of his slaves produced, but now the state has bereft him of his property, and hurled him, widows and orphans into the most abject poverty and misery, while that act, as yet without compensation, has more or less generally affected those who possessed that class of property, and in numberless instances produced pecuniary embarrassment; while the slave owners who are proprietors of plantations have not alone lost the capital invested in their slaves, but the subversion of the ancient normal order in the colonies, but in addition thereto, they are exposed to the imminent risk of seeing their estates, buildings, and fabrics eventually reduced to no value whatever. Most assuredly the circumstances which precede the emancipation, cannot be brought forward in support of the necessity thereof. Such a delusion cannot hold good. It is notorious that the so called insurrection which was begun in the[Pg 427] jurisdiction of Fredericksted, at St. Croix on the 3d of July, 1848, would have been put down, if the forces, although reduced as they had been, had been called out and made use of by the government of that island. This is borne out by the sentence of 5th of February, in this year, rendered against the governor-general by the commission, which sentence expressly states that the declaration of emancipation partly originated in a desire to procure the treasury an exemption from compensation, or what is the same thing, it was intended to serve as a means to deprive the proprietors of their lawful rights. Furthermore, it is quite evident, that even the most trifling commotion would not have occurred, if the Captain-General of Puerto Rico's offer of assistance on perceiving the impending dangers had been accepted. Neither is it less certain that the normal order could have been re-established subsequently. His Majesty's government by presenting to royal assent the emancipation of the negro slaves, which the governor-general had taken upon himself to grant, has adopted the act as its own. It has also from the very beginning been considered that the insurrection could not be viewed as sufficient foundation for the act. This is clearly to be seen from the wording of the royal mandate on which the emancipation is made a concession "to the lively" wishes of the negroes. That his late Majesty King Christian VIII., of glorious and blessed memory, had by rescript of 28th July 1847, given freedom to all children born of slaves in the Danish West India possessions, and at the same time ordained that slavery should finally cease in twelve years, cannot be pleaded as a reason that proprietors of slaves are to sustain loss and receive no compensation, for the question remained open, and had been only glanced at by said rescript. It is much to be lamented that the emancipation in the manner it took place, and with the circumstances with which it was accompanied, induced the slave population, although erroneously, to believe that they had overawed the government, and to receive the emancipation not as boon, but rather as a trophy. The bad impression which such a management of matters has caused, will ever remain, and render the march of administration difficult, for defiance has taken the place which only should have been ceded to gratitude. It ought here to be observed that a succession of ordinances had gradually loosed the ties which existed between the master and the slave. What heretofore had been esteemed as a favor on the master's part, was by law converted into an obligation, and the slave was not only rendered[Pg 428] more and more independent of his master, but his sentiments of attachment to him were destroyed. Thus the law made it obligatory on the master to cede a negro his freedom when he could pay his full value; a favor which hardly any one had thought of refusing; thus the law bound the master to give his slaves certain little extras for Christmas, a favor which no one had thought of denying, and thus the law compelled the planter to give his negroes the Saturday free; a boon, which hitherto frequently had been granted as a recompense for diligent work during the week. But from the moment that the law converted into an obligation, that which hitherto had been received as a favor, indifference usurped the place of gratitude. Thus, by consecutive innovations, the state of things became precarious, the relations insecure, impatience sprung up, and the seeds of the tumultuous scenes which ensued and served as a pretext for emancipation, were sown. Here we must observe, that though it were admitted that the pretended insurrection at St. Croix rendered emancipation an act of necessity, it cannot, at all events, in any manner be cited with regard to St. Thomas or St. John, where no kind of disturbance existed among the slave population, Thus, entertaining the intimate conviction that our right to compensation is as conformable to reason, as it ought to be sacred and inviolable, and in solemnly protesting against our being bereft of our property without full compensation, we submit this our representation to the Rigsdag of Denmark, with the most unlimited confidence in its justice. We have the consoling hope and encouraging persuasion that the representatives of a people who, by the bill of indemnity of 30th June, 1850, have gone ahead of, and set a brilliant example to other nations, by the acknowledgment of the principle of equity, that "all citizens ought equally to share the losses which the scourge of war had brought upon individuals," will not deny a principle of justice, which every European nation has hitherto not neglected to comply with towards its colonies.

St. Thomas and St. John, June, 1851.

To the Rigsdag of Denmark.

[Pg 429]

An Extract from the Will of Robert Pleasants Dated February 6, 1800, and Admitted to Probate in Henrico County, Virginia, April 6, 1801

"From a full conviction that slavery is an evil of great magnitude and no less repugnant to the Divine command of doing to others as we would they should do unto us that it is inconsistent with the true interest and prosperity of my country, I did confirm freedom to all the Negroes that by law, I had property in by a Deed of Emancipation bearing date the first of the 8th month, 1782, duly acknowledged and admitted to record in the Clerk's office of Henrico County, three boys excepted names Moses, Nat and James, who at that time lived with their mothers in Goochland County and were forgotten but have since been emancipated, but as it is still necessary that those who are ancient and incapable of getting a living (being over forty-five years of age at the time of emancipation) should be supported, I now desire and direct it to be done and that the young ones may have learning sufficient to enable them to transact the common affairs of life for that purpose I have had a Schoolhouse put on my land called Gravely hills tract containing by estimation 350 acres the use and profits whereof I give for that purpose forever, or so long as the Monthly Meeting of Friends in this County may think it necessary for the benefit of the children and descendants of those who have been emancipated by me, or other black children whom they may think proper to admit; reserving only to my heirs hereafter named the priviledge of cutting timber occasionally for building, of which there appears to be more than perhaps may ever be necessary for the use of the School and the Tenants who are now on it, or hereafter may settle thereon and reserving also a privilege for my old servant Philip and his Wife Dilcy to settle on and occupy such part thereof as they may choose (not interfering with the school) during their natural lives, they not committing Waste or taking others to work the land under colour of this gift except it should be necessary for their support reserving also to the women Effee, Sarah, Dilcy and Elcy to continue or live on rent free during their natural lives on the same conditions or restrictions expressed in my grant to Philip[Pg 430] and Dilcy and I further direct that in case those of my heirs who may claim a right to the service of the young blacks under this will should neglect or refuse to give them learning either at the above mentioned School or by some other way or means, I hereby declare them free one year before their time of servitude expires and to be sent to school at the expense of my estate for that time. And Whereas a suit was instituted several years ago in my name as the Heir at Law of my Father and only acting executor to him and my Brother Jonathan Pleasants for the relief of a number of Negroes by them directed to be free at a certain age, but wrongfully held in Bondage which suit was lately determined in their favor, but considering that many of them have been brought up in ignorance and may need the care, advice and perhaps assistance too of friends I do request my beloved friends to be nominated Executors by this Will to extend such care towards them as the nature of the case may call for or require."

[Pg 431]

Proceedings of a Reconstruction Meeting[531]

On April 19, 1867, a general meeting of the citizens of Mobile was held relative to the new measures of reconstruction. Among the vice-presidents were men of all classes and color—as civil judges, bishops, clergy, physicians, citizens, etc., etc., of whom five were colored men. The only colored speaker on the occasion said:

"Fellow-Citizens: I feel my incapacity to-night to speak, after hearing the eloquence of those preceding me. I received an invitation from the white citizens of Mobile to speak for the purpose of reconciling our races—the black to the white—to extend the hand of fellowship. You have heard the resolutions. You are with us, and I believe are sincere in what they promise. It is my duty to accept the offer of reconstruction when it is extended in behalf of peace to our common country. Let us remove the past from our bosoms, and reconcile ourselves and positions together. I am certain that my race cannot be satisfied unless granted all the rights allowed by the law and by that flag. The resolutions read to you to-night guarantee every thing. Can you expect any more? If you do, I would like to know where you are going to get it. I am delighted in placing myself upon this platform, and in doing this I am doing my duty to my God and my country. We want to do what is right. We believe white men will also do what is right."

The next speaker was a late Confederate officer during the war. He said:

"It is the first time for seven long years that we sit—and at first we sat with diffidence—under the 'old flag' and I connot deny that my feelings are rather of a strange nature. Looking back to the past, I remembered the day (the 10th day of January, 1861) when I hauled down that flag from its proud staff in Fort St. Philip, and thought then that another flag would soon spread its ample folds over the Southern soil.

"But that flag is no more. It has gone down in a cloud of glory—no more to float even over the deserted graves of our departed heroes—one more of the bright constellations in the broad canopy of that firmament where great warriors are made demigods.

"But I did not come here to-night to tell you, men of Alabama,[Pg 432] that my heart was with you—for you well know that as far as that heart can go, it never will cease beating for what is held dear and sacred to you. But I came here to speak to those of our new fellow-citizens, who are not seeking the light of truth.

"It is said that two races now stand in open antagonism to each other—that the colored man is the natural enemy of the white man, and, hereafter, no communion of interests, feelings and past associations, can fill the gulf which divides them.

"But who is it that says so? Is it the Federal soldier who fought for the freedom of that race? Is it even the political leader whose eloquence stirred up the North and West to the rescue of that race? No; it is none of these. It is not even the intelligent and educated men of that class, for I now stand on the very spot where one of them, Mr. Trenier, disclaimed those disorganizing principles, and eloquently vindicated the cause of truth and reason.

"Why, then, should there be any strife between us? Why should not our gods be their gods—our happiness be their happiness? Has anything happened which should break up concert of action, harmony, and concord in the great—the main objects of life—the pursuit of happiness?

"Where can that happiness spring from? Is it from the midst of a community divided against itself, or from one blessed with peace and harmony?

"In what particular have our relations changed? In what case have our interests in the general welfare been divided? Is not today the colored man as essential to our prosperity as he was before?

"Is not our soil calling for the energetic efforts of his sinewy arms? Can we, in fact, live without him? But while we want his labor he wants our lands, our capital, our industry, our influence in the commerce and finances of the world.

"And if, coming down from those higher functions in society, we descend to our domestic relations, where do we find that those relations are changed?

"Does not the intelligent freedman know that neither he nor we are accountable to God for the condition in which we were respectively born?

"Does he not know that, for generations past, the institution of slavery had been forced upon us by the avarice, the love of power of the North? Does he not know that to-day we have in him the same implicit faith and reliance we had before?"[532]

Footnotes:

[513] Boston Evening Post, Aug. 3, 1761. This issue carries an advertisement for such Negroes.

[514] Ford, "Washington's Writing," II, 211.

[515] Ibid., VI, 349.

[516] Ford, "Washington's Writings," VII, 371.

[517] Ibid., X, 48.

[518] Ford, "Washington's Writings," IX, 392-393.

[519] Ibid., X, 200.

[520] In the letter here mentioned, Sir Guy Carleton had requested that Congress would empower some person or persons to go into New York, and assist such persons as he should appoint to inspect and superintend the embarkation of persons and property, in fulfilment of the seventh article of the provisional treaty, and "that they would be pleased to represent to him every infraction of the letter of spirit of the treaty, that redress might be immediately ordered." Diplomatic Correspondence, Vol. XI, p. 335. The commissioners appointed by General Washington for this purpose were Egbert Benson, William S. Smith, and Daniel Parker. Their instructions were dated the 8th of May.

[521] This gives further light on the subject: "The breach of that (article) which stipulated a restoration of negroes, will be made the subject of a pointed remonstrance from our minister in Europe to the British Court, with a demand of reparation; and in the meantime Genl. Washington is to insist on a more faithful observance of that stipulation at New York."—Virginia Delegates in Congress to the Governor of Virginia, 27 May, 1783.

"Some of my own slaves, and those of Mr. Lund Washington who lives at my house, may probably be in New York, but I am unable to give you their description—their names being so easily changed, will be fruitless to give. If by chance you should come at the knowledge of any of them, I will be much oblige by your securing them, so that I am obtain them again."—Washington to Daniel Parker, 28 April, 1783. Ford, "Washington's Writings," X, 246-247.

[522] Ford, "Washington's Writings," X, 241-243.

[523] Ibid., X, 220.

[524] The Philanthropist, March 4, 1836.

[525] The Philanthropist, March 4, 1836.

[526] The Philanthropist, March 4, 1836.

[527] Ford, "Washington's Writings," XIV, 196-197.

[528] "On 22d April 1785, when acting as chain bearer, while Washington was surveying a tract of land on Four Mile Run, William fell, and broke his knee pan; 'which put a stop to my surveying; and with much difficulty I was able to get jim to abingdon, being obliged to get a sled to carry him on, as he could neither walk, stand or ride.'"—Washington's Diary. See Spurious Letters Attributed to Washington, 8.

[529] "The mulatto fellow, William, who has been with me all the war, is attached (married he says) to one of his own color, a free woman, who during the war, was also of my family. She has been in an infirm condition for some time, and I had conceived that the connextion between them had ceased; but I am mistaken it seems; they are both applying to get her here, and tho' I never wished to see her more, I cannot refuse his request (if it can be complied with on reasonable terms) as he has served me faithfully for many years.

"After premising this much, I have to beg the favor to procure her passage to Alexandria, either by Sea, in the Stage, or in the passage of boat from the head of the Elk, as you shall think cheapest and best, and her situation will admit; the cost of either I will pay. Her name is Margaret Thomas allias Lee (the name by which he calls himself). She lives in Philada. with Isaac and Hannah Sile—black people, who are oftern employ'd by families in the city as cooks."—Washington to to Clement Biddle, 28 July, 1784.

"The President would thank you to propose to Will to return to Mount Vernon when he can be removed for he cannot be of any service here, and perhaps will require a person to attend upon him constantly. If he should be incline to return to Mount Vernon, you will be so kind as to have him sent in the first Vessel that sails for Alexandria after he can be removed with safety—but if he is still anxious to come on here the President would gratify him Altho' he will be troublesome—He has been an old faithful Servant, this is enough for the President to gratify him in every reasonable wish."—Lear to Biddle, 3 March, 1789. Ford, "Washington's Writings," XIV, 272-274.

[530] Knox, "An Historical Account of St. Thomas, West Indies," pp. 255-261.

[531] This document and the Will of Robert Pleasants were collected by Mr. M. N. Work.

[532] Annual Cyclopedia, 1867, pp. 19, 20.


[Pg 433]

Reviews of Books

History of South Africa from 1795 to 1872. By George McCall Theal, Litt.D., LL.D. George Allen and Unwin, Ltd., London.

This work is intended to be a general history of South Africa in detail. It is to be completed as a revised edition in five volumes, three of which have already appeared. Each volume contains about 500 pages, is neatly printed and substantially bound. The work is well supplied with maps and charts reflecting the growth and development of the country.

The author of this history has lived in South Africa and has served as keeper of the archives of the Cape Colony. The preparation of this history has occupied his almost undivided attention during the last fifty years. He says that he has made the closest possible research among official documents of all kinds. Apparently he has had little use for secondary material, but his large collection of books on South Africa has served him as a guide. The author asserts that to the utmost of human ability he has striven to write without fear, favor or prejudice, to do equal justice to all with whom he had to deal. For this reason, he offers his work to the public as "not alone the only detailed history of South Africa yet prepared, but as a true and absolutely unbiased narrative." The work shows, however, that it is written in the attitude of arrogating to himself the privileges of the superior group, exhibiting occasionally a bit of sympathy for the inferior, who had to be exterminated to make room for those chosen of God.

The first volume of the work deals largely with the conquest of the colony. It is mainly a narrative of the deeds of the conquering leaders of the colonists, closing with an account of the destruction of the Bantu tribes. In succession, we read here about the exploits of James Henry Craig, Earl McCartney, Major General Dundas, Sir George Younge, Jacob Abraham De Mist, J.W. Janssens, General David Baird, Du Pré Alexander, Lord Charles Somerset, Sir Rufane Shaw, and General Richard Bourke.

The second volume adheres in the beginning to the same sort of style, making the history of the whole colony center largely around the life of a single man, mentioning such characters as Sir Lowry[Pg 434] Cole, Sir Benjamin D'Urban, Sir George Napier, and Sir Peregrine Maitland. In the 32d chapter, however, the work becomes more nearly historical in taking up the emigration from Cape Colony, and the abandonment of that country by many thousands of substantial burghers, who were intent upon seeking homes in the wilderness. This movement is further illuminated by a treatment of the emigrant farmers in Natal, the republic of Natal, its overthrow, its transitory state, and movements north of the Orange.

The third volume maintains the standard of the last part of the second in dealing with the Kaffir Wars, and sketching the conditions leading up to the grant of a liberal constitution. It returns to the District of Natal from 1845 to 1857, discusses the creation of the Orange River Sovereignty, the abandonment of the Sovereignty, and the events north of the Vaal, in the South African Republic and Orange Free State from 1854 to 1857. In these last chapters the author brings out more prominently than elsewhere the conflict between the whites and the blacks, the correlated problems arising therefrom, and measures brought forward to solve them. The reader easily learns that the handling of the question in South Africa has not been very different from the method of attack in the United States. The South African method has, in some respects, been more cruel than that of the United States.

J. O. Burke.


Native Life in South Africa, before and since the European War and the Boer Rebellion. By Solomon T. Plaatje. P.S. King and Son, Ltd., London, 1916. Pp. 352.

Mr. Plaatje is a South African native, educated near Barkly West at a mission school. He later studied languages and served as an interpreter for important officials such as Duke of Connaught and Mr. Chamberlain. He later rose to a position of some importance in the Department of Native Affairs. He once edited a paper called Koranta ea Becoana. He is now the editor of the Tsala ea Batho (the People's Friend). Although treating of questions concerning the oppression of his people, his writings have been marked by moderation and common sense. He is not an agitator, not a firebrand, and can, therefore, be read with profit. Rather resenting the power of the uneducated chiefs who rule by virtue of their birth alone, Mr. Plaatje belongs to a new school of thought. He is making a new appeal for the native.[Pg 435]

Mr. Plaatje modestly disclaims any pretension to literary merit. He is merely giving a "sincere narrative of a melancholy situation, in which, with all its shortcomings," he "has endeavored to describe the difficulties of South African natives under a very strange law, so as most readily to be understood by the sympathetic reader." The author had access to sources from which he obtained the facts presented. He has made personal observations in the Transvaal, Orange Free State and the Province of the Cape of Good Hope. He used other facts collected by Attorney Msimang of Johannesburg. Organizing these facts, Mr. Plaatje shows how the native has been maltreated and debased so as to be considered a pariah of society in his own native land. In the struggle between right and wrong, the latter has triumphed, culminating in such an evil as the Native Land Act, an effort at class legislation, the worst sort of discrimination and segregation in land tenure.

One would have difficulty in believing that such barbarities could be practiced within the British Empire, were it not for the fact that Mr. Plaatje not only quotes from the act in extenso but quotes also from the debates in the Colonial Parliament to show that the intention of the legislators was to restrict the native to their reservations or to servitude among the white population to placate the extreme Dutch Party in South Africa. In other words, the Colonial Parliament took the position of Mr. J.G. Keyter, the member for Ficksburg, who said: "They should tell the native, as the Free State told him, that it was white man's country, that he was not going to be allowed to buy land there or hire land there, and that if he wanted to be there, he must be in service." The author is thankful for the assistance given the natives by the British, but contends that the fortunes of the former should not have been committed to the hands of the Dutch Republicans without adequate safeguards.

The work will doubtless be successful as an appeal to the court of public opinion, as it is intended. The case is ably and seriously put and is supported by adequate evidence to warrant the author's conclusions as to the enormity of the crimes against the natives. In making this bold agitation for economic equality, this book may materially influence future events in South Africa and in England. It will doubtless lead British statesmen to conclude that the imperial power cannot dissociate itself from the responsibility for native affairs. The writer will attract attention too because of the novelty in that this work is the product of the brains[Pg 436] of an intelligent native, who can think and express himself well on public questions. It will be surprising to those Englishmen who have hitherto treated the natives altogether as an uneducated mass incapable of thinking and will certainly excite sympathy among those who believe in the principles of liberty and justice.


The Danish West Indies under Company Rule, 1671-1754. With a Supplementary Chapter, 1755-1917. By Waldemar Westergaard, Assistant Professor of History at Pomona College. Introduction by H. Morse Stephens. Macmillan Company, New York, 1917. Pp. 359.

This work is the history of a company of Danish merchants desiring to avail themselves of the commercial opportunities of the New World. The work was undertaken prior to the recent negotiations of the United States for the purchase of the islands. It is the result of an attempt to "identify and appraise" a number of official and other papers found in the Bancroft Collection at the University of California. The study of these documents led to further research in the Danish libraries and archives, especially the archives of the Danish West India and Guinea Company. The work then becomes a treatise on the rise and fall of a great corporation with business as its objective rather than the sketch of a mere colony. It has a number of helpful maps and illustrations.

In writing this work, the author easily realized that treated as an isolated subject it would be worthless. It is, therefore, dealt with as a part of European history, that phase commonly characterized as commercial expansion. He, therefore, in accounting for the Danish interest in colonization and in estimating the part that nation actually played, finds that the experiences of the Danes were fairly typical of those of the Dutch, the French, the English and the Spanish. The narrative then is a succession of accounts of speculation, competition, prosperity and depression. There are sketches of adventurers, buccaneers and pirates all brought forward in such a way as to tell their own story.

The author directs attention to the West Indies as the great theater in which was played the drama of history in the New World during the seventeenth and eighteenth centuries. Sugar is presented as king. The author is chiefly concerned with the crucial test to which the company was subjected, the establishment of the Brandenburgers at St. Thomas, the leasing of Guinea and St.[Pg 437] Thomas, the governorship of John Lorentz, the plantation colonies of St. Thomas and St. John, the introduction of slavery, the slave trade, the relations of the planter and the company, the acquisition of St. Croix, and the career of the company under a new charter. In the appendix there is such valuable information as the list of governors in the West Indies and the Guinea, the directors and board of shareholders in Copenhagen, the first charter of the Danish West India and Guinea Company, the charter of 1697, important letters of officials and the report of the board of police and trade to King Frederick IV in 1716. One finds also the list of slave cargoes arriving in the Danish West Indies, the list of prices on St. Thomas from 1687 to 1751, West Indian sugar exported from Copenhagen, the company's receipts and debts at St. John and St. Croix, the capital invested in St. Thomas in 1747, the company's business in cotton, returns on the company's capital, and other statistics.

The supplementary chapter is an effort to connect as far as possible the sketch set forth in the preceding part of the book with the events leading up to the recent purchase of the group by the United States. The work throughout necessarily deals with the contact of the Negro with the European, as the African slaves constituted the class of population to be exploited and, of course, were the factor essential to the rise and growth of the company.

A. H. Clemmons.


The Taxation of Negroes in Virginia. By Topton Ray Snavely, Phelps-Stokes Fellow at the University of Virginia, 1915-1917. Publication of the University of Virginia Phelps-Stokes Papers. Pp. 97.

This work is the result of the establishment at the University of Virginia of a fellowship through a gift from the trustees of the Phelps-Stokes Fund. The holder of this fellowship must "stimulate and conduct investigations and encourage a wider general interest among students concerning the character, condition and possibilities of the Negroes in the Southern States." Carrying out this plan the incumbents have organized classes for study and conducted special investigations, assigning related topics for study, bringing the results before classes for discussion and sometimes securing distinguished men for lectures in this field.

In this dissertation the author has undertaken something new. No one had so far treated the taxation of the Negroes in any State.[Pg 438] As taxation is an important concern of the commonwealth, it was believed that the way in which the State determined how this burden should fall on the Negro race would do much in bringing out an understanding as to the attitude of the whites to the blacks. The author claims to have adhered strictly to the facts to give an unbiased interpretation of this phase of history. The work is well done in parts. It should have been amplified. The most valuable part of it is that which treats of the problem of taxation since the Civil War. In treating the antebellum period, the author shows a lack of breadth in that he does not connect the question of the taxation of Negroes with the struggle between Eastern and Western Virginia, which finally resulted in the disruption of the State. He does not show that the West wanted the increase in taxes, necessitated by the construction of internal improvements, obtained from a tax on slaves, as the mountaineers did not have many, while the East was anxious to tax more heavily cattle and the like which flourished beyond the Alleghanies.

During the colonial period and, at times, after the Revolution, Negroes paid a capitation tax. It is remarkable that the State of Virginia in 1814 collected $8,322 from 5,547 free Negroes. The same class of Negroes paid $11,554 in 1863 at the rate of $2 a head. Provision was made for the capitation tax in the Constitution of 1867-68. In 1870 the prepayment was required of voters but because of corruption at the ballot box it was repealed. Delinquency followed and to counteract this the tax was made a lien on real estate. The Constitution of 1901-02 made the poll-tax a political measure in providing that the payment of it six months in advance of election day should be a prerequisite for voting with a registration clause as another requirement. These provisions, it seems, have not been enforced and for that reason many Negroes are returned as delinquent. In 1914 the whites showed a delinquency of thirty per cent, and the Negroes sixty per cent.

Taking up real estate, which is the principal source of all taxes paid by Negroes, the author confines himself to the period since the War. The Negroes of Virginia had $12,464,377 subject to taxation in 1900 and $28,775,199 in 1914. The tax levy in 1910 was $48,173 and $93,245 in 1914, having almost doubled during the intervening years. The delinquency in real estate taxes too is much less than that in the case of capitation taxes.

In answer to the question as to whether the Negroes of the State are sharing its burden of taxation in proportion to their[Pg 439] ability the author brings out some interesting facts. He finds it difficult to answer this question accurately. He shows, however, that Negroes composing 32.6 per cent. of the population pay only a small part of the $7,757,532 in taxes of all kinds. The real estate, capitation, personal property and income taxes paid by Negroes in 1914 aggregated $318,381, or 5 per cent. of the real estate taxes, 3.8 per cent. of the personal property taxes, 28.1 per cent. of the capitation taxes, and .000006 per cent. of the income taxes. In all the Negroes pay about 4.1 per cent. of the revenue of the State. This estimate is doubtless too low.


[Pg 440]

Notes

Mr. A. E. Martin, of the Pennsylvania State College, will soon publish through the Filson Club The Anti-Slavery Movement in Kentucky to 1850. Mr. Martin plans to bring this study down to 1870.

The New York Missionary Education Movement of the United States and Canada has published The Lure of Africa by C. H. Patton.

W. M. Ramsay's The Intermixture of Races in Asia Minor has come from the Oxford University Press.

The Harvard University Press has published Ephod and Ark, by W. R. Arnold.

July number of The Journal of Race Development contains two interesting articles: On the Culture of White Folk, by Dr. W. E. B. DuBois, and Psychic Factors in the New American Race Situation, by George W. Elliss, K.C., F.R.G.S.

The July number of the American Journal of Sociology contains a rather misinforming article on The Superiority of the Mulatto, by Mr. E. B. Reuter, and another on Class and Caste, by Edward Alsworth Ross.

In the July number of the South Atlantic Quarterly appears The Black Codes, by Prof. John M. Mecklin, of the University of Pittsburgh.

Prof. Benjamin Brawley will soon publish a work to be known as The Genius of the Negro.

La Revista Bimestre Cubana has published Los Negros Esclavos, a study in sociology and public law by Fernando Ortiz, professor in the University of Havana.

The United States Bureau of Education in cooperation with the Phelps-Stokes Fund has published in two volumes a report entitled Negro Education, a Study of the Private and Higher Schools for Colored People in the United States. This report was prepared under the direction of Dr. Thomas Jesse Jones, specialist in the education of racial groups. This work was undertaken to comply with[Pg 441] that provision of the will of Miss Caroline Phelps-Stokes directing that some portion of the income from a fund originally amounting to about $900,000 be used for the education of Negroes and for research and publication. In 1912 it was decided to prepare a report on Negro education to furnish the public with valuable information as to existing conditions throughout the South. The Bureau of Education agreed to cooperate with the trustees of the Phelps-Stokes Fund, bringing the work under the general supervision of the United States Commissioner of Education. This report is the result of their efficient cooperation.

On the thirtieth of August, there assembled at the request of the United States Commissioner of Education a conference to discuss this report. For two days practically all of the active white and colored educators in Negro schools discussed the various phases of education as brought out by this report and undertook to find a working basis for a more extensive cooperation of all agencies in the uplift of the Negro. The frank statements of several of the State Superintendents, like that of Mr. Harris of Louisiana, showed how much good a report of this kind may do in arousing the best white people of the South to a realization that it pays to educate all citizens of the state whether they be white or black. No definite decision was reached but the conference was a success in leading men to study more seriously the problems of Negro education.


[Pg 442]

The First Biennial Meeting of the Association for the Study of Negro Life and History at Washington

There is no fixed rule to determine exactly where the meetings of the Association shall be held. The constitution grants this power to the Executive Council. Washington, however, naturally proved attractive for the reasons that it is located mid-way between the North and the South, the Association is incorporated under laws of the District of Columbia, and several of its officers reside there. The extensive advertising given the meeting and the occurrence of the conference in Washington on the education of the Negro the following day brought to the meeting probably the largest number of useful and scholarly Negroes ever assembled at the national capital. Among these were: President Nathan B. Young, Mr. W. T. B. Williams, President Byrd Prillerman, Dr. C. V. Roman, Prof. George E. Haynes, Mr. Monroe N. Work, President W. J. Hale, Dean Benjamin G. Brawley, Bishop I. N. Ross, Prof. J. R. Hawkins, Mr. R. P. Hamlin, Mr. C. H. Tobias, and Mr. A. L. Jackson. The meeting was further honored with the presence of some of the most useful and distinguished white persons in the country, namely: Mrs. Louis F. Post, the wife of the Assistant Secretary of Labor; Dr. Thomas Jesse Jones, Educational Expert of the United States Bureau of Education; Dr. James H. Dillard, Director of the John F. Slater Fund; Mr. George Foster Peabody, the New York banker; and Mr. Julius Rosenwald, the well-known philanthropist.

The morning session proved to be the most interesting of all. The introductory address was delivered by Dr. J. E. Moorland, the Secretary-Treasurer, who, in the absence of the President, presided throughout the meeting. In his remarks Dr. Moorland gave a brief account of what the Association had undertaken and endeavored to show how important[Pg 443] the work is and how successfully it is being prosecuted under tremendous difficulties. He paid a high tribute to the Director of Research and Editor as the one who has done most of the work and contributed most of the money to finance the movement.

Mr. Monroe N. Work then read a very carefully prepared and illuminating paper on "The Negro and the World War." Taking a world-wide view of the great struggle, Mr. Work discussed the social, economic and political roots of the war as it concerns the black race and explained how the interests of these people connect with the upheaval in all its ramifications. As Dr. R. R. Wright, Jr., was unavoidably absent, all the time allowed for the discussion of the paper was given to Prof. George E. Haynes. Basing his remarks on the actual facts of the migration of the Negroes to the North, Professor Haynes spoke of the war as a rejuvenating and regenerating factor in enabling the Negro to know his possibilities and to come into his own.

Dr. C. G. Woodson followed Mr. Work, making a clear statement as to the meaning of the movement to study Negro life and history and setting forth the plans to save the records of the black race that the Negro may not, like the Indian, leave no written account of his thoughts, feelings, aspirations, and achievements. Dr. Woodson went into detail to explain how necessary it is to have trained investigators to undertake this work immediately, before it is too late, as many valuable documents bearing on the Negro are being destroyed for the reason that persons now possessing them do not know their value and the facilities for collection of such materials now afforded are inadequate. This topic was further discussed by Dr. C. V. Roman and Dr. Thomas Jesse Jones. Dr. Roman restricted his remarks largely to a definition of civilization to determine whether or not the Negro has made any contribution to it. After speaking of certain achievements of the Negro he deplored the fact that not only the white people but the Negroes themselves know very little about what their race has contributed to the progress of mankind. Dr. Jones spoke of[Pg 444] how important it is for a race to know and write its own history, for because of race prejudice, a man of one race cannot easily tell the truth about one of another. He then expressed his deep interest in the work and lauded the enterprise of those who are prosecuting it.

Probably the most interesting features of the morning session, however, were the brief addresses of Mr. George Foster Peabody, Mr. Julius Rosenwald, and Mr. James H. Dillard. Mr. Peabody expressed his delight at seeing such an important work undertaken and urged cooperation as the only successful way of carrying it on. He took occasion, also, to speak of his general interest in the Negro and his belief in his ultimate success. Mr. Julius Rosenwald referred to the time when he received a copy of the first issue of the Journal of Negro History and how it so impressed him that he decided to contribute one hundred dollars to its support every quarter. He believes that this magazine of standard scientific stamp, published in the interest of the propagation of the truth concerning the Negro, will be another means of helping him onward and upward. Dr. James H. Dillard spoke of the importance of studying Africa, mentioning several books which are so informing to him that the far-off continent seems to be an unexplored land of wonders. He maintained that largely through the study of the history of one's race one can have high ideals, without which there can be no actual progress.

The business session was looked forward to as an important one, as interested members were anxious to know what the Association had done during the first two years of its history. As there was no unfinished business, new business was in order. The chairman appointed Professor Kelly Miller, Dean Benjamin G. Brawley and Mr. M. N. Work as the committee on nominations and Mr. A. L. Jackson, Prof. George E. Haynes and Dr. Thomas J. Jones as an auditing committee. The most important business was amending the constitution, the changes of which having been previously sanctioned by a majority of the members of the[Pg 445] Executive Council, they were duly ratified by the Association. This constitution follows.

THE CONSTITUTION OF THE ASSOCIATION FOR THE STUDY OF NEGRO LIFE AND HISTORY

I

The name of this body shall be the Association for the Study of Negro Life and History.

II

Its object shall be the collection of sociological and historical documents and the promotion of studies bearing on the Negro.

III

Any person approved by the Executive Council may become a member by paying $1.00 and after the first year may continue a member by paying an annual fee of one dollar. Persons paying $2.00 annually become both active members of the Association and subscribers to the Journal of Negro History. On the payment of $30.00, any person may become a life member, exempt from assessments. Persons not resident in the United States may be elected honorary members and shall be exempt from payment of assessments. Members organized as clubs for the study of the Negro shall gratuitously receive from the Director such instruction in this field as may be given by mail.

IV

The Officers of this Association shall be a President, a Secretary-Treasurer, a Director of Research and Editor, and an Executive Council, consisting of the three foregoing officers and twelve others elected by the Association. The Association shall elect three members of the Executive Council as trustees. It shall also appoint a business committee to certify bills and to advise the Director in matters of administrative nature. These officers shall be elected by ballot through the mail or at each biennial meeting of the Association.

V

The President and Secretary-Treasurer shall perform the duties usually devolving on such officers. The Director of Research and Editor shall devise plans for the collection of documents, direct the studies of members and determine what matter shall be published in the Journal. The Executive Council shall have charge of the general interests of the Association, including the election of members, the calling of meetings, the collection and disposition of funds.

VI

This Constitution may be amended at any biennial meeting, notice of such amendment having been given at the previous biennial meeting or the proposed amendment having received the approval of the Executive Council.

[Pg 446]

Then the Director followed by the Secretary-Treasurer, with a financial statement, made this report:

The Association was organized in Chicago, September 9, 1915, by five persons who felt that something effective should be done to direct attention to the long-neglected work of saving the records of the Negro race. At first, it was thought best to call a national meeting to form an organization. This plan was abandoned, however, for the reason that it was not believed that a large number of persons would pay any attention to the movement until an actual demonstration as to the possibilities of the field had been made. The Director, therefore, had these few persons join him in organizing, so to speak, in a corner and proceeded at once to bring out the Journal of Negro History. How it was received by the public is now a matter of history.

The growth of the Journal has been more than was expected. The first edition was 1,500, the second 1,300, the third 1,000, the fourth 2,000. At the end of 1916 the demand for back numbers so increased that it soon became evident that the editions were not large enough and that the back numbers would have to be reprinted. One thousand copies of volume I, and some extra numbers of it were accordingly reprinted and the current edition was increased to 4,000. The total circulation of the Journal is 2,830. The subscription list shows 1,430 subscribers, about 400 copies are sold at newstands, 1,000 copies are used for promotion, and about 1,000 copies are kept on hand for future subscribers.

These achievements, however, have been due to sacrifice both of time and means. The Director has had to work under tremendous difficulties, but he has never lost faith in his coworkers and believes in the ultimate triumph of the cause. The problem has been threefold, that of research, that of editing and that of promotion.

As the Association has not had adequate funds to provide the Director with an office force or sufficient stenographic assistance, he has too often found himself in the position of having to do all things at one time. But in spite of these handicaps there was a gradual increase in the number of subscribers and contributors until unfortunately the income from these sources was greatly diminished by the war. A few substantial friends, however, have helped us when seemingly at our extremity. Among the more important contributions obtained are: $75 from Dr. R. E. Park, $100 from the Phelps-Stokes Fund, $100 from Mr. Jacob H. Schiff, $200 from Mr. Harold H. Swift, $500 from Mr. Julius Rosenwald and $1,000 from Dr. C. G. Woodson. We have, therefore, been able to come to the end of the first two years of our history free from debt and with a considerable balance on the right side of the ledger as is attested by the following financial statement of the Secretary-Treasurer:[Pg 447]

Statement of Receipts and Expenditures of the Association for the Study of Negro Life and History, from October 14, 1915, to September 9, 1917, Inclusive

ReceiptsExpenditures
Bound Volumes and Subscriptions$1,216.39Printing and Stationery$2,993.32
Life and Active Memberships512.75Petty Cash603.59
Contributions and Advertising1,800.05Stenographic Services254.16
News Agents222.84Rent and Light81.00
Loans296.50Bond10.00
————————————
Total Receipts$4,048.53Total Expenses$3,942.07
Balance on hand106.46
——————
$4,048.53

Respectfully submitted,

J. E. Moorland
Secretary-Treasurer.

When the time came for the election of officers, Professor Kelly Miller, the chairman of the committee on nominations, reported a list of names for the various positions. The name of Dr. G. C. Hall, President of the Association, was, at his request, omitted. Thereupon, Dr. C. G. Woodson and Dr. J. E. Moorland expressed regret that Dr. Hall desired to retire and paid him high tributes as a coworker without whom the work could not have been made so successful. The Association then voted that the Secretary-Treasurer be instructed to cast its unanimous ballot for the persons nominated. These officers are: R. E. Park, President; J. E. Moorland, Secretary-Treasurer; C. G. Woodson, Director of Research and Editor, and, with the foregoing officers, Julius Rosenwald, Chicago, Illinois; George Foster Peabody, Saratoga Springs, New York; James H. Dillard, Charlottesville, Virginia; John R. Hawkins, Washington, D.C.; R. E. Jones, New Orleans, Louisiana; Thomas Jesse Jones, Washington, D. C.; A. L. Jackson, Chicago, Illinois; Sir Edmund Walker, Toronto, Canada; Moorefield Storey, Boston, Massachusetts; and J. G. Phelps Stokes, New York City, as members of the Executive Council. R. E. Park, J. E. Moorland and C. G. Woodson were appointed trustees and Thomas Jesse Jones, L. Hollingsworth Wood and J. E. Moorland as the business committee.[Pg 448] Mr. A. L. Jackson, the chairman of the auditing committee, read the report certifying that the books of the Secretary-Treasurer had been properly kept and all moneys accounted for. Mr. Jackson took occasion, also, to point out the fact that in addition to taking upon himself the burden of editing the Journal of Negro History, Dr. Woodson gives more than half of the amount received as contributions to maintain it.

Several suggestions were offered for the good of the cause. Professor Kelly Miller spoke in a commendatory manner concerning the work and urged the people to direct their attention to the study of their traditions. Mr. R. C. Edmonson suggested that the Association pay more attention to the collection of statistics concerning the race. Mr. John W. Davis asked members to volunteer to secure a larger number of subscribers. He himself submitted a pledge to obtain 25 subscribers during the year.

At the evening session, Dean Benjamin G. Brawley, of Morehouse College, read an excellent paper on Three Negro Poets: Horton, Mrs. Harper and Whitman, giving his audience startling information about these literary workers in the days when opportunities were meager. In this way, Dean Brawley successfully bridged the gap between Phyllis Wheatley and Paul Lawrence Dunbar. Professor Kelly Miller then delivered an instructive address on The Place of Negro History in our Schools. Professor Miller's discourse was well received and seemed to arouse interest in the study of Negro history. Dr. C. G. Woodson made some remarks concerning the plans of the Association and Dr. J. E. Moorland appealed to the people for their support. Many new members were added. The Association then adjourned.


Transcriber's Notes:

Every effort has been made to replicate this text as faithfully as possible, including obsolete and variant spellings and other inconsistencies. The transcriber made the following changes to the text to correct obvious errors:

 1. p.  49, No footnote marker for footnote #45 in original text.
 2. p.  63, No footnote marker for footnote #79 in original text.
 3. p.  69, No footnote marker for footnote #96 in original text.
 4. p. 120, Footnote #153, "pp. 263 ff" changed to "pp. 263 ff."
 5. p. 130, Footnote #178, "Woolmans'" changed to "Woolman's"
 6. p. 186, "kinds of graots" changed to "kinds of groats"
 7. p. 213, No footnote marker for footnote #244.
 8. p. 216, Footnote #255, "XXXV, 126" changed to "XXXV, 126."
 9. p. 226, Footnote #286, "December 26, 1916", left unchanged
10. p. 259, "Like Miss Patterson" changed to "Like Miss Patterson,"
11. p. 349, No footnote marker for footnote #402.
12. p. 380, Footnote #465 and 466 were referenced with the
            same footnote marker number in the original text.
13. p. 419, Footnote #524, 525, 526 were all referenced with the
            same footnote marker number in the original text.
14. All     The footnotes have been re-numbered.






End of the Project Gutenberg EBook of The Journal of Negro History, Volume
2, 1917, by Various

*** END OF THIS PROJECT GUTENBERG EBOOK NEGRO HISTORY ***

***** This file should be named 20752-h.htm or 20752-h.zip *****
This and all associated files of various formats will be found in:
        http://www.gutenberg.org/2/0/7/5/20752/

Produced by Curtis Weyant, Richard J. Shiffer and the
Online Distributed Proofreading Team at http://www.pgdp.net


Updated editions will replace the previous one--the old editions
will be renamed.

Creating the works from public domain print editions means that no
one owns a United States copyright in these works, so the Foundation
(and you!) can copy and distribute it in the United States without
permission and without paying copyright royalties.  Special rules,
set forth in the General Terms of Use part of this license, apply to
copying and distributing Project Gutenberg-tm electronic works to
protect the PROJECT GUTENBERG-tm concept and trademark.  Project
Gutenberg is a registered trademark, and may not be used if you
charge for the eBooks, unless you receive specific permission.  If you
do not charge anything for copies of this eBook, complying with the
rules is very easy.  You may use this eBook for nearly any purpose
such as creation of derivative works, reports, performances and
research.  They may be modified and printed and given away--you may do
practically ANYTHING with public domain eBooks.  Redistribution is
subject to the trademark license, especially commercial
redistribution.



*** START: FULL LICENSE ***

THE FULL PROJECT GUTENBERG LICENSE
PLEASE READ THIS BEFORE YOU DISTRIBUTE OR USE THIS WORK

To protect the Project Gutenberg-tm mission of promoting the free
distribution of electronic works, by using or distributing this work
(or any other work associated in any way with the phrase "Project
Gutenberg"), you agree to comply with all the terms of the Full Project
Gutenberg-tm License (available with this file or online at
http://gutenberg.org/license).


Section 1.  General Terms of Use and Redistributing Project Gutenberg-tm
electronic works

1.A.  By reading or using any part of this Project Gutenberg-tm
electronic work, you indicate that you have read, understand, agree to
and accept all the terms of this license and intellectual property
(trademark/copyright) agreement.  If you do not agree to abide by all
the terms of this agreement, you must cease using and return or destroy
all copies of Project Gutenberg-tm electronic works in your possession.
If you paid a fee for obtaining a copy of or access to a Project
Gutenberg-tm electronic work and you do not agree to be bound by the
terms of this agreement, you may obtain a refund from the person or
entity to whom you paid the fee as set forth in paragraph 1.E.8.

1.B.  "Project Gutenberg" is a registered trademark.  It may only be
used on or associated in any way with an electronic work by people who
agree to be bound by the terms of this agreement.  There are a few
things that you can do with most Project Gutenberg-tm electronic works
even without complying with the full terms of this agreement.  See
paragraph 1.C below.  There are a lot of things you can do with Project
Gutenberg-tm electronic works if you follow the terms of this agreement
and help preserve free future access to Project Gutenberg-tm electronic
works.  See paragraph 1.E below.

1.C.  The Project Gutenberg Literary Archive Foundation ("the Foundation"
or PGLAF), owns a compilation copyright in the collection of Project
Gutenberg-tm electronic works.  Nearly all the individual works in the
collection are in the public domain in the United States.  If an
individual work is in the public domain in the United States and you are
located in the United States, we do not claim a right to prevent you from
copying, distributing, performing, displaying or creating derivative
works based on the work as long as all references to Project Gutenberg
are removed.  Of course, we hope that you will support the Project
Gutenberg-tm mission of promoting free access to electronic works by
freely sharing Project Gutenberg-tm works in compliance with the terms of
this agreement for keeping the Project Gutenberg-tm name associated with
the work.  You can easily comply with the terms of this agreement by
keeping this work in the same format with its attached full Project
Gutenberg-tm License when you share it without charge with others.

1.D.  The copyright laws of the place where you are located also govern
what you can do with this work.  Copyright laws in most countries are in
a constant state of change.  If you are outside the United States, check
the laws of your country in addition to the terms of this agreement
before downloading, copying, displaying, performing, distributing or
creating derivative works based on this work or any other Project
Gutenberg-tm work.  The Foundation makes no representations concerning
the copyright status of any work in any country outside the United
States.

1.E.  Unless you have removed all references to Project Gutenberg:

1.E.1.  The following sentence, with active links to, or other immediate
access to, the full Project Gutenberg-tm License must appear prominently
whenever any copy of a Project Gutenberg-tm work (any work on which the
phrase "Project Gutenberg" appears, or with which the phrase "Project
Gutenberg" is associated) is accessed, displayed, performed, viewed,
copied or distributed:

This eBook is for the use of anyone anywhere at no cost and with
almost no restrictions whatsoever.  You may copy it, give it away or
re-use it under the terms of the Project Gutenberg License included
with this eBook or online at www.gutenberg.org

1.E.2.  If an individual Project Gutenberg-tm electronic work is derived
from the public domain (does not contain a notice indicating that it is
posted with permission of the copyright holder), the work can be copied
and distributed to anyone in the United States without paying any fees
or charges.  If you are redistributing or providing access to a work
with the phrase "Project Gutenberg" associated with or appearing on the
work, you must comply either with the requirements of paragraphs 1.E.1
through 1.E.7 or obtain permission for the use of the work and the
Project Gutenberg-tm trademark as set forth in paragraphs 1.E.8 or
1.E.9.

1.E.3.  If an individual Project Gutenberg-tm electronic work is posted
with the permission of the copyright holder, your use and distribution
must comply with both paragraphs 1.E.1 through 1.E.7 and any additional
terms imposed by the copyright holder.  Additional terms will be linked
to the Project Gutenberg-tm License for all works posted with the
permission of the copyright holder found at the beginning of this work.

1.E.4.  Do not unlink or detach or remove the full Project Gutenberg-tm
License terms from this work, or any files containing a part of this
work or any other work associated with Project Gutenberg-tm.

1.E.5.  Do not copy, display, perform, distribute or redistribute this
electronic work, or any part of this electronic work, without
prominently displaying the sentence set forth in paragraph 1.E.1 with
active links or immediate access to the full terms of the Project
Gutenberg-tm License.

1.E.6.  You may convert to and distribute this work in any binary,
compressed, marked up, nonproprietary or proprietary form, including any
word processing or hypertext form.  However, if you provide access to or
distribute copies of a Project Gutenberg-tm work in a format other than
"Plain Vanilla ASCII" or other format used in the official version
posted on the official Project Gutenberg-tm web site (www.gutenberg.org),
you must, at no additional cost, fee or expense to the user, provide a
copy, a means of exporting a copy, or a means of obtaining a copy upon
request, of the work in its original "Plain Vanilla ASCII" or other
form.  Any alternate format must include the full Project Gutenberg-tm
License as specified in paragraph 1.E.1.

1.E.7.  Do not charge a fee for access to, viewing, displaying,
performing, copying or distributing any Project Gutenberg-tm works
unless you comply with paragraph 1.E.8 or 1.E.9.

1.E.8.  You may charge a reasonable fee for copies of or providing
access to or distributing Project Gutenberg-tm electronic works provided
that

- You pay a royalty fee of 20% of the gross profits you derive from
     the use of Project Gutenberg-tm works calculated using the method
     you already use to calculate your applicable taxes.  The fee is
     owed to the owner of the Project Gutenberg-tm trademark, but he
     has agreed to donate royalties under this paragraph to the
     Project Gutenberg Literary Archive Foundation.  Royalty payments
     must be paid within 60 days following each date on which you
     prepare (or are legally required to prepare) your periodic tax
     returns.  Royalty payments should be clearly marked as such and
     sent to the Project Gutenberg Literary Archive Foundation at the
     address specified in Section 4, "Information about donations to
     the Project Gutenberg Literary Archive Foundation."

- You provide a full refund of any money paid by a user who notifies
     you in writing (or by e-mail) within 30 days of receipt that s/he
     does not agree to the terms of the full Project Gutenberg-tm
     License.  You must require such a user to return or
     destroy all copies of the works possessed in a physical medium
     and discontinue all use of and all access to other copies of
     Project Gutenberg-tm works.

- You provide, in accordance with paragraph 1.F.3, a full refund of any
     money paid for a work or a replacement copy, if a defect in the
     electronic work is discovered and reported to you within 90 days
     of receipt of the work.

- You comply with all other terms of this agreement for free
     distribution of Project Gutenberg-tm works.

1.E.9.  If you wish to charge a fee or distribute a Project Gutenberg-tm
electronic work or group of works on different terms than are set
forth in this agreement, you must obtain permission in writing from
both the Project Gutenberg Literary Archive Foundation and Michael
Hart, the owner of the Project Gutenberg-tm trademark.  Contact the
Foundation as set forth in Section 3 below.

1.F.

1.F.1.  Project Gutenberg volunteers and employees expend considerable
effort to identify, do copyright research on, transcribe and proofread
public domain works in creating the Project Gutenberg-tm
collection.  Despite these efforts, Project Gutenberg-tm electronic
works, and the medium on which they may be stored, may contain
"Defects," such as, but not limited to, incomplete, inaccurate or
corrupt data, transcription errors, a copyright or other intellectual
property infringement, a defective or damaged disk or other medium, a
computer virus, or computer codes that damage or cannot be read by
your equipment.

1.F.2.  LIMITED WARRANTY, DISCLAIMER OF DAMAGES - Except for the "Right
of Replacement or Refund" described in paragraph 1.F.3, the Project
Gutenberg Literary Archive Foundation, the owner of the Project
Gutenberg-tm trademark, and any other party distributing a Project
Gutenberg-tm electronic work under this agreement, disclaim all
liability to you for damages, costs and expenses, including legal
fees.  YOU AGREE THAT YOU HAVE NO REMEDIES FOR NEGLIGENCE, STRICT
LIABILITY, BREACH OF WARRANTY OR BREACH OF CONTRACT EXCEPT THOSE
PROVIDED IN PARAGRAPH F3.  YOU AGREE THAT THE FOUNDATION, THE
TRADEMARK OWNER, AND ANY DISTRIBUTOR UNDER THIS AGREEMENT WILL NOT BE
LIABLE TO YOU FOR ACTUAL, DIRECT, INDIRECT, CONSEQUENTIAL, PUNITIVE OR
INCIDENTAL DAMAGES EVEN IF YOU GIVE NOTICE OF THE POSSIBILITY OF SUCH
DAMAGE.

1.F.3.  LIMITED RIGHT OF REPLACEMENT OR REFUND - If you discover a
defect in this electronic work within 90 days of receiving it, you can
receive a refund of the money (if any) you paid for it by sending a
written explanation to the person you received the work from.  If you
received the work on a physical medium, you must return the medium with
your written explanation.  The person or entity that provided you with
the defective work may elect to provide a replacement copy in lieu of a
refund.  If you received the work electronically, the person or entity
providing it to you may choose to give you a second opportunity to
receive the work electronically in lieu of a refund.  If the second copy
is also defective, you may demand a refund in writing without further
opportunities to fix the problem.

1.F.4.  Except for the limited right of replacement or refund set forth
in paragraph 1.F.3, this work is provided to you 'AS-IS' WITH NO OTHER
WARRANTIES OF ANY KIND, EXPRESS OR IMPLIED, INCLUDING BUT NOT LIMITED TO
WARRANTIES OF MERCHANTIBILITY OR FITNESS FOR ANY PURPOSE.

1.F.5.  Some states do not allow disclaimers of certain implied
warranties or the exclusion or limitation of certain types of damages.
If any disclaimer or limitation set forth in this agreement violates the
law of the state applicable to this agreement, the agreement shall be
interpreted to make the maximum disclaimer or limitation permitted by
the applicable state law.  The invalidity or unenforceability of any
provision of this agreement shall not void the remaining provisions.

1.F.6.  INDEMNITY - You agree to indemnify and hold the Foundation, the
trademark owner, any agent or employee of the Foundation, anyone
providing copies of Project Gutenberg-tm electronic works in accordance
with this agreement, and any volunteers associated with the production,
promotion and distribution of Project Gutenberg-tm electronic works,
harmless from all liability, costs and expenses, including legal fees,
that arise directly or indirectly from any of the following which you do
or cause to occur: (a) distribution of this or any Project Gutenberg-tm
work, (b) alteration, modification, or additions or deletions to any
Project Gutenberg-tm work, and (c) any Defect you cause.


Section  2.  Information about the Mission of Project Gutenberg-tm

Project Gutenberg-tm is synonymous with the free distribution of
electronic works in formats readable by the widest variety of computers
including obsolete, old, middle-aged and new computers.  It exists
because of the efforts of hundreds of volunteers and donations from
people in all walks of life.

Volunteers and financial support to provide volunteers with the
assistance they need, is critical to reaching Project Gutenberg-tm's
goals and ensuring that the Project Gutenberg-tm collection will
remain freely available for generations to come.  In 2001, the Project
Gutenberg Literary Archive Foundation was created to provide a secure
and permanent future for Project Gutenberg-tm and future generations.
To learn more about the Project Gutenberg Literary Archive Foundation
and how your efforts and donations can help, see Sections 3 and 4
and the Foundation web page at http://www.pglaf.org.


Section 3.  Information about the Project Gutenberg Literary Archive
Foundation

The Project Gutenberg Literary Archive Foundation is a non profit
501(c)(3) educational corporation organized under the laws of the
state of Mississippi and granted tax exempt status by the Internal
Revenue Service.  The Foundation's EIN or federal tax identification
number is 64-6221541.  Its 501(c)(3) letter is posted at
http://pglaf.org/fundraising.  Contributions to the Project Gutenberg
Literary Archive Foundation are tax deductible to the full extent
permitted by U.S. federal laws and your state's laws.

The Foundation's principal office is located at 4557 Melan Dr. S.
Fairbanks, AK, 99712., but its volunteers and employees are scattered
throughout numerous locations.  Its business office is located at
809 North 1500 West, Salt Lake City, UT 84116, (801) 596-1887, email
business@pglaf.org.  Email contact links and up to date contact
information can be found at the Foundation's web site and official
page at http://pglaf.org

For additional contact information:
     Dr. Gregory B. Newby
     Chief Executive and Director
     gbnewby@pglaf.org


Section 4.  Information about Donations to the Project Gutenberg
Literary Archive Foundation

Project Gutenberg-tm depends upon and cannot survive without wide
spread public support and donations to carry out its mission of
increasing the number of public domain and licensed works that can be
freely distributed in machine readable form accessible by the widest
array of equipment including outdated equipment.  Many small donations
($1 to $5,000) are particularly important to maintaining tax exempt
status with the IRS.

The Foundation is committed to complying with the laws regulating
charities and charitable donations in all 50 states of the United
States.  Compliance requirements are not uniform and it takes a
considerable effort, much paperwork and many fees to meet and keep up
with these requirements.  We do not solicit donations in locations
where we have not received written confirmation of compliance.  To
SEND DONATIONS or determine the status of compliance for any
particular state visit http://pglaf.org

While we cannot and do not solicit contributions from states where we
have not met the solicitation requirements, we know of no prohibition
against accepting unsolicited donations from donors in such states who
approach us with offers to donate.

International donations are gratefully accepted, but we cannot make
any statements concerning tax treatment of donations received from
outside the United States.  U.S. laws alone swamp our small staff.

Please check the Project Gutenberg Web pages for current donation
methods and addresses.  Donations are accepted in a number of other
ways including checks, online payments and credit card donations.
To donate, please visit: http://pglaf.org/donate


Section 5.  General Information About Project Gutenberg-tm electronic
works.

Professor Michael S. Hart is the originator of the Project Gutenberg-tm
concept of a library of electronic works that could be freely shared
with anyone.  For thirty years, he produced and distributed Project
Gutenberg-tm eBooks with only a loose network of volunteer support.


Project Gutenberg-tm eBooks are often created from several printed
editions, all of which are confirmed as Public Domain in the U.S.
unless a copyright notice is included.  Thus, we do not necessarily
keep eBooks in compliance with any particular paper edition.


Most people start at our Web site which has the main PG search facility:

     http://www.gutenberg.org

This Web site includes information about Project Gutenberg-tm,
including how to make donations to the Project Gutenberg Literary
Archive Foundation, how to help produce our new eBooks, and how to
subscribe to our email newsletter to hear about new eBooks.