The Project Gutenberg EBook of The Gunner's Examiner, by Harold E. Cloke

This eBook is for the use of anyone anywhere at no cost and with
almost no restrictions whatsoever.  You may copy it, give it away or
re-use it under the terms of the Project Gutenberg License included
with this eBook or online at www.gutenberg.org/license


Title: The Gunner's Examiner

Author: Harold E. Cloke

Release Date: January 6, 2015 [EBook #47895]

Language: English

Character set encoding: ISO-8859-1

*** START OF THIS PROJECT GUTENBERG EBOOK THE GUNNER'S EXAMINER ***




Produced by Chris Curnow, Moti Ben-Ari and the Online
Distributed Proofreading Team at http://www.pgdp.net (This
file was produced from images generously made available
by The Internet Archive)






WORKS OF CAPTAIN H. E. CLOKE

PUBLISHED BY
JOHN WILEY & SONS

The Gunner's Examiner.

Third Edition, Revised and Enlarged. 8vo, viii + 206 pages, 109 figures. Cloth, $1.50.

The Enlisted Specialists' Examiner.

8vo, vi + 186 pages, 146 figures. Cloth, $2.00 net.


SOME RESULTS OF LONG RANGE FIRING IN BOSTON HARBOR.

BULLS EYE, 12" B.L.R.                                         HIT ON WATER LINE, 10" B.L.R.
[Frontispiece.]

[i]

THE GUNNER'S EXAMINER

PREPARED BY
HAROLD E. CLOKE
Captain Coast Artillery Corps, U. S. A.

THIRD EDITION, REVISED AND ENLARGED.
FIRST THOUSAND

NEW YORK
JOHN WILEY AND SONS
London: CHAPMAN AND HALL, Limited
1908


[ii]

Copyright, 1905, 1906, 1908,
BY

HAROLD E. CLOKE

The Scientific Press
Robert Drummond and Company
New York


[iii]

PREFACE.

Owing to the practical impossibility of a student of gunnery obtaining ready access to all the books, pamphlets, circulars, orders, etc., necessary to fit him for the examinations as required by General Orders of the War Department for first- and second-class gunners, and also owing to the extreme difficulty the average enlisted man has in comprehending the technical language in which these books, pamphlets, etc., are couched,—provided he does by some stroke of good fortune come into possession of some of them,—the author has been impelled to compile this work.

Effort has been made to eliminate all subjects that are not included in the requirements of G. O. 141, 1904, yet being particular that it contain all such subjects as an examining board might fairly construe to be within the interest and scope of the order.

As the art of gunnery changes from year to year, and the scope of gunner's examinations changes likewise, it is intended that this book be revised and published accordingly.

The preparation of this book was suggested to the author by the members of his company—the 61st Coast Artillery.

As is well known, the first publication of a text-book is liable to contain a few technical errors. The author will be grateful for any information of such a character concerning this work.

[iv]

The author is indebted to Brigadier-General William Crozier for supplying him with many pamphlets issued by the Ordnance Department; to First Lieutenant W. K. Moore for correction of proof and other matters; and to Master Electrician C. M. Beer, Artillery Corps, for photographs.

Fort Totten, N. Y., February, 1905.


PREFACE TO THE SECOND EDITION.

In this edition the author has endeavored to make all the corrections which were suggested to him during the past year, and to add to the book descriptions, etc., of the new range-board, the deflection-board, several later types of guns, and a brief discourse on the loading, planting, and care of submarine mines according to the new and adopted system.

The author desires to thank Captain R. P. Davis for his revision of the "torpedo gunnery" contained in the work.

Fort Totten, N. Y., November, 1905.


[v]

PREFACE TO THE THIRD EDITION.

As was stated in the preface of the first edition, this book will be revised from year to year as the rules of gunnery change, and this revision is made merely to bring the book up to date.

It is intended in this revision to conform strictly to G. O. 105, 1907, and to add to the book only such matter as will assist enlisted men of the Coast Artillery Corps to pass their examinations for first or second-class gunners.

The chapter on submarine mining is almost completely revised, for the reason that the new system has undergone many more radical changes within the past few years than has gunnery in the Coast Artillery.

Several additions in mortar gunnery have been made in order to keep pace with the rapid and remarkable development of this arm of Coast Artillery.

Fort Totten, New York, March, 1908.

[vi]


[vii]

CONTENTS.

CHAPTER I.
 PAGE
Extracts from G. O. 105, May 11, 19071
Schedule of Examination for Gunners2
Syllabus of Examination for Gunners3
Second-class Gunners4
First-class Gunners6
Torpedo-company Gunners9
Examination for Second-class Gunners11
General Information11
Service of the Piece11
12-inch B. L. R., Disappearing Carriage13
12-inch B. L. R., Mounted on Non-disappearing Carriage26
8-inch Non-disappearing30
12-inch Mortar, Model 189633
6-inch Disappearing37
 
Nomenclature and General Description41
Breech-blocks, Recoil-cylinders, etc.44
Care of Guns and Carriages66
Powders, Projectiles, Primers, and Fuses73
Cordage, Blocks, Tackle, Gins, Shears, etc.88
Knots and Hitches91
Splices95
Rigging-tackles96
Gins98
Shears99
Hydraulic Jacks102
U. S. Magazine Rifle Description etc.105
 
CHAPTER II.[viii]
Examination of First-class Gunners111
(a) The Azimuth Instrument and Definitions111
(b) The Plotting-board116
The Range-board123
The Deflection-board128
The Telescopic Sight136
Wind Component145
The Aeroscope146
Anemometer149
Electric Stop-watch149
The Atmosphere-board150
Special Apparatus for Mortars151
Battle-ships, Armor, etc.151
 
Examination for Torpedo-company Gunners169
Second-class Gunners169
Service of the Piece, Nomenclature169
Duties in the Loading-room174
Duties on the Water181
Magazine Rifle, Description, etc.186
First-class Gunners186
Care and Preservation of Mine Material186
Handling High Explosives189
The Azimuth Instrument and Plotting-board190
Storage Batteries190
Generators190
Searchlights190
Oil-engines195
Apparatus and Operation of Casemate Switchboard198

[1]

THE GUNNER'S EXAMINER.

CHAPTER I.

EXTRACTS FROM GENERAL ORDERS NO. 105, WAR DEPARTMENT, WASHINGTON, MAY 11, 1907.

144. A candidate to be eligible for qualification as first-class gunner must have previously qualified as second-class gunner, though both qualifications may be made at the same examination.

145. Boards of examination shall be convened annually in each artillery district by the district commander, to meet within one month after the expiration of the indoor instruction period. Separate boards may be convened for the examination of candidates for first and second-class gunners and also for the posts attached to the artillery district. All boards shall consist of three artillery officers, selected with reference to their special qualifications for this duty; provided, that when a member of the board is a company commander he will, during the examination of candidates from his company, be replaced by an officer of another company. Where travel is necessary the selection of an officer for this duty will be made subject to the approval of the authority competent to order the necessary journeys.

146. Each company commander will, previous to the commencement of the examination, submit to the adjutant a duly signed list, in the triplicate, giving the full names, arranged in[2] muster-roll order, of all the men in his company who are to be examined for first or second-class gunners, with the statement that he believes that each man so presented is capable of qualifying in the class designated. These lists will be transmitted to the senior member of the board by the post commander.

147. In determining the qualifications of candidates credit shall be given for practical knowledge of subjects rather than for text-book answers to questions.

Schedules for Examinations for Candidates for Gunners.

148. For candidates in companies assigned to gun defence:

For second-class gunners—
(a) Service of the piece25
(b) Guns and carriages25
(c) Powders, projectiles, primers, and fuses25
(d) Cordage, gins, shears, jacks15
(e) U. S. magazine rifle10
 ——
 100
 
For first-class gunners—
(a) The azimuth instrument20
(b) Duties in the plotting-room50
(c) Aiming and laying guns and mortars15
(d) Elementary gunnery5
(e) Warships10
 ——
 100

149. The examination of candidates for first-class gunners of organizations assigned exclusively to rapid-fire guns not provided with separate position-finding system shall include the following head in lieu of that given above under (b):

(b) Subcaliber firing 50

150. The examination of candidates for first-class gunners shall be held as far as practicable at such places as the material or equipment pertaining to the subject in hand is located, i.e., at the guns or in the plotting-rooms.

[3]

151. The examination in subjects (a), (b), (c) for second-class gunners and in subjects (a), (b), (c) and (d) for first-class gunners shall be confined to the material of the battery and its accessories to which the company is assigned. If no azimuth instrument is included in the battery equipment, the instrument used in the company instruction shall be used in the examination. If for any cause beyond the power of the battery commander any part of this equipment has been removed from his control and has not been available for instruction for at least two months previous to the examination, such material shall form no part of the examination.

152. For candidates in companies and detachments assigned to mine defence:

For second-class gunners—
(a) Ammunition, nomenclature, and service of guns assigned
to the company of which the candidate is a member15
(b) Material of and duties in the loading room (except
electrical principles involved)35
(c) Material for and duties on water30
(d) Cordage10
(e) U. S. magazine rifle10
 ——
 100
For first-class gunners—
(a) Care and preservation of mine material20
(b) Handling high explosives20
(c) Knowledge and use of the azimuth instrument
and plotting-board20
(d) Batteries, generators, and searchlights assigned to
the company of which candidate is a member20
(e) Apparatus and operation of switchboard and care
and use of telephone20
 ——
 100

[4]

153. The qualifying mark for classification as first or second-class gunner shall be in each case not less than an average of 75 per centum. Whenever, during the progress of the examination of a candidate for either grade, the sum of the marks received on subjects in which he has already been examined, increased by the maximum allowed for the remaining subjects, is less than 75, his examination will be discontinued.

154. Instruction in the course for first or second-class gunner will be given to such men as the company commander may consider capable of mastering the prescribed schedules.

155. Men not receiving instruction in the gunners' classes will perform such duties at their batteries or elsewhere during the hours for instruction as their company commander, with the approval of the post commander, may direct.

156. The board shall keep a record of its marks during the examination, but these marks shall not be published in orders. The record of each company shall be sent to the artillery district commander as soon as possible after the completion of the examination, to be published immediately. The report of the board to be published in orders shall contain the names of those who have qualified as first and second-class gunners and recite the date of the report, which will be the date of the completion of the company examination in each case, the names being arranged for each organization in each class in muster-roll order.

Syllabus of Examination for Candidates for Gunners in Companies assigned to Gun Defence.

The following syllabus gives the outline of the scope of the examination of candidates for gunners in companies assigned to gun defense. While the indoor instruction in any subject need not be limited to what is indicated in this syllabus, the examination of candidates for gunners shall be confined thereto.

[5]

SECOND-CLASS GUNNERS.

(a) Service of the Piece.

Questions on the service of the piece and nomenclature of the piece to which organization is assigned. If the company is assigned to pieces of different calibers, the candidate will be examined upon the piece of the caliber selected by the company commander. Examining boards are cautioned not to attach too much importance to nomenclature, where a candidate shows a knowledge of the practical use of the part under examination.

(b) Guns and Carriages.

Explain briefly how a breech-block of a heavy gun or mortar is dismantled; having a breech-block completely dismantled (not dismounted), how it is assembled and adjusted for firing; how old packing is removed from recoil-cylinders, and how they are repacked; how recoil-cylinders are filled. Object, care, and use of throttling-valve for guns and by-pass valve for mortars. Parts and surfaces of guns and carriages to be oiled; how much oil to use, and how it is used. Adjustment of grease-cups. In the case of rapid-fire guns explain how to adjust firing mechanism, percussion, and electric (if so equipped).

(c) Powders, Projectiles, Primers, Fuses.

Examination: Name the kind of powder used in the pieces of battery to which organization is assigned; give the weights of service charges and corresponding muzzle velocities of these pieces; also the lowest and highest muzzle velocities of the steel and cast-iron mortars, if assigned to mortar battery. Name the projectiles used in the pieces and give their weights. Tell how to distinguish from the painting of projectiles used, its kind, armor-piercing quality, and nature of bursting charge. Point out the cap, the ogive, the bourrelet, the body, the base, the rotating band, the fuse hole of a projectile.

Name each kind of fuse used in the battery (ring resistance, centrifugal, combination, detonating, see Ordnance Department[6] pamphlet No. 1727); tell how it is inserted to make a tight joint. Name the different kinds of primers used in the battery. Friction, electric, combination (electric-friction), percussion, igniting. Reload a drill primer. (Ordnance Department pamphlet No. 1881.)

(d) Cordage.

How is the size of a rope denoted? How do you serve a rope? Make a square knot; a bowline; rolling hitch; blackwall hitch; round turn and two half hitches; clove hitch. What is a strap or sling, and what is its use? Make a shear lashing. Mouse a hook and explain for what purpose used.

Point out the shell, sheave, pin, strap of a block, and describe the different kinds (single, double, treble, snatch, and tail blocks). Point out the running part; the standing part; the fall of a tackle.

Rig the following: Whip, gun tackle, luff, single burton.

Gins.—Name the different parts of a garrison-gin. Explain briefly how it is assembled and raised (the drill is not required). How can the upper block be placed in position after the gin has been raised?

Sheares.—What do sheares consist of, how are they rigged and raised, and what are they used for? How and when is the tackle made fast? How are sheares held in position after being raised?

Hydraulic Jacks.—For what is a hydraulic jack used? What liquids are used in the jack? How is it filled and emptied? How is the jack cared for when not in use? Show how to use the jack when lifting a heavy weight; in lowering a heavy weight; use of the claw in connection with the jack.

(e) U. S. Magazine Rifle.—Nomenclature of the piece, kind and weight of powder used, description and weight of projectile, muzzle velocity. Setting of sight for range and deflection.

[7]

FIRST-CLASS GUNNERS.

(a) Azimuth Instrument (pattern in use by the company for instruction), definition of angles, horizontal angles, vertical angle, angle measured by the instrument, leveling and orientation; focussing the telescope. Graduation of the instrument: Set up the instrument over a given point and orient it from sufficient data; direct the telescope successively on a series of points and read their azimuths with accuracy.

(b) The Plotting-room (for guns).

1. Plotting-board.—Point out the following: Primary and secondary stations, directing gun, displacement, gun-arm, travel-scale, azimuth-correction scale, tally dials, range-correction scale.

Lay off a distance of so many yards on the board; conversely, tell the distance in yards between two given points on the board.

The azimuths of a fixed target from the primary and secondary station being given, locate the corresponding point on the board, and give its azimuths and range, from the directing gun or directing point.

The azimuths of a fixed target from the primary and secondary stations being given, locate the corresponding point on the board and determine its range and azimuth from the directing gun or point.

2. Range Board.—Show how to make the range corrections for atmosphere, wind, tide, muzzle velocity, travel, and how this range correction is applied to the range-correction scale.

3. Deflection Board.—Show how to make deflection correction for wind, drift, and travel. Show how to make azimuth correction in Case 3 for wind, drift, travel, and how this correction is applied to azimuth correction scale.

What data are sent to the guns in Case 1, Case 2, and Case 3?

The plotting-room (for mortars).

[8]

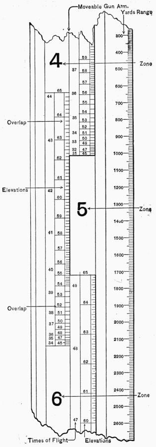
1. Plotting-board.—Point out the following: Primary and secondary stations, directing point, gun-arm, gun-arm azimuth circle, displacement, powder zones, elevation, times of flight.

Lay off a distance of so many yards on the board; conversely tell the distance between two given points on the board.

The range and azimuth of a fixed point (from primary station) being given, locate the corresponding point on the board. Tell the zone, elevation for firing at this point, and its azimuth from the directing point. The azimuth of a fixed target from the primary and secondary stations being given, locate the corresponding point on the board and determine its range and azimuth from the directing point.

2. Show how a target is tracked, how to get travel, how the time of flight is used, how to get predicted point, how to get set-forward point. What is the predicted point used for? What is the set-forward point used for? What data are sent to the pit and what to the B. C. station? Show how range corrections are made.

3. Drift Device (for deflection board if issued).—Show how to make arbitrary and drift corrections.

(c) Aiming and Laying Guns or Mortars.

1. For Rapid-fire Guns.—Set and read the sight for given elevations and deflections; aim the gun at some object; show how elevating and traversing hand-wheels are used; explain the use of the deflection scale for firing right and firing left. What is Case 1?

2. For Mortars.—Use of the gunner's quadrant, setting and reading the instrument, when and how placed when used with mortars. With the data received from the plotting room lay the piece. What is Case 3?

3. For Heavy Guns.—(Heavy guns refer to 8-inch, 10-inch, and 12-inch rifles and other guns which are provided with a system of vertical and horizontal position finders.) Name the principal parts of the telescopic sight (one used for instruction purposes); show how it is used. Its readings for elevation and[9] deflection, east count of its scales. Place it on the Hagood tripod mount, level it; set it for given elevation and deflection.

4. Use of Difference Chart.—An example like the following will be given: Range 4500 yards, azimuth 210. Put down the corrected range and azimuth.

Examination in the foregoing subject (c) to be confined to the authorized systems in use by the company during the year and to the complete equipment of the battery to which the company is assigned.

(d) Elementary Gunnery.—Axis of the bore; line of departure; line of sight; drift; muzzle velocity; quadrant elevation; sight elevation; angle of fall; jump; trajectory; time of flight.

(e) General Features of Warships.—General features of battleships (broad beam compared to length, low freeboard, general massive appearance, large turrets fore and aft, heavy guns, heavy armor, generally moderate speed).

Armored cruisers: (High freeboard, narrow beam compared to length, medium armor, medium turrets, medium guns, high speed).

Protected cruisers: (Fine lines, moderate size, no armor, medium guns usually with shields, protective deck).

Torpedo-boat destroyers: (High bow, generally great speed, light guns, no armor).

Torpedo boats: (Small size, high speed, no armor).

The following head will take the place of subject (b) in the examination of candidates for first-class gunners of organizations assigned exclusively to rapid-fire guns:

(b) Subcaliber Firing.—The 15-pounder gun and subcaliber attachment will be used. The target will be Target X, miniature target, page 25, Small-arms Firing Regulations, 1906, pasted on a screen of sufficient size to catch all the shots, preferably the screen used for small-arms Target A; range about 95 feet, where six minutes on the scale is equal to 2 inches at the target; method of scoring as prescribed for small-arms practice.

[10]

During the test one member of the board will be at the target and will personally superintend the marking.

The preliminary shots will be fired under direction of the examining board until three hits have been obtained with the same elevation and deflection. The center of impact of these three shots will be referred to the horizontal and vertical axes through the bulls'-eye of the target and its coordinates carefully measured. This center of impact will not be on the miniature target and may be changed by the board as often as they deem necessary during the examination. These measurements, with the elevation and deflection used, will be given to the candidate, who will be required to make corrections corresponding to the distance of the center of impact from the bull's-eye. Each candidate will fire five shots, the piece being thrown off the target between shots. Each shot will be marked as fired, the candidate making such changes in elevation and deflection as he may deem necessary before firing the next shot. The ratio of the candidates' score to the maximum score possible will determine the credit, the maximum credit being 20.

After this test the candidate will fire at the fixed subcaliber target anchored at about 500 yards, without knowing the exact distance, five rounds under service conditions in one minute and thirty seconds. Three sighting shots will be allowed each candidate preceding the latter test. Each hit on the material target counts 6.

Syllabus of Examination for Candidates for Gunners in Companies and Detachments assigned to Mine Defense.

The following syllabus gives the outline of the scope of the examination of candidates for gunner in companies and detachments assigned to mine defense. It is not intended that the theoretical instruction in any subject shall be limited to what is indicated in this syllabus, but the examination for candidates for gunners will be closely confined thereto.

[11]

SECOND-CLASS GUNNERS.

(a) Ammunition, Nomenclature, and Service of Guns assigned to the Company of which the Candidate is a Member.

Duties of the cannoneer and nomenclature of the piece to which assigned. (Note: If not assigned to a piece, or if the company is assigned to different pieces of different calibers, the candidate will be examined upon the piece of the caliber selected by the company commander.)

Describe the ammunition and name all the projectiles used for the piece upon which examined.

(b) Material of and Duties in the Loading Room (except electrical principles involved).

What apparatus is used in making a Turk's head? A telegraph joint? A joint to be used under water? Name all the parts of an assembled mine. Name all the parts of a compound plug and explain how to load one. What is a cut-out plug? Explain how to prepare a cut-out plug and box. What apparatus is used in preparing a compound plug? How are mines numbered? How are mooring pipes prepared, and what are the rules for lengths of mine cables and of mooring ropes?

(c) Material for and Duties on the Water.

What apparatus is taken out in the grand-junction box-boat? How and in what way are the cores of cable numbered? How is a mine, together with its attachments, arranged on a boat for planting? Name the apparatus on the boat used in planting and raising mines. What are the duties in the triple-junction box-boat in planting and in raising mines, and what precaution is taken so that cables may be distinguished when box is raised? Explain how soundings for a triple group are made.

(d) Cordage.

Name the important knots used in mine work and explain how to make four of them. The mooring rope of a heavy weight cannot pass over the winch, but lifting must be done with the fall; explain the method of proceeding.

[12]

(e) U. S. Magazine Rifle.—Nomenclature of the piece, kind and weight of powder used, description and weight of projectile, muzzle velocity. Setting of sight for range and deflection.

FIRST-CLASS GUNNERS.

(a) Care and Preservation of Mine Material.

Name the supplies necessary for cleaning mine material. Name those used in preserving it, stating for what each is used, and how certain ones (to be selected by the examiner) are applied.

(b) Handling High Explosives.

What high explosives are used in mines? What are the important precautions to be taken in loading mines? How is frozen dynamite thawed? Where is the main supply of explosive kept, and how much is taken out at one time to the explosive house near the loading-room?

(c) Knowledge and Use of Azimuth Instrument and Plotting Board.

Names of important parts. Set up the instrument with given data. Read angles from instrument. Act as observer. Act as reader.

Describe a plotting board. Explain the method of computing the time from any plotted point to a mine. Act as plotter.

(d) Batteries, Generators, and Searchlights assigned to the Company of which the Candidate is a Member.

Name the batteries used in mine work. Describe the casemate battery. What precautions are necessary in keeping it in order? What is used as the signal battery in mine work? Describe a searchlight. Describe parts of generators and important points to be observed in caring for them.

(e) Apparatus and Operation of Casemate Switchboard and Care and Use of Telephone.

Name the apparatus of the switchboard. Explain how to fire a mine by judgment, and how to start the motor generator. Explain how to test mine and cable ends. How are boat telephones[13] operated? Name the parts of fire-control telephones used in mine-commander stations, and give the principal points to be observed in operating them.

SECOND-CLASS GUNNERS.

General Information.

1. Gunnery is the science and art of operating and firing guns.

2. A gun is a machine which throws projectiles with great force in a certain direction under the expanding force of powder gas.

3. The army is composed of the following divisions: The line and the staff. The line is composed of Infantry, Cavalry, Artillery, Engineers, etc. The staff of Quartermaster Dept., Commissary Dept., Ordnance Dept., Signal Corps, Pay Dept., etc.

4. The artillery in our army is organized as a corps of Coast Artillery composed of 169 companies and 6 regiments in the Field Artillery.

5. A battery of coast artillery consists of two or more guns or two or more pits of mortars.

6. A fire command is composed of two batteries or more whose fire sweeps the same area or adjoining areas; this fire is controlled by one man, called the fire commander.

7. A battle command is two or more fire or mine commands sweeping the same or adjacent areas; this commanded by one man—the battle commander.

8. A mine command is a portion of submarine defenses and rapid-fire guns, all commanded by one man—the mine commander.

9. The number of men required for a fire, battle, or mine command depends on the number and caliber of the guns or mortars or the size of the mine command.

10. The number of men in a coast artillery company is 109; in a troop of cavalry 65, in a company of infantry 60.

[14]


EXTRACTS FROM G. O., 9, W. D. 1908.

IV. Seacoast Artillery Table of Annual Allowances of Ammunition for Target Practice and Instruction per
Battery in Commission.

 
Entries of the first column:
A = 15 pdr. R. F. (all models)
B = 4-inch and 4·72-inch R. F.
C = 5-inch R. F., models of 1897 and 1900
D = 6-inch Ordnance Department R. F., models of 1897, 1900, 1903, and 1905
E = 8-inch rifle
F = 10-inch rifle, models of 1888, 1895, and 1900
G = 12-inch rifle, models of 1888, 1895, and 1900
H = 12-inch mortar, models of 1886 and 1890:
H1 = At batteries to which only one company is assigned
H2 = At batteries to which two companies are assigned
 
 Full Service Charges. Additional
      Primers for Drill.
Guns, CaliberTrial Shots.Record Shots.Sub-ServiceDrill
and Model. caliber.Primers.Primers.
 1st2d1st2d
 Pract.Pract.Pract.Pract.
A3310103000160800
B310900225225
C31090060400
D33101090060400
E336460060400
F336460060400
G336460060400
H
H1331616150100400
H2331616300200800

Note.—All projectiles will be service weight and form, cast iron only, or such projectiles as are specially designated for target practice. Companies which cannot have subcaliber practice at home station have only one-half the annual subcaliber allowance.

[15]

12-inch Mortars.—The number of zones, muzzle velocities corresponding thereto, zone limits, width of zones and overlaps for the 12-inch mortar, cast-iron, steel-hooped, and the 12-inch mortar, steel, have been rearranged and are now as shown by the following table:

Column headings:
A = Number of Zone.
B = Muzzle Velocity.
C = Weight of Projectile.
D = Zone Limits.
E = Width of Zone.
F = Overlaps.
 
 12-inch Mortar, Cast-iron, Steel-hooped.12-inch Mortar, Steel.
 
ABCDEFBCDEF
 F. S.Lbs.Yds.Yds.Yds.F. S.Lbs.Yds.Yds.Yds.
156010462225-300077540055010462210-2970760370
261010462600-348088048060010462600-3431831361
367010463080-4110103040066010463070-4030960399
474310463710-5000129040072510463631-48001169371
583710464600-6240164040081010464429-59401511420
691010465840-7319147959491510465520-74761956449
71050824——————105010467027-92502223492
8——————————1300824

Note.—Each smokeless powder cartridge to have 10-ounce igniter (black rifle powder) at each end in addition to above charges.

All smokeless-powder charges for mortars will be issued made up, ready for use, as the charges vary with each lot of powder. They will be distinctly marked to indicate the zone number.

(a) SERVICE OF THE PIECE.

Q. Give the general duties of a gun commander.

A. The gun commander repeats the commands "Commence firing" and "Cease firing," announces the kind of projectile to be used, the order to fire, the method of pointing, and in restricted fire the number of shots and the firing interval, all in accordance with the orders of a battery commander. The gun commander is responsible to the battery commander for the condition of the material and the efficiency of the personnel of his command.

[16]

Q. Give the general duties of a chief of detachment.

A. Each chief commands his own subdivision whenever it acts separately; is responsible for its drill efficiency and for the condition of the material to which it is assigned. He will especially see that the gas-check seat is clean and kept free from injury; that the projectile is rammed fully home; that the chamber is sponged properly after each firing; that the vent is properly served; that the cylinders are properly filled and the throttling-valve properly set before firing; that the mushroom head and gas-check are properly adjusted; that the kind of projectile designated by the battery commander is used, and that the breech detail observe great care and caution in sponging out and wiping breech mechanism and recess free from powder residue, dirt, etc., after each round fired.

Q. Describe how to signal elevate or depress.

A. Elevate: Raise either hand to the height of the head, fingers pointing upward. Depress: Raise either hand to the height of the head, fingers pointing downward.

Q. Describe how you would signal traverse right or traverse left.

A. Motion with either hand, fingers pointing in the required direction.

Q. Give the signals for the following: Clamp or Halt; Ready.

A. Clamp or Halt: Raise either arm to a horizontal position, fingers closed. Ready: Raise either arm vertically to its full extent, fingers extended.

Q. How would you signal stand fast with the whistle at a rapid-fire gun?

A. One blast signifies stand fast, the pause being of sufficient duration to enable orders to be correctly given and received; to resume operations the command "Go on!" will be given. Other signals may also be used.

[17]

12-INCH B. L. R. DISAPPEARING CARRIAGE. (CHAIN HOIST ON LEFT SIDE.)

Q. What composes a gun section?

A. A gun commander, a gun detachment, an ammunition detachment, and a reserve.

Q. How many men in a gun detachment?

A. One chief, one gunner, one range-keeper, and eighteen privates.

Q. Name the details into which a detachment is divided, and give posts of each.

A.

Details.Posts.
Chief of detachmentTwo yards in rear of the breech, facing it
(sergeant).or wherever presence is necessary.
Gunner (duly qualified    Sighting-platform or wherever presence is
non-commissionednecessary.
officer or private).
Range-keeper (non-Near the elevation-scale, on the right or
commissioned officerleft of the carriage.
or private).
Breech detail (Nos.Nos. 1 and 2 in line immediately in rear of
1, 2, and 3).the breech, facing it, No. 1 on the right;
 No. 3 on the right of the piece, two feet
 from and facing it, opposite the elevating-band.
Rammer detailAt the platform rail facing the carriage, No.
(Nos. 4, 13, and 14).4 opposite the rammer, four feet from its
head, Nos. 13 and 14 four paces to his
 right and left respectively.
Elevating detailAt the elevating hand-wheels, facing them,
(Nos. 5 and 6).No. 5 on the right of the carriage, No. 6
 on the left.
Traversing detailIn front of the traversing-cranks, facing
(Nos. 7 and 8).from the parapet, No. 7 on the right of
 the carriage, No. 8 on the left.
Tripping detailAt the tripping-levers, facing the carriage,[18]
(Nos. 9 and 10).No. 9 on the right of the carriage, No. 10
 on the left.
Truck detailNear the hoist, in rear of a loaded truck,
(Nos. 11 and 12).No. 11 on the right, No. 12 on the left,
 both facing the truck.
Telautograph detailAt the telautograph.
(No. 15).
Hoist detail (Nos.At the delivery-table and facing it.
16, 17, and 18).

Q. Name the equipments or implements which each member procures and places in proper position at the command "Posts!" on first arriving at the gun.

A. Gunner: Sight and difference-chart.

Range-keeper: Stop-watch and prediction-scale.

No. 1: Translating roller or crank, can with sponge and oil, and a silk wiper.

No. 2: Loading-tray and a silk wiper.

No. 3: Primer-pouch, bag for empty primers, scabbard containing punch, gimlet, and reamer, and a lanyard.

No. 4, assisted by No. 13: Rammer.

No. 9: Wrench, funnel, and measure with oil.

No. 10: Chamber-sponge and wrench.

No. 11: Dummy-cartridge extractor.

No. 12: Shot-trucks.

No. 13: Same as No. 4 (Rammer). No. 13 assists No. 4.

Q. State in brief what each member of the gun detachment inspects and tests at the command "Examine gun!"

A. Chief inspects gun and carriage throughout.

Gunner inspects and tests sight, sight-standard, azimuth subscale, traversing-gear, and firing-key.

Range-keeper inspects elevating gear.

No. 1 removes breech-cover and inspects breech mechanism, and assists in sponging bore when necessary.

[19]

No. 2 examines bore, chamber, gas-check seat, and breech-recess, cleans them when necessary, and oils breech-recess.

No. 3 cleans vent and primer-seat, hangs lanyard on elevating-arm.

No. 4 brings sponges and assists Nos. 1 and 2 when necessary and replaces sponges.

Nos. 5 and 6 test elevating-gear with range-keeper.

Nos. 7 and 8 test traversing-gear with gunner.

Nos. 9 and 10 examine recoil-cylinders to see that they are properly filled. No. 9 does the filling with oil when necessary. Wrenches, funnel, and measure are passed back and replaced, filling-plugs replaced, and Nos. 9 and 10 take posts two paces on right and left, respectively, of No. 4.

No. 11 receives and disposes of muzzle-cover, passes up and replaces funnel and oil-measure when necessary, then takes post near No. 12 at the trucks.

No. 12 removes muzzle-cover, examines trucks.

No. 13 inspects and tests telautograph. If a telephone is used, he puts on head receiver and wears it until dismissed.

Q. Explain briefly how to open a breech mechanism, Model 1888.

A. Figure 1 shows breech in normal position—closed. No. 2 turns rotating crank-catch 90° to left and turns rotating-crank in the direction of the arrow till it stops (Fig. 2).

No. 1 turns translating-roller to left till, at the end, the shock releases the block (Fig. 3), then swings block free to right of gun till it engages securing-latch (Fig. 4). Mechanism 1895 is opened by No. 3 turning crank continuously till motion stops, being careful that crank does not catch safety-lanyard.

Q. Give duties of each member of the detachment at the command "Load!"

A. Chief commands: (1) "With shot!" (shell or dummy projectile); (2) "Load!"

Gunner gives direction to piece according to the system[20] used, and either fires electrically or signals to No. 3 to fire. (Except in Case 3.)


Fig. 1.


Range-keeper calls off range, using predicting-scale, and corrects same for gun difference; signals or calls out "Elevation-set!"

[21]

No. 1 assists in opening and closing breech. Examines for dirt, etc., the breech-block and gas-check. Oils same. When necessary, assists in ramming. Places third section of cartridge on shot-tray.


Fig. 2.


No. 2 assists in opening and closing breech, examines for dirt,[22] etc., and oils gas-check seat and threads of breech-recess. He commands: (1) "Home!"; (2) "Ram!" Observes scale on rammer, places second section of cartridge on front part of shot-tray, pushes fourth section into chamber, such that its base will almost clear the gas-check seat. If necessary, inserts loading-tray and sponges, assisted by No. 10.


Fig. 3.


No. 3 inserts a primer. At command "Trip!" steps to rear and slightly to right of piece. Fires at gunner's signal. Coils lanyard. Removes old primer and places it in a bag.

No. 4 brings up rammer and places it against base of projectile, assisted by Nos. 9 and 13. Assists in ramming projectile and sections of cartridge. Replaces rammer on its support.

[23]

Nos. 5 and 6 set the elevation-scale for given range.

Nos. 7 and 8 traverse, at the command of the gunner.

Nos. 9 and 10 assist in ramming. Trip the piece. After firing No. 10 brings up chamber-sponge.


Fig. 4.


Nos. 11 and 12 bring loaded truck and place it in position, adjusting height of shot-tray to that of the breech. No. 11 steps to right, and No. 12 to left, of truck. If there be a brake, No. 12 sets it; if not, No. 11 chocks the front wheels. No. 12 places first section of cartridge on tray, No. 11 the fourth. Both remove truck to delivery-table and take posts at a loaded truck.

[24]

Nos. 13 and 14 assist in ramming projectile and sections of cartridge. Assist 9 and 10 at pinch-bars when piece will not trip.

No. 13 assists No. 4 in bringing up and replacing rammer.

No. 15 calls out and posts ranges and deflections or azimuths received.

No. 16 notifies chief of ammunition detachment kind of projectile required, also when to start and stop the hoist.

Nos. 16, 17, and 18 load the trucks.

Q. Give the positions of the ramming detail.

A. Nos. 1, 4, 9, and 13 on right. Nos. 2, 10, and 14 on left. All face rammer and grasp it with both hands.

Q. Explain the method of ramming.

A. Nos. 13 and 14 take hold near the end of the rammer, rammer-head being on base of projectile. At the command "Ram!", all rush forward, carrying projectile to its seat with force. Nos. 1 and 2 quit the rammer when near the truck. First three sections of cartridge are rammed without command.

Q. Explain how to unload a dummy charge.

A. The chief commands "Unload!" Breech is opened and truck brought up as for loading. No. 4 brings up extractor and pulls out sections. No. 1 puts two sections on right of truck, No. 2 puts others on left.

Nos. 1, 2, 3, and 4 withdraw projectile to truck. Truck is removed and extractor replaced.

Q. Explain how to retract a gun.

A. Chief commands (1) "From battery!", (2) "Heave!", (3) "Halt!"

At the first command Nos. 7 and 8 go to the retraction-cranks. No. 7 operates the retaining-pawl and speed-crank to permit the pulling out of the ropes. Nos. 9 and 10 mount on the gun-levers and place the ends of the ropes on the hooks, receiving them from Nos. 3 and 4, who mount on the chassis to assist. Nos. 1 and 2 pull out the ropes and pass the ends to Nos. 3 and 4. No. 7 takes in the slack. Nos. 7, 8, 9, and 10 take positions at the retraction-cranks, and at the second command turn the cranks.

[25]

Nos. 3, 4, 5, and 6 relieve Nos. 7, 8, 9, and 10 when directed by the chief of the detachment. Odd numbers work on the right side of the carriage, even numbers on the left side. When the gun has reached the loading position the command "Halt!" is given. As the command "Cast off!" is given No. 7 lets out enough slack to enable Nos. 1 and 2 to take the rope-ends off the hooks.

Q. Where electric motors are provided, who operates them?

A. The gunner the traversing-controllers, No. 5 the elevating and retracting controllers; No. 6 watches the circuit-breakers, and when broken by an overload he closes the breaker.

Q. When the shot-hoist is on the right, what changes in the service of the piece are made?

A. No. 4 in ramming takes position between Nos. 2 and 10 on the left side. Nos. 10 and 14 assist No. 4 in bringing up and replacing the rammer, instead of Nos. 9 and 13. No. 9 brings up and replaces sponge and assists in sponging, instead of No. 10.

Q. How many men in the ammunition detail?

A. One chief and twelve privates.

Q. Name the details into which it is divided, and the numbers composing each.

A. Hoist detail, Nos. 1 and 2.

Projectile detail, Nos. 3, 4, 5, and 6.

Cartridge detail, Nos. 7, 8, 9, 10, 11, and 12.

Q. Give the duties of each in brief.

A. No. 1 operates the controller and starts the hoist supplying the delivery-table with ammunition.

No. 2 repeats name of projectile announced, rolls same with cartridge to hoist-carrier.

Nos. 3 and 4 operate a trolley and differential pulley.

Nos. 5 and 6 operate another trolley and pulley.

Nos. 7 and 8 uncase cartridges.

Nos. 9, 10, 11, and 12 place sections on receiving-table in proper order. If electrical power fails, Nos. 1 and 2 operate hoist by hand-cranks.

[26]

Note.—Since the drills for the 10-inch and 8-inch disappearing guns differ from the drill for the 12-inch in so few minor details, no separate questions and answers in these cases are given. In the 10-inch piece the following differences were noted: Nos. 13 and 14 are omitted in the rammer detail; No. 4 in procuring implements attends to the rammer alone; in loading, No. 2 pushes the second section of cartridge into the chamber instead of the fourth; in ramming, the positions from front to rear are Nos. 1 and 9 on right, Nos. 2, 4, and 10 on left, facing rammer, etc. When hoist is on right side No. 10 assists No. 4 (No. 13 being left out).

In the 8-inch piece the rammer detail consists of No. 4 (13 and 14 omitted), the truck detail of No. 11 (12 omitted), and the hoist detail of Nos. 16 and 17 (No. 18 omitted). The duties of the numbers omitted in these details are performed by the remaining numbers in that detail, otherwise the drill is precisely the same as for the 12-inch piece. In extracting a dummy Nos. 2 and 3 do not assist in withdrawing; Nos. 1 and 4 do this.

12-INCH B. L. R. MOUNTED ON NON-DISAPPEARING CARRIAGE WITH CHAIN HOIST.

Q. How many men in a detachment?

A. One chief, one gunner, one range-keeper, and nineteen privates.

Q. Name the details into which a gun detachment is divided, and give posts of each.

A.

Name of Detail.Posts.
Chief of detachment (sergeant).Two yards in rear of the
 carriage-platform, facing it.
Gunner (duly qualifiedSighting-platform.
non-commissioned officer
or private).
Range-keeper (non-commissioned   On the left of the carriage, opposite
officer or private).the elevation-scale.
Breech detail (four privates,Nos. 1 and 2 immediately in[27]
Nos. 1, 2, 3, and 4).rear of the breech, Nos. 3
 and 4 one yard in rear of
 Nos. 1 and 2, all facing the
 breech, odd numbers on the right.
Elevating detail (two privates,At the elevating hand-wheels,
Nos. 5 and 6).facing them, No. 5 on the
 right of the carriage, No. 6
 on the left.
Traversing detail (two privates,At the traversing-cranks, facing
Nos. 7 and 8).the carriage, No. 7 on the
 right of the carriage, No. 8
 on the left.
Sponge and rammer detail (twoOne yard in rear of the carriage
privates, Nos. 9 and 10).platform, facing it, No.
 9 on the right.
Shot-hoist detail (four privates,No. 11 opposite the shot-hoist
Nos. 11, 12, 13, and 14).tackle, facing the carriage,
 Nos. 12 and 13 in rear of the
 windlass crank-handle, facing
 it, No. 13 on the right, No. 14
 in front of the windlass
 crank-handle, facing it.
Truck detail (two privates,Near the hoist, in rear of a
Nos. 15 and 16).loaded truck, No. 15 on the right.
Telautograph detail (one private,At the telautograph.
No. 17).
Telautograph detail (two privates,At the delivery-table and facing it.
Nos. 18 and 19).

The posts of the gun detachment as given above are for inspection, and preparatory to the service of the gun.

The chief of detachment and gunner go wherever their presence is necessary.

Q. Name the equipments or implements which each member procures and places in proper position at the command "Posts!"

[28]

A. Gunner: Sight and difference-chart.

Range-keeper: Stop-watch and prediction-scale.

No. 1: Translating-roller (or crank), can of oil with sponge, lanyard, and silk wiper.

No. 2: Loading-tray, primer-pouch, etc.

No. 5: Wrench, funnel, and measure of oil.

No. 6: Wrench.

No. 9: Rammer and prop.

No. 10: Chamber-sponge.

No. 11: Dummy-extractor.

Nos. 15 and 16: The trucks.

Q. State in brief what each member inspects and tests at the command "Examine gun!"

A. Chief: Gun and carriage generally.

Gunner: Sights and sight-standard, azimuth subscale, traversing-gear, and firing-key.

Range-keeper: Elevating-gear.

No. 1: Removes breech-cover and inspects breech mechanism.

No. 2: Bore, chamber, gas-check seat, breech-recess, vent, primer-seat.

Nos. 3 and 4 assist in sponging bore if on No. 2's inspection it is found to need it.

Nos. 5 and 6: Recoil-cylinders.

No. 9 passes up funnel, measure, etc., to No. 5.

Nos. 7 and 8: Traversing-gear with gunner.

No. 10 passes up and replaces sponge when necessary.

Nos. 11 and 12: Shot-hoist tackle; remove muzzle-cover.

Nos. 13 and 14: Shot-hoist gearing.

Nos. 15 and 16: Trucks.

No. 17: Telautograph or telephone.

Q. Give duties of each member of the detachment at the command "Load!"

A. Chief gives commands for loading.

Gunner and range-keeper same as for 12-inch disappearing.

No. 1 assists in opening and closing breech. Examines for[29] residue, dirt, etc., the breech-block and gas-check, and oils same if necessary. Inserts first and third sections of cartridge. Adjusts lanyard. Fires at command of gunner.

No. 2 assists in opening and closing breech. Examines gas-check seat and breech-recess; oils and cleans the same if necessary. Inserts loading-tray. Swings projectile into position and gives commands for ramming. Observes scale on rammer. Inserts second and fourth sections of cartridge, seeing that the last section is properly seated. Removes loading-tray. Breech being closed, inserts a primer. After firing removes primer and places it in bag. Assisted by No. 4, sponges chamber.

No. 3 receives rammer and places it on base of projectile. Assists in ramming projectile and first three sections of cartridge. Passes rammer back to No. 9.

No. 4 assists in ramming. Receives chamber-sponge and assists in sponging. Passes sponge back to No. 10.

Nos. 5 and 6 elevate and depress the piece.

Nos. 7 and 8 traverse the piece at the gunner's command, and assist in depressing the piece if necessary.

No. 8 closes safety-switch at command "Ready!"

No. 9 passes up rammer to No. 3, and assists in ramming. Replaces rammer.

No. 10 passes up and replaces chamber-sponge. Mounts carriage-platform and assists in ramming.

No. 11 hooks tackle to shot-tray and commands "Hoist!", mounting the steps and steadying the projectile in time to command "Halt!" When the projectile is at height of breech commands "Lower!", and guides tray to truck-platform and unhooks it.

Nos. 12 and 13 hoist the projectile. Pass sections of cartridge to Nos. 1 and 2.

No. 14 assists in hoisting, and, while Nos. 12 and 13 pass up sections, lowers shot-tray.

Nos. 15 and 16 bring up and return trucks.

No. 17 calls out data received and posts it.

[30]

No. 18 notifies chief of ammunition detachment when to start and stop hoist. Repeats to him kind of projectile designated.

Nos. 18 and 19 load the trucks.

Q. Give positions of rammer detail.

A. Nos. 1, 3, and 9 on right; Nos. 2, 4, and 10 on left, facing rammer.

Note.—No. 2 commands "Ram!", and by about three separate rushes the projectile is rammed home; No. 2 giving "Home!", "Ram!", when the brass scale on rammer is about two feet from face of breech. Nos. 3 and 4 withdraw rammer.

Q. Explain how to unload a dummy.

A. Chief commands "Unload!" (gun being depressed to 0° elevation).

No. 10 passes extractor to No. 4, who withdraws cartridge.

Shot-tray being in position at the breech as in loading, Nos. 1, 2, 3, and 4 withdraw projectile to shot-tray. It is lowered and replaced by the shot-hoist detail. Where no chain ammunition-hoist is provided the drill will be modified to meet the conditions by the battery commander.

The ammunition detachment and duties of members operating electric motors are the same as in the 12-inch disappearing-gun drill.

Q. In what particulars does the drill for the 10-inch non-disappearing gun differ from the 12-inch non-disappearing?

A. First. Nos. 1, 2, 3, and 4 man the rammer.

Second. Sponge and rammer detail is composed of No. 9 only.

Third. Truck detail consists of No. 10 only.

Fourth. The cartridge detail consists of four men only.

DRILL FOR 8-INCH NON-DISAPPEARING.

Q. How many privates in a detachment?

A. Fifteen.

Q. Name the details into which a detachment is divided, and give posts of each.

[31]

A.

Name of Detail.Posts.
Chief of detachment (sergeant).Two yards in rear of the carriage,
 facing it.
Gunner (duly qualifiedSighting-platform.
non-commissioned officer
or private).
Range-keeper (non-commissioned   On the left of the carriage,
officer or private).opposite the elevation-scale.
Breech detail (two privates,In line, immediately in rear of
Nos. 1 and 2).the breech, facing it, No. 1
 on the right.
Elevating detail (two privates,At the elevating hand-wheels,
Nos. 3 and 4).facing them, No. 3 on the
 right of the carriage, No. 4
 on the left.
Traversing detail (two privates,In front of the traversing cranks,
Nos. 5 and 6).facing from the parapet, No.
 5 on the right of the carriage,
 No. 6 on the left.
Shot-hoist detail (four privates,Nos. 7 and 8 at the
Nos. 7, 8, 9, and 10).windlass-cranks,
 facing to the rear, No.
 7 on the right of the carriage,
 No. 8 on the left, No. 9
 opposite the shot-hoist tackle,
 facing the carriage, No. 10
 at the foot of the steps to the
 carriage-platform, on the left
 of the carriage, facing it.
Sponge and rammer detail (oneOne yard in rear of the
private, No. 11).carriage-platform, facing it.
Truck detail (one private, No. 12).Near the hoist, in rear of a
 loaded truck.
Telautograph detail (one private,At the telautograph.
No. 13).
Hoist detail (two privates, Nos.At the delivery-table, facing it.
14 and 15).

[32]

The posts of the gun detachment as given above are for inspection, and preparatory to the service of the gun.

The chief of detachment and gunner go wherever their presence is necessary.

Q. Name the equipments or implements which each member procures and places in proper position at the command "Posts!"

A. Gunner, range-keeper, Nos. 1, 2, 5, and 6 procure the same as for the 12-inch piece.

No. 9: Chamber-sponge.

No. 10: Extractor for dummy.

No. 11: Rammer and prop.

No. 12: Trucks.

Q. State in brief what each member inspects and tests at the command "Examine gun!"

A. Chief, gunner, range-keeper, Nos. 1 and 2 the same as for the 12-inch piece, Nos. 3 and 4 the elevating-gear.

Nos. 5 and 6: Recoil-cylinders, traversing gear.

No. 7 passes up and replaces funnel and measure.

No. 8: Hoisting-gear, and removes muzzle-cover.

No. 9 and 10: Tackle of shot-hoist.

No. 11 passes up and replaces sponges.

No. 12: Trucks.

No. 13: Telautograph or telephone.

Q. Give the duties of each at the command "Load!"

A. Chief, gunner, and range-keeper are the same as for the 12-inch piece.

No. 1 assists in opening and closing breech. Examines gas-check and breech-block. Assists in launching projectile on the loading-tray. Assists in ramming projectile. Passes back to No. 11 the rammer. Hooks lanyard to firing-leaf. Fires at signal of gunner.

No. 2 assists in opening and closing breech. Examines gas-check seat and breech-recess. Inserts loading-tray. Commands "Home!", "Ram!", and assists in ramming. Observes scale on rammer. Inserts sections of cartridge and pushes them home by[33] hand. Removes loading-tray. Inserts a primer and lowers slide. Removes old primer and places it in a bag. Sponges chamber.

Nos. 3 and 4 elevate the piece.

Nos. 5 and 6 traverse the piece.

Nos. 7 and 8 hoist the projectile at the command "Hoist!" No. 8 lowers the shot-tray.

No. 9 hooks the tackle to the shot-tray and commands "Hoist!" Steadies the projectile. Places section of cartridge on rear of carriage-platform.

No. 10 mounts steps and commands "Halt!" when projectile is level with breech. Launches it on loading-tray, and swings shot-tray clear of carriage-platform and resumes post.

No. 11 passes rammer to No. 2.

As soon as projectile is rammed passes both sections of cartridge to No. 2 and returns rammer.

No. 12 brings up and returns trucks.

No. 13 calls out and posts data received.

No. 14 repeats to ammunition-sergeant kind of projectile to be used; also notifies when to start and stop the hoist.

Nos. 14 and 15 load the trucks.

Q. How is a dummy charge unloaded?

A. The gun is brought to 0° elevation. No. 11 passes up extractor. No. 2 withdraws sections of cartridge. No. 10 passes them to No. 11, who places them on truck. The shot-tray is held in position while No. 2 withdraws the projectile to the shot-tray, when it is lowered to the truck.

Note.—The ammunition detachment is the same as prescribed for the 12-inch disappearing gun.

12-INCH MORTAR, MODEL 1896.

Q. What comprises a gun detachment?

A. Chief of detachment, gunner, and ten privates.

Q. Name the details into which it is divided, and give the posts of each.

[34]

A.

Name of Detail.Posts.
Chief of detachment (sergeant).Two yards in rear of the breech,
 facing it.
Gunner (duly qualified corporal   Near the azimuth subscale
or private).facing the mortar.
Breech detail (two privates,In line immediately in rear of
Nos. 1 and 2).the breech, facing it, No. 1
 on the right.
Sponge and rammer detail (twoAt the sponge and rammer,
privates, Nos. 3 and 4).facing the mortar.
Elevating detail (two privates,At the elevating hand-wheels,
Nos. 5 and 6).facing them, No. 5 on the
 right of the carriage, No. 6
 on the left.
Traversing detail (two privates,At the traversing-cranks, facing
Nos. 7 and 8).the mortar, No. 7 at the right
 crank, No. 8 at the left.
Truck detail (two privates,In the gallery, near the entrance,
Nos. 9 and 10).in the rear of and facing a
 loaded truck, No. 9 on the
 right, No. 10 on the left.

The posts of the gun detachment as given above are for inspection and preparatory to the service of the mortar.

Q. State in brief what equipments or implements each procures and places in proper positions.

A. No. 1: Oil-can, hand-sponge, and silk wiper.

No. 2: Silk wiper.

No. 3: Long lanyard, bore and chamber sponge.

No. 4: Rammer.

No. 5: Wrench for filling plug.

No. 6: Wrench for filling plug, measure and funnel.

No. 8: Primer-pouch, bag, scabbard, etc.

Q. How is a breech-block opened and closed?

A. In the same manner as for the 8-, 10-, and 12-inch guns.

Q. What does each member of the detachment inspect or[35] test with a view of cleaning or oiling, if necessary, at the command "Examine gun!"?

A. Chief: Mortar in general.

Gunner: Azimuth subscale and traversing-gear.

No. 1: Breech-block and breech mechanism.

No. 2: Bore, chamber, gas-check seat, and breech-recess.

No. 3: Lanyard. (He coils it properly.)

No. 4: Muzzle-cover. (Removes it and places it aside.)

Nos. 5 and 6: Elevating-gear and recoil-cylinders.

Nos. 7 and 8: Traversing-gear. No. 8 clears vent and wipes primer-seat.

Nos. 9 and 10: Trucks.

Q. After examining gun, what changes in posts are made?

A. The chief of detachment and gunner go wherever their presence is necessary. No. 7 takes post at the door of the cartridge-room.

Q. Give the duties of each member of the detachment at the command "Load!"

A. Gun commander operates switches and firing-plug. Observes all detachments.

Chief generally supervises the proper loading of his piece, signals "Ready" or "Misfire," etc.

Gunner gives the piece the proper azimuth, signals "Azimuth set" to the chief.

No. 1 assists in opening and closing breech. Examines or oils, if necessary, the breech-block and gas-check. Assists in ramming.

No. 2 assists in opening and closing breech. Examines or oils, if necessary, the gas-check seat and breech-recess. Commands "Home!", "Ram!" Assists in ramming. Observes the scale on the rammer. Inserts loading-tray and withdraws same. Pushes cartridge properly into chamber. After firing, assisted by No. 5, sponges chamber and bore.

No. 3 assists in ramming. If firing by lanyard be used, he attaches the long lanyard to the short one and, after the piece is[36] elevated, hooks the short lanyard to eye of firing-leaf and fires at the command. After firing, brings bore and chamber-sponge and assists No. 2 in sponging. Replaces sponge.

No. 4 brings up rammer, and places its head on the base of the projectile. Assists in ramming. Replaces rammer.

Nos. 5 and 6 give elevation at command of chief. (No. 5 operates the clamp and lock.) Assists in ramming.

After piece is fired, brings piece to 0° elevation.

No. 7 brings up cartridge and takes post at traverse-crank. On taking cover he returns to cartridge-room.

No. 8 inserts and removes primers.

Nos. 7 and 8 traverse the mortar at the signal of the gunner.

Nos. 9 and 10 bring up loaded trucks.

Q. What are the positions for ramming?

A. Nos. 1, 3, and 5 on right, Nos. 2, 4, and 6 on left, all facing rammer. The projectile is rammed home in one motion.

Q. In taking cover, what is the order of formation in rear of pits?

A. They take cover as shown in the following diagram:

Mortar No. 4Mortar No. 2
    "       "     3    "       "     1
 {8, 6, 5, G.} {8, 6, 5, G.}
4th detachment{                } 2d detachment {                }
 {4, 3, 2, 1 } {4, 3, 2, 1 }
 {8, 6, 5, G.} {8, 6, 5, G.}
3d detachment {                } 1st detachment{                }
 {4, 3, 2, 1 } {4, 3, 2, 1 }

Q. What comprises an ammunition detachment?

A. One chief, two corporals, and sixteen privates.

Q. Name the details.

A. Projectile: One corporal and Nos. 1 to 12.

Cartridge: One corporal and Nos. 13 to 16.

Q. Give their duties in brief.

[37]

A. The chief has general supervision and is responsible for the proper supply of ammunition.

Nos. 1 and 2 operate a trolley and pulley, and load trucks with shell.

Nos. 3 and 4, 5 and 6, 7 and 8 operate other trolleys similarly.

Nos. 9, 10, 11, and 12 run up empty trucks, and when loaded return them to gallery entrance.

Nos. 13, 14, 15, and 16 pass designated cartridge to No. 7.

Note.—Where there are two magazines to an emplacement there is a separate detachment for each, composed of three non-commissioned officers and eight privates each. (Nos. 1 to 6 compose the projectile detail, and Nos. 7 and 8 the cartridge detail.)

Q. How does the drill for the 12-inch mortar carriage, model 1891, differ from that of model 1896?

A. Nos. 1 and 2 lift shell-tray from hoist-scoop to truck after ramming.

Nos. 5 and 6 man the shell-hoist and hand-wheel, in addition to assisting in ramming.

No. 6 returns to hoist hand-wheel after ramming, and lowers scoop when directed by No. 2.

Nos. 9 and 10 deliver shell on scoop, and return truck.

6-INCH DISAPPEARING.

Q. What composes a gun detachment?

A. One chief, a gunner, and ten privates.

Q. What are their posts preparatory to inspection or service of the piece?

A. Chief of detachment, two yards in rear of the breech, facing it.

Gunner, sighting-platform.

No. 1, two feet to the right and rear of the breech, facing it.

No. 2, two feet to the left and rear of the breech, facing it.

No. 3, two yards in rear of the breech, facing it.

No. 4, at the elevating hand-wheel, facing it.

[38]

Nos. 5 and 6, at the serving-table at the rear side of the loading-platform, facing to the front, No. 5 on the right side, No. 6 on the left.

No. 7, on the gun-platform at the head of the steps leading to the cartridge-room.

No. 8, at the telautograph.

Nos. 9 and 10, on the banquette, facing the gun, No. 9 on the right.

Q. What implements or equipments do each procure?

A. Gunner: Sight and difference-chart.

No. 1: Silk wiper, lanyard, sponge and oil-can.

No. 2: Loading-tray and silk wiper.

No. 3: Rammer and prop.

No. 5: Plug-wrench, funnel and measure.

No. 6: Plug-wrench.

No. 7: Chamber-sponge and dummy-extractor.

Q. What does each inspect or test with a view to cleaning or oiling, if necessary, at the command "Examine gun!"?

A. Chief: Gun and carriage throughout.

Gunner: Sight-standard, sight, azimuth subscale, traversing- and elevating-gears.

No. 1: (Removes breech-cover) breech-block and breech mechanism, vent, lanyard (hangs lanyard on elevating-arm).

No. 2: Bore, chamber, gas-check seat, and breech recess, and cleans them if necessary.

No. 3: The sponges (hangs them up when necessary).

No. 4: (Removes muzzle-cover, etc.) elevating- and traversing-gears under gunner's direction.

Nos. 5 and 6: Recoil-cylinders.

No. 7 passes up funnel and oil-measure when used.

No. 8: Telautograph or telephone.

Q. Give in brief the duties of each at the command "Load!"

A. Those of chief and gunner are practically the same as for the 8-inch disappearing.

No. 1 opens breech (by one continuous motion). Inserts a[39] primer and takes lanyard. Closes breech. Fires at the signal. After piece is fired coils lanyard, and opens breech and removes primer.

No. 2 inserts loading-tray. Inserts cartridge by hand.

No. 3 rams projectile home. Replaces rammer. Operates tripping-lever, and trips at the command. After piece is fired sponges chamber.

No. 4 sets the elevation, signalling "Elevation set" by holding one hand at height of head until signal "Ready" is made by chief.

Nos. 5 and 6 alternate in bringing up projectiles and placing them on the loading-tray.

No. 7 receives a cartridge from No. 4 or No. 5 of the ammunition detachment. Passes it to No. 2. Closes safety-switch when gun is in battery.

No. 8 calls out and posts data received.

Nos. 9 and 10 receive projectiles from a truck and place them on serving-table.

Q. How is a dummy charge unloaded?

A. The chief of detachment commands: "Unload!"

No. 1 opens the breech.

No. 2 inserts the loading-tray, withdraws the cartridge and passes it to No. 7, and, as soon as the projectile is withdrawn, removes the loading-tray.

No. 3 brings up the extractor, pulls the projectile on to the loading-tray, and replaces the extractor.

No. 5 withdraws the projectile and returns it to the serving-table.

No 7 carries the cartridge to the steps and passes it to No. 4 or No. 5 of the ammunition detachment.

Q. How is the piece retracted?

A. The chief of detachment commands: (1) "From battery!"; (2) "Heave!"; (3) "Halt!" At the first command No. 3 goes to the retraction-crank and operates the pawl and speed-crank to permit the pulling out of the ropes. Nos. 5 and 6 mount on the[40] carriage and place the loops of the ropes on the hooks. Nos. 1 and 2 pull out the ropes and pass the ends to Nos. 5 and 6. No. 3 takes in the slack. Nos. 3 and 4 take positions at the retraction-crank, and at the second command turn the crank. Nos. 5 and 6 relieve Nos. 3 and 4 when directed by the chief of detachment. When the gun has reached the loading position the command "Halt!" is given. At the command "Cast off!" No. 3 lets out enough slack to enable Nos. 1 and 2 to take the loops off the hooks.

Q. In an emplacement provided with an ammunition-hoist what changes in the above drill are made?

A. Nos. 5 and 6 serve projectiles from a loaded truck placed in rear of the gun.

Nos. 9 and 10 are posted at the delivery-table, and run loaded trucks to Nos. 5 and 6, returning empty ones.

Q. What composes an ammunition detachment?

A. One chief and five privates. Nos. 1, 2, and 3 in the shell-room, and Nos. 4 and 5 in the cartridge-room.

Q. Give their duties in brief.

A. The chief exercises general supervision.

Nos. 1 and 2 load trucks.

No. 3 runs up trucks convenient to the rear of gun, and returns them to shell-room.

Nos. 4 and 5 uncase cartridges and pass them to No. 7.

Note.—Owing to the comparative simplicity and the similarity of drill of almost all smaller-calibered pieces they are omitted in this work.

For definite details in the drill for 6-inch Pedestal, 5-inch Balanced Pillar, 4·7-inch Quick-firing, 15-pounder and 6-pounder Rapid-fire Guns, see Coast Artillery Drill Regulations.

[41]

NOMENCLATURE AND GENERAL DESCRIPTION.

Q. What are projectiles?

A. They correspond to the bullets in small-arm cartridges.

Q. Why are projectiles made oblong and guns rifled?

A. To prevent the projectile from tumbling, thereby securing greater penetration, and better results in accuracy of fire.

Q. What is the difference between guns and mortars?

A. Guns are long in comparison with their calibers, mortars are short in comparison with their calibers.

Q. What is meant by a built-up gun?

A. One that is composed of several cylindrical forgings separately shrunk one over the other.

Q. Why are these forgings shrunk on?

A. To give an initial compression to the steel toward the bore, such that the strength of the gun to resist the pressure of the powder-gas will be increased.

Q. Name the principal parts of a built-up gun.

A. The tube, jacket, hoops, and trunnion-band. (See Figs. 5, 6, and 23.)


BUILT UP GUN. Fig. 5.


Q. What is a wire-wound gun?

A. One in which wire takes the place of the jacket and hoops and is wound over the tube. The wire is really in the form of a ribbon.

Q. Define the breech-reinforce.

[42]

A. That portion of the gun between the rear of the trunnion-band and the front of the breech. (Fig. 5.)

Q. Define the chase.

A. That portion of the gun between the front of the trunnion-band and the muzzle. (Fig. 5.)

Q. What is a barbette gun?

A. One that fires over a parapet.

Q. What two classes of barbette guns are there?

A. Barbette disappearing and barbette non-disappearing.

Q. What is the center of gravity?

A. That point where, if the gun were pivoted, it would balance. It is always near the trunnions.

Q. What is the difference between front-pintle and center-pintle carriages?

A. Front pintle is where the gun traverses about a point in the front part of the carriage; center pintle where it traverses about a point in the center of the carriage.

Q. What is a rack?

A. A bar or arc having teeth that engage in a gear-wheel or worm. (See Fig. 7.)

Q. What is a gear-wheel?

A. A wheel with teeth on the circumference.

Q. What is a bevel-gear?

A. Two wheels whose axles are at an angle to each other and whose teeth engage. (Fig. 8.)

Q. What is a miter-gear?

A. A bevel-gear with axles of equal-sized wheels at right angles. (Fig. 9.)

Q. What is a worm?

A. A gear-wheel in the form of a continuous screw. (Fig. 10.)

Q. What is a sprocket-wheel?

A. A toothed wheel that engages the links of a chain. (Fig. 11.)

Q. What is a spur-wheel?

A. A gear-wheel with teeth parallel with the axle of the[43] wheel. If in Fig. 7 the rack were in form of a wheel, it would be a spur-wheel. (The pinion is also a spur-wheel.)


RACK AND PINION.
Fig. 7.
MITRE GEAR.
Fig. 9.
BEVEL GEAR.
Fig. 8.
WORM GEAR.
Fig. 10.
SPROCKET WHEEL AND CHAIN.
Fig. 11.


Q. Point out or describe the location of the following parts of a seacoast carriage:

Base-ring.
Foundation-bolts.
Leveling-bolts.
Upper-roller path.
Lower-roller path.
Traversing-rack.
Conical rollers.
Distance-ring.
Dust-guard.
Racer.
Chassis.
Top-carriage.
Recoil-cylinder.
Piston.
Piston-head.
Throttling-bars.
Followers.
Stuffing-box.
Packing.
Guide-hooks.
Trunnion-bed.
Trunnions.
Kim-base.
Cap-squares.
Cap-square bolts.
Elevating mechanism.
Traversing mechanism.
Azimuth circle.
Azimuth indicator.
Retraction-gear.
Sight standard.
Shot-hoist.
[44]Crane.
Shot-hoist drum.
Pawl.
Elevating-arc.
Recoil-rollers.
Chassis-rails.
Gun-shield support.
Loading-platform.
Elevating-shaft.

Extra for R. F. guns:

Pillar-base.
Shoulder-rest.
Electric batteries.
Pistol-grip.
Range-drum.

Extra for disappearing guns:

Gun-lever.
Lever-axle.
Counterweight-shaft.
Counterweight.
Cross-head.
Cross-head guides.
Cross-head rack.
Tripping-bars.
Counter-recoil-buffers.
Gunner's platform.
Retraction-ropes.
Extra recoil-buffers.
Electric traversing-controller.
Electric elevating-controller.

A. See Figs. 12 to 22 inclusive.

BREECH-BLOCKS, RECOIL-CYLINDERS, ETC.

Q. Point out or describe the location of the following parts of the gun and breech mechanism of 8" and 12", Model 1888:

Bore.
Shot-chamber.
Muzzle.
Powder-chamber.
Forcing-cone.
Screw-box.
Breech-block.
Mushroom head.
Spindle.
Gas-check pad.
Vent.
Hinge-pin.
Rotating-crank.
Translating-roller.
Tray.
Breech-plate.
Slotted sectors.
Screw sectors.
Pinion- and gear-segment.
Vent-bushing.
Filling-in disc.
Exterior ring.
Interior ring.
Vent-cover.
Rotating-crank catch.
Obturator-spindle.
Obturator-spindle nut.
Locking-nut.
Translating-stud.
Guide-rails of tray.
Tray-latch.
Securing-latch.
Securing-latch catch.
Rotating-ring.
Rotating-pinion.


[45]

12" DISAPPEARING. (From Battery.)

Fig. 12.


[46]

12" DISAPPEARING. (in Battery.)

Fig. 13.


[47]

12" BARBETTE NON-DISAPPEARING.

Fig. 14.


[48]

UNITED STATES CARRIAGE
MODEL OF 1896
FOR
12 INCH B.L. MORTAR.
(Steel)

Fig. 15.


[49]

LATEST MODEL 12" DISAPPEARING CARRIAGE AND GUN.

Fig. 16.


[50]

3" RAPID-FIRE GUN. (Pedestal Mount.)

Fig. 17.


[51]

5" RAPID FIRE. (Balanced Pillar Mount.)

Fig. 18.


[52]

3-INCH R.F. GUN (Masking Parapet Mount).

Fig. 19.


[53]

4.7 INCH 120 m/m Q.F. GUN ON CENTRE PIVOT PEDESTAL MOUNTING.

Fig. 20.


[54]

4.7" Q.F. (Pedestal Mount.)

Fig. 21.


[55]

5" RAPID-FIRE GUN. (Pedestal Mount.)

Fig. 22.


[56]

(Continued from Q. on page 40).

For continuous-motion or "Stockett" mechanism the following:

Spiral-gear.
Crank.
Worm-shaft.
Worm.
Worm-wheel.
Catch-bolt.
Spring-bolt.
Tray-latch catch.
Spindle-ball bearing.

A. See Figs, 1, 2, 3, 4, 23.


CONTINUOUS MOTION BREECH MECHANISM.

Fig. 23.


Q. Point out or describe the location of the following parts of the 5" R.F. breech mechanism:

Block-carrier.
Hinge-pin.
Spindle-key.
Latch-bolt.
Latch-lever.
Lever.
Pinion.
Breech-block.
Gear-segment.
Vent-bushing (copper).
Exterior split ring (front).
Exterior split ring (rear).
Interior split ring.
Gas-check pad.
Filling-in disc.
Tripping-stud.
Latch-bolt seat.
Slide-housing.
Slide-stop.
Slide.
Slide-handle.
Contact-plate.
Firing-leaf.
Circuit-breaker housing.
Circuit-breaker spring.
Circuit-breaker contact-pin.
Firing-cable.

A. See Figs. 24 and 25.

Q. Point out or describe the following parts of the 4·7-inch quick-firing breech mechanism: Carrier-link, spindle, hand-locking[57] lever, firing-pin, spring-catch, sliding-block, retaining-nut, bolt.

A. See Figs. 26 and 27.


5" R.F. GUN. SHOWING BREECH MECHANISM.

Fig. 24.


Q. Explain briefly how a breech-block of a heavy gun or mortar is dismantled.

A. The breech being open, remove the locking-nut and spindle-nut, place a block of wood against the spindle and gently hammer the mushroom head free from the gas-check pad, then[58] remove it by hand. Pry the exterior and interior split rings free from the gas-check pad and remove them, also the filling-in disc. The spindle-washers can be removed at any time. The parts are assembled as follows: Adjust in the following order: the gas-check pad, exterior and interior split rings, filling-in disc, and spindle-washers. The spindle-washers must be put on after the spindle is put in. Then gently insert the spindle and screw on the locking- and spindle-nuts as prescribed for adjusting the gas-check pad.


5" R.F. GUN AND BREECH MECHANISM.

Fig. 25.


[59]

4.7 INCH 120m/m QUICK FIRING GUN.

Fig. 26.


[60]

4.7 INCH.

BREECH CLOSING AND FIRING GEAR.

Fig. 27.


[61]

Q. Point out or describe the following parts of the one-pounder subcaliber tube for the 12" B. L. R., model 1895:

Gun.
Adapter clamp-wedge.
Clamp-wedge screw.
Thread clamp-screw.
Rear adapter.
Center support.
Front adapter.
Adjusting-wrench.
Clamping-wrench.
Locating-gauge.
Clip-extractor.
Obturator spindle-plate.

A. See Fig. 28.


ONE-POUNDER SUBCALIBER TUBE.

Fig. 28.


Q. How should gas-check pads be adjusted before firing?

A. First: Close the breech.

[62]

Second: Loosen spindle and locking-nuts.

Third: Rotate block half-way.

Fourth: Tighten spindle and locking-nuts in the usual manner, rotate the breech-block home, and pad is adjusted.

Q. How far should a projectile be rammed?

A. Until the zero of the brass ring on the rammer comes flush with the face of the breech-plate. (See Fig. 29.)


SCALE ON RAMMER, TO INDICATE
PROPER TRAVEL OF PROJECTILE
FOR 8"-10"-12" RIFLE AND
12"-MORTARS

Fig. 29.


Q. Describe how to set the azimuth indicator-plate for a given azimuth.

A. Traverse the gun until the mark on the indicator-plate representing the number of hundredths is opposite the mark on the azimuth circle representing the number of degrees. In Fig. 30 the gun is set at 104°.05.


Fig. 30.


[63]

Q. How do you repack a stuffing-box?

A. If any of the old packing is used, it should be put in after the new. See that the stuffing-boxes are well cleaned and oiled.

Put on the piston-rod one ring of 1-inch Garlock's "waterproof hydraulic" packing, and force it well to the bottom of the stuffing-box by a wooden stick and mallet. Treat each layer of packing in a similar manner, being careful to break joints until five rings of new packing have been inserted, or an equal amount of new and old when any of the latter is used. Place the gland on the follower, enter them together in the box and screw up the follower.

No more force should be used on the spanner-wrench than that of two men, and generally that of one man is sufficient. The addition of the pipe to the end of the spanner-wrench should not be permitted.

Q. How do you remove old packing from recoil-cylinders?

A. Remove the gland and follower (using new extractor, to be furnished by the Ordnance Department). Close the extractor around the piston-rod and insert the locking-pin. Turn the extractor to the left, with pressure on the packing, until the needles are firmly engaged in the packing. Draw the packing out, turning slowly to the left. In the case of a box with interior thread, and if the ring is tight, it should be unscrewed and not stripped out by the thread, because unless unscrewed it would catch upon and be injured by the thread.

Extractor-bars are provided to be used for starting the packing from its seat, and by inserting the toes of the bar in the rack-teeth and prying over the edge of the box, being careful not to injure the thread.

Q. What is the object of the throttling-valve?

A. To regulate the flow of oil from the front to the rear of the recoil-cylinders. (See Fig. 31.)

Q. What precautions should be taken where the throttling-valve is provided?

[64]


GENERAL METHOD OF CONTROLLING THE ENERGY OF RECOIL IN GUN CARRIAGES.

Fig. 31.


[65]

A. That there is a lock on the valve to prevent any one from changing the setting without authority.

Q. Give some general directions for the care and preservation of guns and gun-carriages.

A. All guns and carriages should be elevated and traversed to their full limits daily. Ordinarily a gun and carriage should be painted at least once a year. However, climatic conditions may vary this rule. Sperm-oil, cosmic or light slushing oil should never be applied to a surface that has a suspicion of grit, moisture, or rust upon it. Brass gearing should have a thin film of sperm-oil or synovial oil on it. All oil-holes and recoil-cylinders should be examined daily at the beginning of drill. Special attention should be given to grease-cups on disappearing guns to see that they function properly. Retraction-ropes should be kept oiled and cleaned. No part of the carriage should at any time be allowed to rust, and if the carriage is to remain unused for short intervals, all bright and bearing parts should be covered with a thick coat of light slushing oil or cosmic. If the carriage is to remain unused for long intervals, the cosmic should be mixed with 25 per cent of resin. The mixture is well adapted for the purpose, but must be renewed from time to time. The rollers and roller-paths should be cleaned and covered with slush oil, and the space between the dust-guard and base-ring should be filled with waste or oakum to keep out dust, and wrench-holes inside base-ring should be plugged tightly with fitted wooden blocks.

To oil bore, use is made of an ordinary counter-brush secured to the end of a rod and provided with a half-disc of wood to keep the brush against the bore. By this means any required thickness of the mixture may be applied. The brush-rod is, for the rifles, fitted with a socket for connecting it with the special sponge-staff. For mortars the brush is supplied with a special handle. As a rule, the cosmic and resin mixture can be sufficiently removed from the bore for firing by using the scraper alone, this being a semicircular disc of iron.

[66]

Q. Describe throttling bars.

A. Bars of steel bolted on the sides of recoil cylinders. (The bolt heads can be seen on the outside of the cylinders.)

The piston head is slotted to receive the bars as shown in Fig. 31, and the bars are thicker at one end than at the other, this varies the amount of oil that can pass through the piston head slots and therefore the pressure keeps uniform.

CARE OF GUNS AND CARRIAGES.

(Extract from War Department, 1905.)

Circular }
No. 48.    }

Light slushing-oil will be used on the different parts of breech mechanisms, including the threads on the block and in the breech recess, in bores of guns, and on all other bright steel or iron surfaces of mobile and seacoast armament, as a preservative when the material is to remain unused for an appreciable length of time. The slushing-oil will replace synovial oil as a lubricant for cross-head guides, etc., which should be given a light coating only. The use of light slushing-oil as a lubricant on breech mechanisms, including the threads on the block and in the breech recess, is forbidden: synovial oil will be used exclusively for lubricating the different surfaces of breech mechanisms, including the threads on the block and in the breech recess, on translating-screws and rollers, and in all oil-holes and on gears, etc., of carriages. Number 4½ lubricant only will be used in grease-cups. If exposed to rain within thirty hours after its application, all surfaces should be carefully examined and recoated if necessary. It can be applied by means of paint-brushes known as sash-tools No. 6, issued for that purpose. Except in very cold weather it can be applied in a thin uniform coat by using the brush, as when painting. During cold weather it should be applied by stippling—i.e., lightly tapping the surface with the end of the brush—the brush being held perpendicular to the surface to be covered. It can be applied to the bores of guns by means of the slush-brush issued[67] for the purpose. In cold weather it should be warmed before being applied to the bores of guns. In all cases it should be applied in a thin coat, since this is all that is necessary to give good protection.

This oil can be readily removed by the use of burlap or waste dipped in kerosene oil. Lye dissolved in hot water and used while hot will also remove it, but not as satisfactorily as kerosene oil. In order to reduce the amount of kerosene oil to be used for its removal, a thick coating of slushing-oil when present should first be removed with a scraper before applying the kerosene.

Water without the addition of lye or kerosene should be used for cleaning bores of guns after firing. They should be permitted to drain and then be wiped dry before applying the slushing-oil.

Before applying the slushing-oil to any surface it should be thoroughly cleaned so as to be free from rust, water, kerosene oil, lubricating-oil, etc., as their presence will cause rusting underneath the slushing-oil. If applied to an oiled surface, the slushing-oil has been found to run off when heated.

On account of the superior protection afforded by this material it will not be necessary to completely remove it for inspection purposes as frequently as has been found necessary with the protecting materials heretofore used. Its frequent removal from a limited area will serve as an indication of the protection which is being afforded.

III. Mortars will hereafter be dismounted from their carriages once every twelve months, and the trunnions and trunnion-beds thoroughly cleaned, including the oil-grooves in the trunnion-bed liners.

The counter-recoil springs will at the same time be dismounted, the old paint removed, and each spring given two coats of new paint. The spring should not be reassembled until the paint is dry.

By order of the Acting Secretary of War:

J. C. Bates,
Major-General, Acting Chief of Staff.

[68]

Q. Describe the general parts of the throttling-valve and how it operates.

A. The two equalizing-pipes connecting the front and rear of opposite recoil-cylinders have a pipe connecting them; if this pipe is open completely, oil can move freely from the front to the rear of the cylinders. If it be closed partly by a valve called the throttling-valve, much less oil will pass this way. Thus, by regulating the adjustment of this valve, the recoil of the gun is regulated. It is seen that the throttling-bars work with the throttling-valve. (See Fig. 31.)

Q. How much oil should be removed from recoil-cylinders having the filling-plugs on the top of the cylinders?

A.

12-inch disappearing carriages, all models, 3 gallons.

10-inch disappearing carriages, all models, 1½ gallons.

8-inch disappearing carriages, all models, 1 gallon.

6-inch disappearing carriages, model 1898, ½ gallon.

Q. Where new filling-plugs have been inserted explain how the cylinders are filled.

A. For full charges remove the two filling-plugs (one from each cylinder), pour oil into one filling-hole until it flows out of the hole in the other cylinder, wait a moment to allow the oil to settle, and examine for any pocketed air or any temporary obstruction. If necessary, pour in more oil until the oil is observed to be in both cylinders up to the level of the filling-holes, then insert the screw-plugs without removing any oil.

Q. Prior to firing, what should be done to the bore of the gun?

A. Prior to artillery practice the bore, including the powder-chamber, of each piece to be used in practice will be thoroughly cleaned and freed from lubricant before any shot is fired.

Q. How is powder residue removed after firing?

A. After firing the bore may be cleaned by using a sponge covered with burlap well saturated with water. The bore should then be permitted to drain and thoroughly dry before being oiled.

Q. If any rust has accumulated on a bearing part, would you use sandpaper to remove it?

[69]

A. The use of sandpaper is forbidden, and emery-cloth No. 1, being coarse enough for any ordinary rusting, should be used, the rust being softened if necessary by kerosene.

Q. Describe the recoil-cylinder for mortars and its action.

RECOIL CYLINDER FOR MORTARS.

Fig. 32.

A. Fig. 32. When the mortar is fired, the piston is forced down, causing the piston-head to force oil through the oil-holes shown on the left of Fig 32. This oil passes through the oil-cavity upward and in rear of the piston-head. By opening or closing these oil-passages by withdrawing or inserting different-sized plugs the friction, hence the recoil, can be adjusted.

Note.—For steel mortars model '91 the plugs are as in Fig. 32; that is, from top to bottom: closed, ½, 0, 0, ½, closed, closed. For C. I. mortars '91: c., ½, 0, 0, ¾, c., c. For model '96 c., ½, ¼, 0, ¼.

Q. What are "grease-cups"?

A. Brass cups placed on the trunnions of guns to lubricate or oil the trunnions and trunnion-beds.

Q. How are they filled and adjusted?

A. Fill up to the bevel edge of the cup with the special oil provided by the Ordnance Department. The cup is then put on and screwed down until the plunger sticks out one quarter of an inch. By doing this a spring bearing on the plunger is forced to[70] act, causing the plunger to press upon the oil, forcing it into the grooves and channels cut under the trunnions. The plunger should be kept at this distance (¼") from the cap by screwing down the cap from day to day. When the plunger will no longer be pressed out it is known that no more oil is in the cup, and it should be refilled.

Q. State some rules to be observed in painting guns and carriages.

A. The gun is painted gray, and the carriage olive-green. These are the only colors authorized. The entire surface of the gun is painted except where the console, or tray, touches the gun. Two coats annually are usually allowed.

Bronze trays will not be painted. Steel trays, excepting the upper and front surfaces and guide-rails, will be painted the same color as the gun. No parts of the breech-block or mechanism will be painted. The unpainted surfaces will be kept clean and bright with rottenstone and oil or "Putz-pomade."

All steel and iron non-bearing surfaces, both inside and out, will be painted. This includes the exposed parts of shafts (except squared ends), bottom plate of counterweight, ladders, cross-heads, cranks (not handles), cross-head pawls (except teeth), and large bronze pieces, including web and spokes of wheels and cylinder-heads.

The following parts are not painted: All wearing or bearing surfaces, which includes the handles of hand-wheels and cranks, teeth of all gear-wheels, teeth of cross-head pawls, teeth of cross-heads, elevating-rack guides, rollers and surfaces on which they travel, piston-rods, crosshead-guides, etc.

The bronze sight-holders will not be painted, nor will the azimuth and elevating-scales and pointers and the followers of the stuffing-boxes; these parts will be kept clean and, with the exception of the sight-holders, will also be kept bright with rottenstone and oil or "Putz-pomade."

The raised surfaces of letters and rims of direction and name-plates are to be kept clean and bright; the background of these plates will be painted the same color as the carriage.

[71]

Name-plates shall never be removed in painting the carriage. This is prohibited by orders.

Q. How is old paint removed?

A. Dissolve one pound of concentrated lye, powdered form, in six pints of hot water, and slake in enough lime to give the solution the consistency of paint. Use the solution freely mixed, and apply to the parts where paint is to be removed, with a brush preferably, or with waste tied on the end of a stick. When the solution begins to dry on the surface use a scraper to remove the old paint, and complete the cleaning of the surface with a mop and water. If one application is not sufficient to loosen the paint, apply a second coat. Before applying the new coat of paint wash the surface with liquid made by dissolving one half pound of washing-soda in eight quarts of water, and wipe dry. Let stand a sufficient length of time to have all parts thoroughly dry before painting.

Q. Should oil or grease ever be applied to the surfaces of electrical contacts on a gun or carriage?

A. No. Grease or oil acts as an insulator and prevents the current from passing the contacts.

Q. Point out or describe the following parts of a battery: Emplacement, parapet, traverse, parados, exterior slope, interior crest, interior slope, superior slope, interior wall, gun-platform, truck-platform, loading-platform.

A. See Fig. 14.

Q. Explain how to adjust the firing mechanism.

A. Insert the safety bar in the safety-bar notch of the slide housing. Slip the slide housing over the spindle, at the same time inserting the safety bar in its recess in the breech block. Press both home firmly. Slip on the yoke, pressing down until the notch above the ring is just visible. (In this operation it may be necessary further to adjust the spindle if the yoke does not go on completely, and the gas-check pad may have to be flattened for this purpose.)

Put the ejector in place with the ejector raised and the slide stop pulled out. Place the slide in position.

[72]

Q. When the weather is freezing what should be done to the recoil-cylinders before firing service charges?

A. A small amount of oil should be taken out and a reduced charge fired, then fill the cylinders and fire full service.

Q. Where should primers and fixed ammunition be kept?

A. Separate place from powder: never in the magazine. Primers should be kept preferably in the ammunition-chests, and fixed ammunition in the shot-room.

Q. How is the weight of a cored shot or plugged shell brought to standard weight?

A. By adding sand mixed with iron filings, water, or sawdust, according to the degree of increase required.

Q. How should throttling-bar bolts be adjusted?

A. First loosen them slightly, scrape away any paint that clogs them, and then tighten them to full limit.

Q. What is a priming-charge, and where is it placed?

A. A small charge of black powder in both front and rear of every section of cartridge.

Q. Should the trunnion-seats of sight-standards be polished? If not, why not?

A. No. Polishing wears away the brass and throws the sight out of adjustment. They should be wiped clean, however.

Q. Is the removal of the name-plates or sight-brackets authorized at any time?

A. No.

Q. How do you test the adjustment of the azimuth indicator?

A. Insert the bore-sights, traverse the gun until the line of sight through the front and rear bore-sights intersects a datum point whose azimuth is known. If the indicator reads this azimuth, the gun is in azimuth.

Q. How do you test the level of a carriage?

A. If the trunnion sight-bracket is correctly adjusted, place the telescopic sight upon it, set the sight and gun at zero elevation, and traverse the carriage to the full limits. If the bubble in the[73] telescope-level remains stationary, the carriage is level. If not, adjust by turning the leveling-bolts.

POWDERS, PROJECTILES, PRIMERS, AND FUSES.

Q. How do you distinguish the following powders: Musket, sphero-hexagonal,[1] brown prismatic, black prismatic, and smokeless.

A. Musket is black and very fine grained. Sphero-hexagonal is black and in the shape of a small ball with a six-sided ring around it. Brown prismatic is brown, in the form of a six-sided prism with a hole in the center. All smokeless powder has the appearance of translucent celluloid and smells of ether. This powder grades in size according to the caliber of the gun, and has for large guns a cylindrical form with small holes running lengthwise in it. (See Fig. 33.)


MUSKET.
SPHERO-HEXAGONAL.
BROWN PRISMATIC.
MORTAR.
SMOKELESS POWDER.

Fig. 33.


Note.—The smokeless powder used in the U. S. Coast Artillery is made out of ordinary cotton waste. The process of manufacture is briefly as follows: The cotton waste is first thoroughly[74] washed, cleaned, picked, and then put through shredding- and cutting-machines. It is then dried in ovens for many hours. It is then placed in pots and a mixture of strong nitric and sulphuric acid is poured over it. It is then washed in running water for many more hours. It is now called "guncotton." It is then dissolved with a mixture of alcohol and ether and put under a hydraulic press. On coming out of the press it looks like yellow gum. It is then forced through different sized dies, and in this shape looks like macaroni. It is then cut into various lengths and sizes, according to the caliber of gun for which it is to be used.

Q. Give the weight of charge, weight of projectile, and initial velocity of the piece to which your company is assigned.

A. See table on page 75. (Ref. Ordnance Department, G. O. 9, W. D. '08.) Slight variations from the requirements of this table will be permitted; but it is desired that these requirements shall be fulfilled as nearly as practicable.

Q. Name the different kinds of primers.

A. Common friction, common electric, obturating friction, obturating electric, and combination electric friction.

Q. Explain the action of the common friction and the obturating friction primer.

A. Its action consists in the friction of a saw-tooth wire being pulled through a portion of mercuric fulminate, which explodes and ignites a small charge of powder in the primer, which in turn ignites the main charge in the gun. (See Figs. 34 and 35.)

Q. Explain the action of the common and obturating electric primer.

A. Two insulated wires entering the primers are joined by a platinum wire. (A little guncotton is sometimes imbedded around the platinum wire.) The current heats the platinum, which ignites a small charge of powder or fulminate, if it be a common electric, in the primer, which ignites the main charge. (See Figs. 36 and 37.)

[75]

Table of Charges, Velocities, etc., for Rapid-fire and Seacoast Guns.

Weights of projectiles, powder charges, muzzle velocity, and pressure for rapid-fire and seacoast guns, service and practice charges.
Column headings:
Col A: 1-pounder Subcaliber Tube.
Col B: 18-pounder Subcaliber Tube.
Col C: 6-pounder.
Col D: 15-pounder, Models of 1891 and 1902.
Col E: 15-pounder, Model of 1903.
Col F: 4-inch D.-S.
Col G: 4·72-inch Armstrong.
Col H: 6-inch Armstrong.
Col I: 5-inch O. D. Model, of 1897.
Col J: 5-inch O. D. Model of 1900.
 
 ABCDEFGHIJ
Weight of
  projectile (lbs.)1·06186151533451065858
Weight of charge
  (lbs.):
  Smokeless--
    Nitroglycerin  1·25
       {  40-7·5}     
    Nitrocellulose[2]2·5 [2]71·3556·067·5{45-10·5} 1916·523
       {50-10·5}     
       {  40-5·5}        
    Cordite      {  45-8·2} 13·3
       {  50-8·2}        
    Brown prismatic     12·0
Muzzle velocity
  (f.s.):
    Smokeless21007502400260026002300  26002600
       {40-2150}         
    Cordite      {45-2570} 2150
       {50-2600}         
    Brown prismatic     2000
Maximum permissible
  pressure (pounds
  per square inch)  25000  18000   37460  34000  41000   34000  34000  34000   38000  36000

 
 
 

Column headings:
Col K: 6-inch O. D., Model of 1897 M1.
Col L: 6-inch O. D., Model of 1900, 1903, and 1905.
Col M: 8-inch.
Col N: 10-inch R., Models of 1888 and 1895.
Col O: 10-inch R., Models of 1900.
Col P: 12-inch R., Models of 1888 and 1895.
Col Q: 12-inch R., Model of 1900.
Col R: 12-inch M., Models of 1886 and 1886-90 M1.
Col S: 12-inch M., Steel Model of 1890 M1.
 
 KLMNOPQRS
Weight of projectile
  (lbs.)1061063166046041046104682410468241046
Weight of charge
  (lbs.):
  Smokeless--
    Nitrocellulose29·7539·18015520527532533336254
    Brown prismatic  135280 490 7575105105
Muzzle velocity
  (f.s.):
    Smokeless2600260022002250225022502250105091013001050
    Brown prismatic  19752025 2025 102090011501020
Maximum permissible
  pressure (pounds
  per square inch)  38000  36000   38000  38000  38000   38000  38000  27500   27500  33000  33000

[76]

COMMON FRICTION.

Fig. 34.

OBTURATING FRICTION.

Fig. 35.


COMMON ELECTRIC.

Fig. 36.

OBTURATING ELECTRIC.

Fig. 37.


[77]

Q. Explain the action of the combination electric friction primer.

A. It is a combination of the two above principles, except that in the electric feature there is no return wire in the combination primer. The current comes in through the stem from the copper contacts on the firing mechanisms, heats the platinum, etc., and goes out through the case of the primer to the breech-block of the gun, thence to the trunnion and to the other pole of the firing-battery. This primer is also obturating. (Fig. 38.)

Q. What is an obturating-primer?

A. One which prevents the escape of powder-gas through the vent. (It need not necessarily be screwed into the vent.)

Q. What are percussion-primers?

A. Such as are used in fixed ammunition and go off by the snap of the firing-pin. They are commonly called caps.

Q. What are high- and low-resistance fuses?

A. A high-resistance fuse is one that requires a high initial velocity to cause the plunger to be released, and is therefore safer in handling. A low-resistance fuse does not require such a high initial velocity to cause it to act. Low-resistance fuses are provided with "safety-wires." (See Fig. 39.)

Q. What fuses are used in the United States service?

A. Frankford Arsenal base percussion, point percussion, and combination. The first two are of either high or low resistance, and vary in size for different calibers of guns. All fuses that are not "centrifugal" have become obsolete for all calibres above 1·65", except the combination fuse, but those on hand will be in service until used up.

Q. How are fuses inserted to make a tight joint?

A. By putting a special preparation, supplied by the Ordnance Department, on the threads. Never use red lead.

Q. Describe the action of a percussion-fuse and name parts.

A. On firing, the plunger-sleeve is forced to the rear and remains in this position during flight. On striking, the plunger and plunger-sleeve are forced forward and the prick-point of the plunger strikes the fulminate of the fuse; this ignites the priming charge in the fuse, which ignites the charge in the shell (Fig. 39).

Note.—There is a new fuse now prescribed for our artillery called "The Detonating Fuse." No one is permitted to take this fuse apart and its construction is kept secret.


[78]

COMBINATION ELECTRIC-FRICTION PRIMER.

NOTE: Current comes from the contacts at "A" passes through the platinum wire (heating it) out at "B" and thence to the body at "C" thence to the ground.

Fig. 38.


[79]

FRANKFORD ARSENAL BASE PERCUSSION FUSES.

Low. High.

aBody
bClosing-cap
cPrimer closing-screw
dPrimer
eTin-foil disc
fPrimer-shield
gFiring-pin sleeve
hFiring-pin
jSplit-ring spring
kLocking-groove
lBrass-covering disc
mPercussion-primer composition
nMagazine powder-charge
wSafety-wire
vVent

Low Fuse, Model 1900.

Fig. 39.


Q. Explain the action of the combination fuse and name parts.

A. Before firing a hole is punched through the hole on the time-cone corresponding to time of flight at which it is desired that the projectile burst. On firing, the time-plunger strikes the firing-pin for the time-train, then the time-train begins to burn from the point where the hole in the cone was made, and[80] at the end of the time of flight the flame reaches the interior of the fuse, thence to the shell. If this fails or it be desired to use the fuse as a percussion-fuse, the action is as in an ordinary percussion-fuse. Combination fuses are now always made with the centrifugal arming device as in percussion. (See Figs. 40 and 42.)

Q. What is a delayed-action fuse?

A. One which does not explode until a short time after striking.

Q. Explain the action of the new centrifugal fuse.

A. This fuse can act only when a rotary motion is given to it. This rotary motion, due to the rotating band, causes the plunger to bulge away from the center into two parts; when these parts separate it is seen from Fig. 41 that the firing-pin takes up a position parallel to the longer axis of the fuse and its point is almost touching the friction composition. When the projectile strikes, the plunger drives the firing-pin into the friction composition. The action is then the same as in the ordinary percussion-fuse. This fuse is therefore perfectly safe to handle, transport, or use. It becomes active only when a high rotary motion is given it. (See Figs. 41 and 42.)

Q. How are drill-primers loaded?

A. Insert a serrated wire with friction-pellet in the body of the primer, hold it in position with the assembling-tool, screw a rear wire or bottom wire (depending on whether it is an old- or new-model vent) fast to the serrated wire, fill with musket-powder, and close with a brass closing-cup, using the assembling-tool.

Q. Name the different kinds of projectiles in the United States service.

A. Solid shot, cored shot, shell, shrapnel, and canister. (See Fig. 43.)

Q. What is the rotating-band and what is its use?

A. The copper band near the base end. It is forced into the grooves of the rifling and causes the projectile to take up a rotary motion to prevent tumbling during flight.

Q. Why are some projectiles capped?

A. Experimental tests have shown that it will penetrate armor-plate deeper than those not capped.

[81]


FRANKFORD ARSENAL TIME PERCUSSION OR COMBINATION FUSE. MODEL 1900.

aBody
b'Compressed powder-ring
bRetaining-ring
b2   Brass ring}
b3Brass cup} Gas-check
b4Felt washer}
cTime-train
dTime-train cone
eCone-cover
e'Drawn-brass waterproof cover
e2Soldering-strip
fCap
gClamping-nut
hTime-plunger
h'Split-ring spring
iSafety-pin
jConnecting-tube
kPowder-charge
k'Powder-chamber closing-screw
lPercussion-primer
l'Tin-foil discs
l2Percussion-primer composition
l3Brass cup
mConcussion firing-pin
nPercussion firing-pin sleeve
n'Percussion safety-wire
oPercussion firing-pin
pDowel-pins (2)
qStud-pin
rConcussion-primer composition
r'Tin-foil disc
ssVents (4)
tSplit-ring spring
wWrench-hole
yTin-foil base-cover
zBottom closing-screw
z'Base-vents (8)
z2Locking-groove

Fig. 40.


Note.—In punching fuse see that pin enters up to shoulder to insure penetration of cone d.

If fired for percussion-burst, punch at maximum time-setting but do not remove safety-pin i.

Ignition of time-train c is due to punched hole acting as vent for gases from primer-charge r and compressed powder-ring b.


[82]

FRANKFORD ARSENAL CENTRIFUGAL FUSES. BASE FUSE "S".

BEFORE ARMING.              AFTER ARMING.

Fig. 41.


[83]

Q. What is the difference between shrapnel and canister?

A. Shrapnel is composed of a number of spherical balls in a cast-iron case, of the usual shape of a projectile, and has a bursting-charge in either the point or the base to scatter these balls. Canister is in a cylindrical case and has no bursting-charge. Shrapnel has a point combination fuse and is thus readily distinguished from all other projectiles. (See Fig. 43.)

Q. What is the difference between cored shot and shell?

A. Cored shot have hollowed centers, as also have shell, but in the latter the hollow is much larger. Owing to the recent manufacture of a suitable bursting-charge, cored shot can be filled with it and used the same as shell.

Q. What is the general color of the main body of all projectiles?

A. Black.

Q. How is the kind of metal of which it is composed marked?

A. By a painted band around the center, half-caliber wide.

Q. How is the degree of armor-piercing capacity marked?

A. By a greater or lesser portion of the head being painted with the color representing the metal of the projectile.

Q. How is the interior bursting-charge marked?

A. By a distinct color around the base below the rotating-band.

Q. Give the colors for the following metals:

1. Forged steel.    A.1. Blue-gray.
2. Cast steel. 2. Brownish gray.
3. Cast iron. 3. Olive-green.
4. Chilled iron. 4. Light olive-green.

Q. Give the colors for the following bursting-charges:

1. Gunpowder.A.1. Bright red.
2. Maximite. 2. Brown.
3. Explosive D.     3. Yellow.

[84]

FRANKFORD ARSENAL 21-SECOND COMBINATION FUSE. (Centrifugal.)

EXTERIOR
BEFORE ARMING
AFTER ARMING

Fig. 42.


[85]

PROJECTILES.

SOLID SHOT CAST IRON.

CORED SHOT.

SHELL.

FIXED AMMUNITION.

SHRAPNEL.

Fig. 43.


[86]

Q. How are the interiors of shells coated?

A. With a special varnish furnished by the Ordnance Department.

Q. How are canister painted?

A. Black all over.

Q. How are shrapnel painted?

A. The whole body black, with a band of bright red on the head below the fuse to indicate front charge, or on the cylindrical portion of the body in rear of the copper band to indicate base charge, depending on which class—base or front charge—it is.

Q. How are shrapnel distinguished from shell?

A. By the combination point fuse, which is always used with shrapnel.

Q. What is meant by fixed ammunition?

A. That in which the powder-charge and projectile are fixed; as examples, the ammunition for small-arm pieces and that for the 6-pdr. R.F. gun (which is made in the same way, only of a larger size), the powder being contained in a brass case, the projectile being fastened to the end of the brass case and a percussion-primer or cap being in the base of the same. (See Fig. 43.)

Q. Name the principal parts of a projectile.

A. The main body, the head, the bourrelet, the point, the base, and the rotating-band. (See Fig. 43.)

Q. In what kinds of projectiles are fuses used?

A. Shell, cored shot, and shrapnel.

Q. What is the rotating-band made of?

A. Copper.

Note.—Recent experiments have shown the superiority of a wider and heavier band. This new band will in all probability soon be adopted.

Q. Give some instructions for filling shell.

A. Unscrew and remove the plug from the shell. Place the filling-rod in the bag and fold the latter round the rod; insert it through the plug-hole, taking care not to force the end of the rod through the bottom of the bag; carefully push in the bag until the neck only is in the plug-hole, a portion being kept outside, as[87] the whole bag must not be allowed to slip into the shell during the operation of filling; then withdraw the rod and insert the funnel into the neck of the bag, pressing the funnel well down into the plug-hole; pass the filling-rod through the funnel and gradually pour in a small quantity of the powder (say about half the charge); take out the funnel and rod, lift up the bag and jerk it, so as to "set" the powder well down to the bottom and to open the bag; then reinsert the funnel and rod as before, and continue the filling; choke the bag and cut off the superfluous choke. The filling-rod should be moved up and down while pouring in the powder, to facilitate its passage through the funnel, the powder in the shell being tamped on at the same time. The use of a large mallet against the side of the shell (any piece of wood will answer the same purpose) will materially assist in getting the maximum amount of powder into the shell.

When the shell is quite full withdraw the funnel and filling-rod, and tie the neck of the bag with two hitches of twine close to the top of the plug-hole. Cut off the superfluous choke, and push the neck of the bag well down the plug-hole into the shell, then screw in the plug as required.

Lead rings are supplied for the armor-piercing shell. The ring is hammered into the recess round the head of the plug, and the superfluous metal removed.

No preparation of the bag by pricking or otherwise is necessary.

Q. Suppose a projectile when weighed on a scale comes to 1044 lbs. and that it has a blue-gray head and a blue-gray band around its center of gravity, and below the copper band it is painted yellow; state what gun it is for, what kind of a projectile it is (whether a shell or solid shot), what it is made of, and if a shell, what is inside of it.

A. It is an armor-piercing shell for a 12-inch gun; it is made of forged steel, and is filled with explosive "D."

Q. What are shell and cored shot filled with?

A. Maximite, explosive "D," and rarely gunpowder.

[88]

Q. Why should shell always be coated carefully with a lacquer or varnish before being filled?

A. Because some of the explosives now used to fill shell, though perfectly stable and harmless in themselves, become very sensitive explosives when exposed to steel or iron. The slightest friction will sometimes detonate them.

Q. Why is red lead or white lead prohibited on fuse-threads?

A. Because, as with iron, some shell-fillers change into extremely sensitive explosives on contact with lead.

Q. Why should all fixed ammunition and primers be stored separately from magazines containing powder?

A. Because they are liable to explode by dropping or breaking, etc., and the shock of one primer or charge exploding might explode the whole magazine.

Q. Should rubber shoes be worn in magazines?

A. Yes.

Q. Why?

A. Because there are always priming-charges of black powder in every section of smokeless powder, and powder-dust from these might fill the air when opening cases, and a spark from a nail in a shoe on the concrete floor would ignite it. There is also a remote chance of the vapor of ether from the new smokeless powder exploding when in combination with the air.

Rubber matting on magazine floors would be best.

FOOTNOTES:

[1] Sphero-hexagonal is no longer used.

[2] The minimum charge for mortars is, according to an endorsement from the Chief of Ordnance, 18 lbs.


(C) CORDAGE, BLOCKS, TACKLE, GINS, SHEARS, ETC.

Q. Define yarn, strands, jaws of rope, short- and long-jawed rope, guys, spun-yarn, marlin, standing rigging, running rigging, and a bight.

A. Yarn are called threads of hemp or other fibrous material which compose a rope.

Strand is a number of yarns twisted together.

Jaws of rope are the interstices between the strands of rope.

Short-jawed rope is a rope tightly laid up together.

Long-jawed rope is a rope loosely laid up together.

[89]

Guys are stationary ropes to hold spars, such as pry-poles, shears, etc., from falling.

Spun-yarn is made by twisting together very loosely two or more well-tarred yarns. It is used for serving, seizings, stops, etc., and is very pliable.

Marlin is also made of tarred yarns, but is tightly twisted and is much harder and smoother than spun-yarn.

The bight of a rope is any part not an end.

A bight of a rope is formed by bending or doubling the rope so as to form a loop.

Standing rigging are those ropes which are stationary.

Running rigging are those which run through blocks or pulleys. (See Figs. 45 and 46.)

Q. Explain the difference between hawser-laid rope and cable-laid rope.

A. Cable-laid rope is composed of nine strands, and is made by first laying up three ropes of three strands each with the sun, and then laying the three ropes together into one, against the sun. Hawser-laid rope must be coiled with the sun. Hawser-laid rope is a right-handed rope, and cable-laid is therefore left-handed. (See Fig. 44.)

Q. How is the size of the rope denoted?

A. The size of the rope is always denoted in inches and fractions, and is measured on the circumference. (See Fig. 44.)

Q. (a) How do you worm a rope? (b) Why?

A. (a) Worming a rope is filling up the divisions between the strands by passing spun-yarn along them. (b) This is to render the surface smooth for parceling and serving. (See Fig. 44.)

Q. (a) How do you parcel a rope? (b) Why?

A. (a) Parceling rope is wrapping narrow strips of canvas about it, well tarred, put on with the lay of the rope. (b) To secure it from being injured by rain-water or to prevent chafing or cutting of a rope when a strain is brought against a rough surface or sharp edge. (See Fig. 44.)

[90]


Fig. 44.


Q. (a) How do you serve a rope? (b) Why?

A. (a) Serving is the laying on of spun-yarn or other small stuff in turns around the rope close together, and hove taut by the use of a serving-board for small rope and mallet for large rope. Small ropes are sometimes served without being wormed, as the crevices between the strands are not large enough to make[91] the surface very uneven. But a large rope is always wormed and parceled before being served. (b) The service is put on against the lay of the rope. (See Fig. 44.)

Q. (a) How do you whip a rope? (b) Why?

A. (a) Whipping is securing the end of a rope with twine. (b) To prevent it from fraying out. (See Fig. 44.)

KNOTS AND HITCHES.

Q. Make the following knots and give the use of each: A square knot, a bowline, single sheet-bend (weaver's knot), double sheet-bend, rolling hitch, round turn and two half-hitches, clove-hitch, catspaw, blackwall hitch, sheep-shank, a marlinspike-hitch.

A. See Fig. 45. This figure illustrates the manner of making these knots. Their uses are as follows:

Square knot: A quick knot to tie two ends of rope together that will not slip.

Bowline: To form a temporary eye at end of a rope. This knot can be easily made and remembered by making a marlinspike-hitch and putting the loose end of the bowline through the loop where the spike would go.

Single and double sheet-bend: To tie two ropes together. These knots do not jam. When one rope is smaller than the other the double sheet-bend is always used, making the double turn with the smaller rope.

Rolling hitch: For shifting the fall from one end of a windlass to the other.

Round turn, two half-hitches, and clove-hitch: These are very useful in securing the guys of a gin to the stakes, etc.

Catspaw: To apply the purchase or tackle to the fall of another.

Blackwall hitch: To fasten the end of a rope to a hook when there is a steady strain on rope.

Marlinspike-hitch: Very useful in putting on lashings, etc.

Q. What is a strap or sling, and what is its use?

A. A strap or sling is formed by knotting or splicing together the ends of a short strand of rope. It is used for hooking tackles into.


[92]

KNOTS

Fig. 45.


[93]

Fig. 46.Short Splice.


Fig. 47.Long Splice.


[94]

EYE SPLICE

Fig. 48.


[95]

SPLICES.

Q. What is a splice?

A. Splicing is putting the ends of rope together by opening the strands and placing them one into the other, or by putting the strands of the rope between those of the bight.

Q. How is an eye-splice made?

A. Unlay the end of the rope for a short distance and lay the three strands upon the standing part, so as to form an eye. Put the first end through the strand next to it. Put the second end over the strand and through the second, and then put the remaining end through the third strand on the other side of the rope. Taper them as in the short splice by dividing the strands and sticking them again. The eye-splice is used to form a permanent loop in the end of a rope. (See Fig. 48.)

Q. How do you make a short splice?

A. Unlay the strands for a convenient length; take an end in each hand, place them one within the other, and draw them close. Hold the end of one rope and the three strands from the other in the left hand; if the rope is large, stop them down to it with a rope yarn. Take the middle strand, which is free, pass it over the strand which is first next to it, then through under the second and out between the second and third from it, and then haul it taut. Pass each of the six strands in the same manner, first those of one end and then those of another. The same operation may be repeated with each strand, passing each over the third strand from it, under the fourth and through; or, as is more usual, after the ends have been stuck once untwist each strand, divide the yarns, pass one half as above described, and cut off the other half. This tapers the splice. (See Figs. 45 and 46.)

Q. How do you make a long splice?

A. Unlay the ends of two ropes to a distance three or four times greater than for a short splice, and place them within one another as for a short splice. Unlay one strand for a considerable distance and fill up the interval which it leaves with the[96] opposite strand from the other rope. Twist the ends of these two together, then do the same with two more strands. The two remaining strands are twisted together in the place where they were first crossed. Open the two last-named strands, divide in two, take an overhand knot with the opposite halves, and lead the ends over the next strand and through the second as the whole strands were passed for the short splice. Cut off the other two halves. Do the same with the others that are placed together, dividing, knotting, and passing them in the same manner. Before cutting off any of the half-strands, the rope should be well gotten upon a stretch. Sometimes the whole strands are knotted, then divided, and the half-strands passed as above described. This splice does not increase the diameter of the rope, and it is used for splicing a fall or other rope that runs through blocks. (See Fig. 45.)

RIGGING-TACKLES.

Q. What is a tackle?

A. A tackle is a purchase formed by reeving a rope through one or more blocks for the purpose of hoisting or pulling.

Q. Name the parts of a block.

A. The shell, sheave, pin, and strap. (See Fig. 49.)

Q. Describe the following blocks: Single, double, treble, snatch, and tail.

A. Single blocks have one sheave; double, two; treble, three. A tail-block is a single block strapped with an eye-splice and having a long end by which to make the block fast temporarily. A snatch-block is a single block having a notch in one cheek to receive the bight of a fall. (See Fig. 49.)

Q. What are the standing parts, the running parts, and the fall?

A. The standing parts are between the fasts and sheaves, the running parts between the sheaves, and the fall the part held in hauling.

Q. Describe the whip.

[97]

A. A rope through a single block. (See Fig. 49.)

Q. What is the power gained if the block be fixed?

A. None.


Fig. 49.


Q. Describe the whip upon whip.

[98]

A. The block of one whip is made fast to the fall of another. (See Fig. 49.)

Q. What is the power gained?

A. Double if only one block moves. Quadruple if both move.

Q. Describe the gun-tackle.

A. A rope passed through two single blocks and made fast to one. (See Fig. 49.)

Q. What is the power gained?

A. Double. Treble if block to which rope is made fast moves.

Q. Describe the luff-tackle.

A. A rope hove through a single and a double block and made fast to the single block. (See Fig. 49.)

Q. What is the power gained?

A. Treble. Quadruple if the block moves.

Q. What is a luff upon luff?

A. A luff-tackle on the fall of another luff. (See Fig. 49.)

Q. Describe the single Burton.

A. A rope rove through two single blocks, with a hook in the bight of the running part.

Q. What is the power gained?

A. Treble. Quadruple if both blocks move.

Q. How is power determined when one tackle is applied to the fall of another?

A. It is equal to the product of their respective powers.

Q. What is mousing, and what is its purpose?

A. A seizing around a hook to prevent it from spreading or unhooking. (See Fig. 49.)

Q. What is a bight of a hook?

A. The middle of a bend of a hook. (See Fig. 49.)

GINS.

Q. Name the different parts of a garrison-gin.

A. It is composed of three poles (two legs and a pry-pole), braces, a bolt, clevis, windlass, two handspikes, three shoes, and[99] a hoisting-apparatus consisting of two blocks (one triple and one double). (See Fig. 50.)

Q. How much can be safely lifted with it?

A. 17,000 lbs.


THE GARRISON GIN.

Fig. 50.


Q. How can the upper block be placed in position after the gin has been raised?

A. By rigging a truce rope through the clevis and hoisting it up.

Q. Explain briefly how you would raise a gin.

SHEARS.

Q. Describe the parts of the shears.

A. Two spars lashed together at one point, forming an inverted V, the ends being called heels, the upper end the head, and the part where the lashing is applied is called the cross.

The equipment consists of the following stores: Two double blocks, two single blocks for gin-tackles; one double block, one[100] treble block, and one snatch-block for the main-tackle fall; guys, head-lashing, heel-lashing, and straps for main tackle; snatch-block, holdfasts, and some spun-yarn for mousing, etc.; two cleats for heels to prevent lashing from slipping; stakes for holdfasts for guys and heel-posts; two shoes for heels. (See Fig. 44.)

Q. What are shears used for?

A. For lifting heavy weights over the face of a wall or cliff, or in other situations where the gin could not be used for want of a footing for the pry-pole.

Q. How do you pass a shear-lashing?

A. Middle the lashing and take a turn around both legs at the cross; pass one end up and the other down, around and over the cross, until half of the lash is expended; then ride both ends back again on their own parts and knot them in the middle; frap the first and riding turns together on each side with sennit. This will be useful in rigging shears for hoisting guns when a gin is not available. Any two spars that will support the weight can be used. (See Fig. 51.)


Fig. 51.


Lay the middle of the back guy in the cross; bring the left-hand end up around the right leg and over the head of the left leg; then carry the right-hand end around under both legs; let[101] it cross over the left-hand end, and seize them together with spun-yarn.

Q. How is a square lashing made?

A. Place two spars at right angles and pass several turns around two opposite angles of the X, then several turns around the other two opposite angles. Continue this until the spars are firmly lashed and will not move; tie the ends. This lashing is used to make two spars rigid and at right angles to each other.

Q. How are shears rigged and raised?

A. Lay the heads of the spars on a trestle about three feet high, the right leg above the left, so that they cross at about twice their thickness from the ends, with the heels in their proper positions.

Make a bowline-knot in the end of the fore guy and slip it over the head of both legs.

Lay the middle of the main-tackle strap under the cross above the fore guy; bring the ends up over the cross; hook the upper block to them under the cross below the fore guy and mouse it, taking care that the splice comes in the middle of the strap and that the fall leads to the rear.

Drive the heel-posts on each side the heels about a foot toward the head and one foot outside; lay the shoes under the heels; make a timber-hitch around the inner posts with the heel-lashings; pass three turns over the legs below the cleats, and hitch the lashings to the outer posts. Drive four holdfasts for each back guy, as follows: two on each side the line of the legs prolonged, three feet apart, and two six feet in the rear of these.

Lay the ends of the guy-straps over the front stakes; connect each pair of front and rear stakes with a strap twisted up taut to insure the strain being distributed properly.

Drive two holdfasts for the fore guy, one in the rear of the other, in the prolongation of the axis of the shears.

Hook the upper blocks of the guy-tackles to a bowline in the end of the guys, and the single block to the guy-strap, and mouse them all.

[102]

Ordinarily the fore guy can be worked without a tackle, belaying it over the holdfasts, first taking a round turn over the one next the shears. If not too heavy, the shears may be raised by lifting the head and hauling on the guy-tackles, slacking the heel-lashings as required, and tending the fore guy carefully to prevent the shears falling over toward the rear.

Q. How are shears held in position after being raised?

A. By guys and holdfasts.

Q. What is the inclination or rake of the shears with the level of the ground?

A. About 20 degrees.

Q. How can a change in the direction of the fall of the tackle be made to lead to a capstan?

A. Hook the snatch-block to a strap placed below the cleat on either, and pass the fall through it to the capstan.

HYDRAULIC JACKS.

Q. For what is the hydraulic jack used?

A. For lifting very heavy weights.

Q. What is the difference between the base jack and the horizontal jack?

A. The former has the lever, socket, etc., at the top of the jack, while the latter has the working parts near the base. (See Figs. 52 and 53.)

Q. What is the principle involved in hydraulic jacks?

A. A pump operated by hand forces a small amount of alcohol through a narrow valve into a recess containing a ram or large piston-rod. As the alcohol is forced into this recess it raises the ram: thus a weight upon the ram-head is raised. The alcohol is prevented from running back into the main reservoir by valves similar to those on all pumps.

Q. What is the best liquid to use in filling jacks?

A. For the base jack one part alcohol, two parts water; for the horizontal jack one part alcohol, one part water, and for both add a tablespoonful of sperm-oil.

[103]

Q. Name the principal parts of a jack.

A. The cylinder, ram, reservoir, socket, knuckle, piston, piston-valve, pump, pump-valve, lowering-valve, packing-springs, etc. (See Figs. 52 and 53.)


BASE JACK.

Fig. 52.


Q. How can a weight be raised when the jack will not go under the weight?

A. By the use of a movable claw.

[104]

Q. Give some general instructions for the care and use of the jack.

A. Never fill with water, kerosene, or wood-alcohol. Keep the ram down when not in use. If the valve sticks on its seat, strike the lever a few sharp blows up and down, thus jarring the valve. Use the alcohol supplied by the Ord. Dept.


HORIZONTAL JACK

Fig. 53.


Base jacks should never be used so that the head is lower than the foot. A jack should be used once a week to keep the packing in order.

Never apply more than 150 pounds to the lever: this equals about the weight of the average man.

[105]

The U. S. Magazine Rifle.

Q. Point out the following parts of the Model 1903, Cal. 30 magazine rifle:

Barrel,
Stock,
Butt,
Bayonet,
Bolt,
Trigger,
Sights,
Guard,
Cut Off,
Sleeve,
Sleeve Lock,
Stacking Swivel,
Extractor,
Ejector,
Windage Screw,
Firing Pin,
Cocking Piece,
Main Spring,
Follower,
Hand Guard,
Drift Slide,
Striker.

A. See Figs. 54, 55.

Q. Point out the following parts of the Ball Cartridge:

Case,
Primer,
Charge,
Bullet.

A. See Fig. 56.

Q. What is meant by the term caliber?

A. It is the diameter of the bore in inches.

Q. What is the trigger pull?

A. Three to four and one half pounds.

Q. What is the weight of the rifle and bayonet?

A. 9·69 pounds.

Q. What is the maximum ordinate at 1000 yards?

A. 21·26 feet.

Q. What is the weight of the bullet?

A. 220 grains.

Q. What is the weight of charge of powder?

A. 42 grains of smokeless powder.

Q. What is the muzzle velocity?

A. 2200 f. s.

Q. How many cartridges will the magazine hold?

A. Five.


[106]

Fig. 54.

U. S. MAGAZINE RIFLE, MODEL 1903.


[107]

Fig. 55.

U. S. MAGAZINE RIFLE, CALIBER 30, 1903.


Fig. 56.

CALIBER 30 BALL CARTRIDGE.


[108]

Q. How is the rifle cleaned?

A. To clean the barrel, insert in the chamber a cartridge shell, the front end of which has been filled with a wooden plug, and close the bolt. Clean the bore with a rag saturated with soda water, or if this is not obtainable, with water. Wipe dry with clean rags. Remove the bolt and the cartridge shell, clean and dry the chamber from the rear. Thoroughly oil the chamber and the bore with a light coat of cosmoline oil. The stock and hand guard may be coated with raw linseed oil and polished by rubbing with the hand.

Q. When is the multiball cartridge used?

A. In cases where the great range of the service bullet would endanger persons or property at a considerable distance from firing.

Q. Of what is a multiball cartridge composed?

A. The service case charged with 34 grains of smokeless powder and two round balls.

Q. What is the effective range of the multiball cartridge?

A. 200 yds., when sights must be set for 350 yds. At 100 yds. or less fire point blank.

Q. Illustrate to the instructor how you would set the sight for a given range, using both open and peep sights.

Q. To shoot to the right (or left), which way would you move the sight?

Nomenclature.
(For Reference Only.)

COMPONENT PARTS.
(One hundred and two in number.)

Barrel:
Barrel.                         }
Front Sight Stud.         }
Front Sight Stud-Pin.   }
Rear Sight Base.          } Assembled.
Rear Sight Base Pin.    }
Rear Sight Base.          }
Spline.                         }

Bayonet:
Bayonet Blade.                   }
Bayonet Guard.                   } Assembled.
Bayonet Guard Rivets (2). }
Bayonet Catch.
Bayonet Scabbard Catch.
Bayonet Spring.
Bayonet Spring Cup.

Bayonet:[109]
Bayonet Grip, right.                }
Bayonet Grip Screw Washer.  } Assembled.
Bayonet Grip, left.                   }
Bayonet Grip Screw Nut.        } Assembled.
Bayonet Grip Screw.

Bolt:
Bolt.                    }
Extractor Collar. } Assembled.

Bolt Stop:
Bolt Stop Pin.       }
Bolt Stop Spring. } Assembled.

Butt-plate:
Butt-plate.
Butt-plate Cap.
Butt-plate Cap Pin.
Butt-plate Cap Spring.
Butt-plate Cap Spring Screw.
Butt-plate Screw, large.
Butt-plate Screw, small.
Butt Swivel:
Butt Swivel.         }
Butt Swivel Pin.   } Assembled.
Butt Swivel Plate. }
Butt Swivel Plate Screws (2).

Cut-off:
Cut-off.
Cut-off Spindle.
Cut-off Spindle Screw.
Cut-off Spring.
Cut-off Spring Spindle.

Ejector.

Ejector Pin.

Extractor.

Firing Pin:
Cocking Piece.  }
Firing Pin Rod. } Assembled.
Firing Pin Sleeve.
Follower.

Front Sight:
Front Sight.
Front Sight Pin.
Front Sight Movable Stud.
Front Sight Movable Stud Screw.

Floor Plate.

Guard:
Guard.
Floor Plate Catch.
Floor Plate Catch Pin.
Floor Plate Catch Spring.
Guard Screw, front.
Guard Screw, rear.
Guard Screw Bushing.
Hand Guard.

Lower Band.

Lower Band Spring.

Lower Band Swivel.

Lower Band Swivel Screw.

Magazine Spring.

Mainspring.

Rear Sight:
Base Spring.
Drift Slide.       }
Drift Slide Pin. } Assembled.
Joint Pin.
Leaf.
Movable Base.

Rear Sight:[110]
Slide.
Slide Binding Screw.
Slide Binding Screw Pin.
Slide Cap.
Slide Cap Screw.
Windage Screw.
Windage Screw Collar.
Windage Screw Knob.
Windage Screw Knob Pin.
Windage Screw Spring.

Receiver.
Safety-lock:
Safety-lock Spindle.          }
Safety-lock Spring.           }
Safety-lock Spring            } Assembled.
Spindle.                         }
Safety-lock Thumbpiece.  }

Sear.

Sear Joint Pin.
Sear Spring.
Sleeve:
Sleeve.
Sleeve Lock.
Sleeve Lock Pin.
Sleeve Lock Spring.
Stacking Swivel.
Stacking Swivel Screw.
Stock.
Striker.
Trigger.
Trigger Pin.
Upper Band.
Upper Band Screw.


APPENDAGES.

Cleaning Rod.
Front Sight Cover.
Oiler and Thong Case:
Oiler and Thong Case, Collar,
and Partition.
Thong Case Cap and Leather
Pad.
Oiler Cap and Dropper.
Oiler Cap Washer.
Screw-driver.
Thong and Brush:
Brush.
Thong Cord.
Thong Tip.
Thong Weight.


[111]

CHAPTER II.

EXAMINATION OF FIRST-CLASS GUNNERS.

(a) THE AZIMUTH INSTRUMENT AND DEFINITIONS.

Q. What is an angle?

A. An angle is the divergence of two intersecting lines.


Fig. 57.


In Fig. 57 the two intersecting lines SA and XA form the angle SAX, and when measured on the circle with A as the center it is found to be equal to 80°.45 (eighty and forty-five hundredths degrees).

Q. Into how many degrees is a circle divided?

A. 360.

Q. How is each degree divided in the U. S. Artillery service?

A. Each degree is divided into one hundred equal parts.

[112]

Q. Define a circle.

A. A circle is a plane figure bounded by a curve, every point of which is equally distant from a point within called the center. Fig. 57 represents a circle with A as the center.

Q. What is the vertex of an angle?

A. The point where the two intersecting lines cross. As in Fig. 57, A is the vertex of the angle SAX.

Q. Define an azimuth angle.

A. It is a horizontal angle measured from zero degrees at the south in a clockwise direction.

Q. What is meant by a horizontal angle?

A. One whose intersecting lines or sides are parallel with the level of water at that point.

Q. What is a vertical angle?

A. One whose sides lie in a plane of a plummet.

Q. Can an azimuth angle be greater than 90°?

A. Yes. See Fig. 51. SAT = azimuth of target (less than 90°); SAT' = azimuth of target (greater than 90°, but less than 180°); SAT'' = azimuth of target (greater than 270°). (All these azimuth angles are read in a clockwise direction from zero at the south.)

Q. When is a gun or an instrument said to be set in azimuth?

A. When it reads zero and points south.

Q. What is an azimuth-instrument?

A. A device for measuring horizontal angles.

Q. Point out the following parts of the instrument:

1.  Telescope-tube.
2.  Telescope-trunnion.
3.  Trunnion clamp-screws.
4.  Focusing-knob.
5.  Sunshade.
6.  Dew-cap.
7.  Objective-cell.
8.  Objective.
9.  Eyepiece-adapter.
10.  Eyepiece.
11.  Eye-lens.
12.  Field-lens.
13.  Cross-wire holders.
14.  Cross-wire.
15.  Brashear-Hastings erecting-prism.
16.  Prism-holder.
17.  Prism-cap.
18.  Cross-wire adjusting-screw.
19.  Instrument-base.
20.  Leveling-screws.
21.  Spindle-head.
22.  Worm-gear.
23.  Graduated circle.
24.  Worm-screw.
25.  Worm-box.
26.  Worm-box spring.
27.  Worm-box pivot.
28.  Worm-box adjusting-screws.
29.  Worm-box eccentric-crank.
30.  Index-disk.
31.  Index-pointer.
32.  Disk-crank.
33.  Worm adjusting-screw.
34.  Reading-opening.
35.  Azimuth-clamp.
36.  Azimuth slow-motion screw.
37.  Telescope-yoke.
38.  Yoke-caps.
39.  Levels.
40.  Level-holders.
41.  Level-adjusting screws.
42.  Plumb-bob.
43.  Plumb-bob chain.
44.  Tripod-head.
45.  Tripod-cap.
46.  Tripod-thumbscrew.
47.  Tripod-legs.
48.  Pier-mounts.

[113]

A. See Fig. 58.

Q. Describe how to set the azimuth-instrument up for use.

A. First: Set the graduated circle and index-disc to read the known azimuth of a visible object and clamp (the eccentric-crank being in gear).

Second: Set the eyepiece slightly to the left of the reading-opening and tighten the azimuth-clamp.

Third: Raise the whole instrument by grasping the tripod, and turn it so that the telescope points approximately in the direction of the visible object whose azimuth is known, being careful to set the plumb-bob over the home station at the same time and not destroy the setting of the graduated circle and index-disc.

Fourth: Level the instrument. (This is done by loosening the azimuth-clamp and setting one level parallel to two opposite leveling-screws, then turn these two screws either both inward toward the spindle-head or both outward until the bubble comes in the middle. Perform the like operation with the other two leveling-screws and the instrument is level.)

Fifth: Release the azimuth-clamp and set the telescope as nearly as possible on the object, then clamp and set the vertical cross-hair exactly by turning the azimuth slow-motion screw. Verify the setting of the index-disc and the levels. The instrument is now set in azimuth. Azimuth instruments for mounting on the parapet have turned on their levelling screws so as to bring reading opening convenient to the eye.

Q. How is the azimuth of any other point read after the instrument is set up?

A. By turning the index-disc crank until the vertical hair cuts the object. Read the even degrees on the graduated circle, and hundredths of a degree on the index-disc. (In order to make a considerable change in azimuth-reading, much time is saved by releasing the eccentric-crank, turning the telescope approximately on the object, throwing the eccentric-gear again and reading[114] accurately by turning the index-disc till the vertical hair cuts the object.)

Q. Why are not azimuth-circles on guns, mortars, etc., always graduated so that their zeros will point south?


Fig. 58.


A. If this were always done, the azimuth indicator-plate or subscale would have to be directly under the muzzle of the gun—a very awkward and inconvenient place. These azimuth sub-scales are therefore placed on the side, and when the gun or mortar points south the subscale points at zero on the azimuth-circle.

Q. Give some rules for caring for the azimuth instrument.

A. Never allow any of the leveling-screws to become so tight that they cannot be easily turned by hand. When setting the instrument up over a concrete floor make little holes in the concrete[115] for the points of the tripod-legs to set in. Never wipe the lenses with anything having the least sign of dirt or grit upon it. A perfectly clean chamois is always best. See that all screws are firmly clamped before putting the instrument away in the wooden carrying-box. In removing it from the box, pick it up by placing the hands underneath the worm-gear. Never clamp the instrument too tightly to the tripod-head. After the instrument is once leveled avoid jarring or leaning upon it.

Q. In case the azimuth-instrument will not stay level after performing the usual operation of leveling, how do you adjust the levels?

A. Set one level parallel with two opposite leveling-screws, and bring the bubble to the center by turning these two screws either both inward or both outward. Reverse the telescope through 180°. If the bubble is not in the center, this level is out of adjustment. Now correct one half of the error by using the small steel pin on the little adjusting-screws on the levels, and the other half by using the two opposite leveling-screws referred to above. Now turn the telescope 180° again. If it is still out of level, continue the above method of correction until, on reversing the telescope, no change in motion of the bubble can be observed.

Q. Give a rule for finding the least count of a vernier.

A. Divide the value of the smallest division on the limb or main scale by the number of divisions there are on the vernier. The result is equal to the least count on the vernier.

Q. How would you focus the telescope.

A. Focus the eyepiece until the cross-wires appear rough.

Then turn the telescope on some distant object and focus the objective by means of the focusing-knob until the intersection of the cross-wires remains on the same point, when the eye is moved up and down and to right and left.

Q. Set up the azimuth instrument over a given point; level, orient, and focus it.

(This should be practiced frequently.)

[116]

Examples.—I. The number of divisions on a vernier = 25. The value of the smallest division on the main scale = 25 yards. What is the least reading of the vernier?

Ans. 25 ÷ 25 = 1 yard.

II. The value of the smallest division on the main scale of the mercurial barometer = 1/10 of an inch. The number of divisions on the vernier = 10. What is the least count of the vernier?

Ans. 1/10 ÷ 10 = 1/100 of an inch.

Note.—The following scheme for accurately counting seconds has been found valuable to gunners who have no stop-watches; it is also used by many photographers in timing pictures. When ready to start to count the time of flight, for example, trail your gun or instrument on the target, stop traversing, and count to yourself: One one thousand, two one thousand, three one thousand, four one thousand, etc., until finished, saying one thousand after each number. The time required by the average man to say one one thousand or eight one thousand is equal to one second. With but little practice a gunner can be trained to count as high as 20 seconds accurately. In such cases stop-watches are not necessary.

(b) THE PLOTTING-ROOM.

Q. Point out or describe the following parts of the Whistler-Hearn plotting-board: The table, the azimuth-circle, azimuth graduations for primary and secondary stations, base-line arm, base-line plate, primary station, secondary station, primary arm, secondary arm, directing-gun arm, directing-gun azimuth-circle, base-line verniers, directing-gun vernier, base-line-arm verniers, azimuth-indices for primary and secondary stations, auxiliary arm, connecting-bar, clamp for arm index-clamp, gun-arm clamp, reading-opening for directing-gun azimuth-circle, index for gun azimuth-circle, speed-scale for range, speed-scale for azimuth or azimuth-travel devices, range correction-device, azimuth correction-device, micrometer, the "targ, tally dials."

A. See Figs. 59, 60, 61, and 62. These figures show by steps the "evolution of the Plotting Board."

[117]


SIMPLE PLOTTING-BOARD.

Fig. 59.


PLOTTING-BOARD WITH GUN-ARM.

Fig. 60.


[118]

Q. Describe how to obtain the range of a target from the primary or secondary station when the azimuth-angles from the primary and secondary stations are given to you.

A. First: Set the auxiliary-arm index to read the number of even degrees the target is from the secondary station, setting the arm-clamp in the V-shaped notch on the azimuth-circle corresponding to that number of degrees.


THE MODERN PLOTTING-BOARD.

Fig. 61.


Second: Set the index-disc to read the hundredths by turning the index-knob and clamp the index. The auxiliary arm is now set; therefore the secondary arm is set automatically in azimuth by virtue of its always remaining parallel to the auxiliary arm.

Third: Set the primary arm to read the number of degrees and hundredths the target is from the primary station. (The point of intersection of the fiducial or bevel edges of the primary and secondary arms is the position of the target on the plotting-board.)

Fourth: Slide the metal intersection-block or "targ" along the secondary arm until it touches the edge of the primary. The range in yards can now be readily read on the scales marked on these arms. (Fig. 62.)

[119]


WHISTLER-HEARN PLOTTING-BOARD. (Perspective Drawing. Secondary and auxiliary arms should be parallel.)

Fig. 62.


[120]

Q. How are the range and azimuth for the directing-gun obtained for the same target?

A. Move the gun-arm up to the intersecting edge of the targ, and read the range from the scale on the gun-arm. The degrees of azimuth are read through the reading-opening, and the hundredths are read on the index-disc for the gun-arm.

Q. Suppose the range must be corrected for, say, 150 yards more, and the azimuth for 1·78 degrees less, how can the corrected range and corrected azimuth be automatically read on the gun-arm?

A. Turn the pinion on the gun-arm to move the scale of the range correction-device until 2150 is set. (The zero of this scale = 2000.) (By doing this it is readily seen that the gun-arm range-scale is just 150 yards nearer the gun center; consequently all ranges read on this scale will be 150 yards more than if the range correction-device were at zero.) The azimuth correction is set by turning the micrometer until the number of even degrees of the azimuth correction (in this case one degree less) is read on the main scale, and the hundredths on the micrometer. (Thus it is seen that the gun-arm will read as many degrees and hundredths more or less than the true azimuth as the number of degrees and hundredths of the azimuth correction determined.)

Note.—Having determined by the ballistic board the range and azimuth corrections, they will usually answer for some time and thus avoid continual setting of these corrections on the gun-arm.

Q. What is the object of the travel-devices for range and azimuth correction on the gun-arm?

A. These are to determine the amount of change of range and azimuth between each observation of the target. The results thus obtained are given to the range- and deflection-board operators, who use it in finding the total range correction and the total azimuth correction.

[121]

Q. What are all plotting-boards principally used for?

A. For finding the position of a target whereby the range and the azimuth of it from any other point (as a directing-gun of a battery) can be determined.

Q. What is meant by the scale of a plotting-board?

A. By the scale of a plotting-board is meant, one inch on the board is equal to one, two, or so many yards on the ground; e.g., a scale of "one inch equals 300 yards" means, one inch distance on the board equals 300 yards on the ground.

Q. How can you determine the distance between two points on a plotting-board?

A. By using the range-arm that is constructed for the scale to which the board is drawn, setting the zero on one point and reading the number of yards on the arm where the point cuts the scale-edge.

Q. How is the longitudinal deviation measured on the plotting-board?

A. Measure the distance from the gun to the target, and from the gun to the splash. Subtract the lesser from the greater, and this will be the longitudinal deviation, according to the meaning given in drill regulations.

Q. How is the lateral deviation measured?

A. Read the azimuth of the target and splash from the directing-gun. Subtract the lesser from the greater: result = lateral deviation. If the azimuth to the target be greater than that to the splash, it is seen that the deviation will be to the left and vice versa.

Q. How are open sights on rapid-fire guns used?

A. The same as on small-arm pieces; i.e., the range in yards or elevation in degrees and minutes is set on the rear sight according to how the sight is graduated, and the gun is elevated and traversed until the target, front sight, and rear sight all come in line.

[122]

Q. Describe the 5" R.F. sight.

A. It consists of a sight-bar graduated in degrees and minutes (lowest reading being six minutes), with a sliding scale at the top for deflection right or left, the deflection-scale reading to three minutes. A range-drum is also geared to the sight-bar, and moves with it in such a manner that when the piece has a certain elevation it will shoot to a distance equal to the range on the drum. This avoids using any range-table.

Q. Describe the 6-pdr. R.F. sight.

A. A simple bar-sight graduated to yards with a deflection-scale reading to three minutes.

Q. How is the deflection-scale set on open sights when it is desired to fire to right or left?

A. To fire right, move the peep-hole to the right; to fire left, move the peep-hole to the left.

Q. From what line is all elevation measured?

A. From the axis of the bore. (See Fig. 63.)


Fig. 63.


Q. Define sight elevation.

A. The angle between the axis of the bore before firing and the line of sight. (See Figs. 63 and 64.)

Q. In case shot strikes to the right or left, and as gunner you had the sight on the target when the shot struck, how could you correct your error with a telescopic sight or open sights?

A. Stopping traversing at the instant shot strikes, move the vertical hair rapidly to the splash. The sight is now corrected for the error, and its setting will be correct for the next shot.

[123]

The Range-board.

NOMENCLATURE. (See Fig. 65.)

The Frame.—The outside frame, or box, of the instrument.

The Board.—That upon which the charts are pasted. K-K.


SIGHT SET FOR "QUADRANT ELEVATION"

SIGHT SET FOR "SIGHT ELEVATION"

(EXAGGERATED DIAGRAMS.)

Fig. 64.


The Ruler.—The balance wooden strip to which the metal scale and slides are attached. X-X.

The Scale.—The fixed graduated scale on the ruler. m-m.

The Bar.—The metal rod or bar which slides on the top of the scale.

[124]

The Register.—The fixed point in the center of the bar. a.

The Trammel.—The pointer which slides on the bar. b.

The Pointer.—The pointer at the top of the trammel.

The Index.—The lower point on the trammel.

Normals.—The straight vertical lines in each set of curves.

The String.—The cord on the right side of the board used in determining travel.

The Travel-scale.—Scales for setting the string.

Prediction-scale.—Vertical lines on the right side of the board, used in determining the travel during the observing interval.

ADJUSTMENT.

Adjust the ruler by means of the adjusting-screw on the left, so that its upper edge coincides with the parallel lines on the board.

OPERATION.

The bar is clamped by means of the screw near the left end of the ruler.

The bar must be held firmly while moving the trammel. In making corrections for artillery fire the following data, as obtained at the opening of the action, will usually suffice for the entire action.

Density of the air,
Velocity of the wind,
Azimuth of the wind,
Height of tide.

The range effects and deviating effects of the wind must be obtained for each shot. Tide should be changed at least every half-hour. As soon as the density of the air is ascertained the computer will insert a pin, or set the pointer at the top of the corresponding curve. The same will be done for height of tide.

The muzzle velocity to be used for the first shot will be marked in a similar manner as directed by the range officer. The wind-component device having been set for the azimuth and velocity of the wind and the azimuth of the target, the computer will note the reference-number and set the pointer at the top of the wind-curve having that number.

[125]


THE RANGE-BOARD.

Fig. 65.


[126]

As soon as he receives the travel reference-number he will set the string accordingly, using the scale for the observing interval used.

To determine correction.—As soon as the approximate range is received, the computer sets the ruler for the range and the index at zero; he then slides the trammel to the left until the pointer is opposite the atmosphere curve as indicated by the pointers e, f, g, etc., holding the bar in place with the left hand. He then slides the bar until the pointer is at normal for atmosphere; this completes the correction for atmosphere.

He then proceeds in the same manner for wind and tide, always sliding the trammel until the pointer is at the indicated curve, holding the bar in place with the left hand and then sliding the bar until the pointer is at normal.

If the muzzle velocity is normal, no correction is made for velocity. If, however, the muzzle velocity is not normal, he makes a correction for muzzle velocity in a similar manner as for other data.

The above corrections are made before the travel is received. The computer clamps the bar and then waits until he receives the travel.

As soon as the travel is received, he sets the string, slides trammel until the pointer is opposite the string, unclamps the bar and moves it until the pointer is opposite the normal; this adds the correction for travel during the time of flight.

He then notes the total travel during the observing interval, which is indicated by the position of the string on the travel-scale corresponding to the observing interval used. He slides the trammel so that the pointer will be at the vertical line corresponding to the total travel during the observing interval, and then slides the bar to the normal; this adds the travel during the observing interval. He now clamps the bar. The register now indicates the total correction to be applied to the arm.

[127]

Trial-shots.—The gun is laid so that the shot should have a certain range, all corrections having been determined as described above, except of course that for travel.

The bar is set with the index at zero, and the trammel is set at the muzzle velocity used in the computation for the shot.

The gun is fired and the range of the shot is plotted. The range officer determines how much the shot has fallen short or gone beyond, and announces the result as plus or minus so many yards. The computer moves the bar plus or minus the number of yards announced, using the scale for this purpose.

The pointer now indicates the muzzle velocity to be used in computing the next shot. The velocity pointer is moved accordingly.

If a second trial shot is used, the corrections are computed as before, using, however, the new muzzle velocity as determined from the first shot.

In determining a second corrected muzzle velocity the bar should be moved for but half the longitudinal deviation of the shot from the expected range; the pointer then marks the velocity to be used for the next shot.

In case a third trial shot is used the process is the same except that the bar is moved for but one third of the longitudinal deviation.

The curves are given for every ten yards of range, for every ten per cent of weight of air, and for every ten miles of wind, etc.

For conditions in which the values lie between these readings, the trammel can readily be set by the eye sufficiently close for all practical purposes.

Example: Range 7000; atmosphere 20; wind 70; velocity 2260; travel 400; tide +10. Find the correction to be applied to the gun-arm.

Solution:

I.  Set ruler XX at 7000 on scale KK.
II.  Set pointer a at 2000 on scale MM.
III.  Set pointer e at 20; f at 70; g at  +10; h at
 2260, string cc at 400 on 20-second interval
 line, and scale dd such that the number
 400 cuts the intersection of the string with ruler XX.[128]
IV.   Set pointer b at 16 (atmosphere normal);
 move slide z till b cuts the 20 curve of atmosphere.
V.   Set b at 50 (zero wind) and slide z till b cuts
 the 70 curve.
VI.   Set b at 0 tide and slide z till b cuts +10.
VII.   Set b at 2200 I. V. and slide z till b cuts 2260.
VIII.   Set b at 400 on scale dd and slide z till b cuts
 300 (normal) on scale dd.

The range correction is now found on scale mm opposite pointer a. This number is now set on the gun-arm of the plotting-board and each next plotted position will read on the range-scale of the gun-arm just that many yards more or less than the true range, i.e., the corrected range.

See Fig. 65.

The Deflection-board.

NOMENCLATURE.

Platen.—The rectangular sliding frame.

Wind-arm.—The arm pivoted to the board on the left of the platen.

Wind-component Scale.—The scale above the movable end of the wind-arm.

Drift-curve.—The curved edge of the metal plate attached to the left end of the platen.

Travel-arm.—The arm pivoted on the platen.

Azimuth Correction-scale.—The sliding scale below the platen.

Deflection-scale.—The fixed scale immediately above the azimuth correction-scale.

[129]


THE DEFLECTION-BOARD

Fig. 66.


[130]

Travel-scale.—A scale for making corrections for angular travel of the target; there are two, one below the azimuth correction-scale and one on the platen.

"T" Square.—The sliding "T" square having the time graduations at one edge, corresponding to given ranges.

OPERATION.

Place the travel-scale on the platen in the lower or upper position according as the observing interval is 10 or 20 seconds.

As soon as the wind-component device is set note the deflection reference-number indicated, and set the wind-arm to the corresponding reading on the wind-component scale.

Set the platen so that the point of the drift-curve corresponding to the given range will be accurately over the right-hand edge of the wind-arm.

As soon as the reference-number indicating the angular travel of the target during the observing interval is announced, set the travel-arm (right edge) for that travel by the travel-scale on the platen and set the azimuth correction-scale for the same travel by means of the travel-scale below it.

Set the "T" square so that the point of its scale corresponding to the given range will be accurately over the right edge of the travel-arm.

The azimuth correction to be applied to the gun-arm in all cases is then read from the azimuth correction scale at the bevel edge of the "T" square.

When Case I or II is being used the deflection to be sent to the guns is read from the deflection-scale at the bevel edge of the "T" square.

After the second observation the corrected range determined is used in setting the platen and "T" square.

See Fig. 60.

[131]

Q. How do the divisions on the azimuth-subscale and the deflection-scale of the sights compare with one another?

A. They are equal—the least reading on the former = 5 hundredths, and on the sight-scale one point or division = 5 hundredths or 3 minutes.

Q. How are the predicted range and predicted azimuth obtained?

A. It is now, under the new system of fire direction, obtained by means of the travel correction on the range correction and azimuth correction-board. If these new boards are not yet issued, the use of a range-keeper's range prediction-scale and a gunner's azimuth prediction-scale determines them at the gun. The old method was by plotting several positions of a target on the plotting-board and using a prediction-ruler, whence the predicted point was obtained.

Q. Define quadrant elevation.

A. The angle between the axis of the bore before firing and the horizontal plane. (See Figs. 63 and 64.)

Q. What is the difference between quadrant and sight elevation?

A. Where the gun is above the target, sight elevation equals quadrant elevation plus the angular depression of the target. Where the gun is below the target, sight elevation equals quadrant elevation minus the angular elevation of the target.

Q. How is the gunner's quadrant used?

A. It is used principally in giving elevation to mortars by first setting the movable arm such that the knife-edged tooth engages in an even-degree mark on the rack, and by moving the sliding level to read the exact number of minutes. Then it is placed on its seat at the breech, being careful to see that the arrow points in the direction of the line of fire, and by elevating or depressing the piece until the bubble comes in the middle the mortar or piece will be set at the elevation set on the quadrant. (See Fig. 67.)

[132]


THE GUNNER'S QUADRANT.

Fig. 67.


Q. Point out the following parts of the telescopic sight: Telescope, objective, eyepiece, erecting-prisms, trunnions, leveling-lug, leveling-screw, cross-level, elevation-arc, elevating-screw, vernier, focusing-collar, deflection-screw, deflection-scale, micrometer, disc, and telescope-level. (See Fig. 68.)


THE TELESCOPIC SIGHT

MODEL 1898.

Fig. 68.


Q. How is deflection set on it?

A. By moving the deflection-screw the vertical cross-wire moves.

[133]

Q. How is deflection set to fire right and to fire left?

A. Move the vertical hair to the right to fire left, move it to the left to fire right, by turning the deflection-screw.

Q. How is elevation set on it?

A. Set the zero of the vernier opposite the mark on the limb representing the number of even degrees of the given elevation. Then turn the micrometer-disc by turning the elevation-screw until the given number of minutes is read on it. The sight is then set on the trunnion-bracket and the piece elevated till the bubble comes in the middle for quadrant elevation or till the horizontal cross-hair cuts the water line of target for sight elevation. The gun then has the elevation set on the sight.

Q. What is the lowest reading of the vernier on the elevation-arc?

A. Two minutes.

Q. What is the lowest reading of the deflection-scale?

A. Three minutes.

Q. Why is it necessary to elevate the gun till the bubble on the telescope-level comes in the middle, to set the gun for quadrant elevation?

A. Because by definition quadrant elevation is the angle between the axis of the bore and the horizontal plane, and when the bubble is in the center of the level the telescope is horizontal and the axis of the gun makes an angle with it equal to the elevation set on the arc.

Q. Name and point out the following parts of the rapid-fire sight: Telescope, objective, eyepiece, interior and exterior deflection-scales, micrometer-head, deflection-screw, open sights, dew-cap, lugs, and thumb-screws.

A. See Fig. 70.

Q. What is one point on the deflection-scale equal to at the target?

A. One five-hundredth of the range in yards; thus one[134] point equals 2 yards at 1000 yards, 4 yards at 2000 yards, and so on.

Q. Example: The range is 5000 yards, and the drift for that range is found in the range-table to be 12 minutes; how would you set your deflection-scale on the telescopic sight?

A. "Fire left" 12 minutes, or 4 points.

Q. Why?

A. Because drift in our service is always to the right, and to overcome this drift and make the projectile hit the target we will have to fire to the left this 12 minutes due to drift.

Q. Example: The range is 5000 yards, and the component of the wind perpendicular to the line of fire is 20 miles, giving from the range-table correction for drift equal to 12 minutes and wind 6 minutes. The wind is blowing from right to left. How would you set your sight?

A. "Fire left" 6 minutes.

Q. Why?

A. Because, as shown above, the drift alone would require the sight to be set at "Fire left" 12 minutes, and if the wind correction is 6 minutes and is blowing from right to left, to overcome this wind and make the projectile hit the target we would have to "Fire right" 6 minutes. Therefore, if the total setting of the sight is to be "Fire left" 12 minutes plus "Fire right" 6 minutes, the final or resultant setting should be "Fire left" 6 minutes.

Note.—The corrections for wind and drift are usually found at the same time from a chart, correction-board, or table.

Q. Example: The time of flight is 10 seconds (this is found from the gun commander's range-table, knowing the range); how would you determine the correction for travel with a telescopic sight?

A. Set the sight at zero. Traverse the gun until the vertical hair cuts the target. Signal: "Stop traversing," and count the number of seconds time of flight (10), moving by the right[135] hand the deflection-screw, to keep the vertical hair on the target. When 10 seconds are counted stop turning the deflection-screw. Where the vertical hair now rests is the correction for "travel during time of flight." Since to "Fire left" we move the vertical hair to the right, this correction for travel found will have to be set for "Fire left," or on the other side of the scale, if the target is moving from right to left. If it is moving from left to right, the correction found will have to be set "Fire right." In other words, always set the cross-hair in the opposite direction from the motion of the vessel in making the correction for travel. This also applies to open sights.

Q. Example: If you were given the range, a gun commander's range-table, a correction for wind and drift equal to "Fire left" 9 minutes, and the target were moving from right to left, how would you proceed to determine the setting of your sight?

A. First, determine by the above method the correction for travel during time of flight (time of flight being found in the gun commander's range-table). Set this on the sight. Suppose it were "Fire left" 3 minutes.

Second, use this position of the vertical hair as a new zero, and move the vertical hair to "Fire left" 12 minutes. That is, "Fire left" 3 minutes plus "Fire left" 9 minutes equals "Fire left" 12 minutes.

If the travel had been "Fire right" 3 minutes, then by moving the scale "Fire left" 9 minutes, the final setting of the sight would have been "Fire left" 6 minutes.

Q. From the table on page 129 find the number of yards 3 points on the telescopic sight are equal to at 7000 yards range.

A. 18 yards.


[136]

TELESCOPIC SIGHT. (Model 1898.)

Fig. 69.


[137]

3-INCH RAPID-FIRE GUN-SIGHT.

Fig. 70.


[138]

2. Point or describe the location of the following parts of the telescopic sights, Model 1904:

Eye-lens cover.
Dial.
Focusing ring.
Peep-sight.
Eye-end telescope clamp.
Deflection worm knob.
Telescope tube.
Elevation rack.
Cell-end telescope clamp.
Objective shutter.
Cradle.
Cross sight.
Yoke-cap.
Deflection-pointer bracket.
Fulcrum.
Elevating wheel and hub.
Sight-bracket.
Plug connection for lamps.
Lamp-holder for deflection scale.
Range drum.
Gear-case cover and cover for range drum.
Telescope lamp-holder.
Sight-shank elevation-scale.
Elevation-guide.
Sight-arm.
Yoke-shaft.
Bearing for yoke.
Yoke.
Lamp-bracket for range drum and elevation-scale.
Elevation worm.
Focusing sleeve nut.
Deflection scale.
Elevating gear-shaft.
Deflection worm.
Eye-lens.
Field lens.
Cross-wire ring.
Cross wires.
Erecting prisms (Porro).
Objective.

A. See Figs. 71 and 72.


[139]

Fig. 71.

3-INCH TELESCOPIC SIGHT, MODEL OF 1904.


[140]

Fig. 72.

3-INCH TELESCOPIC SIGHT, MODEL OF 1904.


[141]

Table of Values in Yards of Points of Deflection.

Min.3691215
Points.12345
 
Range.   Value of Points in Yards.   
100012345
2000246810
30003691215
40003691215
500048121620
6000510152025
7000612182430
8000714212835
9000816243240
10000918273645

Note.—This table is only approximate. It is true within 1 yard, which is sufficiently accurate for all firing under Case II.

Q. Where is the sight placed under cases one, two, and three?

A. On the trunnion for case one, to give both elevation and direction. On the sight standard for case two, to give direction only (quadrant elevation is set by the elevating-arc). It is not intended to be used at all in case three, but, of course, it could where the quadrant elevation is to be set by the sight instead of by the elevation-arc. It will then have to be placed on the trunnions.

Q. Define cases one, two, and three.

A. Case one, where direction and elevation are given by the sight on the trunnion. Case two, where direction is given by the sight, and elevation by the quadrant or elevating-arc. Case three, where direction is given by the azimuth-circle, and elevation by the quadrant or arc.

Q. What is the difference between the axis of the bore and the line of departure?

A. The jump. (See Fig. 63.)

Q. What is the line of sight?

A. Line joining the target, the point of the front sight and the peep of the rear sight; or with telescopic sights, the line joining[142] the target and the intersection of the vertical and horizontal hairs in the sight. (See Fig. 63.)

Q. Define time of flight.

A. The time it takes the projectile to leave the bore till it strikes.

Q. What is a tangent?

A. A straight line which touches but one point on the circumference of a circle and is perpendicular to the radius at that point.

Q. Define angle of fall.

A. It is the angle which the tangent to the trajectory at the point of impact makes with a line parallel to the line of sight at this point.

Q. What is the line of departure?

A. The prolonged axis of the bore at the moment the projectile leaves the muzzle.

Q. What is the line of fire?

A. The prolonged axis of the bore before the gun is fired.

Q. What is the axis of the bore?

A. The line passing through the centre of the bore from breech to muzzle.

Q. What is the angle of departure?

A. The angle included between the line of departure and the horizontal plane.

Q. Define drift.

A. It is the deviation due to the rifling in the gun to the right or left of the vertical plane passing through the axis of the bore, or plane of fire. It is always to the right in the U. S. service.

Q. To what in a telescopic sight does the front sight on an open sight correspond?

A. The intersection of the cross-hairs.

Q. To what does the rear sight correspond?

A. The eye-lens.

Q. What is the trajectory?

A. The path of the projectile in the air.

Q. How is the velocity of the wind determined?

A. By the anemometer. First take the reading of the discs[143] on the anemometer and note the time. After six minutes have elapsed read the scales. Take the difference of the scales and multiply by 10, which gives the velocity. (See Fig. 73.)

For example: Suppose at 10:05 A.M. the reading is 62 miles, and at 10:11 A.M. the reading is 63 miles. If in six minutes it goes one mile, in sixty minutes it will go ten times, or ten miles per hour.


THE ANEMOMETER.

Fig. 73.


Q. How are the components of the wind in the direction of the line of fire and in a lateral direction determined? (See Fig. 74.)

A. First: Set the arrow on the disc to read the azimuth of the wind. (This is done automatically.)

Second: Set the little lever-arm at the azimuth of the line of fire.

Third: At the point on the lever-arm reading the velocity of[144] the wind as determined by the anemometer, run the finger or a pencil along the nearest line toward the arrow, and where this line cuts the arrow is read the longitudinal component or the component in the direction of the line of fire.


Fig. 74.


Q. How are the wind components determined by the "new method"?

A. 1o target-pointer to velocity of wind on target-arm.

2o Set ring to azimuth of wind.

3o Set target-arm to azimuth of gun.

4o Components are now read on the dial from the point indicated
by the target-pointer. (See Fig. 75.)


[145]

WIND COMPONENT. (New Method.)

Fig. 75.


[146]

THE AEROSCOPE.

Fig. 76.


[147]

DIFFERENCE CHART
for
10 in. B.L.R. No.1
in Battery __________, Fort __________
Directing Gun of that Battery
10 in. B.L.R. No.2
Azimuth of Gun No.1 from Directing
Gun, 79°03'
Gun Displacement, 38 Yards.

Fig. 77.


[148]

Fourth: From this same point on the little lever-arm run a pencil along the nearest line parallel to the arrow, and where it intersects the diameter of the disc perpendicular to the arrow is read the component in the direction of deflection or the lateral component.

Q. What is a difference chart?

A. One that determines the differences in azimuth and range between the directing-gun and the gun for which it is constructed. It consists of a board having drawn on it circles of different diameters, which are the azimuth difference circles (the amounts being written on each circle). (See Fig. 77.)

Q. How is it used?

A. First: Set the range-arm on the given azimuth.

Second: Run the finger to the given range on the range-arm.

Third: The azimuth difference is read on the nearest circle that cuts the point where the finger last rests, and the range difference is read on the scale in red ink along the azimuth circle of the board. (See Fig. 77.)

Q. What is meant by muzzle velocity?

A. The number of feet per second a projectile is moving at the time it leaves the muzzle of the gun. It is also called Initial Velocity.

Q. From the following gun commanders' range-scale find the time of flight, sight elevation, and quadrant elevation for 4120 yards range.

Gun Commanders' Range-scale.

I. V. 2200. 8-inch B. L. R. Smokeless powder.

Quadrant Elevation.RangeSight Elevation.Time of Flight,
Degrees.Minutes. Degrees.Minutes.Seconds.
+4164100-136-1/5
+4184120-11
+4204140-058
+4234160-0567-2/5
+4264180-054
+4284200-051
+4314220-0498-2/5

[149]

ELECTRICAL DEVICE FOR OPERATING ANEMOMETER STOP-WATCH.

Fig. 78.


[150]

A. 6-1/5 seconds, about; 1° 1' minus (depression); 4° 18' plus (elevation).

The Atmosphere-board.

Q. Describe the atmosphere-board.

A. This is merely a graphic table by means of which the reference-numbers to be recorded on the atmosphere-aeroscope indicator can be determined from the readings of the barometer and thermometer. The arguments are barometer and thermometer readings, and the reference-numbers are indicated by diagonal lines. The thermometer axis is horizontal and the barometer axis is vertical. To increase the ease and rapidity of reading the barometer scale is graduated on a movable T square.

The method of construction is shown in Fig. 79.

Operation.—Set the T square for the thermometer reading and note the diagonal line which intersects the fiducial edge of the T square the nearest to the barometer reading. The atmosphere dial is graduated to ½ per cent. The reading of the board should be taken to the nearest half reference-number.


ATMOSPHERE BOARD

Fig. 79.


[151]

SPECIAL APPARATUS FOR MORTARS.

Q. Point to the following parts of the Mortar Gun-arm:

Movable gun-arm.
Yards range.
Overlap.
Elevations.
Time of flight.
Zones.

A. See Fig. 80.

SET-FORWARD RULER.

Q. Describe the set-forward ruler and explain its use.

A. First find the travel in yards per minute. Set the pointer (a) on the slide (b) at the number of yards on the scale of "yards travel per minute (c)." Then on gun-arm get time of flight for that point. The "set-forward point" will be the reading opposite time of flight on the scale of "yards travel during time of flight +1 minute (d)." (See Fig. 81.)

Example.—After taking four observations on a target we find that in one minute's time it has traveled 200 yards. Set the pointer (a) at 200 yards on the scale (c). On the gun-arm we see that the time of flight for this point is sixty seconds. Therefore our set-forward point is 400 yards, as this is the reading exactly opposite the time of flight on scale (d). (See Fig. 81.)

Q. Describe and explain the use of the prediction scale.

A. The prediction scale is graduated in the same manner as the gun-arm (1" = 300 yards), and is used for finding the predicted point. After having marked four points on the board, showing the course of the target, place the prediction scale so that zero (0) is on the last point, or reading, and then mark off as many yards in advance of the last point as the first reads from zero. This point is known as the predicted point, and is used by the range officer only. As soon as the predicted point is found he sets his azimuth instrument at the given azimuth and when the target crosses the vertical wire in the instrument, he gives the signal "Fire." (See Fig. 82.)


[152]

GUN ARM FOR MORTARS.

Fig. 80.


[153]

Fig. 81.

THE SET FORWARD RULER FOR MORTARS.


Fig. 82.

THE PREDICTION SCALE.


[154]

DEFLECTION SCALE.

Q. Describe the deflection scale and explain its use.

A. The deflection scale is used to determine azimuth corrections for mortars. After the "set-forward point" has been obtained, the plotter sets the gun-arm on it and by means of the indicator determines the zone, range, and elevation of the target. The operator reads the straight azimuth from the gun-azimuth scale and gets the zone and elevation from the plotter. He then sets the elevation scale-pointer at the given elevation, turns crank moving small azimuth pointer to the azimuth he obtained from gun-arm scale; then by referring to the large azimuth scale-pointer he reads the corrected gun-azimuth, which he sends to the pits together with zone and elevation. Should it become necessary to make a correction for drift, turn the deflection-scale knob, either to right or left, as the case may be, as 3 = normal. (See Fig. 83.)

Note.—This apparatus depends upon the fact that the drift is the same for the same elevation in every zone except the eighth. In this zone the instrument cannot be used as now constructed.

WARSHIPS.

Q. State the general appearance, average length, beam, draft, speed, tonnage, thickness of belt and deck armor of battleships, armored cruisers, protected cruisers, torpedo-boat destroyers, and torpedo boats.

A. See Table "A."

Q. Point from Figs. 84 and 85 the following:

Sloop.
Schooner.
Ship.
Bark.
Barkentine.
Brig.
Brigantine.
Steam yacht.
Revenue cutter.
Gunboat.
Protected cruiser.
Armored cruiser.
Battleship.
Torpedo-boat destroyer.
Torpedo boat.
Submarine.
Monitor.


[155]

Fig. 83.

THE MORTAR DEFLECTION SCALE.


[156]

TABLE A.--TABLE OF WARSHIP CHARACTERISTICS.
Characteristics.Battleships.Armored
Cruisers.
 
Large, massiveHigh freeboard,
appearance,fine
low freeboard,lines, fairly
General Appearance.large, turrets,heavy guns
heavyand turrets,
guns, heavygreat
armor,length as
moderatecompared
speed.to beam,
high speed.
 
Average length400 feet500 feet
Average beam75 feet67 feet
Average draft29 feet28 feet
Average speed17 knots21 knots
Average tonnage15,000 tons11,000 tons
Aver. thickness, belt armor13 inches5 inches
Aver. thickness, deck armor   3 inches3-1/3 inches
 
 
Torpedo
Characteristics.ProtectedBoatTorpedo
Cruisers.Destroyers.Boats.
 
High freeboard,Very long,Small size,
moderatenarrowlong,
size, verybeam,narrow,
General Appearance.fine lines,highnot as
light armament,  bow, lowmany
narrowfreeboard,smokestacks
beam.manyas a
smokestacks.destroyer.
 
Average length350 feet250 feet175 feet
Average beam50 feet
Average draft22 feet
Average speed22 knots31 knots28 knots
Average tonnage5000 tons350 tons200 tons
Aver. thickness, belt armornone
Aver. thickness, deck armor   Protective
deck 2 ins

Q. What vessels are unarmored?

A. Gunboats, torpedo-boats and destroyers.

Q. What is the best part of a ship to attack at long range?

A. The decks.

Q. What part should rapid-fire guns attack at short range?

A. Sides, ends, and small turrets, and guns protected only with shields. These rules, however, may vary with height of battery, form of attack, and class of ships attacking.

Q. How are ships of the U. S. Navy distinguished, knowing their names? (See Fig. 86.)

A. Battle-ships are generally named after States (except the Kearsarge), cruisers after large cities, gunboats after historical cities as a rule, coast-defense monitors have Indian names, torpedo-boats and torpedo-boat destroyers are named after heroes of wars. (The above rules have a few exceptions.)

Q. From the silhouettes on Fig. 86, Ships of the U. S. Navy, find a battle-ship, a high-speed cruiser, a gunboat, a coast-defense monitor.


[157]

Fig. 84.


[158]

Fig. 85.


[159]

Fig. 86.

Signal
Number.      Name.

  1 Katahdin
  2 Wilmington (2B Helena)
  3 Terror
  4 Amphitrite
  5 Miantonomoh
  6 Monterey
  7 Puritan
  8 Monadnock
  9 Vesuvius
10 Buffalo
11 Castine (11B Machias)
12 Marietta (12B Wheeling)
13 Bancroft
14 Bennington (14B Concord, 14C Yorktown)
15 Isla de Cuba (15B Isla de Luzon)
16 Texas
17 Annapolis (17B Newport, 17C Princeton, 17D Vicksburg)
18 Dolphin
19 Petrel (19B Don Juan d'Austria)
20 Alabama (20B Illinois, 20C Wisconsin)
21 Iowa
22 Indiana (22B Massachusetts, 22C Oregon)
23 Nashville
24 Chattanooga (24B Cleveland, 24C Denver, 24D Des Moines,
    24F Galveston, 24G Tacoma)
25 Marblehead (25B Detroit, 25C Montgomery)
26 Philadelphia
27 Minneapolis
28 Raleigh
30 Chicago
31 Newark (31B San Francisco)
32 Atlanta (32B Boston)
33 Kearsarge (33B Kentucky)
34 Baltimore
35 Albany
36 New Orleans
37 New York
38 Brooklyn
39 Columbia


[160]

A. Signal numbers 20, 30, 23, 6.

Q. Find from Figs. 86 to 93 inclusive, a battle-ship, cruiser, monitor, and gunboat of the navies of Germany, France, England, Japan, and Russia.


Fig. 87.


Q. What thickness of Krupp cemented armor will a six-inch gun penetrate at 5000 yards? An eight-inch gun? A ten-inch gun? A twelve-inch gun, model 1895? A twelve-inch, model 1900?

A. Six-inch penetrates 3 inches; eight-inch, 5 inches; ten-inch, 7 inches; twelve-inch '95, 10 inches; twelve-inch 1900, 12 inches. (See Armor-attack Sheet, Fig. 87.)


[161]

SILHOUETTES OF SHIPS OF RUSSIAN NAVY.

Fig. 88.

Signal      Name.
Number.

  1 Khrabry
  2 Grosiastchy (2B Otvajny, 2C Gremiastchy)
  3 Abrek
  4 Possadnik class
  5 Bobr
  6 Giliak
  7 Peter Veliky
  8 Nachimoff
  9 Spiridoff (9B Greig, 9C Lazareff, 9D Tchitchagoff)
10 Mandjur (10B Tchernomoretz, 10C Zapororozets, 10D Donetz)
11 Koreitz
12 Koubanetz (12B Uraletz, 12C Teretz)
13 Pamiat Merkuria (Euxine)
14 Strelok (class in order named)
15 Ekaterina II (15B Tchesma) (Euxine)
16 Sinop (16B Georgi Pobiedonosetz) (Euxine)
17 Lieut. Ilyin (Euxine)
18 Kapitän Saken (Euxine)
19 Dvenadsat Apostolof (Euxine)
20 Sissoi Veliky
21 Rostislav (Euxine)
22 Tri Svititelia (22B K. P. Tavritchesky) (Euxine)
23 Apraksin (23B Oushakoff, 23C Senyavin)
24 Poltava (24b Petropavlovsk, 24C Sevastopol)
25 Alexander II (25B Nikolai I)
26 Rynda (26B G. Edinburgski, 26C General Admiral, 26D Minin)
27 Rurik
28 Viestnik class
29 Korniloff
30 Vladimir Monomakh
31 Dmitri Donskoi
32 Navarin (twin funnels)
33 Svietiana
34 Bogatyr
35 Pallada (35B Aurora, 35C Diana)
36 Novik
37 Peresviet (37B Osliabia)
38 Pobieda
39 Retvisan
41 Variag
42 Bayan
43 Gromovoi (43B Rossia)
44 Askold

Note.—Some of these ships have been destroyed by the Japanese.


[162]

SILHOUETTES OF SHIPS OF GERMAN NAVY.

Fig. 89.

Signal      Name.
Number.

  1 Biene class
  2 Bremse (2B Brummer)
  3 Jagd (3B Wacht)
  4 Siegfried class
  5 Odin
  6 Baiern (6B Baden, 6C Sachsen, 6D Würtemburg)
  7 Hela
  8 See Adler class
  9 Geier
10 Buzzard, Falke, etc.
11 Meteor (11B Comet)
12 Oldenburg
13 Jaguaur (13B Iltis)
14 Tiger (14B Luchs)
15 Blitz (15B Pfeil)
16 Gazelle (16B Nymphe, 16C Niobe, 14D Ariadne, 16F Medusa,
    16G Thetis, 16H Niobe)
17 Hagen (and others as reconstructed)
18 Aegir
19 Irene (19B Prinzess Wilhelm)
20 Kaiser Friedrich III
21 Kaiser Wilhelm II (21B K. Wilhelm der Grosse, 21C Barbarossa,
    21D Karl der Grosse)
21f Wittelsbach class
22 Fürst Bismark
22b Prinz Heinrich
23 Brandenburg (23B Worth, 23c Weissembourg,
    23D K. Friedrich Wilhelm)
24 Deutschland
25 Kaiser (25B K. Wilhelm)
26 Greif
27 Gefion
28 K. Augusta
29 Hertha (29B Hansa, 29C Vineta, 29D Freya, 29F Victoria Luise)


[163]

SILHOUETTES OF SHIPS OF FRENCH NAVY.

Fig. 90.


[164]

Fig. 91.

Signal      Name.
Number.

  1 Onandaga
  2 Acheron (2B Cocyte, 2C Phlegeton, 2D Styx)
  3 Flamme (3b Grenade)
  4 Tonnant
  5 Tréhouart
  6 Tempête (6B Vengeur)
  7 Fulminant
  8 Tonnere
  9 Furieux
10 Dragonne
11 Leger (11B Levrier)
12 Fusée (12B Mitraille)
13 Magenta
14 Formidable
15 Vauban
16 Duguesclin
17 Friedland
18 Baudin
19 Marceau
20 Neptune
21 Redoutable
22 Bombe (22B Coulverine, 22C Dague, 22D Fleche,
    22F S. Barbe, 22G Lance, 22H Salve)
23 Wattignies (23B Fleurus, 23C Epervier, 23D Condor, 23F Vautour;
    some of these liable to be without main mast)
24 Terrible (Requin transformé probably 24B)
25 Indomptable
26 Caïman
27 Hoche
28 Courbet
28b Dévastation
29 Duperré
30 Jémappes (30B Valmy)
31 Bouvines
32 Dunois
33 D'Iberville
34 Casablanca (34B Cassini)
35 Forbin (35B Coetlogon)
36 Sfax
37 Jean Bart
38 Alger (38B Isly)
39 Descartes (39B Pascal)
40 Catinat (40B Protet)
41 Suchet
42 Davout
43 Linois
44 Galilée (44B Lavoisier)
45 Henri IV
46 Brennus
47 Carnot
48 Charlemagne (48B St. Louis, 48C Gaulois)
48d Jena
49 Masséna
50 Bouvet
51 Charles Martel
52 Charner (52B Chanzy, 52C Bruix, 52D Latouche Tréville)
53 Dupuy de Lôme
54 Jauréguiberry
55 Troude (55B Cosmao, 55C Lalande)
56 Milan
57 Kersaint
58 Surcouf
59 D'Estrees (59B Infernet)
60 Foudre
61 D'Assass (61B Du Chayla, 61C Cassard, 61D Friant,
    61F Chasseioup Laubat, 61G Bugceud)
62 Pothuau
63 Tage
64 D'Entrecasteaux
65 Cecille
66 Chateaurenault
67 J. de la Gravière
68 New armoured cruisers
69 Guichen
70 Jeanne d'Arc


[165]

SILHOUETTES OF SHIPS OF JAPANESE NAVY.

Fig. 92.

Signal      Name.
Number.

  1 Hei Yen
  2 Sai Yen
  3 Matsushima
  4 Itsukushima (4B Hashidate)
  5 Tatsuta
  6 Tsukushi
  7 Yayeyama
  8 Maya (8B Atago, 8C Chiokai)
  9 Akagi
10 Naniwa (10B Takachiho)
11 Takao
12 Fuso
13 Toyohaschi
14 Oshima
15 Hi Yei (15B Kongo) (Kongo has no chart-house)
15C (D and F) (Katsuragi class)
16 Chiyoda
17 Miyako
18 Chihaya
19 Akashi
20 Yoshino
21 Takasago
22 Kusagi (22B Chitose)
23 Suma
24 Idzumi
25 Akitsushima
26 Chin Yen
27 Fuji (27B Yashima)
28 Asama (28B Tokiwa)
29 Asahi
29B Mikasa
30 3400-ton cruisers
31 Azuma
32 Yakumo
33 Idzumo (33B Iwate)
34 Shikishima
35 Hatsuse


[166]

SILHOUETTES OF SHIPS OF ENGLISH NAVY.

Fig. 93.


[167]

Fig. 94.


[168]

Fig. 95.

Signal
Number.      Name.

  1 Polyphemus
  2 Abyssinia (2B Magdala)
  3 Glatton
  4 Cyclops (4B Gorgon, 4C Hecate)
  5 Conqueror (5B Hero)
  6 Rupert
  7 Hotspur
  8 Rattlesnake
  9 Blonde
10 Scout (10A Fearless)
11 Mersey (11B Severn, 11C Thames, 11D Forth)
12 Bramble class
13 Brisk (13B Mohawk)
14 Orion
15 Ajax (15B Agamemnon)
16 Colossus (16C Edinburgh)
17 Cockatrice or Goldfinch class
18 Nymphe (18B Buzzard, 18C Daphne, 18D Phoenix)
19 Basilisk (19B Beagle)
20 Icarus class (in order named)
21 Satellite class (in order named)
22 Archer (22C Cossack, 22D Tartar, 22F Racoon, 22G Porpoise)
23 Iron Duke class
25 Monarch
26 Trafalgar
27 Nile
28 Sanspareil
29 Barracouta (29B Blanche, 29C Barrosa)
30 Hood
31 Centurion (31B Barfleur)
32 Royal Sovereign (32B Empress of India, 32C Resolution, 32D Repulse,
    32F Ramillies, 32G Revenge, 32H Royal Oak)
33 Renown
34 Majestic (34B Magnificent, 34C Mars, 34D Prince George, 34F Jupiter,
    34G Illustrious, 34H Victorious)
35 Hannibal (35B Cæsar)
36 Imperieuse (36B Warspite)
37 Dreadnought (37B Devastation, 37C Thunderer)
38 Collingwood
39 Benbow
40 Rodney
41 Camperdown (41B Anson, 41C Howe)
42 Vulcan
43 Pallas (43B Pearl, 43C Philomel, 43D Phœbe
44 Melpomene
45 Apollo class (B, C, D, F, G, H, J, K, L, M, N, P, Q, R, S, T, V, X, Z)
46 Hermione class (46B Astræa, C, D, F, G, H, K)
47 Hawke (47B Edger, 47C Endymion, 47D Grafton, 47F Theseus,
    47G St. George, 47H Gibraltar)
48 Crescent (48B Royal Arthur)
49 Sharpshooter
50 Seagull
51 Assaye class
52 Alarm class
53 Dryad class
54 Grasshopper (54B Spider)
55 Sandfly
56 Talbot
57 Pelorus class
58 Katoomba class
59 Marathon (59B Magicienne)
60 Medea (60B Medusa)
61 Temeraire
62 Blake (62B Blenheim)
64 Minerva (64B Diana, 64C Venus, 64D Juno, 64F Doris, 64G Eclipse,
    64H Dido, 64J Isis)
65 Neptune
66 Inflexible (rig shown is not yet fitted)
67 Canopus (67B Goliath, 67C Ocean, 67D Glory, 67F Albion,
    67G Vengeance)
68 Formidable (68B Implacable, 68C Irresistible, 68D London,
  68F Bulwark, 68G Venerable)
69 Hercules
70 Sultan
71 Iris
72 Arethusa (72B Amphion)
73 Mercury
74 Leander (74B Phæton)
75 Alexandra
76 Superb
77 Barham (77B Bellona)
80 Speedy
81 Arrogant (81B Furious, 81C Gladiator, 81D Vindictive)
82 Hermes (82B Highflyer, 82C Hyacinth)
86 Diadem (86B Europa, 86C Niobe, 86D Andromeda, 86H Spartiate,
    86J Amphitrite)
87 Ariadne (87B Argonaut, 87C Spartiate, 87D Amphitrite)
88 Cressy (88B Aboukir, 88C Hogue, 88D Sutlej, 88F Euryalus,
    88G Bacchante)
90 Powerful (90B Terrible)


CODE FLAGS AND PENNANTS

INTERNATIONAL CODE OF SIGNALS

U.S. STORM SIGNALS

Flags 8 feet square. Pennants 5 feet hoist, 12 feet fly

U.S. WEATHER-BUREAU SIGNALS

Fig. 96.

[To face page 168.]


EXPLOSION OF A SUBMARINE MINE BY THE GUNNERS OF THE 54TH CO. C. A., FORT TOTTEN, N. Y.

(Observation Firing on a Miniature Battleship used as a Target.)

[To face page 169.]


[169]

EXAMINATION FOR TORPEDO-COMPANY GUNNERS.

SECOND-CLASS GUNNERS.

Ammunition, Nomenclature, and Service of Piece.

Note.—In the following series of questions and answers the new and adopted system only is included.

Q. What guns are usually assigned to torpedo companies?

A. R. F. guns, principally 3-inch.

Q. Give a rough outline of the general operation of the system of submarine mines.

A. A submarine mine is a ball-shaped iron case filled with high explosive. Several of these are planted across a channel and held below the surface of the water by heavy anchors. From each mine is run a single-core cable. All these cables join the wires of a multiple-core cable which runs to the "mining casemate." In this building are electrical devices for firing the mine either when it is struck by the enemy's ship (called "contact-firing,") or at the mine-commander's will ("observation-firing"). This firing is accomplished by sending an electric current through the cable to the mine. Inside the mine is an electric fuse. The return-circuit is by ground. (The details of electrical and engineering features and wiring are not required of a second-class gunner.)

Q. What ammunition is used in the 3-inch R. F. gun?

A. A cartridge case of solid drawn brass about 23 inches long containing a powder charge in the base of 5 pounds of smokeless and a projectile weighing 15 pounds in the top. Armor-piercing shell and shrapnel are also used. The saluting charge weight, 2 pounds.

Q. What primer is used?

A. The Frankford Arsenal 110-grain igniting. (See No. 2, Fig. 97.)

Q. Name the principal parts of this primer.


[170]

Fig. 97.

IGNITING PRIMERS FOR R.F. GUNS

NO. 1 IGNITING PRIMER FOR FIXED AMMUNITION

NO. 2 10 GRAIN IGNITING PRIMER

NO. 3 20 GRAIN IGNITING PRIMER


[171]

A. Body, obturating-cup, vent-closing disc, primer charge, end-closing wad. (See No. 2, Fig. 97.)

Note.—The following data is given for general information only:

Weight of the piece, 1722 pounds. Length, 154·5 inches. Length of bore, 50 calibers. Number of grooves, 24. Twist of rifling, 1 in 50 calibers at the breech and increasing to 1 in 25 at the muzzle. Kind of powder, smokeless. Weight of charge, 5 pounds. Weight of projectile, 15 pounds. Muzzle velocity, 2600 feet per second. Muzzle energy, 702·9 foot-tons. Penetration in steel, at the muzzle 5·37 inches; at 1000 yards, 3·82 inches; at 2000 yards, 2·72 inches; at 3000 yards, 1·94 inches.

Q. Point out the following parts of the breech-block:

Block.
Carrier plate.
Carrier plate ring.
Locking spring.
Lever handle.
Threaded sectors.
Slotted sectors.
Extractor.
Firing pin.

A. See Figs. 17 and 19.

Q. What acts as the gas check?

Q. How should a 3-inch R. F. breech-block be cared for—kind of oil, etc.

A. Same as for any other heavy gun. (See first part of book.)

Q. Describe how the extractor and firing pin work.

A. (This will have to be done at the gun.)

Q. Describe the action of the lever handle.

A. (Do this at the gun.)

Q. Point out the following parts of the gun and mount (masking parapet mount):

Outer base.
Inner base.
Counterweights.
Recoil-cylinder.
Piston-rod.
Pivot.
Pivot yoke.
Trunnions.
Traversing clamp.
Elevating clamp.
Range drum.
Cradle.
Elevating gear.
Sight.
Night Sights.
Ratchet lever.
[172]Lever pawl.
Ratchet-wheel pawl.
Pivot socket and clamp.
Shield.
Muzzle.
Breech.
Bore.
Chamber.

A. See Figs. 17 and 19.

Q. How are rapid-fire guns cared for and kept in working order?

A. Same as the 12", 10", 8", 6", etc. (Given under heading for second-class gunners, Gun-companies.)

Q. How many men constitute a gun detachment for the 3-inch R. F. gun (masking parapet mount) and give the posts of each?

A. Chief of detachment, gun-pointer, and 5 men.

POSTS.

Chief of detachment, 2 yards to the right of the carriage, facing it.

Gun-pointer, immediately in rear of the shoulder piece, facing to the front.

No. 1, 2 feet to the right and rear of the breech facing it.

No. 2, 2 feet to the left and rear of the breech facing it.

No. 3, on the right of the gun, near the elevating clamp, facing to the front.

No. 4, 3 feet in rear of the breech facing it.

No. 5, near the ammunition recess, facing the gun.

The posts of the gun detachment as given above are for inspection and preparatory to the service of the gun.

The men resume their posts on the completion of any duty requiring them elsewhere.

The chief of detachment and gun-pointer go wherever their presence is necessary.

Q. Give the duties of the gun commander, chief of detachment, and gun-pointer.

A. The gun commander indicates the target, repeats the commands "Commence firing" and "Cease firing," announces the[173] kind of projectile to be used, the order of fire, and, in restricted fire, the number of shots and the firing interval. He is responsible to the battery commander for the condition of the material and the efficiency of the personnel of his command, sees that the guns, magazines, equipments, and implements are properly secured after the day's drill.

The chief of detachment is responsible that the gunner identifies the target. He is particularly charged with seeing that his piece is properly loaded and that the precautions for safety in case of misfires are carried out. At the command "Cease firing" he will cause the breech to be opened.

The gun-pointer is responsible for the proper regulation of the current for the lights of the night sights. He adjusts the sight in its seat and sets the elevation and the deflection scales for the indicated range and deflection. He aims the gun and fires as soon after the command "Ready" as the piece is aimed. He will observe the splash of his shots if possible and when necessary make the proper correction on his sight. In connection with the gun commander he determines the deflection correction for travel of target, using the deflection scale for the purpose.

Q. Give the duties of the members of the detachment for loading and firing.

A. The chief of detachment indicates the target and range and commands: 1. No. —, 2. With (such projectile), 3. Commence firing (or, so many rounds, commence firing).

He repeats the command cease firing.

After the first round the projectile is named only when a different kind is ordered and the gun is loaded without command immediately after it is fired.

The gun-pointer, when the gun has the proper elevation, commands and signals clamp. He fires by lanyard and in simulated firing calls out fire when he pulls the lanyard, as a signal to load.

No. 1 opens the breech, closes it as soon as the cartridge is inserted, and calls out ready as soon as he is clear of the recoil.

[174]

(If there is any difficulty in opening or closing the breech, he examines the threads of the breech-block, wipes off any dirt found, and oils the mechanism.)

No. 2 receives a round of ammunition from No. 5 and inserts it in the chamber.

(If there is difficulty in opening or closing the breech, he examines the threads of the breech recess, wipes off any dirt found, and oils the threads if they become dry.)

No. 3 clamps the gun in elevation at the gun-pointer's command and unclamps immediately after the gun is fired.

No. 4 receives the empty cartridge case as it is ejected and lays it aside.

No. 5 brings a round of ammunition of the designated kind from the recess and passes it to No. 2.

MATERIAL AND DUTIES OF THE LOADING-ROOM.

(Except electrical principles involved.)

Q. What apparatus is used in making a Turk's head?

A. A navy knife and tool-box "D" is required. Besides the tools the box should be equipped with a supply of Turk's head collars and marline.

Q. What is used in making a telegraph-joint?

A. A pair of pliers, navy knife, and, where insulation is desired, okonite tape.

Q. What is used in making a joint to be used under water?

A. A navy knife, tool-box "D," junction-boxes in which to clamp the Turk's heads, and the material for making okonite joints or the cores. These materials are, okonite tape, cement, Manson tape and tin-foil. A torch is needed for vulcanizing the joint. Brass jointers are sometimes used in making the joints.

Q. Point out all the parts of an assembled mine.

A. See Fig. 98.


[175]

AN ASSEMBLED MINE

Fig. 98.


[176]

Q. Point out the following parts of a compound plug: circuit-closers; transformer; loading-wire; fuse-wires; fuses; fuse-can; bursting-charge; set-screw for fuse-can; lead or graphite gasket for same; rubber packing; brass washers; fuse-can cap; lower tube set-screw; gland; lower tube; plug proper; loading-wire.

Q. Name some of the duties in the loading-room.

A. Loading mines with explosives; assembling them complete to the single-core cable; preparing compound plugs, cables, and raising-ropes; in other words, preparing a mine for planting in the harbor, except attaching the anchor and mooring-rope.

Q. Make a telegraph-joint.

A. See Figs. 99 and 100.

Q. Make a Turk's head.

A. See Fig. 101. Trim the ends square: 15 inches from it place a wrapping of a few turns of marline overlapping each other and secured by a square knot. Slip on the collar, flat side against the stop of the marline; bend the iron wires back over the collar and cut off 4 inches from one and 6 inches from the next, alternately. Bend the wires with the pliers as so to closely fit and crimp the collar. Beginning at the Turk's head, wrap closely with marline so as to bind the wires to the cable. The jute covering and serving maybe bent back over the wires, or it may be cut off: in cutting turn the edge of the knife away from the cable.

Q. Make a taped joint, place it in salt water for 30 minutes and test.

A.

1o Bare the two ends of wire about ¾ inch.

2o Join by brass jointer, then crimp.

3o Cover with rubber cement.

4o Wrap with tape, about five or six layers.

5o Wrap with tin-foil.

6o Wrap with Manson tape.

7o Vulcanize for about 30 seconds and unwrap tin-foil and Manson tape and rewrap with new Manson tape.

Q. How is a taped joint vulcanized when in the "distribution-box boat"?


[177]

TELEGRAPH-JOINT MADE WITHOUT BRASS JOINER.

Fig. 99.


TELEGRAPH JOINT WITH BRASS JOINER.

Fig. 100.


TURK'S HEAD.

Fig. 101.


[178]

A. By tying a piece of waste soaked in kerosene to a wire lighting, and using this as a torch for heating the joint.

Q. Explain the method of preparing a compound plug.


Fig. 102.


A. This will have to be learned by practice and constant instruction at the loading-room.

Note.—The transformer, fuse, can, etc., on the compound plug are still in a state of experimentation and no method for the assembling of the latest design has been adopted as yet.

[179]

Q. How do you test the transformer?

A. With a circuit detector or galvanometer and a dry cell, as shown in figure.

Note.—In case of a break in the coil, Fig. 102, there would be no current flowing in galvanometer and no deflection of the needle would be indicated.

The wires that should show closed circuit are the two red wires and the black wire and transformer case. Those that should be open are the black, and either red wire. (See Fig. 102.)

Q. How are fuses tested?

A. With a dry cell and a circuit detector. A closed-circuit test is all that is necessary. This should always be done under the supervision of an experienced electrician.

Q. What apparatus is used in preparing a compound plug complete?

A. Bench vise, S-wrench, large monkey wrench, screw driver, small pliers, navy knife, loading wire, cotton-braided wire, priming charge, fuses, rubber packings, brass washers, followers, lead washers, set screws, red lead or ruberine, circuit detector, brass jointers, rubber tape.

Q. What is the method of numbering mines?

A. Facing in the direction of the expected approach of the enemy's ships, mines are numbered from left to right, beginning with No. 1.

Q. How are groups numbered?

A. In the same manner. No. 1 group on the left, No. 2 next toward the right, etc.

Q. How are the mooring-ropes prepared, and what are the rules for length of mine cables and of mooring-ropes?

A. The mooring-cables are cut off with square ends and the ends passed through the holes in the mooring-sockets. The strand and wires are untwisted and spread out for a length equal to the length of the socket-hole. The rope is then pulled back until the loose ends are about flush with the top edge of the hole; a piece of marline is tied about the rope below the socket. If necessary[180] to hold the socket a piece of burlap may be wrapped around below the socket and a fold allowed to fall over the hand. Generally means can be found to set the socket upright while pouring full of alloy. Great care must be taken to see that there is no water or surplus oil on the socket or mooring-rope before pouring the alloy. (Nine parts lead, 1 part antimony.)

Mines are planted with a submergence of 5 feet below mean low water.

Where ordinary anchors are used the mooring-ropes must be prepared for depths obtained by sounding. If sockets are used, the ropes for No. 32 cases are but 10 feet less than the ascertained depths at mean low water. This allows 5 feet for submergence and 5 feet for mine, mine bail, sockets, shackles, and anchor. For the larger mine cases an additional allowance must be made for the length of the cylindrical part of the case. Finally each mooring-rope is tagged at each end with the number of the corresponding mine.

Mine cables are cut to the following lengths, plus twice the approximate depth of the water:

  Feet.
No.  11425
No.21225
No.31025
No.4825
No.5725
No.6625
No.7525
No.8475
No.9425
No.10375
No.11425
No.12475
No.13525
No.14625
No.15725
No.16825
No.171025
No.181225
No.19    1425

Each end of each cable is tagged with the number of the corresponding mine.

[181]

MATERIAL FOR AND DUTIES ON THE WATER.

Q. What apparatus is taken out on the distribution-box boat?

A. One distribution-box, 1 buoy for same, 1 mooring-rope for attaching buoy to distribution-box, 1 anchor sufficiently heavy to hold distribution-box boat, 1 anchor buoy (keg), and rope for same, 2 anchor shackles (1 for anchor and 1 for box), 1 pair field glasses, alcohol, 2 alcohol lamps, cable tags, Turk's head, collars, cotton waste, 2 files, 2 hammers, 2 heavy lines, knives, marline, 2 marline spikes, 1 megaphone, 2 monkey wrenches, 2 pliers, protective tape, rubber cement, rubber tape, 2 scissors, tin-foil, telephone, brass connectors, lashings.

The planter may locate the distribution-box boat anchor, and in that case it, together with its buoy, would not be taken out in the distribution-box boat.

Q. How and in what way are the cores of cable numbered?

A. They are numbered by the non-commissioned officer in charge of the boat, who establishes communication with the casemate, using the boat telephone, and working under the instructions of the casemate electrician.

Nos. 1, 13, and 19 are easily selected by means of their special marking; No. 19 is the center core; No. 13 is the marked core in the inner row of six; and No. 1 is the marked core in the outer row of twelve.

In the seven-cored cable there are no marked cores, the cores being numbered under the instructions of the casemate electrician.

Q. How is multiple cable laid?

A. It is transported to the planter by tramway, hoisted by steam-derrick to the forward jacks; it is then joined to the "shore ends" of the cable; the planter then steams to the distribution-box buoy and passes the end of the cable to the distribution launch, where a Turk's head is made and all is ready to receive the single-core cables for planting.

[182]

PLANTING OF MINES.

Q. How are single-core cables prepared?

A.

1o If the single-core cable has not been cut and coiled in loading-room, place reel on jacks, cut 20 feet off the end, unreel to lengths given previously, cut and tag with mine number.

2o Carry cable No. 19 on port side to after deck, keeping tagged end forward and coil in figure eight, keeping tagged end on bottom.

3o Make Turk's head on each end, first slipping tagged end through a mine cap.

4o Continue the operation above in the following order:

Nos. 1 to 9 starboard side.

Nos. 10 to 19 port side.

Q. Describe how to place mines aboard and to attach to cables preparatory to being planted.

A.

1o Place mine buoys, anchors, mooring-ropes, raising-ropes, shackles, sister hooks, etc., aboard forward and in convenient places.

2o Place loaded mines aboard last, nine on starboard and ten on port.

3o Cut to proper length the loading wire, make a tapped joint with S. C. conductor with Turk's head, previously prepared through mine cap.

4o Fasten mine cap on mine, lash cables to bales, shackle mooring-rope to mine, and anchor, lash mooring-rope to mine cable every 5 feet (not done if automatic anchor is used).

5o Cut raising-ropes 50 feet plus depth of water and attach one end to anchor by anchor knot, the other end to mine cable by two half hitches and a serving of marline, secure at a few other points.

6o Attach about 60 feet small rope to mine buoys and mark this rope every 5 feet, slip free end through [183]maneuvering ring, and tie to buoy. (The mines, anchors, cables, raising-ropes, and mine buoys are now ready to be planted.)

Q. Explain how to sling the mine and anchor, and prepare it to "let go."

A.
1o Mouse upper hooks of differential blocks and lash well with marline the tripping hooks.

2o Sling the anchor to the tripping hook on the differential block of the forward davit, swing clear of rail, and lower close to water.

3o Perform similar operation with mine from after davit.

Q. Describe the method of planting.

A. The planter now moves to the distribution-box boat, the latter to the port, No. 10 cable is passed to the same, planter now moves to No. 10 buoy, and when mine is abreast, the command "let go" is given.

The tripping hook of the mine is released first, and that of the anchor immediately after. The planter now circles to starboard, passes to the rear, and comes up to the distribution-box boat to the starboard. No. 9 is now passed, and planter moves forward to the position of this mine, plants it, and returns to distribution-box boat to repeat the operation till the group is planted.

CAUTIONS TO BE OBSERVED.

Men operating tripping hooks keep their feet free from all cable. Men on after deck must keep entirely free of all cable while being spent when planter is passing from distribution-box boat to mine buoy.

If dynamite is used as explosive all mines should be covered with paulines or burlap to protect them from the direct rays of the sun.

Q. Name the apparatus on the boat used in planting mines.

A. Derricks, catheads, snatch-blocks, steam-winches, insulated cable, cable-drum frames, circuit detector, boat-hooks,[184] sounding-lines graduated to feet, davits, differential blocks, mooring-ropes, raising-ropes, buoyant mines and anchors, shackles and extra split pins for same, lashing-rope, alcohol, 2 alcohol lamps, 1 cable cutter, cable tags, Turk's head, collars, cotton waste, 4 files, 4 hammers, 6 heaving-lines, knives, marline, 2 marline spikes, 1 megaphone, 2 monkey wrenches, 4 pliers, protective tape, rope, rubber cement, rubber tape, 2 scissors, 1 set of stencil numbers, tin-foil, and a measuring line which has marks every 100 feet, with double marks at 300 and 600 feet.

Q. Give a method for marking the positions at which mines are to be planted.

A. The distribution-box is located first, a buoy and anchor being used as the mark. The center point of the group is located next, then the two ends of the group. The launch is directed over the spot selected from the map for the distribution-point by means of base-end instruments at the primary and secondary stations (these two instruments being set at the azimuth of the selected spot), and by signals from these stations the launch drops the anchor and buoy when it is at the intersection of the vertical cross-wires of each instrument. The launch marks the center of the group by moving approximately perpendicular to the line of mines to the desired distance. The line of mines is then determined by taking bearings and objects on shore (previously determined from the map) or by a similar method to that of locating the distribution-box buoy. Small planting-buoys are used for this purpose. The distribution-box buoy is usually a large keg or vinegar-barrel.

Q. How are soundings made?

A. By starting from either end of the "located group" and making a sounding at every 100 feet.

Small Boat Drill.

Q. Explain how a small boat used for marking and locating is managed, and give the commands necessary.

[185]

A. Upon leaving wharf, "Shove off!" performed by designated man.

To raise oars preliminary to rowing: "Up oars!" all oars being held vertically, opposite rowlocks, blades athwart boat.

To lower oars into the water: "Let fall!"; all oars are dropped easily into the water, without splashing, and quickly adjusted into the rowlocks, and then held in position of "Oars!" (See below.)

To move the boat forward: "Stand by to give way together!—GIVE WAY TOGETHER!" the boat being propelled forward at the latter command, all the men taking a slow uniform stroke, being guided by No. 1, feathering their oars as they come out of the water and move forward.

To cease rowing temporarily: "Oars!"; at this command the oars are raised out of the water to a horizontal position, blades parallel with the surface of the water.

To rest without taking oars from rowlocks: "In oars," when oars are drawn in and placed with handles under gunwales on opposite side of boat from rowlocks.

To move backward a short distance: "Back water!" executed opposite to "Give way together!"

To stop boat: "Hold water!"; the oars are held rigidly in the water, blades vertical.

To stop boat quickly, as if running on a rock: "About face! hold!" when the oarsmen turn about and hold blade in water, stopping momentum of boat.

To turn to port: "Pull starboard, back port!" (To turn to starboard, the opposite).

To make a landing: "In bow!"; the bow oar is raised vertically, then lowered into its place in the boat, and the bow man takes the boat-hook and guides boat gently into its place.

To cease rowing: "Way enough!"; the oars are raised vertically, shoved properly in place.

[186]

CORDAGE.

Q. Name the important knots used in mine-work.

A. Anchor-knot or fisherman's bend, square knot, clove-hitch, bowline, stopper, whipping, and short splice. (See plate of knots for gun-companies.)

THE U. S. MAGAZINE RIFLE.

See Examination for Second-class Gunners, for Gun-companies.

FIRST-CLASS GUNNERS.

CARE AND PRESERVATION OF MINE MATERIAL.

Q. How are mine-cases preserved and cared for?

A. They are painted light gray on the outside, and the screw-threads covered with a mixture of lard-oil and white lead (4 parts of tallow to 1 white lead). They are also either painted or covered with protective material on the inside. They are then stored on suitable racks inside a "torpedo storehouse."

Q. How are all bearing surfaces, such as screw-threads, prepared for storage?

A. By first thoroughly cleaning them with brushes, kerosene, waste, etc., and then covering with the above mixture of white lead and tallow.

Q. How is the motor-generator cared for?

A. Fill all oil-holes, and keep all parts free from dust and foreign material; see that all connections are tight; see that all brushes are in good condition, and replace worn ones by new ones. Use very fine sandpaper for slight inequalities of the commutator.

[187]

Q. How are the mine-panel and the switchboard cared for?

A. See that all bolts to busses are tight, that all lamps are screwed home, that all contacts are clean and free from gum or dirt, that all switches work properly and all contacts correctly made.

Q. How should electric lights be cared for?

A. They should be kept clean and polished. Any snap-switch that sparks badly should be replaced. No verdigris should be allowed to accumulate on any brass fittings. When a lamp becomes dull or black inside, a new one should replace it. When any fuse is blown out, new ones should be put in. (Never use copper wire as a substitute for a fuse.)

Q. How should transformers be cared for?

A. Simply kept clean and in a dry place. They should be tested with a circuit-detector once in a while.

Q. How is the charging-generator cared for?

A. Keep free from dirt or rust, fill all oil-holes, clean the commutator with a dry rag, keep the brushes set so as to make good contact, and when not in use cover with a rubber paulin.

Q. How is the oil-engine cared for?

A. The oil-engine should be kept clean and nicely painted, all oil-holes filled, the water-tank filled and free from mud and sediment, the vaporizer examined from time to time and kept free from packed carbon, the piston clean and well oiled, the poppet-valves tight and free from any clogging material, the starting-torch clean and free from soot.

Q. When putting a piece of machinery out of commission what is done?

A. All bearing surfaces are exposed, cleaned, and covered with white lead and lard-oil or a similar substitute preservative. All small loose parts are removed, covered with cosmic wrapped in burlap, and stored under cover. The machine should also be housed.

Q. Name some of the principal cleaning materials.

A. Steel scrapers, button and wire brushes, waste, pomade,[188] sandpaper, emery and crocus cloth, gasoline, kerosene, and alcohol.

Q. Name some preserving materials.

A. Cosmic, white lead, red lead, raw linseed oil, turpentine, beef tallow, drier, lamp black, pumice stone, varnish, asphaltum varnish, paint brushes, shellac, graphite paint and insulac.

Q. Name some uses of each.

A. Cosmic: Covering bright parts of engines, generators, motors, etc., when out of commission.

White Lead: (4 pts. W. L. to 1 of tallow) Used on screw-threads of mine cases, steel threads, compound plugs, bolts, nuts, washers, surfaces of flute joints, etc.

Caution: Never use this on a joint where electrical contact is to be made.

Red Lead: (100 pounds red lead ground in linseed-oil with 5 gallons raw linseed added.) On mine cases after being scraped. As a preliminary coat for iron surfaces of engines, generators, etc.

Raw Linseed, Turpentine, Drier, and Lampblack, for making different kinds of paint. Turpentine is also used to clean brushes, etc.

Tallow: For mixing with white lead to form a preservative.

Pumice-stone: When powdered and mixed with oil is used to rub down surfaces, as the first coat of varnish on an engine.

Varnish: As a finishing coat for metal and wood surfaces not exposed to heat or water.

Asphaltum Varnish: For painting anchors, distribution-boxes, mooring-sockets, shackles, sister hooks, junction boxes, iron work of operating boards and power panels, etc.

Shellac: For covering decks, spars, etc.

Graphite Paint: For painting hot parts of engines, etc.

Insulac: For preserving insulation on electrical instruments, etc.

Q. How is an engine painted?

A. All hot surfaces should be painted with black graphite[189] paint. All other surfaces after being thoroughly scraped and sand-papered should be given a priming coat of red-lead paint. This should be lightly rubbed down with powdered pumice and oil, then two coats of preferably steel color metal paint applied and rubbed. Two coats of varnish are now applied and rubbed with pumice as above, after each coat becomes thoroughly dry.

HANDLING HIGH EXPLOSIVES.

Q. Name some high explosives used in submarine mining.

A. Wet gun-cotton principally, dynamite, and other high explosives that can be readily purchased in commercial life in case of emergency.

Q. Why is wet gun-cotton to be preferred as a high explosive?

A. Because it is perfectly safe to handle. It can only be detonated by first detonating a small piece of dry gun-cotton placed near it.

Q. What are some important precautions to be observed when loading mines?

A.

1o Always wear rubbers when entering the magazine to get the explosive. (The main supply is always kept in a cool magazine.)

2o Never drop or slide along the floor boxes of high explosive.

3o Do not expose high explosive to sun's rays or heat.

4o Bring only one box to the loading-room at a time, then, when used, burn the box and sawdust in a safe place.

5o Place canvas or burlap on floor of loading-room, then place mine on skids upon this.

6o Use rubber gloves when handling dynamite.

7o Sweep floor frequently and throw sweepings in water.

[190]

8o After mine is loaded by use of funnel, carefully clean threads with a soft brush, then smear plenty of ruberine on threads.

9o Never saw or bore a dry guncotton cake.

10o Never open a mine loaded with dynamite without first consulting an officer.

11o Never thaw out dynamite near a stove.

Q. How is dynamite that is frozen thawed out?

A. Place the frozen dynamite in an open watertight can. Place this can in another can of warm water, such that the heat of the warm water only will do the thawing.

KNOWLEDGE AND USE OF THE PLOTTING-BOARD AND AZIMUTH INSTRUMENT.

Q. Describe the plotting board.

A. It is the same as that used for guns except the gun arm and its parts are not used. The scale is ordinarily 100 yards = 1 inch.

Q. How is it used for mine firing?

A. The ship is tracked by plotting points of intersection of the primary and secondary arm every 20 seconds. After several positions are plotted a point is predicted at a certain interval of time ahead and by means of a "combination prediction and speed scale" the time of the arrival of the ship over the mine which was previously plotted on the board is obtained and this is the time of firing that mine. This is called "judgment firing."

Q. Describe and use the azimuth instrument.

A. See Examination for First-class Gunners for Gun-companies.

BATTERIES, GENERATORS, AND SEARCH-LIGHTS.

Q. Name the batteries used in mine work.

A. Casemate battery (storage—40 cells) and boat telephone battery (either storage or dry cells sufficient to give 15 volts).

[191]

Q. Describe the casemate battery. (See Fig. 103.)

A. This is a storage-battery of the standard chloride accumulator type. It is composed of 40 cells, type D-5 (D = size of plate 5, the number of plates). D-5 has two positive and three negative plates, each 6" × 6". Positive plates are of a brownish color, negative grayish. These plates are contained in a glass jar nearly filled with electrolyte (one part sulphuric acid to five parts distilled water by volume makes electrolyte of 1·210 specific gravity. The acid must be poured into the water.)

These glass jars are placed in trays of sand and the trays rest on glass insulators. The normal charge and discharge rate of this battery is 5 amperes, although in starting the motor generator a much higher current is drawn from the battery. The voltage is about 80.

Q. What precautions are necessary to keep it in order?

A.

1o Do not overcharge, overdischarge, or allow to stand completely discharged. (Battery should be charged when discharge is 1.8 volts per cell.)

2o Keep plates covered with electrolyte about ¾ inch above top of plates. If not at proper height add distilled water.

3o Keep cells free from sediment.

4o A record of each cell (voltage and specific gravity) should be kept each time the battery is charged, and this should be done about once a week.

5o The indications of a complete charge are: when positive plates have a deep chocolate color, negative light slate, cells gas freely, each cell reads about 2·5 volts, and 1.210 specific gravity, and when no perceptible rise in voltage occurs for a lapse of 10 to 15 minutes.

6o If any low cells develop, bring them back into condition immediately.

(a) If voltage is very low, look for sediment or foreign matter, then charge separately.


[192]

STORAGE CELL (DISMANTLED)

Fig. 103.


[193]

(b) If specific gravity is very low take out some electrolyte and add 1.200 specific gravity electrolyte. (This used to be 1.400.)

7o Keep battery-room well ventilated, especially while charging.

8o Never bring an exposed flame into battery-room while charging. (The gases given off are explosive when mixed with air.)

9o Keep the floor and all parts of the room clean, iron, copper, and metal work free from corrosion; keep all connections tight and clean; never allow verdigris to collect anywhere.

Q. Describe a searchlight.

A. It consists of an iron cylinder mounted on an iron pedestal in a yoke. The cylinder contains a parabolic mirror in the back, a series of glass strips in the front, and two "carbons" in the middle.

The electric current in passing through the carbons heats the points to a very high degree, producing a brilliant light. This light is reflected by the mirror towards the front, and the mirror, being of a curved form, also converges the rays of light. Underneath most searchlights are electric motors for traversing and elevating, and these motors are started or stopped by means of switches in a contrivance called a "controller," which is always placed at a distance from the light.

Q. Point out the following parts of a 36" searchlight: hand star-wheel for slow vertical movement; wheel for throwing out split nut used for connecting or disconnecting the drum from the base mechanism; wheel for slow horizontal movement; hand star-wheel for clamping turntable to center-pin for electrical control; wood handles on drum for moving drum by hand; hand-wheel for clamping hand star-wheel A when electric control is used; controller-switch; controller-handle; controller fuse-box; controller-coupling for connecting cable from the projector; focusing-screw; socket for inserting wrench to operate lamp-switch used for cutting out feeding-magnet; socket for inserting wrench when feeding by hand; door used for adjusting the carbons and for cleaning the front door; door used when carbons are to be adjusted or changed; front door; door used when adjusting negative carbons or cleaning the mirror; horizontal peepsights; vertical peepsights; sliding case to be opened when lamp mechanism is to be inspected; projector main switch; latches for fastening base-sheeting; base-sheeting.

A. See Fig. 104.


[194]

36-INCH SEARCHLIGHT AND CONTROLLER.

Fig. 104.


[195]

Q. Describe the principal parts of the charging-generator?

A. The frame holds the field-magnets within which revolves an armature consisting of a winding of conductors and a commutator. Brushes made of carbon touch the commutator. The base rests on guides which permits of a motion of the generator to take up the slack of the belt.

Q. Point out the following parts of the generator: frame, base, field-coil, commutator, brushes, shaft, pulley, adjusting-screw, rocker-handle, magnet-frame bolt, brush-holder, brush stud-cable, rocker, bearing-cup, journal-box, pole-shoe, pole.

A. See Fig. 105.

Q. Point out the following parts of the oil-engine: cylinder-casing, vaporizer, vaporizer-cap, vaporizer-cover, vaporizer-cover lid, valve-box journal, valve-box sleeve, spray-nozzle, horizontal valve, horizontal-valve spring, vertical valve, vertical-valve spring, valve-box, valve-box screw-cap, valve-box coupling, overflow-glass, oil-pump can, oil-pump plug, oil-pump plunger, oil-pump plunger-spring, oil-pump plunger-head, oil-pump plunger-head guide, oil-pump gauge, oil-pump body, bed-plate, bearing-cup, splasher, oil-tank, oil-filter, filter-cock, worm-gear, gear-wheel, gear-guard, crank-shaft, crank-pin oiler, piston, connecting-rod, cam-shaft, governor-wheel, governor-pinion, governor-counterpoise, crank-shaft, governor-balls, governor-counterweight, air-valve cam, exhaust-valve cam, cam rollers, cam shifter, locking-handle, air-valve, exhaust-valve, cylinder-lubricator, cylinder-lubricator pulley, fly-wheel, fly-wheel key-guard, splasher.


[196]

A DIRECT-CURRENT GENERATOR.

Fig. 105.


[197]

HORNSBY AKROYD OIL-ENGINE.

Fig. 106.


[198]

A. See Fig. 106.

Q. Name some important points to be observed in caring for the generator.

A.

1o Keep it perfectly dry.

2o Keep it perfectly clean.

3o Do not let pieces of iron or steel come near it when running.

4o Keep the belt adjusted.

5o Keep the bearings well oiled.

6o Keep commutator clean and smooth (use fine sandpaper only, then a soft cloth and some oil or vaseline, then dry thoroughly).

7o Keep brushes in trim and making good contact.

8o Do not allow armature to heat badly, or it will suddenly burn out.

9o Keep brushes on neutral point to prevent sparking. There is usually a mark on the dynamo to show this, if not, rock brushes until sparking ceases.

10o Keep covered when not using.

11o Keep connections clean and tight.

12o Never overload it.

CASEMATE APPARATUS.

Q. Point out the following parts of the power panel:

Milli-ammeter and its protecting lamp.
Double pole circuit-breaker.
Single pole reverse current circuit breaker.
Direct current ammeter (two way).
Direct current voltmeter.
Alternating current voltmeter.
Double-pole double-throw lever switches.
Double-pole single-throw lever switches.
Receptacles.
Plugs.
Lamps.
[199]D. C. busses.
A. C.      "
Charging rheostat.
Field          "
Resistance for reverse current circuit-breaker.
Terminal strips.
Fuses.
Fuse clips.

A. This must be learned at casemate.

Q. Point out the following parts of the operating panel:

Signal-block.
Master    "
Mine       "
Cable terminal block.
Single stroke gong and its switch.
Red lamp and white lamp, and use of each.
Resistance coil and its use.
Earth terminal.
A. C.    "
D. C.    "
A. C. jaw.
D. C.    "
Testing switch on master block.
Firing switch.
Jumper.
Testing switch on mine block.
Automatic switch.
Mine switch.
Power switch.
Automatic switch release.
Solenoid.

The terminal block is provided with binding posts and clips.

A. This must be learned at the casemate.

Q. What is a motor generator?

A. A combination of a separate motor and a generator connected to the same shaft.

Q. What kind of a motor generator is the one in the casemate?

A. It consists of a motor driven by direct current and a generator which delivers alternating current. It has about 1-1/3 H. P.

Q. What is the voltage of each?

A. 80-110 for the motor and about the same for the generator.

Q. What is the object of the casemate transformer?

A. To raise the voltage from about 80 to 500 alternating current.

Q. Describe the mine transformer.

A. This will be learned in the casemate.

[200]

Q. Explain what switches you would set on power panel for automatic firing, the board having been previously tested and found by the electrician to be in order.

A.

1o Put D. C. on busses
     { (a) Close double-pole circuit-breaker
     {    (storage-battery), or
     { (b) Close S. P. reverse current circuit-breaker
by {    and switch No. 2 to the right (post power), or
     { (c) Close S. P. reverse current circuit-breaker
     {    and switch No. 2 to the left (casemate
     {    generator).

2o Read voltage by plugging in proper receptacle.

3o Close switch No. 3 up.

4o   "        "       "     4   "  (or down).

5o     "       "       "     9   "  ( "     " ).

6o Read A. C. voltage by plugging in proper receptacle.

8o Close switch No. 8 up.

Q. Explain how to set operating panel for automatic firing.

A. All contacts, connections, switches, etc., having been previously tested and examined by the electrician and found in order:

1o Close up the testing, automatic, mine, power, and gong switches.

2o Close firing switch.

Note.—If one or more automatic switches cannot be made to stay up, open the power switch for that mine before closing firing switch.

Q. How would you fire by judgment?

A. Conditions being as above, lift the automatic switch release of the mine to be fired at the command "Fire".

Q. How are mines tested?

A. 1o Put D. C. on D. C. busses.

2o Open power switches on all mine blocks.

3o Unscrew all green lamps except on panel being tested.

[201]

4o Close switch No. 3 down.

5o Close power switch of each mine in succession and read milli-ammeter. This should be about 30 to 40 milli-amperes.

Q. Point out and describe the parts of a boat-telephone.

A. See Fig. 107.

Q. Describe how to connect up and use the boat-telephone.

A. 1o Connect one wire of the casemate 'phone to either side of the battery, and the other to the ground (waterpipe is a good ground).

2o The same end of the battery is connected to wire Nos. 1, 13, or 19 of the multiple cable leading to the distribution-box boat.

3o Connect one wire of the 'phone in the D. B. boat to this same core (No. 19, for example).

4o Connect the other wire to an earth plate which is overboard. (An earth plate is usually made of iron or copper.)

5o The other terminal of the telephone battery has a permanent connection to earth. These connections then place the two telephones in parallel with the battery.

To call, press the push-button.

To talk, press the talking-switch.

Q. Point out and describe the parts of a wall-telephone composite artillery type.

A. See Fig. 108.

Q. Give the tests for telephones.

A. 1st. Bell is not rung by its own magneto.

Analysis:

1. Short circuit on line.
2. Mechanical trouble in the bell.
3. Short circuit in the phone.
4. Open circuit in the phone.
5. Magneto does not generate.


[202]

THE BOAT-TELEPHONE.

Fig. 107.


[203]

Operator's test:

With the receiver on the hook turn the magneto handle briskly.

If the bell does not ring and the magneto turns hard, (1. Short circuit on line) or (3. Short circuit in phone) is indicated, and the operator proceeds as follows, trying to ring after each step:


COMPOSITE ARTILLERY TELEPHONE.

Fig. 108.


Inspect for contact of lightning-arrester carbons: a piece of writing-paper should pass between them easily. See that the ends of the line and ground wires do not touch any other part after passing through the binding-posts.

Disconnect the line and ground wires. If the bell rings now, (1. Short circuit on line) is clearly indicated, but if it does not ring and still turns hard, (3. Short circuit in phone) is indicated.

[204]

If the handle does not turn hard, the operator takes up (2. Mechanical trouble in the bell) and sees that the striker is not bound by the metallic cap over it or by the wood of the box, also that the armature can be moved by hand and that the striker will touch the gongs when the armature is so moved. The first trouble can be remedied; the others should be reported.

(4. Open circuit in the phone). Open the magneto box, see that contact is made between shaft and spring at U and between the springs at V when the handle is turned. The last may fail because the shaft is caught at some place, as where it enters the box or the collar on the shaft may have slipped or the springs may be bent. The spring at U may be held against the end of the shaft with a pencil, during a test, to insure good contact. A spark seen at U or V indicates poor contact. If the operator cannot easily correct these faults, he should report as nearly as practicable what trouble he found.

Test for (5. Magneto does not generate) by moistening the tips of the fingers and touch terminals of magneto. Turn the handles, and if no shock is felt, a failure to generate is indicated.

2d. Bell is not rung by distant magneto.

Analysis:

1. Home phone out of order.

2. Distant phone out of order.

3. Line out of order.

Operator's test:

(a) Test for (1. Home phone out of order) by detaching the line and ground wires and turning the handle.

(b) Test for (2. Distant phone out of order) [205]at the distant phone in a manner entirely similar to (1. Home phone out of order).

(c) See expert's test for line troubles.

Can hear but cannot be heard.

Analysis:

1. Local circuit at fault.

(a) Battery, (b) connections or wiring, (c) transmitter, (d) primary coil.

2. Distant receiver out of order.

3. Home secondary coil short-circuited.

Operator's test:

Disconnect line and ground wires and connect binding-posts R and C with a piece of wire, thus short-circuiting the phone. Place the receiver to the ear and scratch gently with the finger-nail on the inside of the transmitter mouthpiece.

If this is distinctly heard, the local circuit and receiver are all right.

If no sound results, put the receiver to the ear, lower and raise hook lever, also open and close the two-way switch. If a distinct click is heard for each of these, the local circuit is all right but the transmitter may not be in good order and a report should be made.

If no sound results from above, make sure that the switch contact is good and no pivots are loose, that all contacts are good, that the connections at battery terminals are good with no green substance on the wires or posts, that the water in the jars is up to the prescribed point, about an inch from the neck of the cell, that the zincs and carbons are not touching, that the zincs are not eaten off, and that the zinc of one cell is connected to the carbon of the other, and that there are no crystals on the zincs and carbons.

[206]

The operator should correct any of these that he can, reporting the others.

For (2. Distant receiver out of order) the operator at the distant phone should try the tests above. If these give no sound in his receiver, he should try another receiver, if one is available. He may try a new cord or substitute two pieces of wire for it.

3d. Can neither hear nor be heard.

Analysis:

This indicates general trouble:

1. In the phones.

2. In the line.

Operators' test:

Go over the phone carefully, looking for poor contacts, as when an insulated wire is put in the binding-posts, binding-posts not screwed down tight, ends of wires passing through post touching other parts, contacts at cells and condition of cells as noted before. Disconnect the line and ground wires and test out phones as indicated. See that ground wire is in the middle post. If there are fuses in the line, see that they are not burned out. If no trouble is found to exist when the line is disconnected, report line out of order.


Transcriber's Notes

Obvious errors of punctuation and diacritics repaired.

Both "defense" and "defence" are used and have not been changed.

Both "guncotton" and "gun-cottom" are used and have not been changed.

Hyphen added: hand[-]wheels (p. 8).

Hyphen removed: War[-]ships (p. 2).

P. viii: 8-inch Non-disappearnig -> 8-inch Non-disappearing.

P. 2: first or second-slass gunners -> first or second-class gunners.

P. 7: verticle angle -> vertical angle.

P. 31: Tetlautograph detail -> Telautograph detail.

P. 35: singals "Ready" or "Misfire," -> signals "Ready" or "Misfire,".

P. 77: Frankfort Arsenal -> Frankford Arsenal.

P. 89: right-handed sope -> right-handed rope.

P. 101: each pir of front and rear stakes -> each pair of front and rear stakes.

P. 110: Thong and Bush -> Thong and Brush.

P. 123: EXAGERATED DIAGRAMS -> EXAGGERATED DIAGRAMS.

P. 144: on dial -> on the dial.

P. 148, table, last column: 6 1 -> 6 1/5.

P. 156: TABLE A.--TABLE OF WARSHIP CHARACTERISTICS was split in two to fit within a reasonable width.

P. 160: (See Armor-attack Sheet, Fig. 86.) -> (See Armor-attack Sheet, Fig. 87.)

P. 168: 36 Imperieuse (34B Warspite) -> 36 Imperieuse (36B Warspite).

P. 184: 2 alochol lamps -> 2 alcohol lamps.

P. 187: free fram any clogging material -> free from any clogging material.






End of Project Gutenberg's The Gunner's Examiner, by Harold E. Cloke

*** END OF THIS PROJECT GUTENBERG EBOOK THE GUNNER'S EXAMINER ***

***** This file should be named 47895-h.htm or 47895-h.zip *****
This and all associated files of various formats will be found in:
        http://www.gutenberg.org/4/7/8/9/47895/

Produced by Chris Curnow, Moti Ben-Ari and the Online
Distributed Proofreading Team at http://www.pgdp.net (This
file was produced from images generously made available
by The Internet Archive)


Updated editions will replace the previous one--the old editions
will be renamed.

Creating the works from public domain print editions means that no
one owns a United States copyright in these works, so the Foundation
(and you!) can copy and distribute it in the United States without
permission and without paying copyright royalties.  Special rules,
set forth in the General Terms of Use part of this license, apply to
copying and distributing Project Gutenberg-tm electronic works to
protect the PROJECT GUTENBERG-tm concept and trademark.  Project
Gutenberg is a registered trademark, and may not be used if you
charge for the eBooks, unless you receive specific permission.  If you
do not charge anything for copies of this eBook, complying with the
rules is very easy.  You may use this eBook for nearly any purpose
such as creation of derivative works, reports, performances and
research.  They may be modified and printed and given away--you may do
practically ANYTHING with public domain eBooks.  Redistribution is
subject to the trademark license, especially commercial
redistribution.



*** START: FULL LICENSE ***

THE FULL PROJECT GUTENBERG LICENSE
PLEASE READ THIS BEFORE YOU DISTRIBUTE OR USE THIS WORK

To protect the Project Gutenberg-tm mission of promoting the free
distribution of electronic works, by using or distributing this work
(or any other work associated in any way with the phrase "Project
Gutenberg"), you agree to comply with all the terms of the Full Project
Gutenberg-tm License (available with this file or online at
http://gutenberg.org/license).


Section 1.  General Terms of Use and Redistributing Project Gutenberg-tm
electronic works

1.A.  By reading or using any part of this Project Gutenberg-tm
electronic work, you indicate that you have read, understand, agree to
and accept all the terms of this license and intellectual property
(trademark/copyright) agreement.  If you do not agree to abide by all
the terms of this agreement, you must cease using and return or destroy
all copies of Project Gutenberg-tm electronic works in your possession.
If you paid a fee for obtaining a copy of or access to a Project
Gutenberg-tm electronic work and you do not agree to be bound by the
terms of this agreement, you may obtain a refund from the person or
entity to whom you paid the fee as set forth in paragraph 1.E.8.

1.B.  "Project Gutenberg" is a registered trademark.  It may only be
used on or associated in any way with an electronic work by people who
agree to be bound by the terms of this agreement.  There are a few
things that you can do with most Project Gutenberg-tm electronic works
even without complying with the full terms of this agreement.  See
paragraph 1.C below.  There are a lot of things you can do with Project
Gutenberg-tm electronic works if you follow the terms of this agreement
and help preserve free future access to Project Gutenberg-tm electronic
works.  See paragraph 1.E below.

1.C.  The Project Gutenberg Literary Archive Foundation ("the Foundation"
or PGLAF), owns a compilation copyright in the collection of Project
Gutenberg-tm electronic works.  Nearly all the individual works in the
collection are in the public domain in the United States.  If an
individual work is in the public domain in the United States and you are
located in the United States, we do not claim a right to prevent you from
copying, distributing, performing, displaying or creating derivative
works based on the work as long as all references to Project Gutenberg
are removed.  Of course, we hope that you will support the Project
Gutenberg-tm mission of promoting free access to electronic works by
freely sharing Project Gutenberg-tm works in compliance with the terms of
this agreement for keeping the Project Gutenberg-tm name associated with
the work.  You can easily comply with the terms of this agreement by
keeping this work in the same format with its attached full Project
Gutenberg-tm License when you share it without charge with others.

1.D.  The copyright laws of the place where you are located also govern
what you can do with this work.  Copyright laws in most countries are in
a constant state of change.  If you are outside the United States, check
the laws of your country in addition to the terms of this agreement
before downloading, copying, displaying, performing, distributing or
creating derivative works based on this work or any other Project
Gutenberg-tm work.  The Foundation makes no representations concerning
the copyright status of any work in any country outside the United
States.

1.E.  Unless you have removed all references to Project Gutenberg:

1.E.1.  The following sentence, with active links to, or other immediate
access to, the full Project Gutenberg-tm License must appear prominently
whenever any copy of a Project Gutenberg-tm work (any work on which the
phrase "Project Gutenberg" appears, or with which the phrase "Project
Gutenberg" is associated) is accessed, displayed, performed, viewed,
copied or distributed:

This eBook is for the use of anyone anywhere at no cost and with
almost no restrictions whatsoever.  You may copy it, give it away or
re-use it under the terms of the Project Gutenberg License included
with this eBook or online at www.gutenberg.org/license

1.E.2.  If an individual Project Gutenberg-tm electronic work is derived
from the public domain (does not contain a notice indicating that it is
posted with permission of the copyright holder), the work can be copied
and distributed to anyone in the United States without paying any fees
or charges.  If you are redistributing or providing access to a work
with the phrase "Project Gutenberg" associated with or appearing on the
work, you must comply either with the requirements of paragraphs 1.E.1
through 1.E.7 or obtain permission for the use of the work and the
Project Gutenberg-tm trademark as set forth in paragraphs 1.E.8 or
1.E.9.

1.E.3.  If an individual Project Gutenberg-tm electronic work is posted
with the permission of the copyright holder, your use and distribution
must comply with both paragraphs 1.E.1 through 1.E.7 and any additional
terms imposed by the copyright holder.  Additional terms will be linked
to the Project Gutenberg-tm License for all works posted with the
permission of the copyright holder found at the beginning of this work.

1.E.4.  Do not unlink or detach or remove the full Project Gutenberg-tm
License terms from this work, or any files containing a part of this
work or any other work associated with Project Gutenberg-tm.

1.E.5.  Do not copy, display, perform, distribute or redistribute this
electronic work, or any part of this electronic work, without
prominently displaying the sentence set forth in paragraph 1.E.1 with
active links or immediate access to the full terms of the Project
Gutenberg-tm License.

1.E.6.  You may convert to and distribute this work in any binary,
compressed, marked up, nonproprietary or proprietary form, including any
word processing or hypertext form.  However, if you provide access to or
distribute copies of a Project Gutenberg-tm work in a format other than
"Plain Vanilla ASCII" or other format used in the official version
posted on the official Project Gutenberg-tm web site (www.gutenberg.org),
you must, at no additional cost, fee or expense to the user, provide a
copy, a means of exporting a copy, or a means of obtaining a copy upon
request, of the work in its original "Plain Vanilla ASCII" or other
form.  Any alternate format must include the full Project Gutenberg-tm
License as specified in paragraph 1.E.1.

1.E.7.  Do not charge a fee for access to, viewing, displaying,
performing, copying or distributing any Project Gutenberg-tm works
unless you comply with paragraph 1.E.8 or 1.E.9.

1.E.8.  You may charge a reasonable fee for copies of or providing
access to or distributing Project Gutenberg-tm electronic works provided
that

- You pay a royalty fee of 20% of the gross profits you derive from
     the use of Project Gutenberg-tm works calculated using the method
     you already use to calculate your applicable taxes.  The fee is
     owed to the owner of the Project Gutenberg-tm trademark, but he
     has agreed to donate royalties under this paragraph to the
     Project Gutenberg Literary Archive Foundation.  Royalty payments
     must be paid within 60 days following each date on which you
     prepare (or are legally required to prepare) your periodic tax
     returns.  Royalty payments should be clearly marked as such and
     sent to the Project Gutenberg Literary Archive Foundation at the
     address specified in Section 4, "Information about donations to
     the Project Gutenberg Literary Archive Foundation."

- You provide a full refund of any money paid by a user who notifies
     you in writing (or by e-mail) within 30 days of receipt that s/he
     does not agree to the terms of the full Project Gutenberg-tm
     License.  You must require such a user to return or
     destroy all copies of the works possessed in a physical medium
     and discontinue all use of and all access to other copies of
     Project Gutenberg-tm works.

- You provide, in accordance with paragraph 1.F.3, a full refund of any
     money paid for a work or a replacement copy, if a defect in the
     electronic work is discovered and reported to you within 90 days
     of receipt of the work.

- You comply with all other terms of this agreement for free
     distribution of Project Gutenberg-tm works.

1.E.9.  If you wish to charge a fee or distribute a Project Gutenberg-tm
electronic work or group of works on different terms than are set
forth in this agreement, you must obtain permission in writing from
both the Project Gutenberg Literary Archive Foundation and Michael
Hart, the owner of the Project Gutenberg-tm trademark.  Contact the
Foundation as set forth in Section 3 below.

1.F.

1.F.1.  Project Gutenberg volunteers and employees expend considerable
effort to identify, do copyright research on, transcribe and proofread
public domain works in creating the Project Gutenberg-tm
collection.  Despite these efforts, Project Gutenberg-tm electronic
works, and the medium on which they may be stored, may contain
"Defects," such as, but not limited to, incomplete, inaccurate or
corrupt data, transcription errors, a copyright or other intellectual
property infringement, a defective or damaged disk or other medium, a
computer virus, or computer codes that damage or cannot be read by
your equipment.

1.F.2.  LIMITED WARRANTY, DISCLAIMER OF DAMAGES - Except for the "Right
of Replacement or Refund" described in paragraph 1.F.3, the Project
Gutenberg Literary Archive Foundation, the owner of the Project
Gutenberg-tm trademark, and any other party distributing a Project
Gutenberg-tm electronic work under this agreement, disclaim all
liability to you for damages, costs and expenses, including legal
fees.  YOU AGREE THAT YOU HAVE NO REMEDIES FOR NEGLIGENCE, STRICT
LIABILITY, BREACH OF WARRANTY OR BREACH OF CONTRACT EXCEPT THOSE
PROVIDED IN PARAGRAPH 1.F.3.  YOU AGREE THAT THE FOUNDATION, THE
TRADEMARK OWNER, AND ANY DISTRIBUTOR UNDER THIS AGREEMENT WILL NOT BE
LIABLE TO YOU FOR ACTUAL, DIRECT, INDIRECT, CONSEQUENTIAL, PUNITIVE OR
INCIDENTAL DAMAGES EVEN IF YOU GIVE NOTICE OF THE POSSIBILITY OF SUCH
DAMAGE.

1.F.3.  LIMITED RIGHT OF REPLACEMENT OR REFUND - If you discover a
defect in this electronic work within 90 days of receiving it, you can
receive a refund of the money (if any) you paid for it by sending a
written explanation to the person you received the work from.  If you
received the work on a physical medium, you must return the medium with
your written explanation.  The person or entity that provided you with
the defective work may elect to provide a replacement copy in lieu of a
refund.  If you received the work electronically, the person or entity
providing it to you may choose to give you a second opportunity to
receive the work electronically in lieu of a refund.  If the second copy
is also defective, you may demand a refund in writing without further
opportunities to fix the problem.

1.F.4.  Except for the limited right of replacement or refund set forth
in paragraph 1.F.3, this work is provided to you 'AS-IS' WITH NO OTHER
WARRANTIES OF ANY KIND, EXPRESS OR IMPLIED, INCLUDING BUT NOT LIMITED TO
WARRANTIES OF MERCHANTABILITY OR FITNESS FOR ANY PURPOSE.

1.F.5.  Some states do not allow disclaimers of certain implied
warranties or the exclusion or limitation of certain types of damages.
If any disclaimer or limitation set forth in this agreement violates the
law of the state applicable to this agreement, the agreement shall be
interpreted to make the maximum disclaimer or limitation permitted by
the applicable state law.  The invalidity or unenforceability of any
provision of this agreement shall not void the remaining provisions.

1.F.6.  INDEMNITY - You agree to indemnify and hold the Foundation, the
trademark owner, any agent or employee of the Foundation, anyone
providing copies of Project Gutenberg-tm electronic works in accordance
with this agreement, and any volunteers associated with the production,
promotion and distribution of Project Gutenberg-tm electronic works,
harmless from all liability, costs and expenses, including legal fees,
that arise directly or indirectly from any of the following which you do
or cause to occur: (a) distribution of this or any Project Gutenberg-tm
work, (b) alteration, modification, or additions or deletions to any
Project Gutenberg-tm work, and (c) any Defect you cause.


Section  2.  Information about the Mission of Project Gutenberg-tm

Project Gutenberg-tm is synonymous with the free distribution of
electronic works in formats readable by the widest variety of computers
including obsolete, old, middle-aged and new computers.  It exists
because of the efforts of hundreds of volunteers and donations from
people in all walks of life.

Volunteers and financial support to provide volunteers with the
assistance they need, are critical to reaching Project Gutenberg-tm's
goals and ensuring that the Project Gutenberg-tm collection will
remain freely available for generations to come.  In 2001, the Project
Gutenberg Literary Archive Foundation was created to provide a secure
and permanent future for Project Gutenberg-tm and future generations.
To learn more about the Project Gutenberg Literary Archive Foundation
and how your efforts and donations can help, see Sections 3 and 4
and the Foundation web page at http://www.pglaf.org.


Section 3.  Information about the Project Gutenberg Literary Archive
Foundation

The Project Gutenberg Literary Archive Foundation is a non profit
501(c)(3) educational corporation organized under the laws of the
state of Mississippi and granted tax exempt status by the Internal
Revenue Service.  The Foundation's EIN or federal tax identification
number is 64-6221541.  Its 501(c)(3) letter is posted at
http://pglaf.org/fundraising.  Contributions to the Project Gutenberg
Literary Archive Foundation are tax deductible to the full extent
permitted by U.S. federal laws and your state's laws.

The Foundation's principal office is located at 4557 Melan Dr. S.
Fairbanks, AK, 99712., but its volunteers and employees are scattered
throughout numerous locations.  Its business office is located at
809 North 1500 West, Salt Lake City, UT 84116, (801) 596-1887, email
business@pglaf.org.  Email contact links and up to date contact
information can be found at the Foundation's web site and official
page at http://pglaf.org

For additional contact information:
     Dr. Gregory B. Newby
     Chief Executive and Director
     gbnewby@pglaf.org


Section 4.  Information about Donations to the Project Gutenberg
Literary Archive Foundation

Project Gutenberg-tm depends upon and cannot survive without wide
spread public support and donations to carry out its mission of
increasing the number of public domain and licensed works that can be
freely distributed in machine readable form accessible by the widest
array of equipment including outdated equipment.  Many small donations
($1 to $5,000) are particularly important to maintaining tax exempt
status with the IRS.

The Foundation is committed to complying with the laws regulating
charities and charitable donations in all 50 states of the United
States.  Compliance requirements are not uniform and it takes a
considerable effort, much paperwork and many fees to meet and keep up
with these requirements.  We do not solicit donations in locations
where we have not received written confirmation of compliance.  To
SEND DONATIONS or determine the status of compliance for any
particular state visit http://pglaf.org

While we cannot and do not solicit contributions from states where we
have not met the solicitation requirements, we know of no prohibition
against accepting unsolicited donations from donors in such states who
approach us with offers to donate.

International donations are gratefully accepted, but we cannot make
any statements concerning tax treatment of donations received from
outside the United States.  U.S. laws alone swamp our small staff.

Please check the Project Gutenberg Web pages for current donation
methods and addresses.  Donations are accepted in a number of other
ways including checks, online payments and credit card donations.
To donate, please visit: http://pglaf.org/donate


Section 5.  General Information About Project Gutenberg-tm electronic
works.

Professor Michael S. Hart is the originator of the Project Gutenberg-tm
concept of a library of electronic works that could be freely shared
with anyone.  For thirty years, he produced and distributed Project
Gutenberg-tm eBooks with only a loose network of volunteer support.


Project Gutenberg-tm eBooks are often created from several printed
editions, all of which are confirmed as Public Domain in the U.S.
unless a copyright notice is included.  Thus, we do not necessarily
keep eBooks in compliance with any particular paper edition.


Most people start at our Web site which has the main PG search facility:

     http://www.gutenberg.org

This Web site includes information about Project Gutenberg-tm,
including how to make donations to the Project Gutenberg Literary
Archive Foundation, how to help produce our new eBooks, and how to
subscribe to our email newsletter to hear about new eBooks.